Помогите разобраться с частотником 3 фазы 220
- [TARAN]>
- Мастер
- Сообщения: 663
- Зарегистрирован: 13 янв 2014, 03:58
- Репутация: 58
- Контактная информация:
Помогите разобраться с частотником 3 фазы 220
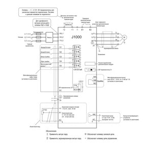
Соседи купили кромочный бу. Включили в сеть и бахнул 1н частотник. Yskawa cimr-jc2a0012baa. На корпусе указано подключение 3 фазы 220в. Подключен как однофазник той же серии но на нем маркировка именно 1 фаза 220в.
В каталоге общая схема подключения на все, как я понимаю. Так может все таки он подключаться как однофазник или нет? Бывший владелец божится, что все работало с завода так. Еще обнаружил, что одна ВЫХОДНАЯ фаза зажата через край изоляции, следовательно контакт мог и пропасть, но узел не запускали бахнуло сразу после включения станка. Это могло стать причиной?
Сгорели варисторы на входе и дорожка.
В каталоге общая схема подключения на все, как я понимаю. Так может все таки он подключаться как однофазник или нет? Бывший владелец божится, что все работало с завода так. Еще обнаружил, что одна ВЫХОДНАЯ фаза зажата через край изоляции, следовательно контакт мог и пропасть, но узел не запускали бахнуло сразу после включения станка. Это могло стать причиной?
Сгорели варисторы на входе и дорожка.
-
lkbyysq
- Мастер
- Сообщения: 2284
- Зарегистрирован: 14 май 2016, 09:40
- Репутация: 346
- Настоящее имя: Станислав Ерофеев
- Откуда: Санкт-Петербург
Re: Помогите разобраться с частотником 3 фазы 220
Варистор сгорает, когда входное напряжение больше нормы. Например 380 вместо 220.[TARAN писал(а):> post_id=661574 user_id=8936]
Сгорели варисторы на входе и дорожка.
Варистор не сгорает при проблемах на выходе.
- [TARAN]>
- Мастер
- Сообщения: 663
- Зарегистрирован: 13 янв 2014, 03:58
- Репутация: 58
- Контактная информация:
Re: Помогите разобраться с частотником 3 фазы 220
Ну вроде логично, да. Напряжение там скачет, но вроде максимум 250 вольт. Не должен был сгореть. На него одна фаза приходит, не 380. Я проверил. Предохранители плавкие стоят, на 16 ампер. И по 0 и по фазе, оба целые. Может из-за того что он трехфазный изначально, что то неправильно сработало.. Может быть такое? На обмотках двигателей вроде сопротивления везде одинаковое. Хотя по двигателям отличается. Там 2 фрезера параллельно подключены. Просто у меня есть частотник и можно его туда поставить, просто причину бы найти)
-
nevkon
- Почётный участник

- Сообщения: 2477
- Зарегистрирован: 17 июл 2015, 10:25
- Репутация: 310
- Настоящее имя: Константин
- Откуда: Балаково (Саратовская обл.)
- Контактная информация:
Re: Помогите разобраться с частотником 3 фазы 220
Причина вот она - 3 фазы 380В = 1 фаза 220В, 3 фазы 220В = 1 фаза 110-120В. Вроде так. А воткнули в 1 фазу 220В без понижения. Большие банки конденсаторов на сколько вольт стоят?[TARAN писал(а):> post_id=661574 user_id=8936]
На корпусе указано подключение 3 фазы 220в
-
alex_sar
- Мастер
- Сообщения: 1863
- Зарегистрирован: 28 авг 2018, 17:13
- Репутация: 315
- Настоящее имя: Алексей
- Контактная информация:
Re: Помогите разобраться с частотником 3 фазы 220
однако нет. между выводами R-S-T для этого частотника должно быть именно 220 вольт. в случай одной фазы один вывод оставляют висеть в воздухе.
110в там неоткуда взяться, нейтраль не подключается.
так обычно будет работать, но с пониженной мощностью ~70%. такое подключение обычно допускается до 1-2квт, дальше так уже нельзя подключать.
- [TARAN]>
- Мастер
- Сообщения: 663
- Зарегистрирован: 13 янв 2014, 03:58
- Репутация: 58
- Контактная информация:
Re: Помогите разобраться с частотником 3 фазы 220
Вот я про это и думаю. Там 2 фрезера по 1 кВт на нем висит. Но они в момент запуска станка не работали, естественно. Но вот то, что подключение идет на одну фазу как то сомнительно. Могло ли это быть причиной, что штатная защита не сработала... Сила тока то выше получается на входных клеммах. Но варисторы то по напряжению меняют сопротивление. Не понятно, но очень бы узнать хотелось. Т.е. косяк это заводской сборки или нет.alex_sar писал(а): так обычно будет работать, но с пониженной мощностью ~70%. такое подключение обычно допускается до 1-2квт, дальше так уже нельзя подключать.
Посмотрел свой частотник, который без дела лежит, у меня на 380.. Ну теоретически можно его подключить на 380 в станке. но двигатели 3х фазные на 220. Если по настройкам ограничить напряжение будет он адекватно с ними работать?
-
lkbyysq
- Мастер
- Сообщения: 2284
- Зарегистрирован: 14 май 2016, 09:40
- Репутация: 346
- Настоящее имя: Станислав Ерофеев
- Откуда: Санкт-Петербург
Re: Помогите разобраться с частотником 3 фазы 220
Логика защиты с использованием варистора.
1. При повышении напряжения выше порогового значения варистор превращается в КЗ (почти).
2. КЗ повышает ток и плавкий быстродействующий предохранитель на входе сгорает.
3. Защита сработала. Прибор за варистором цел - УРА!
Т.е. еще раз повторяю - ищите причину, по которой сработал варистор, если конечно он сработал.
Лично я плату не вижу, схему не вижу, где по схеме сгорели проводники не вижу, сгоревший варистор не вижу, что за предохранитель не сгорел не вижу и т.д.
1. При повышении напряжения выше порогового значения варистор превращается в КЗ (почти).
2. КЗ повышает ток и плавкий быстродействующий предохранитель на входе сгорает.
3. Защита сработала. Прибор за варистором цел - УРА!
Т.е. еще раз повторяю - ищите причину, по которой сработал варистор, если конечно он сработал.
Лично я плату не вижу, схему не вижу, где по схеме сгорели проводники не вижу, сгоревший варистор не вижу, что за предохранитель не сгорел не вижу и т.д.
-
alex_sar
- Мастер
- Сообщения: 1863
- Зарегистрирован: 28 авг 2018, 17:13
- Репутация: 315
- Настоящее имя: Алексей
- Контактная информация:
Re: Помогите разобраться с частотником 3 фазы 220
должен. я запускал даже серводвижки с номиналом ~100V от обычного (хитрого) частотника 380.[TARAN писал(а):> post_id=661581 user_id=8936]
Если по настройкам ограничить напряжение будет он адекватно с ними работать?
но аккуратно надо. и ток и напряжение чтоб точно ограничено было.
-
lkbyysq
- Мастер
- Сообщения: 2284
- Зарегистрирован: 14 май 2016, 09:40
- Репутация: 346
- Настоящее имя: Станислав Ерофеев
- Откуда: Санкт-Петербург
Re: Помогите разобраться с частотником 3 фазы 220
Будет. В настройки частотника забивается вольт-частотная характеристика двигателя. После чего при задании частоты инвертор будет подавать на двигатель ровно столько напряжения, сколько забито в характеристики. Грубо - это прямая линия от [0;0] до [Fном;Uном][TARAN писал(а):> post_id=661581 user_id=8936]
можно его подключить на 380 в станке. но двигатели 3х фазные на 220. Если по настройкам ограничить напряжение будет он адекватно с ними работать?
- xvovanx
- Мастер
- Сообщения: 3776
- Зарегистрирован: 25 фев 2016, 12:27
- Репутация: 920
- Настоящее имя: Владимир
- Откуда: Latvia
- Контактная информация:
Re: Помогите разобраться с частотником 3 фазы 220
Если варисторЫ то однозначно подключили три фазы 380В, а не одну 220. Выкусить остатки сгоревших варисторов, перемычку в параллель сгоревшей дорожки и плату хорошо зачистить и промыть (от бабаха варисторов плата возле них покрывается блестящей проводящей копотью), и точно подключить на 1 фазу. Частотник будет живым, я таких штук 5 спас от горе подключателей в 3 фазы.
- at90
- Мастер
- Сообщения: 666
- Зарегистрирован: 08 окт 2011, 23:22
- Репутация: 174
- Контактная информация:
Re: Помогите разобраться с частотником 3 фазы 220
Бывает что вместо фазы и 0 подключают 2 фазы. И тогда на входе частоника 380 вольт и сгорает. Обязательно нужно мерять напряжение на клеммах перед подключением.
Фрезы для чпу www.carbidetools.ru
- [TARAN]>
- Мастер
- Сообщения: 663
- Зарегистрирован: 13 янв 2014, 03:58
- Репутация: 58
- Контактная информация:
Re: Помогите разобраться с частотником 3 фазы 220
Первым делом про это подумал. Станок ни кто не открывал, подключили как есть. Проверил как подключили в щиток, проверил в щитке что N это N. Потом открыл станок, N с колодки звонится до частотника, вот провод не проверил на наличие соединений... Звонится со вторым частотником, он целый вроде. У них нет заземления, но провод идет на 4 жилы и его там нет. Отдельно станок ни куда не зануляли.xvovanx писал(а): ↑ Если варисторЫ то однозначно подключили три фазы 380В, а не одну 220. Выкусить остатки сгоревших варисторов, перемычку в параллель сгоревшей дорожки и плату хорошо зачистить и промыть (от бабаха варисторов плата возле них покрывается блестящей проводящей копотью), и точно подключить на 1 фазу. Частотник будет живым, я таких штук 5 спас от горе подключателей в 3 фазы.
Частотник отдали своему знакомому, он его распаял, долго матерился как он собран. Первый раз разбирал такой, чем то другим занимается. Но ремонтом электроники. Говорят почистил все, завтра попробует восстановить. Диоды целые, сборка вроде то же. Боятся, что опять сгорит. Там станок маленький и старенький, чехиза. Но им видео работы присылали.
Предложил померить напряжение на проводах которые непосредственно в него подключаются, перед установкой. Просто интересно, как так.
У меня пару раз реле контроля фаз и напряжения цех отрубало, но давно. Дерево там упало на линию. Фаза отгорела в ВРУ и т.д. Запитаны мы с одного ВРУ. У меня вроде все хорошо, и старый кромочник был, работал и без земли тогда еще.
Там они еще цену на точно такой же ЧП по шильдику. Сюрприз был не приятный.
-
alex_sar
- Мастер
- Сообщения: 1863
- Зарегистрирован: 28 авг 2018, 17:13
- Репутация: 315
- Настоящее имя: Алексей
- Контактная информация:
Re: Помогите разобраться с частотником 3 фазы 220
да тут и не предлагать а делать надо. отцепить померить потом уже цеплять.[TARAN писал(а):> post_id=661591 user_id=8936]
Предложил померить напряжение на проводах которые непосредственно в него подключаются, перед установкой. Просто интересно, как так.
чудеса всякие бывают.
- [TARAN]>
- Мастер
- Сообщения: 663
- Зарегистрирован: 13 янв 2014, 03:58
- Репутация: 58
- Контактная информация:
Re: Помогите разобраться с частотником 3 фазы 220
Померил напряжение на частотник. 400 вольт... На второй 50-60 вольт приходит... Провод от щитка прозвонил, на включателе прозвонил. Подключение не перепутано. N звонится от частотника до щитка. Куда копать не понимаю. Почему так может происходить? Как будто сильный перекос по фазам, но только внутри станка.
-
alex_sar
- Мастер
- Сообщения: 1863
- Зарегистрирован: 28 авг 2018, 17:13
- Репутация: 315
- Настоящее имя: Алексей
- Контактная информация:
Re: Помогите разобраться с частотником 3 фазы 220
может N оторван (ещё и до щитка возможно) и на него с другой фазы напряжение приходит через нагрузку какую-то?[TARAN писал(а):> post_id=661612 user_id=8936]
Померил напряжение на частотник. 400 вольт... На второй 50-60 вольт приходит... Провод от щитка прозвонил, на включателе прозвонил. Подключение не перепутано. N звонится от частотника до щитка. Куда копать не понимаю. Почему так может происходить? Как будто сильный перекос по фазам, но только внутри станка.
- [TARAN]>
- Мастер
- Сообщения: 663
- Зарегистрирован: 13 янв 2014, 03:58
- Репутация: 58
- Контактная информация:
Re: Помогите разобраться с частотником 3 фазы 220
Нашли! У них в водном щитке есть шина земли. И земля туда заведена. Откуда она тут на базе не понятно. Я контур закапывал для работы УЗО ну и статику снимать. Кто то подключал автомат который на кромочный идет, (кто не знаю, его не было) ну и N на эту землю посадил) Без нагрузки все ровно показывает, с нагрузкой перекос. Они туда форматник подключили еще, да же запускали для пробы. Нормально работал, говорят))
А возле кромочного щиток распределительный. Я там проверял N. Ну есть и есть, в нем все правильно подключено.
А возле кромочного щиток распределительный. Я там проверял N. Ну есть и есть, в нем все правильно подключено.