Датчик длины инструмента
- NightV
- Почётный участник

- Сообщения: 6610
- Зарегистрирован: 30 дек 2011, 09:14
- Репутация: 2279
- Настоящее имя: Владимир Айрапетян
- Откуда: Israel
- Контактная информация:
Re: Датчик длины инструмента
74HC
а где эти чипы применяются, есть куча плат, попробую найти
а где эти чипы применяются, есть куча плат, попробую найти
Всё просто! если знаешь КАК!
-
aftaev
- Зачётный участник

- Сообщения: 34042
- Зарегистрирован: 04 апр 2010, 19:22
- Репутация: 6194
- Откуда: Казахстан.
- Контактная информация:
Re: Датчик длины инструмента
Много где. Аналог "наши" К155, К133 и подобныеNightV писал(а):а где эти чипы применяются,
Это не чипы, это микросхемы логики
Микросхемы серии 7400
Загляни в свой токарный ЧПУ наверняка там можно их выдрать
Дилетанту сложные вещи кажутся очень простыми, и только профессионал понимает насколько сложна самая простая вещь
Кто хочет - ищет возможности, кто не хочет - ищет оправдание.
Найди работу по душе и тебе не придется работать.
Кто хочет - ищет возможности, кто не хочет - ищет оправдание.
Найди работу по душе и тебе не придется работать.
- Сергей Саныч
- Мастер
- Сообщения: 9116
- Зарегистрирован: 30 май 2012, 14:20
- Репутация: 2858
- Откуда: Тюмень
- Контактная информация:
- NightV
- Почётный участник

- Сообщения: 6610
- Зарегистрирован: 30 дек 2011, 09:14
- Репутация: 2279
- Настоящее имя: Владимир Айрапетян
- Откуда: Israel
- Контактная информация:
Re: Датчик длины инструмента
Serg-tmn спасибо что откликнулся
тоесть нужно изменить по формуле только R1?
но у меня 2 х 3.6 =7.2 вольтаSerg-tmn писал(а):Вот, можно примерно так
тоесть нужно изменить по формуле только R1?
Всё просто! если знаешь КАК!
- Serg
- Мастер
- Сообщения: 21923
- Зарегистрирован: 17 апр 2012, 14:58
- Репутация: 5183
- Заслуга: c781c134843e0c1a3de9
- Настоящее имя: Сергей
- Откуда: Москва
- Контактная информация:
Re: Датчик длины инструмента
А вместо одной батарейки подходящую шайбу засунуть не кошерно? 
Я не Христос, рыбу не раздаю, но могу научить, как сделать удочку...
- elephant007
- Мастер
- Сообщения: 857
- Зарегистрирован: 18 ноя 2012, 13:12
- Репутация: 332
- Откуда: Сибирь, Томск
- Контактная информация:
Re: Датчик длины инструмента
мож просто подарить тебе 74AHC1G14?
- NightV
- Почётный участник

- Сообщения: 6610
- Зарегистрирован: 30 дек 2011, 09:14
- Репутация: 2279
- Настоящее имя: Владимир Айрапетян
- Откуда: Israel
- Контактная информация:
Re: Датчик длины инструмента
смейся смейся, просто мне далеко в ларек ехать. а к тебе за "подарком" еще дальшеelephant007 писал(а):мож просто подарить тебе 74AHC1G14?
Serg-tmn спасибо
Всё просто! если знаешь КАК!
- Сергей Саныч
- Мастер
- Сообщения: 9116
- Зарегистрирован: 30 май 2012, 14:20
- Репутация: 2858
- Откуда: Тюмень
- Контактная информация:
Re: Датчик длины инструмента
Да. В зависимости от нужного тока светодиода. Где-нибудь 470-510 Ом подойдет. Или можно последовательно еще один-два светодиода воткнуть. Для пущей иллюминацииNightV писал(а):тоесть нужно изменить по формуле только R1?
Чудес не бывает. Бывают фокусы.
- elephant007
- Мастер
- Сообщения: 857
- Зарегистрирован: 18 ноя 2012, 13:12
- Репутация: 332
- Откуда: Сибирь, Томск
- Контактная информация:
Re: Датчик длины инструмента
я себе заказывал на подобную штуку, взял с запасом. кину почтой и всех дел.NightV писал(а):смейся смейся, просто мне далеко в ларек ехать. а к тебе за "подарком" еще дальшеelephant007 писал(а):мож просто подарить тебе 74AHC1G14?![]()
Serg-tmn спасибо
а ты в качестве спасибо проконтролируешь нарисованную мной печатку. я то в этом деле первоклассник...
- NightV
- Почётный участник

- Сообщения: 6610
- Зарегистрирован: 30 дек 2011, 09:14
- Репутация: 2279
- Настоящее имя: Владимир Айрапетян
- Откуда: Israel
- Контактная информация:
Re: Датчик длины инструмента
ну прямо скажем.. я в ясляхelephant007 писал(а): нарисованную мной печатку. я то в этом деле первоклассник
(качество сильно сжато, картинка для примера)
только силовые на выходе релюшки (отдельной платой в "силовом" модуле который спрятан в шкафу аквариума)
однослойка, с обратной стороны пришлось бросить 7-10 перемычек, уже точно не помню . это было 4 года назад
я бы пошел на это если бы у тебя не возникло финансовых затрат с почтой, извини, я в израилеelephant007 писал(а):я себе заказывал на подобную штуку, взял с запасом. кину почтой и всех дел
Всё просто! если знаешь КАК!
- elephant007
- Мастер
- Сообщения: 857
- Зарегистрирован: 18 ноя 2012, 13:12
- Репутация: 332
- Откуда: Сибирь, Томск
- Контактная информация:
Re: Датчик длины инструмента
да не парься. кинь адрес в личку.
- NightV
- Почётный участник

- Сообщения: 6610
- Зарегистрирован: 30 дек 2011, 09:14
- Репутация: 2279
- Настоящее имя: Владимир Айрапетян
- Откуда: Israel
- Контактная информация:
Re: Датчик длины инструмента
ну чтош, добил я все таки свой датчик
https://www.youtube.com/watch?v=LOl9Gx6KMzk
питание стандартное (2х3.6v), собрано на принципе "транзисторный ключ" МОП, дребезга почему-то нет.
потребление с покое около 0.5-1 мА (может и меньше, меньше 1мА прибор не показывает, но иногда появляется еденичка), в активном 120 мА, 6 SDM LED's по 20 мА.
повторяемость 1.5-2.5 микрон.
биение шарика при вращении какое мне удалось выставить около 15 микрон, замерялось уже станком, так-как "часики" этого уже почти не показывали потому что 1 деление 1 сотка
для моих нужд точность запредельная
https://www.youtube.com/watch?v=LOl9Gx6KMzk
питание стандартное (2х3.6v), собрано на принципе "транзисторный ключ" МОП, дребезга почему-то нет.
потребление с покое около 0.5-1 мА (может и меньше, меньше 1мА прибор не показывает, но иногда появляется еденичка), в активном 120 мА, 6 SDM LED's по 20 мА.
повторяемость 1.5-2.5 микрон.
биение шарика при вращении какое мне удалось выставить около 15 микрон, замерялось уже станком, так-как "часики" этого уже почти не показывали потому что 1 деление 1 сотка
для моих нужд точность запредельная
Последний раз редактировалось NightV 19 окт 2013, 17:24, всего редактировалось 1 раз.
Всё просто! если знаешь КАК!
-
nik1
- Мастер
- Сообщения: 8408
- Зарегистрирован: 02 окт 2012, 07:37
- Репутация: 3629
- Откуда: Красногорск
- Контактная информация:
Re: Датчик длины инструмента
Очень крута по ттх 
-
aftaev
- Зачётный участник

- Сообщения: 34042
- Зарегистрирован: 04 апр 2010, 19:22
- Репутация: 6194
- Откуда: Казахстан.
- Контактная информация:
Re: Датчик длины инструмента
а как ты его "искал" ?NightV писал(а):дребезга почему-то нет.
Дилетанту сложные вещи кажутся очень простыми, и только профессионал понимает насколько сложна самая простая вещь
Кто хочет - ищет возможности, кто не хочет - ищет оправдание.
Найди работу по душе и тебе не придется работать.
Кто хочет - ищет возможности, кто не хочет - ищет оправдание.
Найди работу по душе и тебе не придется работать.
- NightV
- Почётный участник

- Сообщения: 6610
- Зарегистрирован: 30 дек 2011, 09:14
- Репутация: 2279
- Настоящее имя: Владимир Айрапетян
- Откуда: Israel
- Контактная информация:
Re: Датчик длины инструмента
косался щупом о тиски с пол часа, туды-сюды, загораются четкоaftaev писал(а):а как ты его "искал" ?
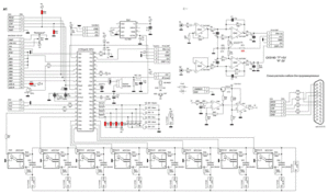
схемка получилась такая
Всё просто! если знаешь КАК!
-
aftaev
- Зачётный участник

- Сообщения: 34042
- Зарегистрирован: 04 апр 2010, 19:22
- Репутация: 6194
- Откуда: Казахстан.
- Контактная информация:
Re: Датчик длины инструмента
если в ЧПУ не заводить, а только на светодиоды ориентироваться, то на дребезг пофикNightV писал(а):косался щупом о тиски с пол часа, туды-сюды, загораются четко
Дилетанту сложные вещи кажутся очень простыми, и только профессионал понимает насколько сложна самая простая вещь
Кто хочет - ищет возможности, кто не хочет - ищет оправдание.
Найди работу по душе и тебе не придется работать.
Кто хочет - ищет возможности, кто не хочет - ищет оправдание.
Найди работу по душе и тебе не придется работать.
- NightV
- Почётный участник

- Сообщения: 6610
- Зарегистрирован: 30 дек 2011, 09:14
- Репутация: 2279
- Настоящее имя: Владимир Айрапетян
- Откуда: Israel
- Контактная информация:
Re: Датчик длины инструмента
есть схемка как завести именно в мою стойку (Yasnac MX3 - Yaskawa) модель ренишоу МР3.
но электроника настолько капризная (от времени) что сразу отмел мысль чтоб в нее лезть.
в стойке есть функция под такой датчик (ну или стрелочный, неважно какой), заносиш один раз диаметр шарика и всё, а потом уже в спец меню (с картинками , что и куда) вручную подезжаеш, касаешся заготовки и жмеш одну кнопку, стойка сама высчитывает радиус шарика и заносит координату в нужный реестр, X, Y или Z
но электроника настолько капризная (от времени) что сразу отмел мысль чтоб в нее лезть.
в стойке есть функция под такой датчик (ну или стрелочный, неважно какой), заносиш один раз диаметр шарика и всё, а потом уже в спец меню (с картинками , что и куда) вручную подезжаеш, касаешся заготовки и жмеш одну кнопку, стойка сама высчитывает радиус шарика и заносит координату в нужный реестр, X, Y или Z
Всё просто! если знаешь КАК!
-
aftaev
- Зачётный участник

- Сообщения: 34042
- Зарегистрирован: 04 апр 2010, 19:22
- Репутация: 6194
- Откуда: Казахстан.
- Контактная информация:
Re: Датчик длины инструмента
У тебя Yasnac есть ?
Что нибудь знакомое видишь Про сервы Yaskawa #175
Что нибудь знакомое видишь Про сервы Yaskawa #175
Дилетанту сложные вещи кажутся очень простыми, и только профессионал понимает насколько сложна самая простая вещь
Кто хочет - ищет возможности, кто не хочет - ищет оправдание.
Найди работу по душе и тебе не придется работать.
Кто хочет - ищет возможности, кто не хочет - ищет оправдание.
Найди работу по душе и тебе не придется работать.
- NightV
- Почётный участник

- Сообщения: 6610
- Зарегистрирован: 30 дек 2011, 09:14
- Репутация: 2279
- Настоящее имя: Владимир Айрапетян
- Откуда: Israel
- Контактная информация:
Re: Датчик длины инструмента
у меня "малость" постарше 
станок 91 года
драйверы
вверху доп вентилятор поставил, драйвер по Z часто глючил, с доп охлаждением перестал мОзг драйв на шпиндель драйв АТС ленточиталка
станок 91 года
драйверы
вверху доп вентилятор поставил, драйвер по Z часто глючил, с доп охлаждением перестал мОзг драйв на шпиндель драйв АТС ленточиталка
Всё просто! если знаешь КАК!
- tooshka
- Почётный участник

- Сообщения: 1803
- Зарегистрирован: 24 окт 2012, 14:26
- Репутация: 209
- Настоящее имя: Андрей
- Откуда: Нижний Новгород
- Контактная информация:
Re: Датчик длины инструмента
Как мумия из пирамиды)))NightV писал(а):ленточиталка
Милая, ты услышь меня
под окном стою со своим я ЧПУ! (Протяжно; с надрывом; форте)
Внимание!!! Чрезмерное увлечение ЧПУ приводит к проблемам в семейных отношениях!
под окном стою со своим я ЧПУ! (Протяжно; с надрывом; форте)
Внимание!!! Чрезмерное увлечение ЧПУ приводит к проблемам в семейных отношениях!