Вот на этой картинке хорошо видно, что в устройстве 50/100А внутреннего шунта нет. И на схеме должен быть не буквально Амперметр (у которого низкое сопротивление), там АЦП который меряет падение напряжения на шунте.lkbyysq писал(а):Конечно лучше разобрать и прозвонить для подтверждения догадок.daemon78 писал(а):что там у него внутри у этого девайса
https://ae01.alicdn.com/kf/HTB1Aq8rXoWF ... clXXaZ.jpg
Подключение вольтамперметра
-
Lunatic
- Мастер
- Сообщения: 460
- Зарегистрирован: 09 мар 2015, 20:25
- Репутация: 75
- Настоящее имя: Дмитрий
- Контактная информация:
Re: Подключение вольтамперметра
- daemon78
- Мастер
- Сообщения: 1693
- Зарегистрирован: 02 окт 2018, 15:02
- Репутация: 103
- Настоящее имя: Владимир
- Откуда: Москва
- Контактная информация:
Re: Подключение вольтамперметра
Люди добрые, я уже понял, что все же придется соединить минусы.
Больше ничего не надо делать?
Больше ничего не надо делать?
Мой первый станок Первый станок Кусака 1 и куча вопросов #1
Мой второй станок Кусака 2.0 и вопросы к форумчанам #1
Мой второй станок Кусака 2.0 и вопросы к форумчанам #1
- xvovanx
- Мастер
- Сообщения: 3776
- Зарегистрирован: 25 фев 2016, 12:27
- Репутация: 920
- Настоящее имя: Владимир
- Откуда: Latvia
- Контактная информация:
Re: Подключение вольтамперметра
я бы для начала для пробы подключил 5В питания и 12В с лампочкой для замеров, чтобы все проверить, чтоб очередной вольметр не испустил духdaemon78 писал(а):Больше ничего не надо делать?
-
Lunatic
- Мастер
- Сообщения: 460
- Зарегистрирован: 09 мар 2015, 20:25
- Репутация: 75
- Настоящее имя: Дмитрий
- Контактная информация:
Re: Подключение вольтамперметра
https://kitaygid.ru/tovary/kitajskij-voltmetr-ampermetr
Здесь в статье на первом видео говориться, что тонкий черный провод не надо подключать, это влияет на работу стабилизатора тока (если он есть).
НЕ НАДО СОЕДИНЯТЬ МИНУСЫ (был не прав )
Вероятно + питания и +измеряемой цепи внутри прибора соединяются (может через диод)
Такое ощущение что никто не использует этот прибор с раздельным питанием и твои грабли первые.
Здесь в статье на первом видео говориться, что тонкий черный провод не надо подключать, это влияет на работу стабилизатора тока (если он есть).
НЕ НАДО СОЕДИНЯТЬ МИНУСЫ (был не прав )
Вероятно + питания и +измеряемой цепи внутри прибора соединяются (может через диод)
Такое ощущение что никто не использует этот прибор с раздельным питанием и твои грабли первые.
-
Lunatic
- Мастер
- Сообщения: 460
- Зарегистрирован: 09 мар 2015, 20:25
- Репутация: 75
- Настоящее имя: Дмитрий
- Контактная информация:
Re: Подключение вольтамперметра
https://www.tool-electric.ru/2018/12/yb27va.html?m=1
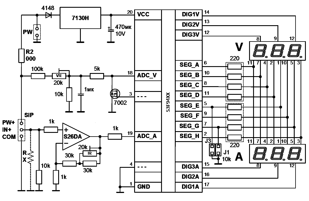
Вот статья со схемой. На схеме есть перемычка R2 которая соединяет +12В и +42В. С ней получается что блоки питания 12 и 42 В соединены параллельно. Если ее убрать то должно работать.
Вот статья со схемой. На схеме есть перемычка R2 которая соединяет +12В и +42В. С ней получается что блоки питания 12 и 42 В соединены параллельно. Если ее убрать то должно работать.
-
lkbyysq
- Мастер
- Сообщения: 2284
- Зарегистрирован: 14 май 2016, 09:40
- Репутация: 346
- Настоящее имя: Станислав Ерофеев
- Откуда: Санкт-Петербург
Re: Подключение вольтамперметра
Правильное.
-
lkbyysq
- Мастер
- Сообщения: 2284
- Зарегистрирован: 14 май 2016, 09:40
- Репутация: 346
- Настоящее имя: Станислав Ерофеев
- Откуда: Санкт-Петербург
Re: Подключение вольтамперметра
Вот и дым минусового провода 12В.Lunatic писал(а):На схеме есть перемычка R2 которая соединяет +12В и +42В. С ней получается что блоки питания 12 и 42 В соединены параллельно
- daemon78
- Мастер
- Сообщения: 1693
- Зарегистрирован: 02 окт 2018, 15:02
- Репутация: 103
- Настоящее имя: Владимир
- Откуда: Москва
- Контактная информация:
Re: Подключение вольтамперметра
Lunatic, lkbyysq огромное спасибо за ссылки и желание помочь.
Посмотрел видео, прочитал статью, но так и не понял, что я сделал не правильно.
Вообщем решил послать все ф топку и поставить просто светодиод для индикации, ибо грабли не смог идентифицировать, так как не электронщик
Еще раз спасибо
Посмотрел видео, прочитал статью, но так и не понял, что я сделал не правильно.
Вообщем решил послать все ф топку и поставить просто светодиод для индикации, ибо грабли не смог идентифицировать, так как не электронщик
Не представляю где она в прибореLunatic писал(а):Если ее убрать то должно работать.
Не хватает знаний чтобы понять причину этогоlkbyysq писал(а):Вот и дым минусового провода 12В.
Еще раз спасибо
Последний раз редактировалось daemon78 17 сен 2019, 14:13, всего редактировалось 1 раз.
Мой первый станок Первый станок Кусака 1 и куча вопросов #1
Мой второй станок Кусака 2.0 и вопросы к форумчанам #1
Мой второй станок Кусака 2.0 и вопросы к форумчанам #1
-
Lunatic
- Мастер
- Сообщения: 460
- Зарегистрирован: 09 мар 2015, 20:25
- Репутация: 75
- Настоящее имя: Дмитрий
- Контактная информация:
Re: Подключение вольтамперметра
А вот более правильная схема и ссылка на форум с обсуждением.
https://forum.cxem.net/index.php?/topic ... dsn-vc288/
Сейчас времени нет разбираться, может кто поможет.
https://forum.cxem.net/index.php?/topic ... dsn-vc288/
Сейчас времени нет разбираться, может кто поможет.
-
lkbyysq
- Мастер
- Сообщения: 2284
- Зарегистрирован: 14 май 2016, 09:40
- Репутация: 346
- Настоящее имя: Станислав Ерофеев
- Откуда: Санкт-Петербург
Re: Подключение вольтамперметра
Если есть перемычка, то два питания нельзя подавать.daemon78 писал(а):так и не понял, что я сделал не правильно.
Думаю, что Вы не виноваты. Китайцы дали кривое описание.
- daemon78
- Мастер
- Сообщения: 1693
- Зарегистрирован: 02 окт 2018, 15:02
- Репутация: 103
- Настоящее имя: Владимир
- Откуда: Москва
- Контактная информация:
Re: Подключение вольтамперметра
Что то я теперь не уверен.lkbyysq писал(а):Китайцы дали кривое описание.
Вот сайт Российского продавца
http://voltozar.ru/ampervolt-dc0-100v-10a-red-blue
Та же схема
Мой первый станок Первый станок Кусака 1 и куча вопросов #1
Мой второй станок Кусака 2.0 и вопросы к форумчанам #1
Мой второй станок Кусака 2.0 и вопросы к форумчанам #1
-
Lunatic
- Мастер
- Сообщения: 460
- Зарегистрирован: 09 мар 2015, 20:25
- Репутация: 75
- Настоящее имя: Дмитрий
- Контактная информация:
Re: Подключение вольтамперметра
Если это DSN-VC288 то согласно схеме черные тонкий и толстый замкнуты внутри (общая земля) и не вижу причины, почему оно задымилось. Может цвета перепутаны на разъеме с тонкими проводами? Должно быть 1-2-3 Желтый-черный-красный.
-
lkbyysq
- Мастер
- Сообщения: 2284
- Зарегистрирован: 14 май 2016, 09:40
- Репутация: 346
- Настоящее имя: Станислав Ерофеев
- Откуда: Санкт-Петербург
Re: Подключение вольтамперметра
А если не если? Только прозвон цепей спасет.Lunatic писал(а):Если это DSN-VC288...
-
Lunatic
- Мастер
- Сообщения: 460
- Зарегистрирован: 09 мар 2015, 20:25
- Репутация: 75
- Настоящее имя: Дмитрий
- Контактная информация:
Re: Подключение вольтамперметра
В англоязычном интернете я нашел описание 4-х или 5-и похожих приборов с разными схемами и названиями. Т.к. первоначальная ссылка на ali была именно на DSN-VC288, то надеюсь что это именно он, название на печатной плате написано. Просто китайцы могли что-нибудь похожее прислать, а не все модели умеют двойное питание. Так-же есть упоминание, что маркировка цветов иногда меняется у продавцов, поэтому проверить стоит.lkbyysq писал(а):А если не если? Только прозвон цепей спасет.Lunatic писал(а):Если это DSN-VC288...
- daemon78
- Мастер
- Сообщения: 1693
- Зарегистрирован: 02 окт 2018, 15:02
- Репутация: 103
- Настоящее имя: Владимир
- Откуда: Москва
- Контактная информация:
Re: Подключение вольтамперметра
Ларчик открывался просто.
Из пяти вольтамперметров 4 оказались бракованными.
Я все подключал под одной схеме, и только один заработал нормально
Из пяти вольтамперметров 4 оказались бракованными.
Я все подключал под одной схеме, и только один заработал нормально
Мой первый станок Первый станок Кусака 1 и куча вопросов #1
Мой второй станок Кусака 2.0 и вопросы к форумчанам #1
Мой второй станок Кусака 2.0 и вопросы к форумчанам #1
- xvovanx
- Мастер
- Сообщения: 3776
- Зарегистрирован: 25 фев 2016, 12:27
- Репутация: 920
- Настоящее имя: Владимир
- Откуда: Latvia
- Контактная информация:
Re: Подключение вольтамперметра
В 4-ех китайцы перемычку запаяли между двумя напругами, а в 5-ом поленилисьdaemon78 писал(а):Из пяти вольтамперметров 4 оказались бракованными