Руки чешутся, моск воспален, мысли прут, разрываюсь между тысячей дел. Однако, в зависимости от того, могу я что-то пилякать или не могу пытаюсь все время тратить на сочинение новой сказки для Вас. Те из Вас кто понимает в электронике больше меня (а это все те, кто знает что-то больше чем "Закон Омуля"
Действующие лица и исполнители: Олень по кличке "Зайчик", Ваш покорный слуга.
Сцена: Дождь, грязь, говно, теплый офис, диван, ноутбук, скучающий неподалеку станок, кфемашина.
Время: идут к концу третьи сутки запусков/проверок всех сервисов и служб после новогоднего обморожения, совмещенные с нездоровым рвением к работе у клиентов. Сегодня домой в теплую постельку.
Собственно и повествование:
Составив план мероприятий по развитию станкостроения в Лапландской области и написав бизнес план, Олень "Зайчик" решил уходить от Деда Мороза на вольные хлеба. Все копыта стоптал развозя за праздники дурацкие подарки невыносимым детишкам. А ведь были времена, когда Дед Мороз работал как надо - увозил непослушных детей в лес и там оставлял. Какая была прелесть! Ни тебе подарков таскать, ни тебе стишки выслушивать. И у волков была еда, оленями меньше интересовались. Детенку-то замерзшую куда проще слопать. И ладно бы просто стишки, а то все норовят на табуретку залезть. Вон одна, так даже Гимн спела в 6-то лет! Куда мы катимся?
Так, о чем это я?
На радостях и выходных Олень все свободное время и стоя в пробках ваял схемы, чертежи, что-то, что приближало бы его к его мечте и расставанию со Старым Козлом.
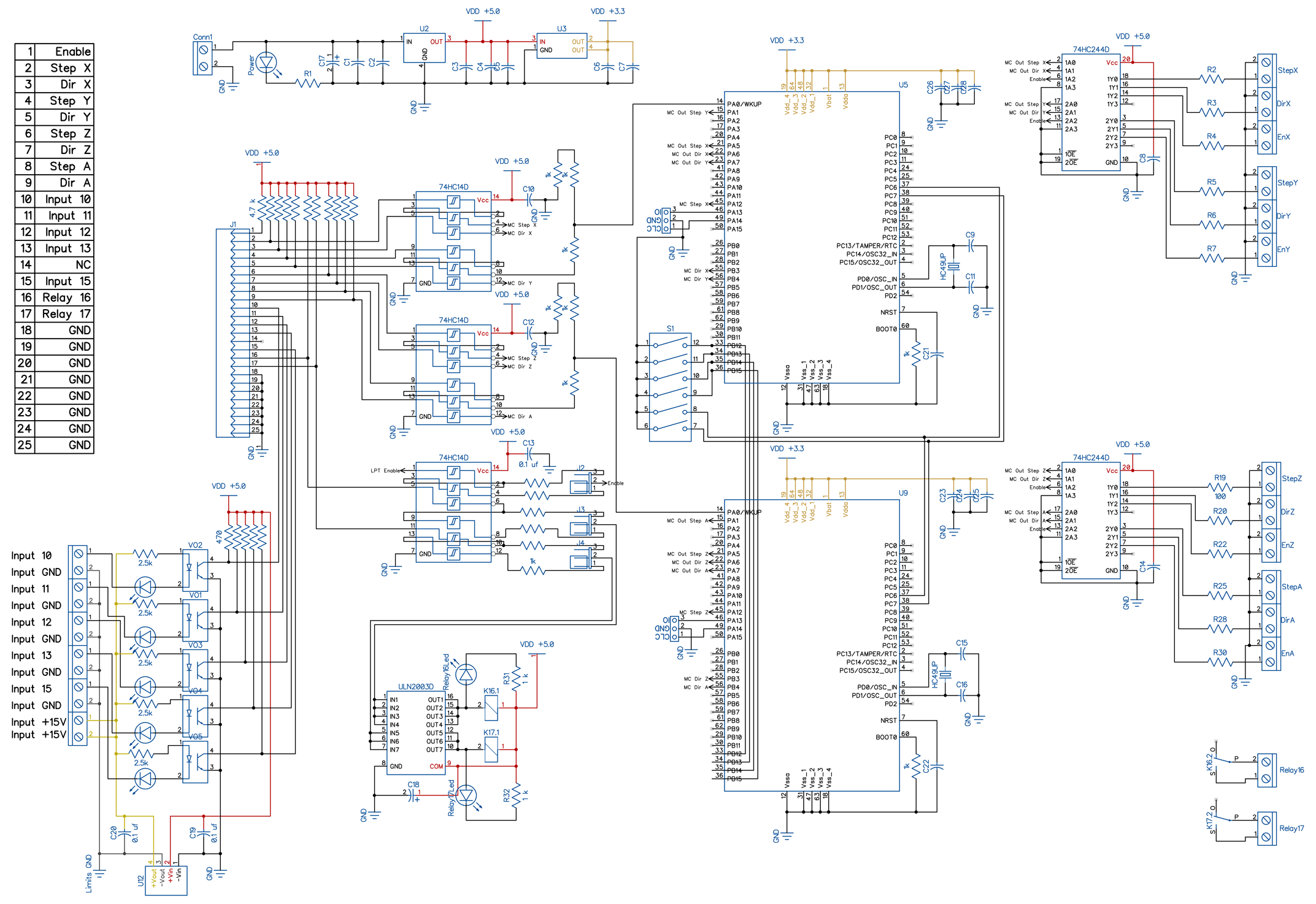
Составляя планы и думая о грядущем олень осознал, что без разумной платы коммутации - нормальный станок не поднять и не осилить. Возюкаясь с разными схемами подключения оленьего станка к оленьему контроллеру оленьеми проводами с оленьими датчиками и, что не маловажно, оленьими копытами!, олень все никак не мог найти нужной схемы. Вроде и входов-выходов хватает, вроде и продумано все у затейников-производителей. А нет-нет, да и напорется олень на косяк. И косяки эти были таковы:
1. Все хорошо и гладко, но при загрузке компьютера включается шпиндель. Ведь на пине появляется единица и шпиндель думает что его попросили поработать, да на полных оборотах.
2. Вентиляторы, столь любовно установленные оленем на радиатор охлаждения шпинделя крутятся только тогда, когда БП будет включен в розетку. А вместе с ними помпа, пылесос, обдув.
3. Подключение датчиков "цепью", "шиной", "ИЛИ", "И" - все дает преимущества и создает недостатки. То входов не хватает, то логика не та, то приоритеты не такие, то направление дурацкое.
Вывод, который сделал олень - надо думать-кумекать над платой коммутации. Она пригодится в любом случае. И начал он составлять ТУ-ТЗ, ваять схему, исследовать закрома оленьи на предмет наличиствующих деталей.
Собственно ТЗ состояло из многих пунктов, но на суд Ваш представлю лишь некоторые (без учета конструктива, который пока в стадии макетирования):
1. ENABLE - какашка, ChargePump - форева! (Вот только "вернуть" данные в компьютер - занимать один вход полностью)
2. Один порт - МАЛОВАТО БУДЕТ. Надо подумать как запихнуть незапихуемое или делать 2 порта.
3. Релюшек/ключей, зависимых от разного рода сигналов/датчиков должно быть море (Включение обдува и/или подачи СОЖ при вращении шпинделя и/или Probe, чтобы сдуть с датчика какашку, оставленную там кошкой Галей МЯУ. Включение вентиляторов радиатора охлаждения шпинделя только когда это требуется, включение помпы охлаждения шпинделя только при вращении шпинделя...)
4. Все должно быть модульным и отлаживаться "кусками", причем без "пайки по-очереди", а именно модульным.
5. Входы должны быть с одной стороны, а выходы с другой. Но это уже конструктив, о котором пока говорить рано.
Разломив всю свою оленью башку вдребезги и папалам, использовав все скрытые ресурсы (даже крупом олень думать пытался, получается, но немного хуже чем головой) просмотрев в интернете гору схем, олень наваял то, что наваял (в файлике).
Что вышло:
1. Наступил олень себе на "прикол" заключающийся в том, что ChargePump нужен чтобы запустить ChаrgePump (схема взята из документации на LinuxCNC. Подумалось оленю, что сдвоенные триггеры стоит заменить ключом на транзисторе. Потребителей много.) Но разрулил. Даже получилось сделать переключение между вариантом работы ENAБле/Шарж-памп. Однако, полностью шарж-памп будет "хорош" если он будет что-либо еще и возвращать в компьютер. Т.е. понимать, что все хорошо и работает и генерить что-либо компу. Но может это и лишнее? Хотя олений круп подсказывает: "в этой науке лишнего не бывает". Вот разговорчивая задница....
2. Схем преобразователей ШИМ-Напряжение аж 3. Какую взять - проблема выбора. Макетировать все... или сразу сваять все? Это тоже еще предстоит решить/выбрать. Вроде и понятно какая должна быть лучше, а какая наебарот. Но одну стружку два раза не срезать... надо проверять.
3. Схемы на 555ых какие-то корявенькие вышли, да и рисовались уже в последний момент. Задумка мне пока нравится, а реализация не очень. Хочется чтобы помпы включались вместе со шпинделем, а выключались с задержкой. Но пока не ясно как сделать наиразумнейшим образом.
4. Блок питания не очень по-оленьи, т.е. как раз наоборот - самым оленьим образом сделан. Надо туда все-таки делитель с регулировкой точной всадить и регулятор по-мощнее. А еще, если один из вариантов конструктива в копрусе от CD привода в 5 дюймовом слоте "пойдет", то питание надо предусмотреть от БП компа. Да и буферный АКБ было бы здорово приляпать чтобы выключать все по-человечьи, а не по-оленьи в случае нежданчика в электросети. И супостатский USB можно вкорячить, но так, чтобы при его подключении гальваническая развязка отключалась и не питала "чистую" часть схемы.
5. Разъемов LPT два потому что есть новенькие центрониксы и хорошие кабели к ним из старых запасов с экраном как лом и по 5м. А DB25 нарисован как "справочный". Нерешительный олень какой-то. Не может выбрать делать "как все" или "из того что есть"?
6. Выводов питания и земли маловато. Будет "каша" из проводов. Надо по-больше их предусмотреть.
7. Вторая половина второй 74HC224 не задействована. Куда бы ее присобачить? В шарж-пампе можно использовать включив "единичкой" навсегда, но там схема-то уже после развязки. Может оптопару на выход шаржпампа всобачить, а не на вход? Тогда микруха вся окажется в "чистой" части и можно будет все триггеры использовать.
Вот, собственно, и сказочке конец. Т.е. спать надо ехать. Да и Старый Новый Год на носу оленьем краснеет белизной.

