Нужна помощь по нарезке деталей для чпу (уже не актуально)
-
flenger
- Кандидат
- Сообщения: 92
- Зарегистрирован: 16 июл 2014, 12:49
- Репутация: -2
- Откуда: Москва
- Контактная информация:
Нужна помощь по нарезке деталей для чпу (уже не актуально)
Добрый день,
Нужна помощь по нарезке двух одинаковых деталей на чпу. У меня есть станок но он по дереву...
Материал ваш, дюраль Д16,толщина заготовки 16 мм, размеры заготовки 48х91 мм.
Соответственно с моей стороны оплата материала и работ.
эскиз детали:
Нужна помощь по нарезке двух одинаковых деталей на чпу. У меня есть станок но он по дереву...
Материал ваш, дюраль Д16,толщина заготовки 16 мм, размеры заготовки 48х91 мм.
Соответственно с моей стороны оплата материала и работ.
эскиз детали:
Последний раз редактировалось flenger 16 окт 2015, 14:14, всего редактировалось 1 раз.
-
Mihaill
- Мастер
- Сообщения: 238
- Зарегистрирован: 02 июн 2014, 12:06
- Репутация: 68
- Откуда: Ярославль
- Контактная информация:
Re: Нужна помощь по нарезке деталей для чпу
Скажи откуда будешь, вдруг рядом кто со станочком есть
, да и чертежик с допусками не помешает.
-
flenger
- Кандидат
- Сообщения: 92
- Зарегистрирован: 16 июл 2014, 12:49
- Репутация: -2
- Откуда: Москва
- Контактная информация:
Re: Нужна помощь по нарезке деталей для чпу
Я из Москвы,
хотелось бы найти в Москве, но не принципиально. Допуск, если я его правильно понимаю, 0.1 мм
файл в формате dxf во вложении.
хотелось бы найти в Москве, но не принципиально. Допуск, если я его правильно понимаю, 0.1 мм
файл в формате dxf во вложении.
- Вложения
-
- 1.DXF
- (25.64 КБ) 1003 скачивания
-
Mihaill
- Мастер
- Сообщения: 238
- Зарегистрирован: 02 июн 2014, 12:06
- Репутация: 68
- Откуда: Ярославль
- Контактная информация:
Re: Нужна помощь по нарезке деталей для чпу
Лично мне по такой мелочи откровенно лень с транспортной связыватся(шкурка выделки не стоит).flenger писал(а):но не принципиально
Это не чертеж, нужен как минимум еще один вид. Отверстия наверно посадочные? если да допуск в 0.1 мм не прокатит, не поленитесь образмерьте, тогда гадать не потребуется.flenger писал(а):файл в формате dxf во вложении
-
flenger
- Кандидат
- Сообщения: 92
- Зарегистрирован: 16 июл 2014, 12:49
- Репутация: -2
- Откуда: Москва
- Контактная информация:
Re: Нужна помощь по нарезке деталей для чпу
Большие отверстия посадочные, меленькие нет. Сложно "образмерить"Mihaill писал(а):Это не чертеж, нужен как минимум еще один вид. Отверстия наверно посадочные? если да допуск в 0.1 мм не прокатит, не поленитесь образмерьте, тогда гадать не потребуется.
могу предложить файл из солида
- Вложения
-
- 1.zip
- (226.81 КБ) 352 скачивания
- Евгений+++
- Мастер
- Сообщения: 1595
- Зарегистрирован: 19 авг 2015, 14:18
- Репутация: 176
- Настоящее имя: Евгений
- Откуда: Воронеж.., пока что
- Контактная информация:
Re: Нужна помощь по нарезке деталей для чпу
Хотел Вас поддержать "НО" соглашусь с Mihaill.flenger писал(а):Большие отверстия посадочные, меленькие нет. Сложно "образмерить"Mihaill писал(а):Это не чертеж, нужен как минимум еще один вид. Отверстия наверно посадочные? если да допуск в 0.1 мм не прокатит, не поленитесь образмерьте, тогда гадать не потребуется.
могу предложить файл из солида
Кидайте 3Дэ или еще как минимум 1 вид и размеры, иначе не найдете помощи.
Дайте размеры сделаю Вам 3 Дэ
- Жене сказал, что пошел к любовнице, любовнице сказал, что пошел к
жене, а сам взял книжки, залез на чердак и учиться, учиться, учиться.
-------------------------------------------------------------------------------------------
Дайте мне собственный гольф-клуб, свежий воздух и красивую женщину в
партнеры – и можете оставить гольф-клуб и свежий воздух себе.
жене, а сам взял книжки, залез на чердак и учиться, учиться, учиться.
-------------------------------------------------------------------------------------------
Дайте мне собственный гольф-клуб, свежий воздух и красивую женщину в
партнеры – и можете оставить гольф-клуб и свежий воздух себе.
-
flenger
- Кандидат
- Сообщения: 92
- Зарегистрирован: 16 июл 2014, 12:49
- Репутация: -2
- Откуда: Москва
- Контактная информация:
Re: Нужна помощь по нарезке деталей для чпу
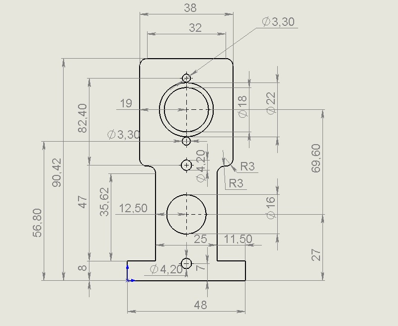
Вы имеете ввиду что нужно что-то типа такого:Евгений+++ писал(а):Кидайте 3Дэ или еще как минимум 1 вид и размеры, иначе не найдете помощи.
- Ershoff
- Почётный участник

- Сообщения: 653
- Зарегистрирован: 21 окт 2013, 11:49
- Репутация: 241
- Откуда: Киев. Украина
- Контактная информация:
Re: Нужна помощь по нарезке деталей для чпу
Блин люди, ну вы и загоняетесь.
Вот будучи дилетантом широкого профиля вообще не понимаю
зачем в данной ситуации полный чертёж со всеми видами, разрезами и размерами ?
Ну не понимаю.Человек просит вырезать деталь на ЧПУ а не на ручном фрезере.
Есть .dxf файл в масштабе 1:1 - загнали в САМ, сделали траекторию
задали в одном месте выборку на нужную глубину. (работы на 20 минут)
Вырезали с той точностью которую позволяет ваш станок.
Перевернули - просверлили 2 отверстия в нижних "лапах".
Всё.
Работы на 2 часа реально.
2 топикстартер - ваш роутер по дереву вполне справится с такой работой.
малыми съёмами ( ну допустим по 0.1 мм) обычной 1 или 2хзаходной фрезой Д3мм.
Ну побрызгаете вэдэшкой или любым маслом по ходу работы ещё.
Попробуйте, в любом случае ничего не потеряете.
Вот будучи дилетантом широкого профиля вообще не понимаю
зачем в данной ситуации полный чертёж со всеми видами, разрезами и размерами ?
Ну не понимаю.Человек просит вырезать деталь на ЧПУ а не на ручном фрезере.
Есть .dxf файл в масштабе 1:1 - загнали в САМ, сделали траекторию
задали в одном месте выборку на нужную глубину. (работы на 20 минут)
Вырезали с той точностью которую позволяет ваш станок.
Перевернули - просверлили 2 отверстия в нижних "лапах".
Всё.
Работы на 2 часа реально.
2 топикстартер - ваш роутер по дереву вполне справится с такой работой.
малыми съёмами ( ну допустим по 0.1 мм) обычной 1 или 2хзаходной фрезой Д3мм.
Ну побрызгаете вэдэшкой или любым маслом по ходу работы ещё.
Попробуйте, в любом случае ничего не потеряете.
"Авось" - в умелых руках, мощный инструмент снижения стоимости итогового изделия
- Fisher
- Почётный участник

- Сообщения: 3391
- Зарегистрирован: 09 апр 2012, 12:39
- Репутация: 424
- Откуда: Киров
- Контактная информация:
Re: Нужна помощь по нарезке деталей для чпу
Дык полный чертеж и не просили. Вопрос про допуски был.
www.cncru.ru - все виды станков с ЧПУ. Комплектующие.
- Ershoff
- Почётный участник

- Сообщения: 653
- Зарегистрирован: 21 окт 2013, 11:49
- Репутация: 241
- Откуда: Киев. Украина
- Контактная информация:
Re: Нужна помощь по нарезке деталей для чпу
Подозреваю что ТС будет удовлетворён той точностью, с которой сможет вырезать
по заданному чертежу, любой мало-мальски приличный фрезер.
Судя по всему о допусках в сотку речь не идёт.
по заданному чертежу, любой мало-мальски приличный фрезер.
Судя по всему о допусках в сотку речь не идёт.
"Авось" - в умелых руках, мощный инструмент снижения стоимости итогового изделия
-
Enot_1
- Мастер
- Сообщения: 1359
- Зарегистрирован: 28 апр 2015, 00:12
- Репутация: 242
- Настоящее имя: Arkadiy
- Откуда: Краснодар
- Контактная информация:
Re: Нужна помощь по нарезке деталей для чпу
... Вспомнился анекдотErshoff писал(а):Блин люди, ну вы и загоняетесь.
... Я им и унитаз приносил и жопу показывал , все равно туалетную бумагу не продали..
-
flenger
- Кандидат
- Сообщения: 92
- Зарегистрирован: 16 июл 2014, 12:49
- Репутация: -2
- Откуда: Москва
- Контактная информация:
Re: Нужна помощь по нарезке деталей для чпу
Да, вы совершенно правы, меня даже устроит если заготовка будет толщиной больше 16 мм.Ershoff писал(а):Подозреваю что ТС будет удовлетворён той точностью, с которой сможет вырезать
по заданному чертежу, любой мало-мальски приличный фрезер.
Судя по всему о допусках в сотку речь не идёт.
На мой взгляд, возможно справиться, но у меня нет нужного материала.Ershoff писал(а):2 топикстартер - ваш роутер по дереву вполне справится с такой работой.
малыми съёмами ( ну допустим по 0.1 мм) обычной 1 или 2хзаходной фрезой Д3мм.
Ну побрызгаете вэдэшкой или любым маслом по ходу работы ещё.
Попробуйте, в любом случае ничего не потеряете.
Для меня проще найти изготовителя с материалом
-
Enot_1
- Мастер
- Сообщения: 1359
- Зарегистрирован: 28 апр 2015, 00:12
- Репутация: 242
- Настоящее имя: Arkadiy
- Откуда: Краснодар
- Контактная информация:
Re: Нужна помощь по нарезке деталей для чпу
В Москве вообще не проблема найти нужный кусочек.flenger писал(а):меня нет нужного материала.
-
Cinod
- Кандидат
- Сообщения: 44
- Зарегистрирован: 13 янв 2014, 16:20
- Репутация: 8
- Откуда: Алтайский край
- Контактная информация:
Re: Нужна помощь по нарезке деталей для чпу
Могу из стали 40Х такие детали изготовить.
-
flenger
- Кандидат
- Сообщения: 92
- Зарегистрирован: 16 июл 2014, 12:49
- Репутация: -2
- Откуда: Москва
- Контактная информация:
Re: Нужна помощь по нарезке деталей для чпу
Это наверное даже лучший вариант, но я уже договорился.Cinod писал(а):Могу из стали 40Х такие детали изготовить.
Тему наверное можно закрывать