Ethernet контроллер для LinuxCNC (STM32, FPGA)
- merkwurdigliebe
- Мастер
- Сообщения: 609
- Зарегистрирован: 17 дек 2013, 22:14
- Репутация: 580
- Откуда: București
- Контактная информация:
Re: Плата развязки для LinuxCNC (Ethernet + STM32)
светодиоды - ага, по-моему так
фильтр, о котором говорил dpss-2, ставится между сигнальной землей (0 источника питания платы) и защитным заземлением (корпус, металлизированные отверстия винтов крепления, экраны разъемов и т.п.) вот например голубенький кондер HR R 102K 1KV
update: да, делать входы, срабатывающие в диапазоне 5..24В не стоит... смысл использования 24В как раз в том, чтобы поднять порог до ~15В. надо будет 5В - просто впаивайте другие номиналы резисторов делителей на входах, да и все
фильтр, о котором говорил dpss-2, ставится между сигнальной землей (0 источника питания платы) и защитным заземлением (корпус, металлизированные отверстия винтов крепления, экраны разъемов и т.п.) вот например голубенький кондер HR R 102K 1KV
update: да, делать входы, срабатывающие в диапазоне 5..24В не стоит... смысл использования 24В как раз в том, чтобы поднять порог до ~15В. надо будет 5В - просто впаивайте другие номиналы резисторов делителей на входах, да и все
-
dpss-2
- Мастер
- Сообщения: 628
- Зарегистрирован: 02 сен 2018, 15:15
- Репутация: 305
- Настоящее имя: Alex
- Контактная информация:
Re: Плата развязки для LinuxCNC (Ethernet + STM32)
Задача этого фильтра - уменьшить dU/dt до допустимого уровня для входной развязки. Уменьшать порог срабатывания до уровня обычной логики - плохая идея с точки зрения помехоустойчивости. Тут или трусы или крестик
. Как вариант - сделать сменные модули.
- MX_Master
- Мастер
- Сообщения: 7490
- Зарегистрирован: 27 июн 2015, 19:45
- Репутация: 3113
- Настоящее имя: Михаил
- Откуда: Алматы
- Контактная информация:
Re: Плата развязки для LinuxCNC (Ethernet + STM32)
У меня, кстати, сигнал GND и значок земли - это одно и тоже. Это земля со входного разъёма питания.
-
dpss-2
- Мастер
- Сообщения: 628
- Зарегистрирован: 02 сен 2018, 15:15
- Репутация: 305
- Настоящее имя: Alex
- Контактная информация:
Re: Плата развязки для LinuxCNC (Ethernet + STM32)
Для понимания размера возможных граблей, связанных с землями и помехами.
https://electronix.ru/forum/index.php?a ... &id=153844
https://electronix.ru/forum/index.php?a ... &id=153844
- MX_Master
- Мастер
- Сообщения: 7490
- Зарегистрирован: 27 июн 2015, 19:45
- Репутация: 3113
- Настоящее имя: Михаил
- Откуда: Алматы
- Контактная информация:
Re: Плата развязки для LinuxCNC (Ethernet + STM32)
AlexandrY = dpss-2 ?dpss-2 писал(а):Для понимания размера возможных граблей, связанных с землями и помехами.
https://electronix.ru/forum/index.php?a ... &id=153844
- N1X
- Мастер
- Сообщения: 3653
- Зарегистрирован: 16 фев 2015, 21:19
- Репутация: 1646
- Настоящее имя: Владимир
- Откуда: Беларусь, Гомель
- Контактная информация:
Re: Плата развязки для LinuxCNC (Ethernet + STM32)
В таком диапазоне просто уже сложно сделать. Считать минимум на 5 вольт, тогда на 24 дофига тепла рассеивать придется... Ну или усложнять схему...
-
dpss-2
- Мастер
- Сообщения: 628
- Зарегистрирован: 02 сен 2018, 15:15
- Репутация: 305
- Настоящее имя: Alex
- Контактная информация:
Re: Плата развязки для LinuxCNC (Ethernet + STM32)
Я там под своим ником.MX_Master писал(а):AlexandrY = dpss-2 ?
- MX_Master
- Мастер
- Сообщения: 7490
- Зарегистрирован: 27 июн 2015, 19:45
- Репутация: 3113
- Настоящее имя: Михаил
- Откуда: Алматы
- Контактная информация:
Re: Плата развязки для LinuxCNC (Ethernet + STM32)
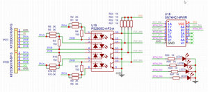
Давайте попробуем усложнить. Финальный вариант, я думаю, будет более простым. Но на этапе планирования можно нагородить по полной программеN1X писал(а):В таком диапазоне просто уже сложно сделать. Считать минимум на 5 вольт, тогда на 24 дофига тепла рассеивать придется... Ну или усложнять схему...
Добавил по паре резисторов, чтобы мальца рассеять тепло. Номиналы подбирать опытами.
Дорожки к ним и от них можно сделать чуть толще или нагородить полигончиков.
Rev: 1.7
-
Lunatic
- Мастер
- Сообщения: 460
- Зарегистрирован: 09 мар 2015, 20:25
- Репутация: 75
- Настоящее имя: Дмитрий
- Контактная информация:
Re: Плата развязки для LinuxCNC (Ethernet + STM32)
Для примера для HCPL-631 диапазон рекомендованных входных токов 7-15 мА. Ниже 5 мА не гарантируется срабатывание, выше 15 мА быстрее деградирует. Т.е. просто на резисторах сделать диапазон 5-24В не реально. Можно сделать 2 диапазона - 3-6 В и 12-24 В и выбирать перемычкой нужный резистор. Для выбранной оптопары думаю будет аналогично.N1X писал(а):В таком диапазоне просто уже сложно сделать. Считать минимум на 5 вольт, тогда на 24 дофига тепла рассеивать придется... Ну или усложнять схему...
- MX_Master
- Мастер
- Сообщения: 7490
- Зарегистрирован: 27 июн 2015, 19:45
- Репутация: 3113
- Настоящее имя: Михаил
- Откуда: Алматы
- Контактная информация:
Re: Плата развязки для LinuxCNC (Ethernet + STM32)
В каком месте datashet'a искать эти данные?Lunatic писал(а):Для примера для HCPL-631 диапазон рекомендованных входных токов 7-15 мА. Ниже 5 мА не гарантируется срабатывание, выше 15 мА быстрее деградирует.
ЗЫ на схеме диапазон получается примерно от 3 до 16 мА
- merkwurdigliebe
- Мастер
- Сообщения: 609
- Зарегистрирован: 17 дек 2013, 22:14
- Репутация: 580
- Откуда: București
- Контактная информация:
Re: Плата развязки для LinuxCNC (Ethernet + STM32)
график CTR vs IFMX_Master писал(а):Облазил всю PDF'ку на PS2805 на предмет минимального тока
-
Lunatic
- Мастер
- Сообщения: 460
- Зарегистрирован: 09 мар 2015, 20:25
- Репутация: 75
- Настоящее имя: Дмитрий
- Контактная информация:
Re: Плата развязки для LinuxCNC (Ethernet + STM32)
У меня так получилось для PS2805:
1. Максимальное быстродействие при большом токе на выходе (низком сопротивлении нагрузки). При Ucc = 3,3 В , U насыщения 0,3В и Rвых = 1кОм получим I вых = 3 mA, (немного быстрее при R вых = 500 Ом I вых 6 мА )
2. При CTR больше 100% в диапазоне I входном от 1 до 30 mA, получаем I входной от 3 до 30 мА для 1кОм нагрузки и 6-30 мА для 500 Ом.
3. Еще в конце есть график деградации, на котором хорошо видна разница между 5 и 20 mA I входного. Я бы 20 mA не стал сильно превышать.
Итого: I вых 6 mA, I вх 6 - 20 mA ( если добавить коэффициент на "китайскую" точность, то I вх = 10-20 mA)
1. Максимальное быстродействие при большом токе на выходе (низком сопротивлении нагрузки). При Ucc = 3,3 В , U насыщения 0,3В и Rвых = 1кОм получим I вых = 3 mA, (немного быстрее при R вых = 500 Ом I вых 6 мА )
2. При CTR больше 100% в диапазоне I входном от 1 до 30 mA, получаем I входной от 3 до 30 мА для 1кОм нагрузки и 6-30 мА для 500 Ом.
3. Еще в конце есть график деградации, на котором хорошо видна разница между 5 и 20 mA I входного. Я бы 20 mA не стал сильно превышать.
Итого: I вых 6 mA, I вх 6 - 20 mA ( если добавить коэффициент на "китайскую" точность, то I вх = 10-20 mA)
- merkwurdigliebe
- Мастер
- Сообщения: 609
- Зарегистрирован: 17 дек 2013, 22:14
- Репутация: 580
- Откуда: București
- Контактная информация:
Re: Плата развязки для LinuxCNC (Ethernet + STM32)
на яскавовской плате с фото выше, где
R1=680, R2=5.6K, PS2805-4
Rвых=22К
5 или 3.3В - не знаю
R1=680, R2=5.6K, PS2805-4
Rвых=22К
5 или 3.3В - не знаю
- MX_Master
- Мастер
- Сообщения: 7490
- Зарегистрирован: 27 июн 2015, 19:45
- Репутация: 3113
- Настоящее имя: Михаил
- Откуда: Алматы
- Контактная информация:
Re: Плата развязки для LinuxCNC (Ethernet + STM32)
Товарищи, немного отходя от темы развязки, хочу спросить кто как получает обратную полярность напряжения? Для аналога +-10V надобно иметь под рукой источники хотя б +-12V. Первый вариант из найденных - заюзать парочку ICL7660 (LMC7660, MAX1044). Китайцы повсеместно продают ICL7660, так что с закупом порядок. Но, какие есть ещё варианты?
- megagad
- Почётный участник

- Сообщения: 3208
- Зарегистрирован: 05 апр 2014, 18:57
- Репутация: 712
- Откуда: Реуспублика Крым, Бахчисарай.
- Контактная информация:
Re: Плата развязки для LinuxCNC (Ethernet + STM32)
MX_Master писал(а):Для аналога +-10V надобно иметь под рукой источники хотя б +-12V.
We Do What We Must, Because We Can!
Причинять добро, наносить пользу и подвергать ласке.
Причинять добро, наносить пользу и подвергать ласке.
- MX_Master
- Мастер
- Сообщения: 7490
- Зарегистрирован: 27 июн 2015, 19:45
- Репутация: 3113
- Настоящее имя: Михаил
- Откуда: Алматы
- Контактная информация:
Re: Плата развязки для LinuxCNC (Ethernet + STM32)
Что ж такое, китайцы зажали 79L12, есть только 79L05
Да и мощность у 79L12/78L12 не сказать, чтобы сильно мощная
Да и мощность у 79L12/78L12 не сказать, чтобы сильно мощная
- N1X
- Мастер
- Сообщения: 3653
- Зарегистрирован: 16 фев 2015, 21:19
- Репутация: 1646
- Настоящее имя: Владимир
- Откуда: Беларусь, Гомель
- Контактная информация:
Re: Плата развязки для LinuxCNC (Ethernet + STM32)
Есть готовые DC/DC преобразователи... Начни с них, так проще...
- MX_Master
- Мастер
- Сообщения: 7490
- Зарегистрирован: 27 июн 2015, 19:45
- Репутация: 3113
- Настоящее имя: Михаил
- Откуда: Алматы
- Контактная информация:
Re: Плата развязки для LinuxCNC (Ethernet + STM32)
Скорее всего, так.N1X писал(а):Есть готовые DC/DC преобразователи... Начни с них, так проще...
- megagad
- Почётный участник

- Сообщения: 3208
- Зарегистрирован: 05 апр 2014, 18:57
- Репутация: 712
- Откуда: Реуспублика Крым, Бахчисарай.
- Контактная информация:
Re: Плата развязки для LinuxCNC (Ethernet + STM32)
Ну, тут как-бы всё упирается в 34063MX_Master писал(а):Да и мощность у 79L12/78L12 не сказать, чтобы сильно мощная
Вот тут много полезных схемок: http://sxem.org/2-vse-stati/19-istochni ... ej-mc34063
Ну или потратитсяь чуток:

We Do What We Must, Because We Can!
Причинять добро, наносить пользу и подвергать ласке.
Причинять добро, наносить пользу и подвергать ласке.