Ну, этот случай я оговорил отдельноSVP писал(а):Я когда под столом лежал, а на фрезе всего-то 100мм деревяшка крутилась
Готов согласиться - лучше тормозить.
Ну, этот случай я оговорил отдельноSVP писал(а):Я когда под столом лежал, а на фрезе всего-то 100мм деревяшка крутилась
Такой ещё поискать надо.Nonstopich писал(а):Umnik
нужен контактор с тремя нормально замкнутыми контактами.
Зачем столько?Nonstopich писал(а):нужен контактор с тремя нормально замкнутыми контактами.
ну одна цепь - цепь питания драйверов (т.е. провод идущий от контакта 220V на блок питания драйверов)Сергей Саныч писал(а):Зачем столько?Nonstopich писал(а):нужен контактор с тремя нормально замкнутыми контактами.
Тогда нужен контактор с тремя нормально разомкнутыми контактами. Таких полно. Кнопка Estop, размыкаясь, будет его обесточивать, а он уже разомкнет и силовые, и логические цепи.Nonstopich писал(а):одна цепь - цепь питания драйверов (т.е. провод идущий от контакта 220V на блок питания драйверов)
вторая цепь - цепь управления сигналом EStop на stepmaster (по идее слаботочный контакт №1)
третья - цепь управления сигналом EStop на ПЧ (по идее слаботочный контакт №2)

А еще бывают достаточно умные драйверы ШД, которые тоже могут выдать ошибку. По которой тоже не грех тормознуть.frezeryga писал(а):А если сработка не только по кнопке а еще по ошибке ПЧ?
Тоже обсуждалосьСергей Саныч писал(а):умные драйверы ШД

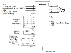
Очевидно, что-то вроде этого и как настраивать эти самые Intelligent Inputs.Nonstopich писал(а):А вот для ПЧ я как-то не могу найти в мануалах. Что должно быть (с точки зрения высокого и низкого уровня) на входе допустим клеммы D1 (клемма для входящего сигнала)?
Если я на этот вход поставлю (условно) такую же кнопку, ПЧ будет уходить в режим "Аларм! Тормозим!", при срабатывании кнопки?
Что вообще стоит "искать" в мануале, чтоб с этим разобраться?)
frezeryga писал(а):Сергей Саныч, да у меня есть такие и все задействовано.
frezeryga писал(а):Чем больше наворотите автоматики тем ниже надежность.
там речь шла о том, что автоматика отключения - является ключевым звеном к слову "безопасность".UAVpilot писал(а):frezeryga писал(а):Чем больше наворотите автоматики тем ниже надежность.
вот в этом посте мой мануалLunatic писал(а):Так как частотников много разных , дай ссылочку на мануал
Часто для остановки двигателя используется нормально замкнутый контакт, для запуска нормально разомкнутый.Nonstopich писал(а): А вот для ПЧ я как-то не могу найти в мануалах. Что должно быть (с точки зрения высокого и низкого уровня) на входе допустим клеммы D1 (клемма для входящего сигнала)?
Если я на этот вход поставлю (условно) такую же кнопку, ПЧ будет уходить в режим "Аларм! Тормозим!", при срабатывании кнопки?
Что вообще стоит "искать" в мануале, чтоб с этим разобраться?)
Достаточно для этого замкнуть пару клемм на частотнике. PLC и +24V (внутренний источник).Nonstopich писал(а):нужно подать дополнительное питание в виде 24V