контроллер высоты SH-HC30 неправильно работает

Контроллеры, драйверы, датчики, управляющие устройства.
PlasmaKZ
Новичок
Сообщения: 28
Зарегистрирован: 03 окт 2015, 18:40
Репутация: 0
Настоящее имя: Василий
Контактная информация:

контроллер высоты SH-HC30 неправильно работает

Сообщение PlasmaKZ »

Здравствуйте!

Имеется в наличии:
Китайский ЧПУ плазморез
Плазма LGK-100
Мозги SH-2012AH-QG + SH-HC30

Не работает контроллер высоты SH-HC30

При старте контроллер высоты опускает плазмотрон до соприкосновения с листом, потом приподнимает, происходит поджиг дуги (т.е. пока все как надо). Далее, практически сразу после начала движения по линии реза, контроллер поднимает плазмотрон вверх до упора (индикатор начинает показывать «U_HHH», что значит «достигнут верхний предел»). Дуга, естественно, тухнет.

Изменение настроек контроллера высоты ни к чему не привело.

Контроллер работает в режиме «контроль по напряжению дуги». Напряжение дуги подается с генератора плазмы на делитель напряжения (100-120в), а с него уже непосредственно на контроллер высоты (2-2.5в). Напряжения проверены тестером во время работы станка. Распиновка разъемов проверена по разным мануалам (отдельно мануал по SH-HC30 и мануалы по станкам со связкой SH-2012AH-QG + SH-HC30, что интересно в трех мануалах данные по распиновке не совпадают)

Из-за чего может не работать контроллер высоты?
Пока что мысли такие, что контроллер «не видит» напряжения дуги вообще или «думает» что оно очень низкое, поэтому уводит плазмотрон вверх, т.е. пытается увеличить это самое напряжение (чем больше длина дуги, тем больше напряжение, так же?) Проблема в железе или все же какие-то настройки неправильно выставлены? Или китайцы перепутали провода в разъемах?

Дополнительно:
проблема была изначально, с первого пуска станка;
при включении на ЧПУ SH-2012AH-QG режима «контроль напряжения дуги» движения не происходит, хотя дуга горит. Т.е. «мозги» думают, что дуга не зажигается вообще.

Может кто сталкивался с подобным девайсом?
Аватара пользователя
MX_Master
Мастер
Сообщения: 7490
Зарегистрирован: 27 июн 2015, 19:45
Репутация: 3113
Настоящее имя: Михаил
Откуда: Алматы
Контактная информация:

Re: контроллер высоты SH-HC30 неправильно работает

Сообщение MX_Master »

Несколько раз видел подобные темы, были там и инструкции..

а, нашёл:
PlasmaKZ
Новичок
Сообщения: 28
Зарегистрирован: 03 окт 2015, 18:40
Репутация: 0
Настоящее имя: Василий
Контактная информация:

Re: контроллер высоты SH-HC30 неправильно работает

Сообщение PlasmaKZ »

Эти темы смотрел, там другие проблемы и решения нет.
santa
Новичок
Сообщения: 16
Зарегистрирован: 09 июл 2015, 15:11
Репутация: 0
Настоящее имя: Александр
Контактная информация:

Re: контроллер высоты SH-HC30 неправильно работает

Сообщение santa »

Добрый день проблема та же решения пока нет! у меня подключено по схеме ниже, настройки разные побывал.
http://www.youtube.com/watch?v=6iCfqMwzEts та же проблема!
PlasmaKZ
Новичок
Сообщения: 28
Зарегистрирован: 03 окт 2015, 18:40
Репутация: 0
Настоящее имя: Василий
Контактная информация:

Re: контроллер высоты SH-HC30 неправильно работает

Сообщение PlasmaKZ »

Ясно.
Если что-нибудь узнаю - отпишу сюда.
santa
Новичок
Сообщения: 16
Зарегистрирован: 09 июл 2015, 15:11
Репутация: 0
Настоящее имя: Александр
Контактная информация:

Re: контроллер высоты SH-HC30 неправильно работает

Сообщение santa »

http://www.youtube.com/watch?v=cWsbEJudIcU
H 280>280>
L 010>010>
A 120>110>
E 003>015>
B 003>010>
C 000>000>
D 008>009>
PlasmaKZ
Новичок
Сообщения: 28
Зарегистрирован: 03 окт 2015, 18:40
Репутация: 0
Настоящее имя: Василий
Контактная информация:

Re: контроллер высоты SH-HC30 неправильно работает

Сообщение PlasmaKZ »

Эти настройки выставлял - никаких изменений :(
Всё-таки по видимому он "не видит" напряжения дуги от плазмогенератора...
Что включена плазма, что выключена, загорелась дуга или нет - поведение контроллера не меняется (точно такое же, как на первом видео).
Аватара пользователя
Fisher
Почётный участник
Почётный участник
Сообщения: 3391
Зарегистрирован: 09 апр 2012, 12:39
Репутация: 424
Откуда: Киров
Контактная информация:

Re: контроллер высоты SH-HC30 неправильно работает

Сообщение Fisher »

Обратной связи походу нет.
www.cncru.ru - все виды станков с ЧПУ. Комплектующие.
santa
Новичок
Сообщения: 16
Зарегистрирован: 09 июл 2015, 15:11
Репутация: 0
Настоящее имя: Александр
Контактная информация:

Re: контроллер высоты SH-HC30 неправильно работает

Сообщение santa »

H 280
L 010
A 065
E 015
B 025
C 000
D 009
santa
Новичок
Сообщения: 16
Зарегистрирован: 09 июл 2015, 15:11
Репутация: 0
Настоящее имя: Александр
Контактная информация:

Re: контроллер высоты SH-HC30 неправильно работает

Сообщение santa »

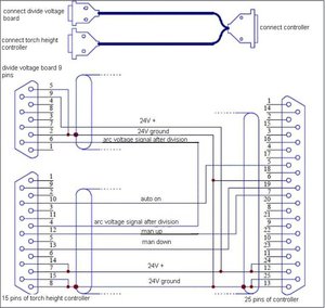
вот по этой схеме подключал!
Вложения
201311221744212829608.jpg (6836 просмотров) <a class='original' href='./download/file.php?id=59668&mode=view' target=_blank>Загрузить оригинал (75.68 КБ)</a>
santa
Новичок
Сообщения: 16
Зарегистрирован: 09 июл 2015, 15:11
Репутация: 0
Настоящее имя: Александр
Контактная информация:

Re: контроллер высоты SH-HC30 неправильно работает

Сообщение santa »

ВОТ НАШЁЛ МОЖЕТ ПРИГОДИТЬСЯ
Вложения
Рисунок1.jpg (6828 просмотров) <a class='original' href='./download/file.php?id=59684&mode=view' target=_blank>Загрузить оригинал (136.84 КБ)</a>
santa
Новичок
Сообщения: 16
Зарегистрирован: 09 июл 2015, 15:11
Репутация: 0
Настоящее имя: Александр
Контактная информация:

Re: контроллер высоты SH-HC30 неправильно работает

Сообщение santa »

ХОРОШЕЕ ЗАЗЕМЛЕНИЕ!
santa
Новичок
Сообщения: 16
Зарегистрирован: 09 июл 2015, 15:11
Репутация: 0
Настоящее имя: Александр
Контактная информация:

Re: контроллер высоты SH-HC30 неправильно работает

Сообщение santa »

ПОДСКАЖИТЕ, LGK 100 КНОПКА 2Т И 4Т ЗАЧЕМ?
santa
Новичок
Сообщения: 16
Зарегистрирован: 09 июл 2015, 15:11
Репутация: 0
Настоящее имя: Александр
Контактная информация:

Re: контроллер высоты SH-HC30 неправильно работает

Сообщение santa »

PlasmaKZ писал(а):Здравствуйте!

Имеется в наличии:
Китайский ЧПУ плазморез
Плазма LGK-100
Мозги SH-2012AH-QG + SH-HC30

Не работает контроллер высоты SH-HC30

При старте контроллер высоты опускает плазмотрон до соприкосновения с листом, потом приподнимает, происходит поджиг дуги (т.е. пока все как надо). Далее, практически сразу после начала движения по линии реза, контроллер поднимает плазмотрон вверх до упора (индикатор начинает показывать «U_HHH», что значит «достигнут верхний предел»). Дуга, естественно, тухнет.

Изменение настроек контроллера высоты ни к чему не привело.

Контроллер работает в режиме «контроль по напряжению дуги». Напряжение дуги подается с генератора плазмы на делитель напряжения (100-120в), а с него уже непосредственно на контроллер высоты (2-2.5в). Напряжения проверены тестером во время работы станка. Распиновка разъемов проверена по разным мануалам (отдельно мануал по SH-HC30 и мануалы по станкам со связкой SH-2012AH-QG + SH-HC30, что интересно в трех мануалах данные по распиновке не совпадают)

Из-за чего может не работать контроллер высоты?
Пока что мысли такие, что контроллер «не видит» напряжения дуги вообще или «думает» что оно очень низкое, поэтому уводит плазмотрон вверх, т.е. пытается увеличить это самое напряжение (чем больше длина дуги, тем больше напряжение, так же?) Проблема в железе или все же какие-то настройки неправильно выставлены? Или китайцы перепутали провода в разъемах?

Дополнительно:
проблема была изначально, с первого пуска станка;
при включении на ЧПУ SH-2012AH-QG режима «контроль напряжения дуги» движения не происходит, хотя дуга горит. Т.е. «мозги» думают, что дуга не зажигается вообще.

Может кто сталкивался с подобным девайсом?
К СТАТИ БЫЛА РЕШЕНА ПРОБЛЕМА ПРОВОДА ПОДКЛЮЧЕНИЯ ДЕЛИТЕЛЯ И ИСТОЧНИКА БЫЛИ ПОЛЯРНОСТИ ПЕРЕПУТАНЫ !
PlasmaKZ
Новичок
Сообщения: 28
Зарегистрирован: 03 окт 2015, 18:40
Репутация: 0
Настоящее имя: Василий
Контактная информация:

Re: контроллер высоты SH-HC30 неправильно работает

Сообщение PlasmaKZ »

santa писал(а):вот по этой схеме подключал!
Да, схема эта (распиновка совпадает)
Полярность проверял/менять пробовал - не помогло.
Настройки контроллера ни на что не влияют...
Осталось только заземлить все что нужно и не нужно...
PlasmaKZ
Новичок
Сообщения: 28
Зарегистрирован: 03 окт 2015, 18:40
Репутация: 0
Настоящее имя: Василий
Контактная информация:

Re: контроллер высоты SH-HC30 неправильно работает

Сообщение PlasmaKZ »

ПРОБЛЕМА РЕШЕНА!

Как и предполагал, был обрыв цепи. В самом контроллере. Первый резистор (2.4 кОм), на который приходит напряжение дуги (на разъеме 4 пин) оказался с обрывом. Т.к. визуально он совершенно целый, предполагаю все-таки заводской брак.

После замены ВСЕ РАБОТАЕТ как надо! На индикаторе отображается напряжение дуги (выставил пока рекомендованное 110в), длина дуги стабильна.
santa
Новичок
Сообщения: 16
Зарегистрирован: 09 июл 2015, 15:11
Репутация: 0
Настоящее имя: Александр
Контактная информация:

Re: контроллер высоты SH-HC30 неправильно работает

Сообщение santa »

Добрый день! подскажите как заземлили станок? Плазма LGK-100 работает нормально?
Аватара пользователя
s260487
Новичок
Сообщения: 2
Зарегистрирован: 01 янв 2016, 19:20
Репутация: 0
Настоящее имя: Сергей
Контактная информация:

Re: контроллер высоты SH-HC30 неправильно работает

Сообщение s260487 »

:bender: Есть короткая методика диагностирования - на 4 пин SH-HC30 должно приходить от 0 до +5В. Соответственно напряжение (можно хоть от батарейки через резисторный делитель на переменнике) приходит с делителя, на делитель согласно полярности можно подать от 0 до 150в пстоянки. Если все работает контроллер высоты отрабатывает позицию. Подъем после поджига может быть при несоблюдении полярности как на входе делителя так и на SH-HC30. После такой диагностики можно определить куда копать....
Eduardx
Новичок
Сообщения: 1
Зарегистрирован: 01 фев 2016, 22:23
Репутация: 0
Настоящее имя: Эдуард
Контактная информация:

Re: контроллер высоты SH-HC30 неправильно работает

Сообщение Eduardx »

Извините можете показать что за резистор где стоит, у меня аналогичная проблема да еще реле сгорело!
Ответить

Вернуться в «Электроника»