Проблема с синей платой на 5 осей

Контроллеры, драйверы, датчики, управляющие устройства.
VicN
Новичок
Сообщения: 3
Зарегистрирован: 05 июн 2015, 17:55
Репутация: 0
Настоящее имя: Виктор
Контактная информация:

Проблема с синей платой на 5 осей

Сообщение VicN »

Здравствуйте, уважаемые форумчане.
Сначала пролог
Решил я было построить станок. Было это год назад. Купил синюю плату на 5 осей (с запасом), 4 двигателя - 3 из которых при покупке предполагалось ДШИ-200-1-1, Б/п на 30В и ноут старенький - пеньок 4 с LPT. Подключил на ось Х, как нашел по форумах, 1 дигатель (остальные оси были включены). Вроде двигался, но через пару дней перестал, и благополучно из платы пошел дым. С легким сердцем я договорился о ремонте с продавцом и отправил плату. Плата пришла, продавец сказал что все поремонтировал но проверить небыло возможности - по его словам 3 контроллера сгорело и 1 логика. Времени заниматься станком не было и через год я решил вернуться к вопросу.

Тут и полезли нюансы как тараканы

1) Двигатели оказались не ДШИ, а неизвестной марки скорее всего 4SHG-023A 39S DYNASYN (но видно всетаки не он, потому как сопротивление обмоток выше чем по паспорту у DYNASYN) - шаговый двигатель, являющийся аналогом (прототипом) отечественного ДШИ200-1-1, и самое главное он питается не от 30В а от 12!, то то я думал что они так дико греются. Короче тогда я спалил неверным движком плату. Как оказалось эти платы горят на 30В - судя по сообщениям на разных форумах

2) Купил все-таки БП 12В 10А и подключил плату на Х - и о Чудо! двигатель крутится! но в одну сторону..., и только на оси Х - видно ремонтер хреновый из продавца получился, стал вникать в тему поглубже и заметил что одну микросхему логики (74HC14N) продавец заменил на советскую микросхему 440-й серии неизвестной марки, потому как маркировка стерта. При том всем светодиод оси Y постоянно светится и при включении остальных осей странная светомузыка получается - включаешь Х - светится А и В, ну и т.д. Попробовал поменять микросхему на новую 74HC14N - двигатель не крутится (((, зато оси включаются верно (проверил на 2 компах с LPT - результат аналогичный). Стоит она у меня крайняя над оптронами - попробовал ее поменять местами с той что около светодиодов - так светодиоды вообще показывают светомузыку - все светятся и по разному светятся - короче микросхема неправильная. Вобщем, поменял всю логику на новые 74HC14N, поменял все оптроны на новые PC817С и проверил их перед этим, прозвонил все остальные резисторы и диоды - вроде все оК, за исключением того что каждый пятый диод (начиная справа) звонится неправильно будучи впаянным в плату (идет обратная прозвонка - ток растет в режиме прозвонки диода а потом на единицу соскакивает), а выпаянным - нормально

3) Так как небыло с какой стороны подступиться к проблеме начал с LPT порта - прозвонил все контакты (шнур звонится 100%) оказалось на некоторые пины приходит 4в на некоторые 2.5 (из пинов 1-9, 14, 16, 17) - кто нибуть знает это нормально? Так как оси стали нормально по светодиодам включаться - это значит что логика работает и оптроны рабочие - логично что далее на очереди контроллер TB6560AHQ - но тут нюанс - при востановлении в правах глючной советской микросхемы - двигатель крутится - значит ли это что TB6560AHQ - рабочая? Я уже заказал на замену новую но не совсем уверен что и это поможет

4) Приколы с пинами не обошли меня стороной - сначала я перепробовал все возможные комбинации (на советской логике) оказалось что только 16 пин LPT дает step, direction вообще никто не дает, и что характерно что работает это чудо даже без Enable. По инструкции правильная комбинация 16 - step, 4 - dir, 14 - enable для всех осей, но при новых 74HC14N правильно только светодиоды загораются, если заменить на 14 - step - то двигатель издает тихое урчание или даже пробует куда-то дернуться влево или вправо - хаотично, смена порядка контактов двигателя ничего не дает, причем это дело делается аналогично на всех осях (теперь включаю по 1-й). Также на 2 пине у меня вроде реле - и на оси Х оно залихватски щелкает, но на остальных осях - плата тихонько издает звук взлетающего самолета - я так понял что какая то хреновина собирается сгореть и дольше секунды я пин 2 не включаю. Проверял включение мониторами LPT - их я несколько надыбал - да и сигнал приходит на плату - тестером тестил

Короче - я в тупике. Помогите, люди добрые, кто чем может...
извините что много букавок :wik:
Вложения
плата на 5 осей HY-TB5DV-M (2196 просмотров) <a class='original' href='./download/file.php?id=51817&mode=view' target=_blank>Загрузить оригинал (162.39 КБ)</a>
плата на 5 осей HY-TB5DV-M
настройки Ports and Pins (2196 просмотров) <a class='original' href='./download/file.php?id=51818&mode=view' target=_blank>Загрузить оригинал (20.68 КБ)</a>
настройки Ports and Pins
настройки Enable (2196 просмотров) <a class='original' href='./download/file.php?id=51819&mode=view' target=_blank>Загрузить оригинал (22.32 КБ)</a>
настройки Enable
мои вроде 4SHG-023A 39S DYNASYN (2196 просмотров) <a class='original' href='./download/file.php?id=51820&mode=view' target=_blank>Загрузить оригинал (20.01 КБ)</a>
мои вроде 4SHG-023A 39S DYNASYN
принцип проверки оптопары  -  только питаю от 3В
принцип проверки оптопары - только питаю от 3В
010-3.jpg (7.06 КБ) 2196 просмотров
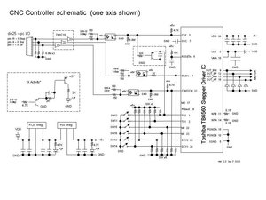
принципиальная схема на 1 ось (2196 просмотров) <a class='original' href='./download/file.php?id=51822&mode=view' target=_blank>Загрузить оригинал (146.81 КБ)</a>
принципиальная схема на 1 ось
похожая плата - только на 4 оси - сверху (2196 просмотров) <a class='original' href='./download/file.php?id=51823&mode=view' target=_blank>Загрузить оригинал (71.61 КБ)</a>
похожая плата - только на 4 оси - сверху
похожая плата - только на 4 оси - снизу (2196 просмотров) <a class='original' href='./download/file.php?id=51824&mode=view' target=_blank>Загрузить оригинал (52.22 КБ)</a>
похожая плата - только на 4 оси - снизу
Аватара пользователя
Mark 24.ru
Кандидат
Сообщения: 58
Зарегистрирован: 23 май 2015, 07:03
Репутация: 0
Настоящее имя: Анатолий Егорович
Контактная информация:

Re: Проблема с синей платой на 5 осей

Сообщение Mark 24.ru »

Имею такую же плату . Настраивал по этому мануалу .
Вложения
HY-TB4DV-M_4Axis_Driver.doc
(1.27 МБ) 618 скачиваний
VicN
Новичок
Сообщения: 3
Зарегистрирован: 05 июн 2015, 17:55
Репутация: 0
Настоящее имя: Виктор
Контактная информация:

Re: Проблема с синей платой на 5 осей

Сообщение VicN »

Слава богу вопрос решился, настройки оказались верными в прикрепленных изображениях за исключением того что что в Outputs signals enable поставил на отсутствие сигнала - движки сразу перешли на удержание а потом и поехали адекватно. Что характерно Enable поставил на все 6 выходов, потому как 5-я ось включалась 6-м выходом, я уже не вникал - какая лишняя
VicN
Новичок
Сообщения: 3
Зарегистрирован: 05 июн 2015, 17:55
Репутация: 0
Настоящее имя: Виктор
Контактная информация:

Re: Проблема с синей платой на 5 осей

Сообщение VicN »

и кстати ваши настройки мне не подошли - надо их брать из мануала для 5 осевых плат - там жестко все привязано к пинам и переназначать их нельзя
Ответить

Вернуться в «Электроника»