на самом деле 1,5 года назад было всё куплено и собирался Я из всего этого сделать токарный станочек, но процесс шёл медленно, дружба с линуксом Мне никак не давалась, а нужно было ещё и всё железо подружить между собой. в итоге ждать не было возможности и был куплен промышленный станок.
но запчасти остались. один из сервоприводов был торжественно прикручен на фрезер где успешно выполняет поставленные задачи. (http://www.cnc-club.ru/forum/viewtopic.php?f=40&t=4799)
и Вот теперь Я хочу всё таки подружиться сам с линуксом и подружить линукс с Месой и приводом для того что бы всё запилить на фрезер и сделать его ЧПУ.
если честно то Я уже не помню с чего начинал и на чём остановился.
на данный момент
линукс стоит
платы подключены
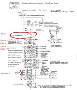
7и77 имеет внешний источник питания 5В
от сервопривода к 7и77 идёт 6 проводов к 0 инкодеру (полтора года назад помню крутил вал двигателя и на экране менялись показания... сейчас не меняются)
Я помню были какие то сложности с конфигурациями и ипконфиг не видел 7и77 и не имел под него конфигураций. изменилось ли что то за это время?
помню остановился тогда из за того что сигнал +-10В который должен являться источником сигнала для сервопривода при припаивании проводов начинал работать как антенна и привод бесился...
с чего опять начинать?
----------------------------------------
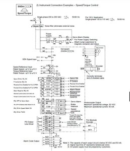
схема подключения сервопака к месе в итоге такая
