Китайский шпиндель с автосменой
-
Захар666
- Новичок
- Сообщения: 27
- Зарегистрирован: 08 окт 2014, 23:12
- Репутация: 0
- Контактная информация:
Китайский шпиндель с автосменой
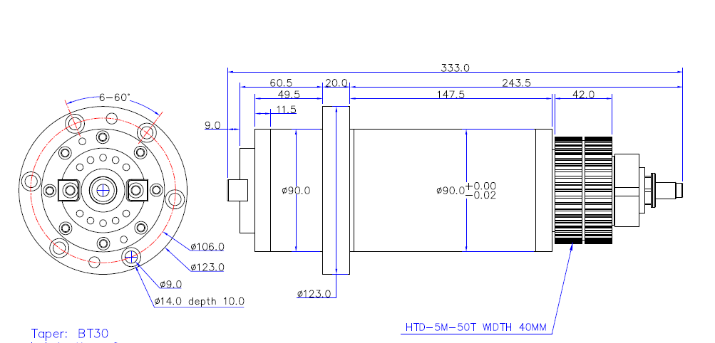
Всем привет, думаю большинству читателей форума знаком этот шпиндель:
http://ru.aliexpress.com/item/High-prec ... 90588.html
Есть несколько вопросов по его конструкции, надеюсь подскажете.
1. Зачем нужны отверстия 1, 2 и 3?
2. Как шпиндель базируется во фрезерной голове? По фланцу(плоскости) или по цилиндрической поверхности корпуса?
3. Когда мы давим на шток, чтобы сжать тарельчатые пружины, усилие в 1 тонну передаётся через вал на 1 подшипник 7007 передней опоры(задняя плавающая)? Это нормально или всё-таки нужно было предусмотреть защиту подшипника?
http://ru.aliexpress.com/item/High-prec ... 90588.html
Есть несколько вопросов по его конструкции, надеюсь подскажете.
1. Зачем нужны отверстия 1, 2 и 3?
2. Как шпиндель базируется во фрезерной голове? По фланцу(плоскости) или по цилиндрической поверхности корпуса?
3. Когда мы давим на шток, чтобы сжать тарельчатые пружины, усилие в 1 тонну передаётся через вал на 1 подшипник 7007 передней опоры(задняя плавающая)? Это нормально или всё-таки нужно было предусмотреть защиту подшипника?
- nERV
- Мастер
- Сообщения: 1519
- Зарегистрирован: 27 сен 2013, 19:00
- Репутация: 624
- Настоящее имя: Александр
- Откуда: Ульяновск
- Контактная информация:
Re: Китайский шпиндель с автосменой
Обычно отверстия под третьим номером служат для продувки посадочного места оправки. Для чего тут - не знаю.
Отверстия номер два могут служить для фиксации угловых редукторов.
1е может служить для штифтования крепежного фланца шпинделя.
Отверстия номер два могут служить для фиксации угловых редукторов.
1е может служить для штифтования крепежного фланца шпинделя.
-
Захар666
- Новичок
- Сообщения: 27
- Зарегистрирован: 08 окт 2014, 23:12
- Репутация: 0
- Контактная информация:
Re: Китайский шпиндель с автосменой
Насколько удалось разглядеть, отверстие под номером 1 - резьбовое.
Угловой редуктор нужен чтобы сделать из горизонталки вертикалку и наоборот?
Угловой редуктор нужен чтобы сделать из горизонталки вертикалку и наоборот?
-
aftaev
- Зачётный участник

- Сообщения: 34042
- Зарегистрирован: 04 апр 2010, 19:22
- Репутация: 6194
- Откуда: Казахстан.
- Контактная информация:
Re: Китайский шпиндель с автосменой
посмотри в справочнике какую нагрузку может нести этот подшипникЗахар666 писал(а):Это нормально или всё-таки нужно было предусмотреть защиту подшипника?
Дилетанту сложные вещи кажутся очень простыми, и только профессионал понимает насколько сложна самая простая вещь
Кто хочет - ищет возможности, кто не хочет - ищет оправдание.
Найди работу по душе и тебе не придется работать.
Кто хочет - ищет возможности, кто не хочет - ищет оправдание.
Найди работу по душе и тебе не придется работать.
-
konyshevk
- Почётный участник

- Сообщения: 740
- Зарегистрирован: 19 апр 2014, 22:09
- Репутация: 698
- Откуда: Челябинск
- Контактная информация:
Re: Китайский шпиндель с автосменой
Отверстия 1 для съема шпинделя из корпуса станка (там посадка с натягом) выколотка или сьемник.
2 как было сказано , штифты приводного инструмента.
3 непосредственное крепление крупных фрез винтами к шпинделю ( правда на исо 30 не видел а на 50х нормальное явление фреза торцевая Ф400 только так прикручивать)
2 как было сказано , штифты приводного инструмента.
3 непосредственное крепление крупных фрез винтами к шпинделю ( правда на исо 30 не видел а на 50х нормальное явление фреза торцевая Ф400 только так прикручивать)
Даешь коллективный разум !
-
Захар666
- Новичок
- Сообщения: 27
- Зарегистрирован: 08 окт 2014, 23:12
- Репутация: 0
- Контактная информация:
Re: Китайский шпиндель с автосменой
konyshevk, то есть основной базой шпинделя является цилиндрическая поверхность корпуса, которая с натягом вставляется в станок, а потом для съёма шпинделя в отверстие вкручивается винт, который отжимает его от станка? Что за выколотка и съёмник?)))
-
aftaev
- Зачётный участник

- Сообщения: 34042
- Зарегистрирован: 04 апр 2010, 19:22
- Репутация: 6194
- Откуда: Казахстан.
- Контактная информация:
Re: Китайский шпиндель с автосменой
правильноЗахар666 писал(а): а потом для съёма шпинделя в отверстие вкручивается винт, который отжимает его от станка?
Дилетанту сложные вещи кажутся очень простыми, и только профессионал понимает насколько сложна самая простая вещь
Кто хочет - ищет возможности, кто не хочет - ищет оправдание.
Найди работу по душе и тебе не придется работать.
Кто хочет - ищет возможности, кто не хочет - ищет оправдание.
Найди работу по душе и тебе не придется работать.
-
konyshevk
- Почётный участник

- Сообщения: 740
- Зарегистрирован: 19 апр 2014, 22:09
- Репутация: 698
- Откуда: Челябинск
- Контактная информация:
Re: Китайский шпиндель с автосменой
Допуск На посадку Ф90 -0.02 если в корпус Ф90+0.02 это уже с натягом , без сьемника никак или
с обратной стороны 
Даешь коллективный разум !
-
Захар666
- Новичок
- Сообщения: 27
- Зарегистрирован: 08 окт 2014, 23:12
- Репутация: 0
- Контактная информация:
Re: Китайский шпиндель с автосменой
Ясно))) А не проще базировать по плоскости фланца, зафиксировать парой штифтов и прижать винтами, чтобы так не париться со съёмом?
-
aftaev
- Зачётный участник

- Сообщения: 34042
- Зарегистрирован: 04 апр 2010, 19:22
- Репутация: 6194
- Откуда: Казахстан.
- Контактная информация:
Re: Китайский шпиндель с автосменой
Главное не как базировать, а как будет жесткость больше.Захар666 писал(а):А не проще базировать по плоскости фланца, зафиксировать парой штифтов и прижать винтами, чтобы так не париться со съёмом?
А как будет жесткость больше если только за фланец прикрепить или обжать шпиндель натягом ?
Дилетанту сложные вещи кажутся очень простыми, и только профессионал понимает насколько сложна самая простая вещь
Кто хочет - ищет возможности, кто не хочет - ищет оправдание.
Найди работу по душе и тебе не придется работать.
Кто хочет - ищет возможности, кто не хочет - ищет оправдание.
Найди работу по душе и тебе не придется работать.
-
konyshevk
- Почётный участник

- Сообщения: 740
- Зарегистрирован: 19 апр 2014, 22:09
- Репутация: 698
- Откуда: Челябинск
- Контактная информация:
Re: Китайский шпиндель с автосменой
Жесткость не та , корпус станка создает дополнительную жесткость самому шпинделю .
этот шпиндель на сталь расчитан а там "борьба" за жесткость первоочередное.
На люмень и другую цветнину и за фланец пойдет.
этот шпиндель на сталь расчитан а там "борьба" за жесткость первоочередное.
На люмень и другую цветнину и за фланец пойдет.
Даешь коллективный разум !
-
aftaev
- Зачётный участник

- Сообщения: 34042
- Зарегистрирован: 04 апр 2010, 19:22
- Репутация: 6194
- Откуда: Казахстан.
- Контактная информация:
Re: Китайский шпиндель с автосменой
два уголка приварить к станине и прикрутить болтами шпиндельkonyshevk писал(а):На люмень и другую цветнину и за фланец пойдет.
Дилетанту сложные вещи кажутся очень простыми, и только профессионал понимает насколько сложна самая простая вещь
Кто хочет - ищет возможности, кто не хочет - ищет оправдание.
Найди работу по душе и тебе не придется работать.
Кто хочет - ищет возможности, кто не хочет - ищет оправдание.
Найди работу по душе и тебе не придется работать.
-
aftaev
- Зачётный участник

- Сообщения: 34042
- Зарегистрирован: 04 апр 2010, 19:22
- Репутация: 6194
- Откуда: Казахстан.
- Контактная информация:
Re: Китайский шпиндель с автосменой
почему на шпинделе нет упоров от проворота оправки 
Дилетанту сложные вещи кажутся очень простыми, и только профессионал понимает насколько сложна самая простая вещь
Кто хочет - ищет возможности, кто не хочет - ищет оправдание.
Найди работу по душе и тебе не придется работать.
Кто хочет - ищет возможности, кто не хочет - ищет оправдание.
Найди работу по душе и тебе не придется работать.
-
Захар666
- Новичок
- Сообщения: 27
- Зарегистрирован: 08 окт 2014, 23:12
- Репутация: 0
- Контактная информация:
Re: Китайский шпиндель с автосменой
Всем большое спасибо!!! 
-
aftaev
- Зачётный участник

- Сообщения: 34042
- Зарегистрирован: 04 апр 2010, 19:22
- Репутация: 6194
- Откуда: Казахстан.
- Контактная информация:
Re: Китайский шпиндель с автосменой
Захар666, будешь шпиндель покупать требуй чтоб упоры были, без них шпиндель можешь загубить 
Дилетанту сложные вещи кажутся очень простыми, и только профессионал понимает насколько сложна самая простая вещь
Кто хочет - ищет возможности, кто не хочет - ищет оправдание.
Найди работу по душе и тебе не придется работать.
Кто хочет - ищет возможности, кто не хочет - ищет оправдание.
Найди работу по душе и тебе не придется работать.
-
konyshevk
- Почётный участник

- Сообщения: 740
- Зарегистрирован: 19 апр 2014, 22:09
- Репутация: 698
- Откуда: Челябинск
- Контактная информация:
Re: Китайский шпиндель с автосменой
Продаются почему то без сухарейaftaev писал(а):почему на шпинделе нет упоров от проворота оправки
Даешь коллективный разум !
-
aftaev
- Зачётный участник

- Сообщения: 34042
- Зарегистрирован: 04 апр 2010, 19:22
- Репутация: 6194
- Откуда: Казахстан.
- Контактная информация:
Re: Китайский шпиндель с автосменой
они и без лепескового захвата могут продать, типо продается отдельно.konyshevk писал(а):Продаются почему то без сухарей
Сухари покупать нужно сразу.
Дилетанту сложные вещи кажутся очень простыми, и только профессионал понимает насколько сложна самая простая вещь
Кто хочет - ищет возможности, кто не хочет - ищет оправдание.
Найди работу по душе и тебе не придется работать.
Кто хочет - ищет возможности, кто не хочет - ищет оправдание.
Найди работу по душе и тебе не придется работать.
- mikehv
- Мастер
- Сообщения: 2115
- Зарегистрирован: 14 авг 2013, 10:10
- Репутация: 1175
- Откуда: Иваново
- Контактная информация:
Re: Китайский шпиндель с автосменой
Согласен. Видел, как на Maho можно провернуть конус хорошим ключом при затяжке инструмента.aftaev писал(а):Сухари покупать нужно сразу.
Re: Китайский шпиндель с автосменой
Прошу прощения , подниму тему .
На "Чипе" один товарищ в "автосмене 6720" сказал , что сделал скользящую посадку в корпус шпинделя ,
а в сообщениях выше рекомендуют натяг .
Подскажите , как лучше ?
Очень хочется сделать правильно . Кронштейн будет из чугуна ( если найду литейку
) .
На "Чипе" один товарищ в "автосмене 6720" сказал , что сделал скользящую посадку в корпус шпинделя ,
а в сообщениях выше рекомендуют натяг .
Подскажите , как лучше ?
Очень хочется сделать правильно . Кронштейн будет из чугуна ( если найду литейку
-
xasanov882
- Новичок
- Сообщения: 33
- Зарегистрирован: 26 фев 2018, 09:50
- Репутация: 0
- Настоящее имя: Khasanov Nurik
- Контактная информация:
Re: Китайский шпиндель с автосменой
Чуть не понятно как после покупти организовать автосмены. Не вижу места подключения пневматики или этот как то по другому работает? Может кто обяснить?