Помогите!!! 5-ти проводной ШД к драйверу TB6560 V2.0?
-
fbirk
- Новичок
- Сообщения: 3
- Зарегистрирован: 01 янв 2015, 12:57
- Репутация: 0
- Настоящее имя: Сергей
- Контактная информация:
Помогите!!! 5-ти проводной ШД к драйверу TB6560 V2.0?
Здравствуйте! Такая проблема... я совсем новичок и станок для меня пока не доступная роскошь
Но очень хочется по изучать возможности на чём-то не дорогом. Есть шаговый двигатель 5-ти проводной от принтера 17PM-H005-P2VA, Драйвер TB6560-V2.0, интерфейсная плата HY-JKM5, Импульсный БП 24V-350W-15A. Вопрос!!! Подскажите пожалуйста могу ли я подключить такой двигатель к драйверу TB6560-V2.0, если да, то как? куда какие провода? Особенно 5-ый общий?
- Вложения
-
- 17PM-H005-P2VA.pdf
- (76.23 КБ) 495 скачиваний
- michael-yurov
- Почётный участник

- Сообщения: 11731
- Зарегистрирован: 26 июл 2012, 00:10
- Репутация: 4703
- Настоящее имя: Михаил Львович
- Откуда: Новоуральск
- Контактная информация:
Re: Помогите!!! 5-ти проводной ШД к драйверу TB6560 V2.0?
fbirk писал(а):Есть шаговый двигатель 5-ти проводной
fbirk писал(а):Подскажите пожалуйста могу ли я подключить такой двигатель к драйверу TB6560-V2.0
TB6560 для двухфазных моторов.
UPD.
Прошу простить - не думал, что бывают двухфазные пятивыводные моторы.
-
leprud
- Почётный участник

- Сообщения: 348
- Зарегистрирован: 01 апр 2014, 19:16
- Репутация: 111
- Откуда: Москва
- Контактная информация:
Re: Помогите!!! 5-ти проводной ШД к драйверу TB6560 V2.0?
Только если вскрыть двигатель и порвать связь между обмотками.
Но все равно на минимальном токе драйвера это все будет безумно греться
Но все равно на минимальном токе драйвера это все будет безумно греться
- Вложения
-
- 17PM-H005-P2VA.rar
- (73.44 КБ) 566 скачиваний
- megagad
- Почётный участник

- Сообщения: 3207
- Зарегистрирован: 05 апр 2014, 18:57
- Репутация: 712
- Откуда: Реуспублика Крым, Бахчисарай.
- Контактная информация:
Re: Помогите!!! 5-ти проводной ШД к драйверу TB6560 V2.0?
У 6560 минимальный ток - 25% от максимального. максимальный обычно делают 3А. Итого - 0.75А при 25% выставленного токаleprud писал(а):Но все равно на минимальном токе драйвера это все будет безумно греться
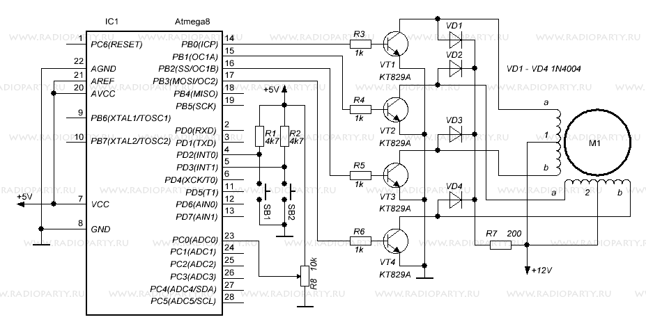
По доработке движка - снять заднюю крышку и перерезать один проводник - обычно под крышкой платка, на которой собраны все начала и концы обмоток. начала в виде отдельных площадок, а концы соединены одной обще дорожкой - просто перерезается она посередине.
Примерно вот так:
We Do What We Must, Because We Can!
Причинять добро, наносить пользу и подвергать ласке.
Причинять добро, наносить пользу и подвергать ласке.
- torvn77
- Мастер
- Сообщения: 2442
- Зарегистрирован: 02 июн 2012, 22:12
- Репутация: 215
- Откуда: Россия,Санкт-Петербург
- Контактная информация:
Re: Помогите!!! 5-ти проводной ШД к драйверу TB6560 V2.0?
Схема включения мотора в даташите такая:
Я предлагаю попробовать подключить так:
Резисторы вставлены для ограничения тока мотора.
Это конечно не правильно,но для начального "поиграться" можно и так.
Ну и я не очень разбираюсь в схемотехнике,поэтому следуйте совету осторожно.
Резисторы вставлены для ограничения тока мотора.
Это конечно не правильно,но для начального "поиграться" можно и так.
Ну и я не очень разбираюсь в схемотехнике,поэтому следуйте совету осторожно.
- torvn77
- Мастер
- Сообщения: 2442
- Зарегистрирован: 02 июн 2012, 22:12
- Репутация: 215
- Откуда: Россия,Санкт-Петербург
- Контактная информация:
Re: Помогите!!! 5-ти проводной ШД к драйверу TB6560 V2.0?
Вообще на первой же странице гугления https://www.google.ru/search?q=%D0%BF%D ... 08&bih=815
- Serg
- Мастер
- Сообщения: 21923
- Зарегистрирован: 17 апр 2012, 14:58
- Репутация: 5183
- Заслуга: c781c134843e0c1a3de9
- Настоящее имя: Сергей
- Откуда: Москва
- Контактная информация:
Re: Помогите!!! 5-ти проводной ШД к драйверу TB6560 V2.0?
Это вообще работать не будет.torvn77 писал(а):Я предлагаю попробовать подключить так:
Я не Христос, рыбу не раздаю, но могу научить, как сделать удочку...
- torvn77
- Мастер
- Сообщения: 2442
- Зарегистрирован: 02 июн 2012, 22:12
- Репутация: 215
- Откуда: Россия,Санкт-Петербург
- Контактная информация:
Re: Помогите!!! 5-ти проводной ШД к драйверу TB6560 V2.0?
Я что-то читал про ШИМ,по этому?
- megagad
- Почётный участник

- Сообщения: 3207
- Зарегистрирован: 05 апр 2014, 18:57
- Репутация: 712
- Откуда: Реуспублика Крым, Бахчисарай.
- Контактная информация:
Re: Помогите!!! 5-ти проводной ШД к драйверу TB6560 V2.0?
Почитайте про принцип управления биполярным шаговым двигателем.torvn77 писал(а):Я что-то читал про ШИМ,по этому?
И да - в теме чётко спросили про конкретный драйвер - зачем пихать кучу непойми чего?
We Do What We Must, Because We Can!
Причинять добро, наносить пользу и подвергать ласке.
Причинять добро, наносить пользу и подвергать ласке.
-
fbirk
- Новичок
- Сообщения: 3
- Зарегистрирован: 01 янв 2015, 12:57
- Репутация: 0
- Настоящее имя: Сергей
- Контактная информация:
Re: Помогите!!! 5-ти проводной ШД к драйверу TB6560 V2.0?
Большое спасибо всем за ответы!!! Перерезал проводник (особенное спасибо за наглядную инструкцию)... всё норм, ещё не подключал и не пробовал - на днях займусь...
Если можно подскажите следующее: в инструкции к шаговому двигателю указано: Ток 0,75А/ Phase... Но т.к. подключение теперь биполярное, то необходимо: I(биполярного)=0,707*I(униполярного)=0,707*0,75А=0,53A. Правильно?
Ещё вопрос - в электрике я не силён- это факт, поэтому подскажите пожалуйста: 0,75/Phase - у меня 2 фазы значит ток 1,5А? А для биполярного 1,06А?
Если можно подскажите следующее: в инструкции к шаговому двигателю указано: Ток 0,75А/ Phase... Но т.к. подключение теперь биполярное, то необходимо: I(биполярного)=0,707*I(униполярного)=0,707*0,75А=0,53A. Правильно?
Ещё вопрос - в электрике я не силён- это факт, поэтому подскажите пожалуйста: 0,75/Phase - у меня 2 фазы значит ток 1,5А? А для биполярного 1,06А?
- megagad
- Почётный участник

- Сообщения: 3207
- Зарегистрирован: 05 апр 2014, 18:57
- Репутация: 712
- Откуда: Реуспублика Крым, Бахчисарай.
- Контактная информация:
Re: Помогите!!! 5-ти проводной ШД к драйверу TB6560 V2.0?
на данный двиг можно подать и чуток больший ток(те самые 25% от максимального).
По второму вопросу не понял что вы хотели спросить? Потребляемый ток от БП? Тогда берите 20-30% от выставленного тока.
Говоря проще - БП на 4А может спокойно питать три двигателя, на которых приходит по 3А
И даже не вспотеет.
Для вашего случая(в цифрах) - у вас будет потребление от 24в всего около 230мА(0.23А). Ибо в драйвере имеется ШИМ.
По второму вопросу не понял что вы хотели спросить? Потребляемый ток от БП? Тогда берите 20-30% от выставленного тока.
Говоря проще - БП на 4А может спокойно питать три двигателя, на которых приходит по 3А
Для вашего случая(в цифрах) - у вас будет потребление от 24в всего около 230мА(0.23А). Ибо в драйвере имеется ШИМ.
We Do What We Must, Because We Can!
Причинять добро, наносить пользу и подвергать ласке.
Причинять добро, наносить пользу и подвергать ласке.
-
fbirk
- Новичок
- Сообщения: 3
- Зарегистрирован: 01 янв 2015, 12:57
- Репутация: 0
- Настоящее имя: Сергей
- Контактная информация:
Re: Помогите!!! 5-ти проводной ШД к драйверу TB6560 V2.0?
Большое спасибо за советы! Всё подключил - работает! Спасибо!!! 