СРОЧНО. токарный чпу. проблемка с ТФП-1000 (ПО)

Контроллеры, драйверы, датчики, управляющие устройства.
Аватара пользователя
АбдурахмаН
Новичок
Сообщения: 22
Зарегистрирован: 22 май 2014, 17:56
Репутация: 0
Контактная информация:

СРОЧНО. токарный чпу. проблемка с ТФП-1000 (ПО)

Сообщение АбдурахмаН »

здравствуйте. у меня вопросец к вам,дорогие форумчане так-как сколь я не смотрел по форуму так и не нашел нужной для меня сейчас темы. А вопрос такой - у нас на работе
стойт токарный станок ТФП-1000 (блок управления и комп - inmartech, и собсно станок JET), так вот работает сие творчество от дос-программы cnccraft и к тамуже с дискет, а если на обработку задать сложный проект, то это получится файлов эдак 10-20, ко всему этому ещё и переводить из проекта в програмный файл надо перезагружать комп, итд... :freak: У меня вопрос - можно - ли подружить как-то это деятище с windoвским ПО или как-то может переделать силовой блок. Очень прошу дельных советов ОЧЕНЬ надо. Зарание спасибо ...

А еще если у когото есть схемка силового блока - поделитесь пжлста ;)
romanru1
Мастер
Сообщения: 584
Зарегистрирован: 22 фев 2013, 22:31
Репутация: 177
Откуда: Первоуральск
Контактная информация:

Re: СРОЧНО. токарный чпу. проблемка с ТФП-1000 (ПО)

Сообщение romanru1 »

Ну судя по фотографиям и описанию на сайте производителя там , шаговые приводы и комп простенький .
Подружить с MACH или LinuxCNC можно .
Скорее всего менять сам комп придется , но это нормально .
Система достаточно проста и посему ,
если Вам ВИДЫ открытого электрошкафа ни о чем ни говорят , то схема Вам не нужна . Тому кто будет переделывать , она тоже не нужна !
Если хотите сами заниматься , то Вам нужно узнать что такое
- шаговый мотор
- драйвер шагового мотора ( электронный блок управляющий шаговым мотором )
_ каким напряжением они питаются и как подключаются друг к дружке и к внешнему миру
- плата опторазвязки
-LPT порт компа
- как настроить мач или LinuxCNC
- поискать по форуму и не только типовые схемы подключения этих потрохов .
- полазить по сайтам продавцов этих потрохов , почитать описания
И тогда станет все понятно.
Из какого города Вы ? , может кто рядом есть. , поможет.

( на сайте цена станка 420 т.р. :cheesy: , срочно начинаю делать токарные с ЧПУ по дереву :hehehe: )
— Мы месяц по Галактике «маму» попоём — и планета у нас в кармане.
Аватара пользователя
Nick
Мастер
Сообщения: 22776
Зарегистрирован: 23 ноя 2009, 16:45
Репутация: 1735
Заслуга: Developer
Откуда: Gatchina, Saint-Petersburg distr., Russia
Контактная информация:

Re: СРОЧНО. токарный чпу. проблемка с ТФП-1000 (ПО)

Сообщение Nick »

Покажи фото станка и электро шкафа!
Скорее всего особо переделывать не придется.

Что-то особенное умеет станок? Скажем, резьбы резать? Или просто делает фигурные цилиндры?
aftaev
Зачётный участник
Зачётный участник
Сообщения: 34042
Зарегистрирован: 04 апр 2010, 19:22
Репутация: 6194
Откуда: Казахстан.
Контактная информация:

Re: СРОЧНО. токарный чпу. проблемка с ТФП-1000 (ПО)

Сообщение aftaev »

Так СРОЧНО что ТС через год объявится :)
Дилетанту сложные вещи кажутся очень простыми, и только профессионал понимает насколько сложна самая простая вещь
Кто хочет - ищет возможности, кто не хочет - ищет оправдание.
Найди работу по душе и тебе не придется работать.
Аватара пользователя
АбдурахмаН
Новичок
Сообщения: 22
Зарегистрирован: 22 май 2014, 17:56
Репутация: 0
Контактная информация:

Re: СРОЧНО. токарный чпу. проблемка с ТФП-1000 (ПО)

Сообщение АбдурахмаН »

сори. я днем на работе. дома только с 17:00
Аватара пользователя
АбдурахмаН
Новичок
Сообщения: 22
Зарегистрирован: 22 май 2014, 17:56
Репутация: 0
Контактная информация:

Re: СРОЧНО. токарный чпу. проблемка с ТФП-1000 (ПО)

Сообщение АбдурахмаН »

Nick писал(а):Покажи фото станка и электро шкафа!
к сожалению фотика под рукой не было, но ... по памяти - там три 3х-фазные шаговики, драйвера для них, плата управления MADE IN SAMODELKIN :) на базе контроллера atmega128? опто-развязка. Да и сама прога запускаеься из под ДОС
aftaev писал(а):Так СРОЧНО что ТС через год объявится
чем усмехаться - лучше че-нть полезное написал...
а фотку могу только с понетельника.
Аватара пользователя
Nick
Мастер
Сообщения: 22776
Зарегистрирован: 23 ноя 2009, 16:45
Репутация: 1735
Заслуга: Developer
Откуда: Gatchina, Saint-Petersburg distr., Russia
Контактная информация:

Re: СРОЧНО. токарный чпу. проблемка с ТФП-1000 (ПО)

Сообщение Nick »

Тогда выбрасывай все кроме
АбдурахмаН писал(а):там три 3х-фазные шаговики, драйвера для них,
и
АбдурахмаН писал(а):опто-развязка
И подключай к Mach или LinuxCNC
Аватара пользователя
АбдурахмаН
Новичок
Сообщения: 22
Зарегистрирован: 22 май 2014, 17:56
Репутация: 0
Контактная информация:

Re: СРОЧНО. токарный чпу. проблемка с ТФП-1000 (ПО)

Сообщение АбдурахмаН »

Nick писал(а):Тогда выбрасывай все
нельзя. станок ни мой.
Nick писал(а):И подключай к Mach или LinuxCNC
а по подробней можно?

ЗЫ: да переделать-то станок можно, да и финансирование нормальное, но броблема в том что щас надо срочно заказ выполнить - оч много балясин, а хотелось бы из под винды управлять..
Аватара пользователя
Nick
Мастер
Сообщения: 22776
Зарегистрирован: 23 ноя 2009, 16:45
Репутация: 1735
Заслуга: Developer
Откуда: Gatchina, Saint-Petersburg distr., Russia
Контактная информация:

Re: СРОЧНО. токарный чпу. проблемка с ТФП-1000 (ПО)

Сообщение Nick »

Ставь Mach подключай к нему драйвера через LPT, выставляй номера пинов в настройках и вперед
Аватара пользователя
АбдурахмаН
Новичок
Сообщения: 22
Зарегистрирован: 22 май 2014, 17:56
Репутация: 0
Контактная информация:

Re: СРОЧНО. токарный чпу. проблемка с ТФП-1000 (ПО)

Сообщение АбдурахмаН »

к сожалению опторазвязка находится в контроллерной плате, а контроллер принимает сигналы не степ-дир, а кодовый..
а драйвера разве можно без развязки к ЛПТ подключять? :thinking:
konyshevk
Почётный участник
Почётный участник
Сообщения: 740
Зарегистрирован: 19 апр 2014, 22:09
Репутация: 698
Откуда: Челябинск
Контактная информация:

Re: СРОЧНО. токарный чпу. проблемка с ТФП-1000 (ПО)

Сообщение konyshevk »

Как правило у всех драйверов (не игрушечных для принтеров 3д) на входе опторазвязка стоит можно напрямик подключать .
только сначала проверить.
Вложения
оптовход.PNG (2956 просмотров) <a class='original' href='./download/file.php?id=28542&mode=view' target=_blank>Загрузить оригинал (132.89 КБ)</a>
Последний раз редактировалось konyshevk 23 май 2014, 17:59, всего редактировалось 1 раз.
Даешь коллективный разум !
Аватара пользователя
АбдурахмаН
Новичок
Сообщения: 22
Зарегистрирован: 22 май 2014, 17:56
Репутация: 0
Контактная информация:

Re: СРОЧНО. токарный чпу. проблемка с ТФП-1000 (ПО)

Сообщение АбдурахмаН »

konyshevk писал(а):только сначала проверить
а на чем? если я их домой взять не могу..
konyshevk
Почётный участник
Почётный участник
Сообщения: 740
Зарегистрирован: 19 апр 2014, 22:09
Репутация: 698
Откуда: Челябинск
Контактная информация:

Re: СРОЧНО. токарный чпу. проблемка с ТФП-1000 (ПО)

Сообщение konyshevk »

нужны фото .как минимум ,максимум схема и название
Даешь коллективный разум !
Аватара пользователя
АбдурахмаН
Новичок
Сообщения: 22
Зарегистрирован: 22 май 2014, 17:56
Репутация: 0
Контактная информация:

Re: СРОЧНО. токарный чпу. проблемка с ТФП-1000 (ПО)

Сообщение АбдурахмаН »

ОК. как только выйду на работу - сфотаю и стпишусь.
еще вопросец - а mаch понимает арткамовский формат?
konyshevk
Почётный участник
Почётный участник
Сообщения: 740
Зарегистрирован: 19 апр 2014, 22:09
Репутация: 698
Откуда: Челябинск
Контактная информация:

Re: СРОЧНО. токарный чпу. проблемка с ТФП-1000 (ПО)

Сообщение konyshevk »

мач понимает программы в G кодах , которые арт кам может сделать
Даешь коллективный разум !
Аватара пользователя
АбдурахмаН
Новичок
Сообщения: 22
Зарегистрирован: 22 май 2014, 17:56
Репутация: 0
Контактная информация:

Re: СРОЧНО. токарный чпу. проблемка с ТФП-1000 (ПО)

Сообщение АбдурахмаН »

konyshevk спс.
сейчас попробую найти в инете тот самый драйвер...
Аватара пользователя
АбдурахмаН
Новичок
Сообщения: 22
Зарегистрирован: 22 май 2014, 17:56
Репутация: 0
Контактная информация:

Re: СРОЧНО. токарный чпу. проблемка с ТФП-1000 (ПО)

Сообщение АбдурахмаН »

вот наподобие
504061770_286.jpg (2936 просмотров) <a class='original' href='./download/file.php?id=28543&mode=view' target=_blank>Загрузить оригинал (139.48 КБ)</a>
может только фирмой ошибся, сами понимаете - запомнил только внешне...
Аватара пользователя
АбдурахмаН
Новичок
Сообщения: 22
Зарегистрирован: 22 май 2014, 17:56
Репутация: 0
Контактная информация:

Re: СРОЧНО. токарный чпу. проблемка с ТФП-1000 (ПО)

Сообщение АбдурахмаН »

Nick писал(а):Покажи фото станка и электро шкафа!
Скорее всего особо переделывать не придется.
вот как и обещял нафотал начинку станка. простите за плохое качество - освещение там слабенькое ;)
Вложения
3х-фазный драйвер (2856 просмотров) <a class='original' href='./download/file.php?id=28693&mode=view' target=_blank>Загрузить оригинал (22.68 КБ)</a>
3х-фазный драйвер
палата упр. и LPT-соединение (2856 просмотров) <a class='original' href='./download/file.php?id=28694&mode=view' target=_blank>Загрузить оригинал (20.8 КБ)</a>
палата упр. и LPT-соединение
МК. сори. плохо видно маркировку (2856 просмотров) <a class='original' href='./download/file.php?id=28695&mode=view' target=_blank>Загрузить оригинал (25.43 КБ)</a>
МК. сори. плохо видно маркировку
Фото1430.jpg (2856 просмотров) <a class='original' href='./download/file.php?id=28696&mode=view' target=_blank>Загрузить оригинал (23.84 КБ)</a>
драйвер (2856 просмотров) <a class='original' href='./download/file.php?id=28697&mode=view' target=_blank>Загрузить оригинал (25.68 КБ)</a>
драйвер
он же (2856 просмотров) <a class='original' href='./download/file.php?id=28698&mode=view' target=_blank>Загрузить оригинал (24.65 КБ)</a>
он же
Аватара пользователя
АбдурахмаН
Новичок
Сообщения: 22
Зарегистрирован: 22 май 2014, 17:56
Репутация: 0
Контактная информация:

Re: СРОЧНО. токарный чпу. проблемка с ТФП-1000 (ПО)

Сообщение АбдурахмаН »

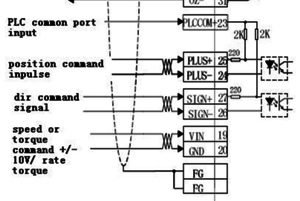
вот еще что - что ето за пины (PUL+, PUL-) это типа step или я ошибаюсь
Аватара пользователя
Nick
Мастер
Сообщения: 22776
Зарегистрирован: 23 ноя 2009, 16:45
Репутация: 1735
Заслуга: Developer
Откуда: Gatchina, Saint-Petersburg distr., Russia
Контактная информация:

Re: СРОЧНО. токарный чпу. проблемка с ТФП-1000 (ПО)

Сообщение Nick »

По фото ничего не понятно... вспышка есть?
АбдурахмаН писал(а): (PUL+, PUL-) это типа step или я ошибаюсь
Да.

В общем, если у тебя на драйверах есть pul/dir, то тупо выкидывай свой контроллер ставь Mach или LinuxCNC, распаивай lpt порт, или покупай breakout.
И запускайся.
Кстати, помимо драйверов, там что-то есть? Управление шпинделем, концевики какие-нибудь?
Ответить

Вернуться в «Электроника»