Куплю энкодер
- Serg
- Мастер
- Сообщения: 21923
- Зарегистрирован: 17 апр 2012, 14:58
- Репутация: 5183
- Заслуга: c781c134843e0c1a3de9
- Настоящее имя: Сергей
- Откуда: Москва
- Контактная информация:
Куплю энкодер
или б/у сервомотор с живым энкодером.
Нужен только энкодер, выходы дифференциальные TTL, 1000 имп/об. или более.
Предпочтение тем, которые вписываются в прилагаемые габариты.
Нужен только энкодер, выходы дифференциальные TTL, 1000 имп/об. или более.
Предпочтение тем, которые вписываются в прилагаемые габариты.
Последний раз редактировалось Serg 10 ноя 2013, 19:45, всего редактировалось 1 раз.
Я не Христос, рыбу не раздаю, но могу научить, как сделать удочку...
- mhael
- Мастер
- Сообщения: 2443
- Зарегистрирован: 09 мар 2013, 11:22
- Репутация: 769
- Настоящее имя: Ильдар
- Контактная информация:
Re: Куплю энкодер
Есть поменьше, т.е. в габариты "вписывается" с запасом )). 1024имп/об. Новый. В комплекте пластиковая муфта.
omron e6b2-cwz6с
Дока
omron e6b2-cwz6с
Дока
- Serg
- Мастер
- Сообщения: 21923
- Зарегистрирован: 17 апр 2012, 14:58
- Репутация: 5183
- Заслуга: c781c134843e0c1a3de9
- Настоящее имя: Сергей
- Откуда: Москва
- Контактная информация:
Re: Куплю энкодер
Из таких надо тот, который E6B2-CWZ1X. 
Но буду иметь ввиду.
Но буду иметь ввиду.
Я не Христос, рыбу не раздаю, но могу научить, как сделать удочку...
- mhael
- Мастер
- Сообщения: 2443
- Зарегистрирован: 09 мар 2013, 11:22
- Репутация: 769
- Настоящее имя: Ильдар
- Контактная информация:
Re: Куплю энкодер
Да я сам заказывал CWZ3E, на коробке так и написано, а внутри оказался CWZ6C. Да так его и не применил.
-
freeform
- Кандидат
- Сообщения: 83
- Зарегистрирован: 30 июн 2011, 00:02
- Репутация: 7
- Откуда: Москва
- Контактная информация:
Re: Куплю энкодер
Есть SUMTAK LHE-458-2500, новый в коробочке, 2500 ppr .
- Serg
- Мастер
- Сообщения: 21923
- Зарегистрирован: 17 апр 2012, 14:58
- Репутация: 5183
- Заслуга: c781c134843e0c1a3de9
- Настоящее имя: Сергей
- Откуда: Москва
- Контактная информация:
Re: Куплю энкодер
А даташит есть? А то ненагугливается.
Я не Христос, рыбу не раздаю, но могу научить, как сделать удочку...
-
aleks_com
- Новичок
- Сообщения: 6
- Зарегистрирован: 18 дек 2012, 12:48
- Репутация: 0
- Контактная информация:
Re: Куплю энкодер
Есть такой LHG-053-2000 (2000 на оборот). А с даташитами на эту контору напряженка. Проще пробовать у них 6 выводов (две земли, один +5В, один стартовый, и два шаг направление (чередуются) полностью совместим с TTL).
-
freeform
- Кандидат
- Сообщения: 83
- Зарегистрирован: 30 июн 2011, 00:02
- Репутация: 7
- Откуда: Москва
- Контактная информация:
Re: Куплю энкодер
Даташит у меня был, но найти никак не могу
. В общем обыкновенный энкодер, выходы дифференциальные, 5 В питание.
- Serg
- Мастер
- Сообщения: 21923
- Зарегистрирован: 17 апр 2012, 14:58
- Репутация: 5183
- Заслуга: c781c134843e0c1a3de9
- Настоящее имя: Сергей
- Откуда: Москва
- Контактная информация:
Re: Куплю энкодер
Не, это не дифференциальные.aleks_com писал(а):и два шаг направление (чередуются)
Я не Христос, рыбу не раздаю, но могу научить, как сделать удочку...
- Serg
- Мастер
- Сообщения: 21923
- Зарегистрирован: 17 апр 2012, 14:58
- Репутация: 5183
- Заслуга: c781c134843e0c1a3de9
- Настоящее имя: Сергей
- Откуда: Москва
- Контактная информация:
Re: Куплю энкодер
А вот-бы тогда фоток, хорошо б с размерами?.. Ну и цену.freeform писал(а):Даташит у меня был, но найти никак не могу. В общем обыкновенный энкодер, выходы дифференциальные, 5 В питание.
Я не Христос, рыбу не раздаю, но могу научить, как сделать удочку...
-
freeform
- Кандидат
- Сообщения: 83
- Зарегистрирован: 30 июн 2011, 00:02
- Репутация: 7
- Откуда: Москва
- Контактная информация:
Re: Куплю энкодер
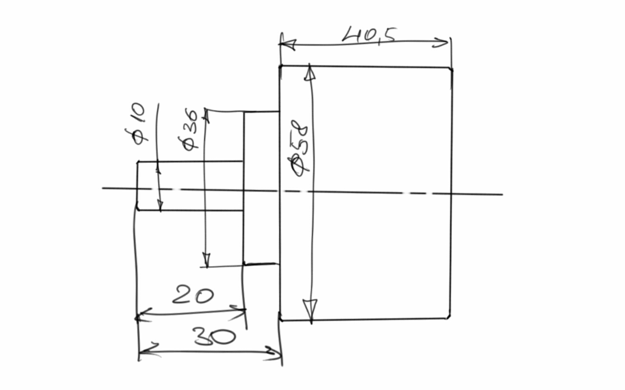
Размеры завтра могу померять.
50$.
50$.
- Serg
- Мастер
- Сообщения: 21923
- Зарегистрирован: 17 апр 2012, 14:58
- Репутация: 5183
- Заслуга: c781c134843e0c1a3de9
- Настоящее имя: Сергей
- Откуда: Москва
- Контактная информация:
Re: Куплю энкодер
Так чего с размерами-то?
Я не Христос, рыбу не раздаю, но могу научить, как сделать удочку...