Подключение шпинделя через реле

Шаговые и серво двигатели, шпиндели, инверторы.
Terin
Новичок
Сообщения: 13
Зарегистрирован: 03 июл 2013, 10:34
Репутация: 0
Контактная информация:

Подключение шпинделя через реле

Сообщение Terin »

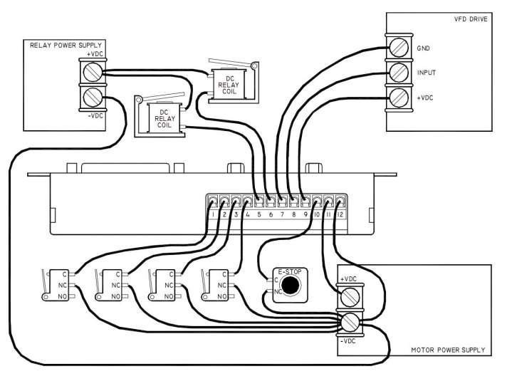
Всем добрый день, подскажите пожалуйста новичку, плохо шарящему в электронике, что не так подключаю, или в настройках что не то. Задача - запустить шпиндель через комп с помощью реле. Подключаю так как нарисовал. На 17м пине в степконфе стоит Spindle ON, на 1м - E-Stop OUT. Реле без питания замкнуто - шпиндель работает, подключаю вручную к 24В - выключается. С 5го пина с геко идут постоянно 14 В, независимо от того, включен через программу шпиндель или нет. В настройках запуска частотника стоит "Запуск с клемменой колодки или локальной клавиатуры". Не пойму, зачем 6й пин нужен и что на нём должно стоять :( И меня очень смущают последние контакты на частотнике, не к ним ли нужно релюшку подсоединять? (частотник SMvector)
Вложения
Схема подключения шпинделя через реле.jpg (3304 просмотра) <a class='original' href='./download/file.php?id=19740&mode=view' target=_blank>Загрузить оригинал (34.97 КБ)</a>
Gecko.jpg (3304 просмотра) <a class='original' href='./download/file.php?id=19741&mode=view' target=_blank>Загрузить оригинал (85.43 КБ)</a>
Gecko2.jpg (3304 просмотра) <a class='original' href='./download/file.php?id=19742&mode=view' target=_blank>Загрузить оригинал (92.68 КБ)</a>
Man1.jpg (3304 просмотра) <a class='original' href='./download/file.php?id=19743&mode=view' target=_blank>Загрузить оригинал (145.6 КБ)</a>
Аватара пользователя
РЕКЛАМА
Почётный участник
Почётный участник
Сообщения: 736
Зарегистрирован: 11 дек 2012, 21:46
Репутация: 80
Откуда: Брянск
Контактная информация:

Re: Подключение шпинделя через реле

Сообщение РЕКЛАМА »

А разве недостаточно просто подключить частотник к плате с релюшкой? Зачем еще 24 вольта в частотник заводить?
Или я что-то не так понял?
У меня в частотнике есть входы "пуск влево"и"пуск вправо" управляются замыканием на землю..
Terin
Новичок
Сообщения: 13
Зарегистрирован: 03 июл 2013, 10:34
Репутация: 0
Контактная информация:

Re: Подключение шпинделя через реле

Сообщение Terin »

Не-не, 24В на частоитник не идут, только реле включают... чёт я тут наподключал, сейчас всё разбирать буду, похоже всё не правильно... буду пробовать через аналоговые входы и выходы делать, на моём частотнике, похоже тоже это где-то есть, буду разбираться)
aftaev
Зачётный участник
Зачётный участник
Сообщения: 34042
Зарегистрирован: 04 апр 2010, 19:22
Репутация: 6194
Откуда: Казахстан.
Контактная информация:

Re: Подключение шпинделя через реле

Сообщение aftaev »

для начало нужно подключить пару проводков к частотнику так чтобы при их замыкании шпиндель работал, при размыкании останавлвался. вот потом эти проводки тянуть к контактам реле.
Дилетанту сложные вещи кажутся очень простыми, и только профессионал понимает насколько сложна самая простая вещь
Кто хочет - ищет возможности, кто не хочет - ищет оправдание.
Найди работу по душе и тебе не придется работать.
nik1
Мастер
Сообщения: 8408
Зарегистрирован: 02 окт 2012, 07:37
Репутация: 3629
Откуда: Красногорск
Контактная информация:

Re: Подключение шпинделя через реле

Сообщение nik1 »

У мну такой же частотник
Если будешь менять обороты от контроллера , то имей ввиду, что вход 0-10 в прилично ловит помехи
Можно включить цифровой фильтр в частотнике, но мне это не совсем помогло
Пришлось делать мудреный провод
Но может у тебя все будет и так нормально , потом посмотрим

Посмотри в мануал, там есть схемка как подключить реле для включения
И там же написано как активировать нужный вход
Если нужен реверс, то придется ставить 2 реле
Ответить

Вернуться в «Двигатели и шпиндели»