двустороннее фрезерование
-
Zeliboba
- Новичок
- Сообщения: 29
- Зарегистрирован: 16 ноя 2012, 18:36
- Репутация: 0
- Контактная информация:
двустороннее фрезерование
Здравствуйте!
Подскажите новичку пожалуйста, как чисто технологически обработать дюраль с двух сторон? Вот, допустим, обработал я одну сторону детальки, а как ее перевернуть и закрепить, чтобы соблюсти хоть какую нибудь точность? Какая оснастка для этого используется?
Подскажите новичку пожалуйста, как чисто технологически обработать дюраль с двух сторон? Вот, допустим, обработал я одну сторону детальки, а как ее перевернуть и закрепить, чтобы соблюсти хоть какую нибудь точность? Какая оснастка для этого используется?
-
aftaev
- Зачётный участник

- Сообщения: 34042
- Зарегистрирован: 04 апр 2010, 19:22
- Репутация: 6194
- Откуда: Казахстан.
- Контактная информация:
Re: двустороннее фрезерование
для этого нужно видеть деталь, желательно в 3д и о какой точности речь
Дилетанту сложные вещи кажутся очень простыми, и только профессионал понимает насколько сложна самая простая вещь
Кто хочет - ищет возможности, кто не хочет - ищет оправдание.
Найди работу по душе и тебе не придется работать.
Кто хочет - ищет возможности, кто не хочет - ищет оправдание.
Найди работу по душе и тебе не придется работать.
- Fisher
- Почётный участник

- Сообщения: 3391
- Зарегистрирован: 09 апр 2012, 12:39
- Репутация: 424
- Откуда: Киров
- Контактная информация:
Re: двустороннее фрезерование
Токарно-фрезерный ОЦZeliboba писал(а):Какая оснастка для этого используется?
www.cncru.ru - все виды станков с ЧПУ. Комплектующие.
-
Zeliboba
- Новичок
- Сообщения: 29
- Зарегистрирован: 16 ноя 2012, 18:36
- Репутация: 0
- Контактная информация:
Re: двустороннее фрезерование
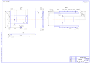
Деталь приблизительно такая.
Можно ли ее изготовить, используя китайский чпу?
Можно ли ее изготовить, используя китайский чпу?
Re: двустороннее фрезерование
Буквально пару дней назад подобный вопрос подымался уже и насколько я понял - ответ был,но если пользоваться поиском не позволяет религия,то как бы вот...
-
Zeliboba
- Новичок
- Сообщения: 29
- Зарегистрирован: 16 ноя 2012, 18:36
- Репутация: 0
- Контактная информация:
Re: двустороннее фрезерование
Ссылочку можно?
-
aftaev
- Зачётный участник

- Сообщения: 34042
- Зарегистрирован: 04 апр 2010, 19:22
- Репутация: 6194
- Откуда: Казахстан.
- Контактная информация:
Re: двустороннее фрезерование
Zeliboba, в полный рост чертеж не могу открыть. По мелкому чертежу что вижу вроде как можно сделать. Нужно на столе делать базы, чтобы когда перевернул можно было упереть в них и обработать обратную сторону. Или если деталь еденичная то после переворота, деталь выставляется при помощи 3Д пробника или какого нибудь индикатора.
Что это за деталь? Какой материал?
Что это за деталь? Какой материал?
Дилетанту сложные вещи кажутся очень простыми, и только профессионал понимает насколько сложна самая простая вещь
Кто хочет - ищет возможности, кто не хочет - ищет оправдание.
Найди работу по душе и тебе не придется работать.
Кто хочет - ищет возможности, кто не хочет - ищет оправдание.
Найди работу по душе и тебе не придется работать.
-
nik1
- Мастер
- Сообщения: 8408
- Зарегистрирован: 02 окт 2012, 07:37
- Репутация: 3629
- Откуда: Красногорск
- Контактная информация:
Re: двустороннее фрезерование
Точность довольно неплохая для такого размера
Смотри что бы на станке были отрегулированы перпендикулярности осей
А то 5 соток навряд ли получишь
Как вариант для обратной стороны- перед обработкой прикрути к столу пару упоров под углом 90 гр
Потом сориентируй на них примерно 0 и торцони их
Получишь 0 для упора в них своей деталью
Либо наводись по краям детали , в принципе в 5 соток попасть вполне реально
Смотри что бы на станке были отрегулированы перпендикулярности осей
А то 5 соток навряд ли получишь
Как вариант для обратной стороны- перед обработкой прикрути к столу пару упоров под углом 90 гр
Потом сориентируй на них примерно 0 и торцони их
Получишь 0 для упора в них своей деталью
Либо наводись по краям детали , в принципе в 5 соток попасть вполне реально
-
Zeliboba
- Новичок
- Сообщения: 29
- Зарегистрирован: 16 ноя 2012, 18:36
- Репутация: 0
- Контактная информация:
Re: двустороннее фрезерование
Материал дюраль, это одна из частей стола для микроскопа, таких плит всего 3, они движутся друг относительно друга.aftaev писал(а):Zeliboba, в полный рост чертеж не могу открыть. По мелкому чертежу что вижу вроде как можно сделать. Нужно на столе делать базы, чтобы когда перевернул можно было упереть в них и обработать обратную сторону. Или если деталь еденичная то после переворота, деталь выставляется при помощи 3Д пробника или какого нибудь индикатора.
Что это за деталь? Какой материал?
5 соток поставлено грубо говоря, наобум. Если будет 1 сотка, то это устроит.
- LA-STIK
- Почетная участница

- Сообщения: 617
- Зарегистрирован: 20 фев 2013, 16:23
- Репутация: 697
- Настоящее имя: Наталия
- Откуда: РОСТОВ-НА-ДОНУ
- Контактная информация:
Re: двустороннее фрезерование
Я в качестве ориентиров использую шканты деревянные, деталь по центру заготовки размещаешь, оставляешь небольшие перемычки( иногда и без них), режешь, переворачивашь- режешь и все совпадает.
Делай то, что любишь! Люби то, что делаешь!
-
nik1
- Мастер
- Сообщения: 8408
- Зарегистрирован: 02 окт 2012, 07:37
- Репутация: 3629
- Откуда: Красногорск
- Контактная информация:
Re: двустороннее фрезерование
Сотку по дюрали на таком размере , хороший запрос
- michael-yurov
- Почётный участник

- Сообщения: 11730
- Зарегистрирован: 26 июл 2012, 00:10
- Репутация: 4703
- Настоящее имя: Михаил Львович
- Откуда: Новоуральск
- Контактная информация:
Re: двустороннее фрезерование
aftaev писал(а):в полный рост чертеж не могу открыть
Re: двустороннее фрезерование
Все таки религия???Zeliboba писал(а):Ссылочку можно?
В правом верхнем углу кнопочка...
-
Zeliboba
- Новичок
- Сообщения: 29
- Зарегистрирован: 16 ноя 2012, 18:36
- Репутация: 0
- Контактная информация:
Re: двустороннее фрезерование
Уважаемый, если Вам по сути вопроса сказать нечего, то не стоит разбрызгивать своим остроумием. Можете не писать вообще, я не обижусь.Золушок писал(а):Все таки религия???Zeliboba писал(а):Ссылочку можно?
В правом верхнем углу кнопочка...
-
aftaev
- Зачётный участник

- Сообщения: 34042
- Зарегистрирован: 04 апр 2010, 19:22
- Репутация: 6194
- Откуда: Казахстан.
- Контактная информация:
Re: двустороннее фрезерование
Zeliboba, пока не будет фото станка ничего понять нельзя ибо это фраза ни о чем не говорит ваПще:
Zeliboba писал(а):Можно ли ее изготовить, используя китайский чпу?
Дилетанту сложные вещи кажутся очень простыми, и только профессионал понимает насколько сложна самая простая вещь
Кто хочет - ищет возможности, кто не хочет - ищет оправдание.
Найди работу по душе и тебе не придется работать.
Кто хочет - ищет возможности, кто не хочет - ищет оправдание.
Найди работу по душе и тебе не придется работать.
- vovafed
- Мастер
- Сообщения: 1822
- Зарегистрирован: 08 фев 2013, 16:19
- Репутация: 325
- Настоящее имя: Владимир
- Откуда: башкортостан
- Контактная информация:
Re: двустороннее фрезерование
тут с одно стороны пилить в сотку не попадеш а с двух сторон вообще за гранью фантастики
-
nik1
- Мастер
- Сообщения: 8408
- Зарегистрирован: 02 окт 2012, 07:37
- Репутация: 3629
- Откуда: Красногорск
- Контактная информация:
Re: двустороннее фрезерование
Надо будет хорошо постараться, если в десятку попадешь , то считай хороший результат
-
Zeliboba
- Новичок
- Сообщения: 29
- Зарегистрирован: 16 ноя 2012, 18:36
- Репутация: 0
- Контактная информация:
Re: двустороннее фрезерование
десятка устраивает)
-
nik1
- Мастер
- Сообщения: 8408
- Зарегистрирован: 02 окт 2012, 07:37
- Репутация: 3629
- Откуда: Красногорск
- Контактная информация:
Re: двустороннее фрезерование
Тогда проверь диагональности и проверить перпендикулярность шпинделя
И в принципе в десятку можно попасть
И в принципе в десятку можно попасть