Станочный профиль Renishaw, Рельсы и каретки TBI Motion
Стоимость 22000руб. за погонный метр профиля
Оплата - наличные или перевод на карту, доставка по согласованию.
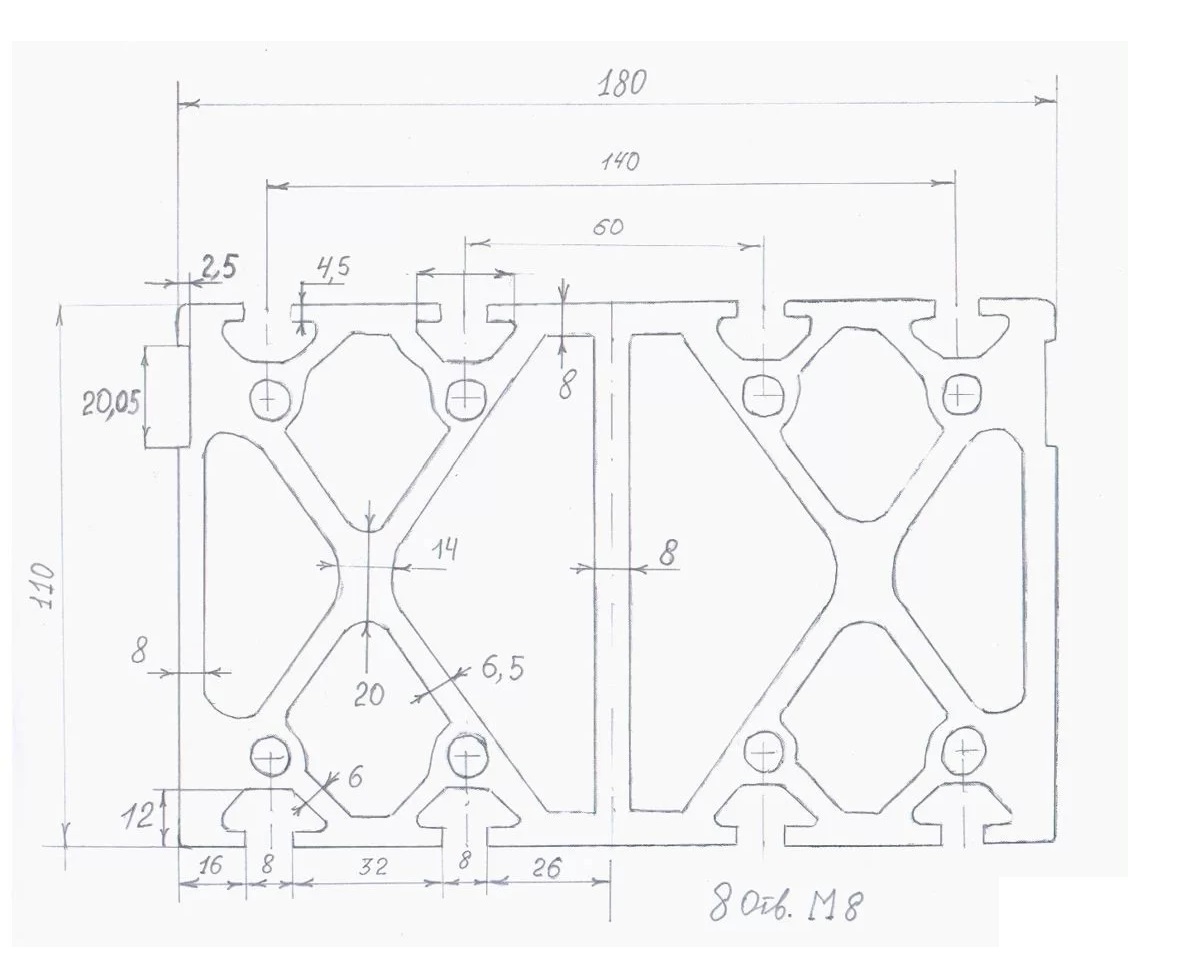
Предлагается б/у алюминиевый конструкционный профиль, 110Х180 мм. Анодированный. Может может иметь потертости, мелкие царапины, но вмятин и деформации нет. Производитель – американская компания Renishaw. (шильдики изготовителя на профиле сохранились) 1 метр профиля весит 22,5 кг. Использовался профиль на станке Gandi innovations (Широкоформатный принтер). Оригинальный чертёж не нашёл, сделал сам. Обратите внимание, резьбовые отверстия М8 (на глубину 30 мм.), расположенные на торце профиля, присутствуют только на нескольких кусках профиля. Сквозных, по всей длине профиля, крепёжных отверстий нет!
Отличительная особенность - наличие фрезерованных пазов для рельсовых направляющих 20 мм, и крепежных резьбовых отверстий (М5) . Для примера я закрепил на профиле два отрезка рельс.
Пазы были именно фрезерованы перед гальваникой, т.е. фрезеровка производилась на заводе изготовителе, после изготовления профиля, но до анодирования.
Применение - для балки портального фрезерного станка, или консоли вертикально фрезерного станка.
Перед покупкой могу сделать фото или видео определенного куска профиля. Желательно продажа имеющимися кусками, без резки.
В наличии куски следующей длины:
2,4 метра – 4 шт.
1,9 метра – 1 шт.
1,7 метра – 1 шт.
1,35 метра – 2 шт.
1,05 метра - 1 шт.
0,8 метра – 2 шт.
Предлагаются б/у рельсы и каретки TBI Motion повышенной точности, с индексом "H". Оригинал.
Продажа комплектами, направляющая TR20-H и две каретки H20FN, т.е. цена, указана за рельсу определённой длины и две каретки. Все каретки одного типа, с фланцем. Получены в результате разграбления производственной линии не дружественной компании:)
Если каретки не нужны, то можно купить рельсы отдельно, цена соответственно ниже будет.
988 мм 2 комплекта Цена 6000 руб.
2335 мм 2 комплекта Цена 9600 руб.
2995 мм 4 комплекта Цена 11000 руб.
2935 мм 2 комплекта. Цена 10000 руб. В РЕЗЕРВЕ.
Причина продажи всего этого богатства исключительно меркантильная. Заказал изготовление станка Георгию (Umnik), теперь вот изыскиваю средства...
Находится всё в Санкт-Петербурге. Отправка не желательна, все габаритистое весьма, но обсуждаема.
Владимир +7 911-249-шестьдесят шесть-48
Станочный профиль Renishaw, Рельсы и каретки TBI Motion
Правила форума
Разрешается публиковать предложения по покупке/продаже как физическим лицам так и коммерческим организациям, при соблюдении следующих условий:
1. должны присутствовать характеристики товаров
2. должна присутствовать стоимость товара
3. должно присутствовать описание способов оплаты и доставки
4. один продавец - одна тема
Фотографии товаров приветствуются (фотографии должны быть вложениями к сообщениям).
Возможно размещение ссылки на свой сайт, с описанием товара, при обязательном соблюдении пунктов 1-3!
При несоблюдении правил тема перемещается в Карантин, откуда автоматически удаляется через 2 дня!
Администрация форума может удалить тему или сообщения из данного раздела на свое усмотрение, без объяснения причин!
Разрешается публиковать предложения по покупке/продаже как физическим лицам так и коммерческим организациям, при соблюдении следующих условий:
1. должны присутствовать характеристики товаров
2. должна присутствовать стоимость товара
3. должно присутствовать описание способов оплаты и доставки
4. один продавец - одна тема
Фотографии товаров приветствуются (фотографии должны быть вложениями к сообщениям).
Возможно размещение ссылки на свой сайт, с описанием товара, при обязательном соблюдении пунктов 1-3!
При несоблюдении правил тема перемещается в Карантин, откуда автоматически удаляется через 2 дня!
Администрация форума может удалить тему или сообщения из данного раздела на свое усмотрение, без объяснения причин!
-
Vll
- Новичок
- Сообщения: 28
- Зарегистрирован: 06 фев 2016, 13:23
- Репутация: 0
- Настоящее имя: Владимир
- Контактная информация:
Станочный профиль Renishaw, Рельсы и каретки TBI Motion
Последний раз редактировалось Vll 26 фев 2023, 13:02, всего редактировалось 1 раз.
-
Vll
- Новичок
- Сообщения: 28
- Зарегистрирован: 06 фев 2016, 13:23
- Репутация: 0
- Настоящее имя: Владимир
- Контактная информация:
Re: Станочный профиль Renishaw, Рельсы и каретки TBI Motion
Возможен обмен, есть потребность: сервоприводы комплектные 400Вт 8шт, (два с тормозом, 6 без тормоза) , 750 Вт с тормозом 1 шт., и рельсы TNK 20 размера, короткие куски, (45, 50, 60 см. По 2 шт., каждого размера), каретки без фланца Tnk HSR20.
-
Vll
- Новичок
- Сообщения: 28
- Зарегистрирован: 06 фев 2016, 13:23
- Репутация: 0
- Настоящее имя: Владимир
- Контактная информация:
Re: Станочный профиль Renishaw, Рельсы и каретки TBI Motion
Понизил цены, первое сообщение отражает актуальную цену и фактическое наличие. Если цены неадекватно завышены, то прошу указать.
-
Vll
- Новичок
- Сообщения: 28
- Зарегистрирован: 06 фев 2016, 13:23
- Репутация: 0
- Настоящее имя: Владимир
- Контактная информация:
Re: Станочный профиль Renishaw, Рельсы и каретки TBI Motion
Тема более не актуальна. Прошу перенести в архив.
