Серводвигатель сервоусилитель delta asd a0421la не откликается на job

Контроллеры, драйверы, датчики, управляющие устройства.
CuNcu
Новичок
Сообщения: 31
Зарегистрирован: 04 дек 2022, 20:47
Репутация: 0
Контактная информация:

Серводвигатель сервоусилитель delta asd a0421la не откликается на job

Сообщение CuNcu »

Здравствуйте, есть комплект сервы из заголовка от печатного принтера. Собираю лазер. Серва работала через job крутилась. Решил подключить к ruide 6445, но похоже не правильно. Сейчас на job(точнее на стрелки управлением вращения, после выст.оборотов) не реагирует. Так же сбил настройки. Кто может подсказать в каком направлении смотреть или это приговор? Ещё если резко крутануть за вал выпадает в ошибку ale09(до этого(пока мои руки в настройки не залезли)вал был "упругий"т.е. упирался и возвращался на место, сейчас крутится). Как проще всего настроить "жесткость"? Я не понял формулы из мануала.
Аватара пользователя
niksooon
Мастер
Сообщения: 2144
Зарегистрирован: 23 июн 2014, 23:18
Репутация: 1207
Откуда: Кашира
Контактная информация:

Re: Серводвигатель сервоусилитель delta asd a0421la не откликается на job

Сообщение niksooon »

CuNcu писал(а): упирался и возвращался на место, сейчас крутится).
для начала проверить наличие сигнала Серво-ОN........
Сделанное правильно — красиво. Если сделанное тебе не нравится — то и работать оно будет хреново. Перевари, пересверли, выпили заново — ну, или хотя бы покрась.
CuNcu
Новичок
Сообщения: 31
Зарегистрирован: 04 дек 2022, 20:47
Репутация: 0
Контактная информация:

Re: Серводвигатель сервоусилитель delta asd a0421la не откликается на job

Сообщение CuNcu »

niksooon писал(а): 14 янв 2023, 23:05
CuNcu писал(а): упирался и возвращался на место, сейчас крутится).
для начала проверить наличие сигнала Серво-ОN........
В смысле осциллографом? У меня его нет.
Вот на эти манипуляции не реагирует... Можно как-нибудь на заводские настройки сбросить драйвер через панель(провода cn3 нет)? (1754 просмотра) <a class='original' href='./download/file.php?id=206272&mode=view' target=_blank>Загрузить оригинал (277.37 КБ)</a>
Вот на эти манипуляции не реагирует... Можно как-нибудь на заводские настройки сбросить драйвер через панель(провода cn3 нет)?
Евжений
Мастер
Сообщения: 1168
Зарегистрирован: 05 апр 2016, 20:18
Репутация: 136
Настоящее имя: Жэзэрэл
Откуда: Там, сям.
Контактная информация:

Re: Серводвигатель сервоусилитель delta asd a0421la не откликается на job

Сообщение Евжений »

CuNcu писал(а): заводские настройки
2-08 ->10
ВК https://vk.com/id353124059
О Боже, дай мне .... пендель!
CuNcu
Новичок
Сообщения: 31
Зарегистрирован: 04 дек 2022, 20:47
Репутация: 0
Контактная информация:

Re: Серводвигатель сервоусилитель delta asd a0421la не откликается на job

Сообщение CuNcu »

Евжений писал(а): 14 янв 2023, 23:44
CuNcu писал(а): заводские настройки
2-08 ->10
Емае! Завтра попробую!
CuNcu
Новичок
Сообщения: 31
Зарегистрирован: 04 дек 2022, 20:47
Репутация: 0
Контактная информация:

Re: Серводвигатель сервоусилитель delta asd a0421la не откликается на job

Сообщение CuNcu »

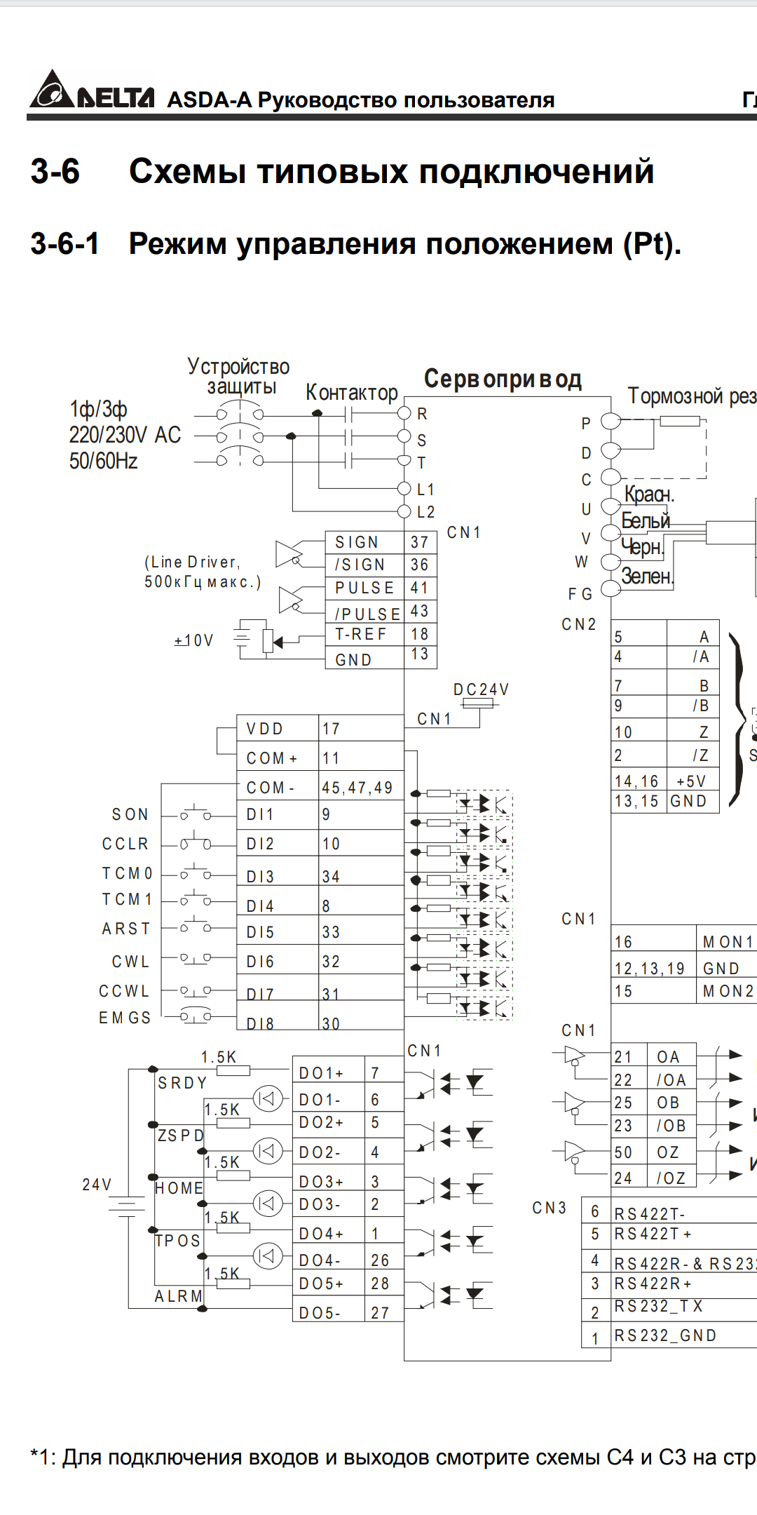
Всем спасибо! Сбросил настройки, и ограничение снял с реверса. Движок ожил! Не сочтите за наглость, но нужна помощь разобраться в принципиальной схеме. Чтоб все по уму подключить. В моем случае это схема С4(Лин.драйвер)? Так вот в чем вопрос: подключая четыре основных пина(pul,sign) движок не реагирует. 17 пин тоже на к +5v контроллере(ruida три выхода dir-; pul-; +5v) подать(но он 24v для питания внешних цепей)?
Вложения
Screenshot_20230115-135409.png (1717 просмотров) <a class='original' href='./download/file.php?id=206274&mode=view' target=_blank>Загрузить оригинал (156.18 КБ)</a>
aftaev
Зачётный участник
Зачётный участник
Сообщения: 34042
Зарегистрирован: 04 апр 2010, 19:22
Репутация: 6194
Откуда: Казахстан.
Контактная информация:

Re: Серводвигатель сервоусилитель delta asd a0421la не откликается на job

Сообщение aftaev »

CuNcu писал(а): движок не реагирует
Если рукой вал покрутить он наверно вращается.
Чтобы начало работать, нужно серве встать на удержание. Для этого нужно подать сигнал S-On или подключить 24в или в настройках задать что он постоянно включен. Когда серва настроена на режим позиции(степ/дир) и включен S-On вал сервы будет сопротивляться вращению. Вот после этого можно подавать сигналы степ/дир
Дилетанту сложные вещи кажутся очень простыми, и только профессионал понимает насколько сложна самая простая вещь
Кто хочет - ищет возможности, кто не хочет - ищет оправдание.
Найди работу по душе и тебе не придется работать.
CuNcu
Новичок
Сообщения: 31
Зарегистрирован: 04 дек 2022, 20:47
Репутация: 0
Контактная информация:

Re: Серводвигатель сервоусилитель delta asd a0421la не откликается на job

Сообщение CuNcu »

Да Son включена, p1 01; p1 00 посмотрю сейчас..
aftaev
Зачётный участник
Зачётный участник
Сообщения: 34042
Зарегистрирован: 04 апр 2010, 19:22
Репутация: 6194
Откуда: Казахстан.
Контактная информация:

Re: Серводвигатель сервоусилитель delta asd a0421la не откликается на job

Сообщение aftaev »

CuNcu писал(а): Да Son включена
вал рукой вращается или нет?
Дилетанту сложные вещи кажутся очень простыми, и только профессионал понимает насколько сложна самая простая вещь
Кто хочет - ищет возможности, кто не хочет - ищет оправдание.
Найди работу по душе и тебе не придется работать.
Евжений
Мастер
Сообщения: 1168
Зарегистрирован: 05 апр 2016, 20:18
Репутация: 136
Настоящее имя: Жэзэрэл
Откуда: Там, сям.
Контактная информация:

Re: Серводвигатель сервоусилитель delta asd a0421la не откликается на job

Сообщение Евжений »

Вроде так.
2023-01-15_145643.jpg (1670 просмотров) <a class='original' href='./download/file.php?id=206282&mode=view' target=_blank>Загрузить оригинал (62.69 КБ)</a>
ВК https://vk.com/id353124059
О Боже, дай мне .... пендель!
CuNcu
Новичок
Сообщения: 31
Зарегистрирован: 04 дек 2022, 20:47
Репутация: 0
Контактная информация:

Re: Серводвигатель сервоусилитель delta asd a0421la не откликается на job

Сообщение CuNcu »

Я про 35 пин тоже думал, но он для "для открытого коллектора". Сейчас попробую...По этой схеме подключал:
Вложения
Screenshot_20230115-201321.png (1659 просмотров) <a class='original' href='./download/file.php?id=206309&mode=view' target=_blank>Загрузить оригинал (302.4 КБ)</a>
CuNcu
Новичок
Сообщения: 31
Зарегистрирован: 04 дек 2022, 20:47
Репутация: 0
Контактная информация:

Re: Серводвигатель сервоусилитель delta asd a0421la не откликается на job

Сообщение CuNcu »

В общем оказывается была похожая тема на форуме. По итогу: красный(pul-),желтый(sign-) идут на +5; зелёный(sign+), белый(pul+) на соответствующие разъемы. Может кому пригодится.
Вложения
IMG_20230116_154017.jpg (1628 просмотров) <a class='original' href='./download/file.php?id=206353&mode=view' target=_blank>Загрузить оригинал (1.1 МБ)</a>
Ответить

Вернуться в «Электроника»