Страница 1 из 1

Распиновка RAMPS 1.6 со стороны ардуино

Добавлено: 23 апр 2022, 15:13
Andreichsb
Ткните носом плз - какие пины arduino mega чему назначены на рампсе 1.6. Найти не могу.

Re: Распиновка RAMPS 1.6 со стороны ардуино

Добавлено: 23 апр 2022, 18:48
Rom327

Re: Распиновка RAMPS 1.6 со стороны ардуино

Добавлено: 23 апр 2022, 20:36
Andreichsb
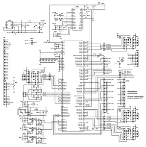
Может я конечно мало в этом понимаю (что скорее всего так и есть), тогда прошу разъяснить - где на этих картинках указано, к примеру, на каких пинах меги висит драйвер, предположим оси Z? Потому что я их вдоль и поперек раз сто уже до этого пересмотрел но так и не нашел.
ЗЫ третья ссылка не открывается

Re: Распиновка RAMPS 1.6 со стороны ардуино

Добавлено: 23 апр 2022, 22:30
svm
Andreichsb писал(а): 23 апр 2022, 20:36
Может я конечно мало в этом понимаю (что скорее всего так и есть), тогда прошу разъяснить - где на этих картинках указано, к примеру, на каких пинах меги висит драйвер, предположим оси Z? Потому что я их вдоль и поперек раз сто уже до этого пересмотрел но так и не нашел.
ЗЫ третья ссылка не открывается
RAMPS1.4schematic.png (1312 просмотров) <a class='original' href='./download/file.php?id=203047&mode=view' target=_blank>Загрузить оригинал (444.19 КБ)</a>
RAMPS1.png (1312 просмотров) <a class='original' href='./download/file.php?id=203048&mode=view' target=_blank>Загрузить оригинал (45.68 КБ)</a>
РАМПСl.jpg (1312 просмотров) <a class='original' href='./download/file.php?id=203049&mode=view' target=_blank>Загрузить оригинал (909.51 КБ)</a>
Так лучше? Вроде все ясно. Правда, я просто бегло в гугле поискал и особо не вникал в Ваши проблемы.