Какое устройство использовать и возможно ли воплотить схему в жизнь?

Контроллеры, драйверы, датчики, управляющие устройства.
Аватара пользователя
Doktordrew
Кандидат
Сообщения: 97
Зарегистрирован: 15 фев 2017, 21:16
Репутация: 12
Настоящее имя: Андрей Геннадьевич
Откуда: Челябинск
Контактная информация:

Какое устройство использовать и возможно ли воплотить схему в жизнь?

Сообщение Doktordrew »

Всем доброго здравия!
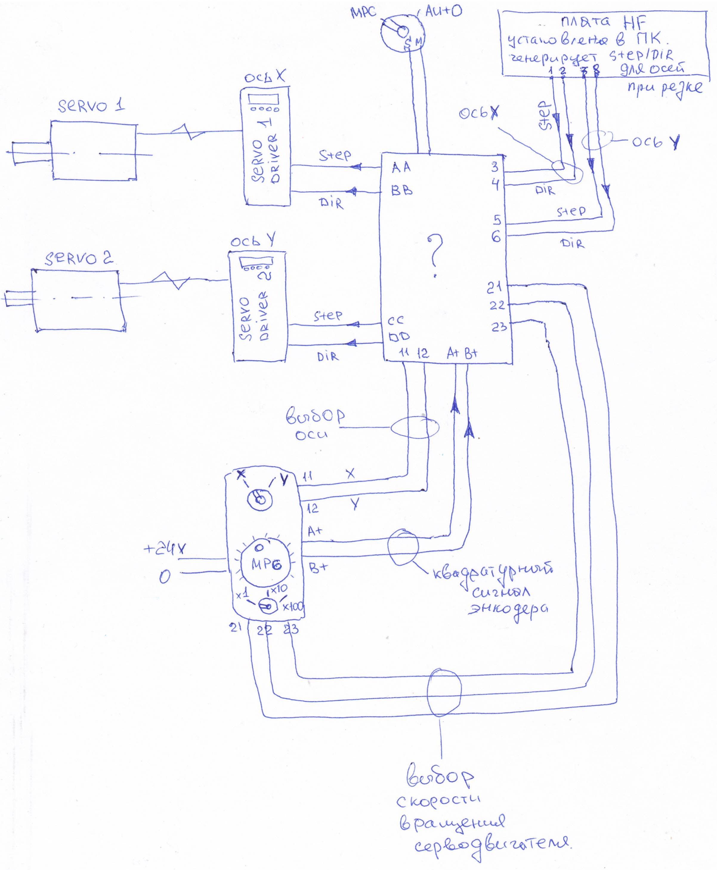
Есть задумка сделать на электроэрозионном станке серии DK вместо перемещений ручных (с помощью штурвалов) - с штурвала пульта MPG (я так понимаю - это энкодер), то есть уйти от штурвалов ручных вообще.
Есть вот такие мысли:

Имеем плату управления станком. Зовется она HF. На станке, а точнее на компе станка установлена одноименная программа. Там всякие штуки для резки на станке и т.д. Плата выдает сигналы для управления или ШД или сервоприводами по step/dir.
В идеале хотелось бы получить:
При включенном переключателе в положении (например -1) - передаются сигналы с платы HF на серводрайвер и тот в свою очередь управляет мотором.
При включенном переключателе в положении (например - 2) - передаются сигналы с энкодера пульта (штурвала) на драйвер и с него на мотор (перемещение осей с пульта в ручном режиме). При этом пульт должен работать только в том случае, если нет сигналов с платы HF.
Итак, вопрос - как это осуществить? В сторону какого устройства смотреть?
Исправлено (1310 просмотров) <a class='original' href='./download/file.php?id=201952&mode=view' target=_blank>Загрузить оригинал (479.8 КБ)</a>
Исправлено
Пояснение к ТЗ (1310 просмотров) <a class='original' href='./download/file.php?id=201953&mode=view' target=_blank>Загрузить оригинал (542.1 КБ)</a>
Пояснение к ТЗ
Добавил в JPEG, чтобы было удобнее просматривать без скачиваний.
Последний раз редактировалось Doktordrew 25 фев 2022, 09:34, всего редактировалось 2 раза.
alex_sar
Мастер
Сообщения: 1863
Зарегистрирован: 28 авг 2018, 17:13
Репутация: 315
Настоящее имя: Алексей
Контактная информация:

Re: Какое устройство использовать и возможно ли воплотить схему в жизнь?

Сообщение alex_sar »

если серводрайвер подключен по step-dir, то можно обойтись переключателем и обычным штурвалом. только переключатель будет ещё и направление переключать. это если без электроники совсем.

с электроникой можно такое на любой ардуине сделать. чтобы сигнал штурвала mpg переводил в step-dir. простейшая вещь.
Doktordrew писал(а): При этом пульт должен работать только в том случае, если нет сигналов с платы HF.
правильнее всё же поставить переключатель. чтобы получить однозначную работу. но можно и так запрограммировать...
Аватара пользователя
Doktordrew
Кандидат
Сообщения: 97
Зарегистрирован: 15 фев 2017, 21:16
Репутация: 12
Настоящее имя: Андрей Геннадьевич
Откуда: Челябинск
Контактная информация:

Re: Какое устройство использовать и возможно ли воплотить схему в жизнь?

Сообщение Doktordrew »

alex_sar писал(а): правильнее всё же поставить переключатель. чтобы получить однозначную работу. но можно и так запрограммировать...
Имелось ввиду: при переключении тумблера, что-то на подобии контролера определял "поступает сигнал от платы HF или нет" и исходя из этого уже передавал (или не передавал) сигналы с штурвала. Своеобразное отключение штурвала при активном процессе резки.
Аватара пользователя
Doktordrew
Кандидат
Сообщения: 97
Зарегистрирован: 15 фев 2017, 21:16
Репутация: 12
Настоящее имя: Андрей Геннадьевич
Откуда: Челябинск
Контактная информация:

Re: Какое устройство использовать и возможно ли воплотить схему в жизнь?

Сообщение Doktordrew »

alex_sar писал(а): чтобы сигнал штурвала mpg переводил в step-dir. простейшая вещь.
А если потребуется переключатель на пульте, как это обычно сделано: х1, х10, х100? Возможно такое сделать?
Мне интересны любые варианты, начиная с простейших схем, которые, возможно смогу собрать даже я, и до готовых решений, чтобы можно было установить в шкаф управления подключить, запрограмировать через комп и работать.
alex_sar
Мастер
Сообщения: 1863
Зарегистрирован: 28 авг 2018, 17:13
Репутация: 315
Настоящее имя: Алексей
Контактная информация:

Re: Какое устройство использовать и возможно ли воплотить схему в жизнь?

Сообщение alex_sar »

Doktordrew писал(а): А если потребуется переключатель на пульте, как это обычно сделано: х1, х10, х100? Возможно такое сделать?
Да можно конечно. Ничего сложного там. Ардуинщику какому-нибудь задачу поставить - день/два работы на всё.

Отключение крутилки можно по таймеру сделать. если минуту не было импульсов, то крутилка отрабатывает, если были - не отрабатывает.

ну а со входа платы всегда пропускает как есть.

возможно есть такие готовые решения. стоит поискать на али по словам
mpg step dir
Аватара пользователя
Doktordrew
Кандидат
Сообщения: 97
Зарегистрирован: 15 фев 2017, 21:16
Репутация: 12
Настоящее имя: Андрей Геннадьевич
Откуда: Челябинск
Контактная информация:

Re: Какое устройство использовать и возможно ли воплотить схему в жизнь?

Сообщение Doktordrew »

alex_sar писал(а): А если потребуется переключатель на пульте, как это обычно сделано: х1, х10, х100? Возможно такое сделать?
Да можно конечно. Ничего сложного там.
А как это все строится, на основе чего? Как увеличить скорость привода в 10 и 100 раз, грубо говоря?
alex_sar
Мастер
Сообщения: 1863
Зарегистрирован: 28 авг 2018, 17:13
Репутация: 315
Настоящее имя: Алексей
Контактная информация:

Re: Какое устройство использовать и возможно ли воплотить схему в жизнь?

Сообщение alex_sar »

достаточно одной ардуины.
программно всё делается.

почитайте что такое step/dir - там всё элементарно.
mpg - тоже элементарно (это обычный энкодер)

вот программой на один входящий импульс от mpg генерировать 10/100 на выход

но с нуля всё это осваивать конечно не 5 минут и не день.
Kost_irk
Мастер
Сообщения: 1000
Зарегистрирован: 19 июл 2018, 07:46
Репутация: 194
Откуда: Иркутск
Контактная информация:

Re: Какое устройство использовать и возможно ли воплотить схему в жизнь?

Сообщение Kost_irk »

alex_sar писал(а): вот программой на один входящий импульс от mpg генерировать 10/100 на выход
В тупую не получится, на 10/100 надо уже разгон-торможение делать.
ТС, а там в этой вашей HF нету какого-нибудь цивилизованного способа подключения mpg, чтобы не лепить городки?
alex_sar
Мастер
Сообщения: 1863
Зарегистрирован: 28 авг 2018, 17:13
Репутация: 315
Настоящее имя: Алексей
Контактная информация:

Re: Какое устройство использовать и возможно ли воплотить схему в жизнь?

Сообщение alex_sar »

Kost_irk писал(а): 24 фев 2022, 22:27
alex_sar писал(а): вот программой на один входящий импульс от mpg генерировать 10/100 на выход
В тупую не получится, на 10/100 надо уже разгон-торможение делать.
желательно, да. но если деление мелкое может и так прокатит.
Аватара пользователя
Doktordrew
Кандидат
Сообщения: 97
Зарегистрирован: 15 фев 2017, 21:16
Репутация: 12
Настоящее имя: Андрей Геннадьевич
Откуда: Челябинск
Контактная информация:

Re: Какое устройство использовать и возможно ли воплотить схему в жизнь?

Сообщение Doktordrew »

Kost_irk писал(а): а там в этой вашей HF нету какого-нибудь цивилизованного способа подключения mpg, чтобы не лепить городки?
К сожалению, нет. Эта плата управления вообще не предусматривает управление генератором импульсов с выносного пульта (да и не с выносного тоже). На всех станках с этими платами предусмотрено только ручное (механически крутить штурвал на конце швп каждой оси стола) перемещение, либо переезд на заданное расстояние по одной из осей (поочерёдно).
Аватара пользователя
Doktordrew
Кандидат
Сообщения: 97
Зарегистрирован: 15 фев 2017, 21:16
Репутация: 12
Настоящее имя: Андрей Геннадьевич
Откуда: Челябинск
Контактная информация:

Re: Какое устройство использовать и возможно ли воплотить схему в жизнь?

Сообщение Doktordrew »

Kost_irk писал(а): В тупую не получится, на 10/100 надо уже разгон-торможение делать.
А без этого 10/100 часть настроек станка в процессе работы будет крайне не удобна.
Kost_irk
Мастер
Сообщения: 1000
Зарегистрирован: 19 июл 2018, 07:46
Репутация: 194
Откуда: Иркутск
Контактная информация:

Re: Какое устройство использовать и возможно ли воплотить схему в жизнь?

Сообщение Kost_irk »

Doktordrew писал(а): (механически крутить штурвал на конце швп каждой оси стола)
А как реализованы ограничения хода при этом? Получается, что плата не знает, где она находится, и в процессе резки может просто упереться?
Аватара пользователя
Doktordrew
Кандидат
Сообщения: 97
Зарегистрирован: 15 фев 2017, 21:16
Репутация: 12
Настоящее имя: Андрей Геннадьевич
Откуда: Челябинск
Контактная информация:

Re: Какое устройство использовать и возможно ли воплотить схему в жизнь?

Сообщение Doktordrew »

Kost_irk писал(а): А как реализованы ограничения хода при этом?
Вообще, изначально, все станки, которые приходили из Китая на этой стойке не имели ни концевиков, ни датчиков home. Ни физически ни программно это не заложено. У на всех станках стоят шаговые двигатели. Мы их переводим на сервы.
И да, когда неправильно поставишь деталь, промажешь с запасом движения стола - станок упирается каретками в упоры и просто пропускает шаги (портит деталь)) 😁
Аватара пользователя
Doktordrew
Кандидат
Сообщения: 97
Зарегистрирован: 15 фев 2017, 21:16
Репутация: 12
Настоящее имя: Андрей Геннадьевич
Откуда: Челябинск
Контактная информация:

Re: Какое устройство использовать и возможно ли воплотить схему в жизнь?

Сообщение Doktordrew »

Kost_irk писал(а): В тупую не получится, на 10/100 надо уже разгон-торможение делать.
А эту задачу насколько сложно реализовать?
kfmut
Мастер
Сообщения: 1249
Зарегистрирован: 30 янв 2021, 21:34
Репутация: 147
Настоящее имя: Максим
Откуда: г.Тверь
Контактная информация:

Re: Какое устройство использовать и возможно ли воплотить схему в жизнь?

Сообщение kfmut »

Doktordrew писал(а): А эту задачу насколько сложно реализовать?
Вам по старым ускорению/скорости придётся делать экстраполяцию на следующие 99 точек(т.е. 99% всего движения), и это скорее всего не линейная экстраполяция будет...ну или думать за комбинированный вариант, на х10 - импульсы идут как есть, на х1 - импульсы исключаем, на х100 - добавляем...или для начала простой вариант без маховика, на кнопках, с небольшим выбегом оси после отпускания кнопки движения.
Аватара пользователя
Doktordrew
Кандидат
Сообщения: 97
Зарегистрирован: 15 фев 2017, 21:16
Репутация: 12
Настоящее имя: Андрей Геннадьевич
Откуда: Челябинск
Контактная информация:

Re: Какое устройство использовать и возможно ли воплотить схему в жизнь?

Сообщение Doktordrew »

kfmut писал(а): с небольшим выбегом оси после отпускания кнопки движения.
С небольшим выбегом - не желательно, так как при юстировке проволоки на искру - подвод нужен медленный.
Аватара пользователя
Doktordrew
Кандидат
Сообщения: 97
Зарегистрирован: 15 фев 2017, 21:16
Репутация: 12
Настоящее имя: Андрей Геннадьевич
Откуда: Челябинск
Контактная информация:

Re: Какое устройство использовать и возможно ли воплотить схему в жизнь?

Сообщение Doktordrew »

Смотрели индийский станок под брендом Knuth Smart DEM. Там штурвалов ручных на швп нет, но с пульта управляется следующим образом: есть кнопки (расположены крестом) Х+; Х-; У+; У-. А в центре кнопка Higt. Так вот, нажимаем кратковременно (меньше 1 сек) кнопку, например, Х+ - стол переместился на 1 мкм, соответственно 2 сек, 3сек и т.д., но максимальная скорость при этом ограничена в настройках станка. Если нажать кнопку в центре, то все те же самые нажатия превращаются в ускоренное движение по осям. Задумка интересная, но все это, как мне кажется реализовано не на одной простенькой микросхемке(
В марте привезем такой аппарат в качестве донора - постараюсь показать что там и к чему.
А пока будем дальше думать - как это все реализовывать.
Kost_irk
Мастер
Сообщения: 1000
Зарегистрирован: 19 июл 2018, 07:46
Репутация: 194
Откуда: Иркутск
Контактная информация:

Re: Какое устройство использовать и возможно ли воплотить схему в жизнь?

Сообщение Kost_irk »

Понятно, в общем геморрой. Я бы смотрел какой-нибудь готовый фрезерный пульт управления с удобным интерфейсом или может какой недорогой контроллер с интерфейсом степ-дир и подключал бы его параллельно этой вашей плате. Мне кажется, будет проще и надежней, чем ардуинить что-то.
Аватара пользователя
Doktordrew
Кандидат
Сообщения: 97
Зарегистрирован: 15 фев 2017, 21:16
Репутация: 12
Настоящее имя: Андрей Геннадьевич
Откуда: Челябинск
Контактная информация:

Re: Какое устройство использовать и возможно ли воплотить схему в жизнь?

Сообщение Doktordrew »

Kost_irk писал(а): Я бы смотрел какой-нибудь готовый фрезерный пульт управления с удобным интерфейсом или может какой недорогой контроллер с интерфейсом степ-дир и подключал
Рассматриваю как вариант.
Может у кого на существующих PLC и доп платах будут какие идеи со временем. Параллельно задал вопрос знакомым с ЭталонПрибор, но не факт, что помогут - немного другое направление работы у них.
Аватара пользователя
Doktordrew
Кандидат
Сообщения: 97
Зарегистрирован: 15 фев 2017, 21:16
Репутация: 12
Настоящее имя: Андрей Геннадьевич
Откуда: Челябинск
Контактная информация:

Re: Какое устройство использовать и возможно ли воплотить схему в жизнь?

Сообщение Doktordrew »

Попалось на глаза вот такое творение китайской руки: https://aliexpress.ru/item/100500203305 ... 99b7l1rH2R
Кто что думает? Возможно выполнить бОльшую часть задач?
Ответить

Вернуться в «Электроника»