Выбор станка для обработки алюминия и печатных плат
-
AlexBW
- Новичок
- Сообщения: 16
- Зарегистрирован: 28 июн 2013, 14:02
- Репутация: 0
- Контактная информация:
Выбор станка для обработки алюминия и печатных плат
Доброго всем дня!
Есть у меня проект, который хотелось бы реализовать. По нему, кроме всего прочего, требуется изготовление приводов и электроники. Ранее вариант домашнего станка не рассматривал, но случайно найдя в сети информацию по ним заинтересовался, т.к. ИМХО это сильно облегчило бы реализацию изготовлением именно требуемых деталей, а не только тем что есть под рукой.
Наиболее очевидные задачи видятся мне так:
1) раскрой листового материала (оргстекло, алюминий);
2) изготовление корпусов, кронштейнов, и др. элементов крепления (алюминий);
3) зубчатые передачи (что-то вроде http://www.youtube.com/watch?v=1rckGCN1 ... ByApKH-MJc, но раза в 1,5-2 меньше по размеру) (алюминий);
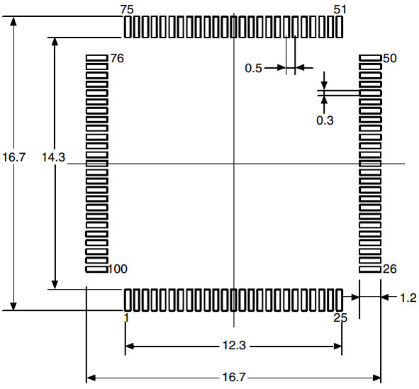
4) печатные платы для корпусов вроде LQFP100 (размеры во вложении).
Прочитал много инфы, но конкретики маловато, в том числе не могу определиться с конкретным станком. Как первый выбор, заинтересовал такой
http://www.ebay.com/itm/4axis-four-axis ... 4abfa769e4
В связи с этим есть вопросы. Возможно ли все это изготовить на станке такого уровня? Какие могут быть сложности? Подойдет ли вышеприведенный станок и есть ли что-то более подходящее? Бюджет на станок примерно 50.000 р.
Есть у меня проект, который хотелось бы реализовать. По нему, кроме всего прочего, требуется изготовление приводов и электроники. Ранее вариант домашнего станка не рассматривал, но случайно найдя в сети информацию по ним заинтересовался, т.к. ИМХО это сильно облегчило бы реализацию изготовлением именно требуемых деталей, а не только тем что есть под рукой.
Наиболее очевидные задачи видятся мне так:
1) раскрой листового материала (оргстекло, алюминий);
2) изготовление корпусов, кронштейнов, и др. элементов крепления (алюминий);
3) зубчатые передачи (что-то вроде http://www.youtube.com/watch?v=1rckGCN1 ... ByApKH-MJc, но раза в 1,5-2 меньше по размеру) (алюминий);
4) печатные платы для корпусов вроде LQFP100 (размеры во вложении).
Прочитал много инфы, но конкретики маловато, в том числе не могу определиться с конкретным станком. Как первый выбор, заинтересовал такой
http://www.ebay.com/itm/4axis-four-axis ... 4abfa769e4
В связи с этим есть вопросы. Возможно ли все это изготовить на станке такого уровня? Какие могут быть сложности? Подойдет ли вышеприведенный станок и есть ли что-то более подходящее? Бюджет на станок примерно 50.000 р.
-
plotik
- Мастер
- Сообщения: 428
- Зарегистрирован: 10 май 2012, 15:30
- Репутация: 33
- Настоящее имя: Евгений
- Откуда: Rostov-on-Don
- Контактная информация:
Re: Выбор станка для обработки алюминия и печатных плат
печатные платы --нет.
"Ты не дрыгайся! Показывай свою гравицаппу. Если фирменная вещь — возьмём!"
"А этот паца́к все время говорит на языках, продолжения которых не знает!"
"А этот паца́к все время говорит на языках, продолжения которых не знает!"
-
AlexBW
- Новичок
- Сообщения: 16
- Зарегистрирован: 28 июн 2013, 14:02
- Репутация: 0
- Контактная информация:
Re: Выбор станка для обработки алюминия и печатных плат
Если можно, поконкретнее про причину, просто хочется знать куда копать и стоит ли вообще.
-
plotik
- Мастер
- Сообщения: 428
- Зарегистрирован: 10 май 2012, 15:30
- Репутация: 33
- Настоящее имя: Евгений
- Откуда: Rostov-on-Don
- Контактная информация:
Re: Выбор станка для обработки алюминия и печатных плат
Причина--тонкая фреза--(расстояние между дорожками)
текстолит очень твёрдый материал--ломается и при маленькой подаче--- очень долго
Только резист(в любых формах) для домашнего изготовления
Если массово--то только завод
Если времени много--экспериментируйте.
текстолит очень твёрдый материал--ломается и при маленькой подаче--- очень долго
Только резист(в любых формах) для домашнего изготовления
Если массово--то только завод
Если времени много--экспериментируйте.
"Ты не дрыгайся! Показывай свою гравицаппу. Если фирменная вещь — возьмём!"
"А этот паца́к все время говорит на языках, продолжения которых не знает!"
"А этот паца́к все время говорит на языках, продолжения которых не знает!"
-
yell
- Опытный
- Сообщения: 183
- Зарегистрирован: 28 июн 2013, 14:27
- Репутация: 22
- Контактная информация:
Re: Выбор станка для обработки алюминия и печатных плат
я думаю речь идет о фрезеровании медного слоя. вроде как это стандартная операция? разрешаюую способность, которую можно достигнуть при фрезировании не знаю, но не понимаю почему человеку отвечают "НЕТ"
про хрупкость текстолита при фрезеровании не знаю. но сделать большое кол-во отверстий по-контуру, который нужно получить, а потом сломать как шоколадную плитку - это тоже вроде как стандартная технология.
про хрупкость текстолита при фрезеровании не знаю. но сделать большое кол-во отверстий по-контуру, который нужно получить, а потом сломать как шоколадную плитку - это тоже вроде как стандартная технология.
-
AlexBW
- Новичок
- Сообщения: 16
- Зарегистрирован: 28 июн 2013, 14:02
- Репутация: 0
- Контактная информация:
Re: Выбор станка для обработки алюминия и печатных плат
Т.е. идею фрезерования подобных ПП можно похоронить?
Просто видел
http://www.youtube.com/watch?v=-05_2TBV-qI
http://www.youtube.com/watch?v=tDkmtq26Hi0
и стало интересно.
Фоторезист это конечно верно.
Просто видел
http://www.youtube.com/watch?v=-05_2TBV-qI
http://www.youtube.com/watch?v=tDkmtq26Hi0
и стало интересно.
Фоторезист это конечно верно.
-
yell
- Опытный
- Сообщения: 183
- Зарегистрирован: 28 июн 2013, 14:27
- Репутация: 22
- Контактная информация:
Re: Выбор станка для обработки алюминия и печатных плат
вообще в описании по вашей ссылки даже написано (жирным выделил ключевые слова):
Куда серьезней являются ваши требованияк изготовлению корпусов, кронштейнов и зубчатых передач. А так же раскрой листового алюминия (смотря о какой толщине идет речь).
P.S. Подождите более авторитетного мнения с позитивным мышлением
Не надо ничего хоронить. Я хоть ни одного станка не создал еще (тоже сейчас озадачен этим вопросом). Но уж точно уверен что фрезеровка медного слоя печатной платы это очень простая задача.It can work with various materials, such as:
wood, pmma or other plastic, MDF board, native wood, PVC, Acrylic, wood, composite board plywood. and soft metal .like aluminum, copper and silver. etc.
it can used for engraving:
advertising signs, PCB, nameplates, badges, seals, bronzing plate, aluminum alloy, acrylic plates, ABS resin double color plate, PVC foaming board, indentation plates, signs, construction models, instrument panels, wooden products, etc.
Куда серьезней являются ваши требованияк изготовлению корпусов, кронштейнов и зубчатых передач. А так же раскрой листового алюминия (смотря о какой толщине идет речь).
P.S. Подождите более авторитетного мнения с позитивным мышлением
- Serg
- Мастер
- Сообщения: 21923
- Зарегистрирован: 17 апр 2012, 14:58
- Репутация: 5183
- Заслуга: c781c134843e0c1a3de9
- Настоящее имя: Сергей
- Откуда: Москва
- Контактная информация:
Re: Выбор станка для обработки алюминия и печатных плат
Этот станок превышает ваш бюджет минимум в 1.5 раза.AlexBW писал(а):Прочитал много инфы, но конкретики маловато, в том числе не могу определиться с конкретным станком. Как первый выбор, заинтересовал такой
http://www.ebay.com/itm/4axis-four-axis ... 4abfa769e4
В связи с этим есть вопросы. Возможно ли все это изготовить на станке такого уровня? Какие могут быть сложности? Подойдет ли вышеприведенный станок и есть ли что-то более подходящее? Бюджет на станок примерно 50.000 р.
Я не Христос, рыбу не раздаю, но могу научить, как сделать удочку...
- Сергей Саныч
- Мастер
- Сообщения: 9116
- Зарегистрирован: 30 май 2012, 14:20
- Репутация: 2858
- Откуда: Тюмень
- Контактная информация:
Re: Выбор станка для обработки алюминия и печатных плат
Да фрезерует народ платы, в том числе для корпусов с шагом 0,5мм. Ничего невозможного. Только долго. Вот, например
Чудес не бывает. Бывают фокусы.
- michael-yurov
- Почётный участник

- Сообщения: 11730
- Зарегистрирован: 26 июл 2012, 00:10
- Репутация: 4703
- Настоящее имя: Михаил Львович
- Откуда: Новоуральск
- Контактная информация:
Re: Выбор станка для обработки алюминия и печатных плат
И шпиндель у меня явно не подходящий для этого - нужен маленький и быстрый. Для таких плат 20 000 об/мин - крайне мало.Serg-tmn писал(а):Да фрезерует народ платы, в том числе для корпусов с шагом 0,5мм. Ничего невозможного. Только долго. Вот, например
А для алюминия - наоборот нужен большой тяжелый и медленный шпиндель.
-
evgenyjp
- Почётный участник

- Сообщения: 1516
- Зарегистрирован: 10 авг 2011, 17:40
- Репутация: 802
- Откуда: Japan
- Контактная информация:
Re: Выбор станка для обработки алюминия и печатных плат
у меня такой станок, если коротоко то для обработки цветных металлов(алюминий) не годится, для всего остального вполне, и медяхи на платах гравировать можно, но полноценно и качественно обрабатыавть алюминий, етот станок не может.
сам сейчас строю на замену, другой станок, на нормальных профильных рельсах, нормальных швп, низким порталом,жесткой балкой и прочимими плюшками, специально для ВСО алюминия...
сам сейчас строю на замену, другой станок, на нормальных профильных рельсах, нормальных швп, низким порталом,жесткой балкой и прочимими плюшками, специально для ВСО алюминия...
-
AlexBW
- Новичок
- Сообщения: 16
- Зарегистрирован: 28 июн 2013, 14:02
- Репутация: 0
- Контактная информация:
Re: Выбор станка для обработки алюминия и печатных плат
Благодарю всех за такое количество ответов.
UAVpilot, бюджет станок не превышает, у меня есть варианты доставки.
michael-yurov, т.е. иными словами, для выполнения всех работ, перечисленных мной, нужны 2 станка с 2 разными шпинделями. Я правильно понял? По поводу скорости я в курсе, но т.к. мои требования несколько ниже принятых в промышленности, то и интересует больше практическая сторона вопроса, например "у меня такой-то станок, фрезеровал корпуса и ПП, вот фото..." Собственно и интересно что можно посоветовать под мои требования, а от чего возможно и отказаться.
evgenyjp, не поясните что такое полноценно и качественно. Самое сложное из моего списка это зубчатые передачи. Точность исполнения мне нужна вполне обычная, т.е. без явного брака при удовлетворительной, шероховатости.
Почему алюминий не может?
Пока так и остается открытым возможность сделать ПП с tqfp? По алюминию тоже не все ясно, хотя в сети вроде бы есть достаточно видео с обработкой. Есть ли еще варианты аналогичных станков, которые отвечают приведенным требованиям и возможно ли их вообще удовлетворить с таким бюджетом?
UAVpilot, бюджет станок не превышает, у меня есть варианты доставки.
michael-yurov, т.е. иными словами, для выполнения всех работ, перечисленных мной, нужны 2 станка с 2 разными шпинделями. Я правильно понял? По поводу скорости я в курсе, но т.к. мои требования несколько ниже принятых в промышленности, то и интересует больше практическая сторона вопроса, например "у меня такой-то станок, фрезеровал корпуса и ПП, вот фото..." Собственно и интересно что можно посоветовать под мои требования, а от чего возможно и отказаться.
evgenyjp, не поясните что такое полноценно и качественно. Самое сложное из моего списка это зубчатые передачи. Точность исполнения мне нужна вполне обычная, т.е. без явного брака при удовлетворительной, шероховатости.
Почему алюминий не может?
Пока так и остается открытым возможность сделать ПП с tqfp? По алюминию тоже не все ясно, хотя в сети вроде бы есть достаточно видео с обработкой. Есть ли еще варианты аналогичных станков, которые отвечают приведенным требованиям и возможно ли их вообще удовлетворить с таким бюджетом?
-
evgenyjp
- Почётный участник

- Сообщения: 1516
- Зарегистрирован: 10 авг 2011, 17:40
- Репутация: 802
- Откуда: Japan
- Контактная информация:
Re: Выбор станка для обработки алюминия и печатных плат
Потомучто етот станок принципиально не жесткий, на алюминии будет дробить.AlexBW писал(а):
evgenyjp, не поясните что такое полноценно и качественно. Самое сложное из моего списка это зубчатые передачи. Точность исполнения мне нужна вполне обычная, т.е. без явного брака при удовлетворительной, шероховатости.
Почему алюминий не может?
Нет конечно можно снимать на невысоких скоростях по 0.5мм за проход но разве это дело?
К тому же со временем подшипники на круглых направляющих изнашиваются(у меня износились за 50часов работы) и все оси начинают люфтить, а в такой ситуации даже при небольшом сьеме будут проблемы.
-
yell
- Опытный
- Сообщения: 183
- Зарегистрирован: 28 июн 2013, 14:27
- Репутация: 22
- Контактная информация:
Re: Выбор станка для обработки алюминия и печатных плат
какие направляющие тогда лучше использовать?
- michael-yurov
- Почётный участник

- Сообщения: 11730
- Зарегистрирован: 26 июл 2012, 00:10
- Репутация: 4703
- Настоящее имя: Михаил Львович
- Откуда: Новоуральск
- Контактная информация:
Re: Выбор станка для обработки алюминия и печатных плат
Ну, не то чтобы прямо обязательно, просто - было бы хорошо. Но можно купить обычный китайский шпиндель на 24 000 об/мин, и не торопясь обрабатывать и то и другое.AlexBW писал(а):michael-yurov, т.е. иными словами, для выполнения всех работ, перечисленных мной, нужны 2 станка с 2 разными шпинделями. Я правильно понял?
AlexBW писал(а):Пока так и остается открытым возможность сделать ПП с tqfp?
Так Serg-tmn ведь дал ссылку - вот это мой станок, вот фотоAlexBW писал(а):"у меня такой-то станок, фрезеровал корпуса и ПП, вот фото..."
Я предполагаю, что для такой обработки важно, чтобы станок не вибрировал при движении на маленьких скоростях, иначе кончик гравера быстро отломится.
Фрезеровать, хоть и реально, но я собираюсь заказать изготовление небольшой партии плат в специализированной фирме.
-
evgenyjp
- Почётный участник

- Сообщения: 1516
- Зарегистрирован: 10 авг 2011, 17:40
- Репутация: 802
- Откуда: Japan
- Контактная информация:
Re: Выбор станка для обработки алюминия и печатных плат
Качественный профильный рельс (не китайский), я использую ТНК, но корейский SBC тоже годныйyell писал(а):какие направляющие тогда лучше использовать?
-
AlexBW
- Новичок
- Сообщения: 16
- Зарегистрирован: 28 июн 2013, 14:02
- Репутация: 0
- Контактная информация:
Re: Выбор станка для обработки алюминия и печатных плат
Получается что алюминий обрабатывать не получится даже медленно из-за малого ресурса станка. ПП вообще проблематично, хоть и рассматриваю как дополнительную возможность. Т.е. станок рассчитан максимум по дереву и в моем случае эта затея - выброшенные деньги? Есть ли еще варианты при таком бюджете?
-
yell
- Опытный
- Сообщения: 183
- Зарегистрирован: 28 июн 2013, 14:27
- Репутация: 22
- Контактная информация:
Re: Выбор станка для обработки алюминия и печатных плат
Вот станок - http://www.purelogic.ru/shop/stanki_cpu ... hpu_plra4/
А вот как он обрабатывает алюминий - http://www.youtube.com/watch?v=OhtJrlpy-Kk
А вот как он обрабатывает алюминий - http://www.youtube.com/watch?v=OhtJrlpy-Kk
-
evgenyjp
- Почётный участник

- Сообщения: 1516
- Зарегистрирован: 10 авг 2011, 17:40
- Репутация: 802
- Откуда: Japan
- Контактная информация:
Re: Выбор станка для обработки алюминия и печатных плат
Это не обработка, это баловство.yell писал(а):Вот станок - http://www.purelogic.ru/shop/stanki_cpu ... hpu_plra4/
А вот как он обрабатывает алюминий - http://www.youtube.com/watch?v=OhtJrlpy-Kk
Вот обработка алюминия:
https://www.youtube.com/watch?v=EKQ_0WIV7ME
-
AlexBW
- Новичок
- Сообщения: 16
- Зарегистрирован: 28 июн 2013, 14:02
- Репутация: 0
- Контактная информация:
Re: Выбор станка для обработки алюминия и печатных плат
yell, спасибо за ссылки. В чем принципиальное отличие по сравнению с китайцем я не заметил, в отличии от цены и размеров рабочей зоны. Полагаю что отличие в качестве компонентов из которых он собран, но жесткость от этого кардинально выше не станет.
Вопрос в том, что либо надо полностью отказываться от ПП (что в общем ожидаемо), либо покупать, как тут сказали, шпиндель на более 20000мин-1 (который в общем-то по ссылке и приведен), при этом неизвестно получатся ли ПП с LQFP, и как быстро будет вырабатываться ресурс станка при обработке алюминия.
Может не достаточно точно выразился ранее. Станок нужен сугубо для личных дел, причем не часто и без ограничений на время обработки. Если на деталь будет уходить условно по часу, то мне все равно. Важна сама возможность проведения вышеописанных работ в относительно разумные сроки и с более менее нормальным качеством (чтобы работало).
ЗЫ evgenyjp, в относительной доступности есть Willemin 528 и Roders 600 и 300. По сравнению с ними и то и это как бы все одинаково.
Вопрос в том, что либо надо полностью отказываться от ПП (что в общем ожидаемо), либо покупать, как тут сказали, шпиндель на более 20000мин-1 (который в общем-то по ссылке и приведен), при этом неизвестно получатся ли ПП с LQFP, и как быстро будет вырабатываться ресурс станка при обработке алюминия.
Может не достаточно точно выразился ранее. Станок нужен сугубо для личных дел, причем не часто и без ограничений на время обработки. Если на деталь будет уходить условно по часу, то мне все равно. Важна сама возможность проведения вышеописанных работ в относительно разумные сроки и с более менее нормальным качеством (чтобы работало).
ЗЫ evgenyjp, в относительной доступности есть Willemin 528 и Roders 600 и 300. По сравнению с ними и то и это как бы все одинаково.