Преобразование ШИМ ---> +-10в

Контроллеры, драйверы, датчики, управляющие устройства.
aftaev
Зачётный участник
Зачётный участник
Сообщения: 34042
Зарегистрирован: 04 апр 2010, 19:22
Репутация: 6194
Откуда: Казахстан.
Контактная информация:

Преобразование ШИМ ---> +-10в

Сообщение aftaev »

Есть серва Яскава SGDH которая понимает аналоговое управление +-10в

Если правильно понимаю то так:
0 = серва стоит
+10в = серва крутиться на максимальных оборотах 3000 об/мин по часовой
-10в = серва крутиться на максимальных оборотах 3000 об/мин против часовой

Скорее всего в серве есть в настройках масштабируемость.

Задача:
Нужно управлять этой сервой от Ардуины которая умеет выдавать ШИМ 0-255 в TTL уровнях тобишь 5в.
3000 об/мин мне не к чему достаточно и 300 об/мин если не меньше, потому +-5в или +- 2,5в мне вполне должно хватить.

НужЁн схемка для этого преобразования. Очень не хочется городить 2х полярное питание.
Может можно как то использовать 2 канала ШИМ Ардуины :thinking:

Как преобразовывается ШИМ в +-10в в МЕСА? Там какое питание на плату идет?
Дилетанту сложные вещи кажутся очень простыми, и только профессионал понимает насколько сложна самая простая вещь
Кто хочет - ищет возможности, кто не хочет - ищет оправдание.
Найди работу по душе и тебе не придется работать.
aftaev
Зачётный участник
Зачётный участник
Сообщения: 34042
Зарегистрирован: 04 апр 2010, 19:22
Репутация: 6194
Откуда: Казахстан.
Контактная информация:

Re: Преобразование ШИМ - +-10в

Сообщение aftaev »

Забыл дописать. Штука будет поддерживать дугу по напряжению, потому как бы нужно ехать медленно или чуть быстрее. Шибко точно скорость поддерживать не нужно.

Надо посмотреть как в Япсе сделано :)
Дилетанту сложные вещи кажутся очень простыми, и только профессионал понимает насколько сложна самая простая вещь
Кто хочет - ищет возможности, кто не хочет - ищет оправдание.
Найди работу по душе и тебе не придется работать.
Аватара пользователя
Serg
Мастер
Сообщения: 21923
Зарегистрирован: 17 апр 2012, 14:58
Репутация: 5183
Заслуга: c781c134843e0c1a3de9
Настоящее имя: Сергей
Откуда: Москва
Контактная информация:

Re: Преобразование ШИМ ---> +-10в

Сообщение Serg »

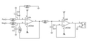
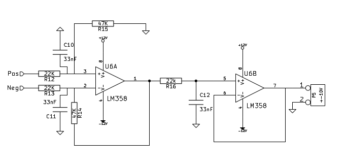
Вот так например:
PWMto+-10V.png (4145 просмотров) <a class='original' href='./download/file.php?id=14925&mode=view' target=_blank>Загрузить оригинал (13.42 КБ)</a>
!!! питание операционников двуполярное !!!
Я не Христос, рыбу не раздаю, но могу научить, как сделать удочку...
Аватара пользователя
ukr-sasha
Мастер
Сообщения: 3401
Зарегистрирован: 21 мар 2011, 07:47
Репутация: 2181
Настоящее имя: Украинец Александр Григорьевич
Откуда: Киев, Украина
Контактная информация:

Re: Преобразование ШИМ ---> +-10в

Сообщение ukr-sasha »

Так это схема с Яппса и есть. :-)
Аватара пользователя
aegis
Мастер
Сообщения: 3171
Зарегистрирован: 22 мар 2012, 06:59
Репутация: 1810
Настоящее имя: Михайло
Откуда: Україна, Конотоп=>Запоріжжя=>Харьків

Re: Преобразование ШИМ ---> +-10в

Сообщение aegis »

ну так и используйте рабочую часть схемы. есть даже видио у меня что там творится на этих пинах https://www.youtube.com/watch?v=U92yasKf-ZA
нікому нічого не нав'язую.
romanru1
Мастер
Сообщения: 584
Зарегистрирован: 22 фев 2013, 22:31
Репутация: 177
Откуда: Первоуральск
Контактная информация:

Re: Преобразование ШИМ ---> +-10в

Сообщение romanru1 »

aftaev писал(а):Нужно управлять этой сервой от Ардуины которая умеет выдавать ШИМ 0-255 в TTL уровнях тобишь 5в.3000 об/мин мне не к чему достаточно и 300 об/мин если не меньше, потому +-5в или +- 2,5в мне вполне должно хватить.НужЁн схемка для этого преобразования. Очень не хочется городить 2х полярное питание.
Незнаю как у якавы но на панасониках есть параметр OFFSET VOLTAGE IN SPEED CONTROL MODE ( -127 +127 ) , если есть такойже то можно попробывать установить 2,5 v и поменять значение туда сюда , если будет реверс тогда все реально и с 0-5v.
— Мы месяц по Галактике «маму» попоём — и планета у нас в кармане.
Аватара пользователя
Serg
Мастер
Сообщения: 21923
Зарегистрирован: 17 апр 2012, 14:58
Репутация: 5183
Заслуга: c781c134843e0c1a3de9
Настоящее имя: Сергей
Откуда: Москва
Контактная информация:

Re: Преобразование ШИМ ---> +-10в

Сообщение Serg »

В яскавах для этого есть два параметра: один задаёт мёртвую зону в вольтах от 0 до X, а второй количество об/мин на 1 вольт.
Т.е. для 3000 об/мин можно задать зону в 0.5V и 1500 rpm/V. Но отрицательная полярность вроде всё равно нужна. Или вроде есть вариант менять полярность отдельным входом, не помню.
Но смысла нет в таких ухищрениях: малое управляющее напряжение - больше влияние помех на него. А операционники и мелкие DC-DC преобразователи стоят копейки.
Я не Христос, рыбу не раздаю, но могу научить, как сделать удочку...
Impartial
Мастер
Сообщения: 953
Зарегистрирован: 23 фев 2011, 01:50
Репутация: 36
Контактная информация:

Re: Преобразование ШИМ ---> +-10в

Сообщение Impartial »

aftaev писал(а):Нужно управлять этой сервой от Ардуины которая умеет выдавать ШИМ 0-255 в TTL уровнях тобишь 5в.
3000 об/мин мне не к чему достаточно и 300 об/мин если не меньше, потому +-5в или +- 2,5в мне вполне должно хватить.
Диапазона 0-255 для управления мало. Нужно хотя бы 1024, а лучше 4096.
Если не хочется связываться с двуполярным питанием, то нужно собрать две приведенные выше схемы от япса и выход взять с обеих выходов, соответственно подав один шим на инвертирующий первого вход дифференциального усилителя, а второй на неинвертирующий второго.
Шимов в любом случае нужно два ( в схеме япса).
При использовании одного шима нужно переписывать прошивку япса и менять схемотехнику дифф. усилителей/фильтров.
Проще использовать ЦАП в STM32. В этом случае можно вообще обойтись без усилителей( в случае, если достаточно +-2.5в, и при использовании ПИД замкнутого через япс).
При этом управление и привод должны быть гальванически развязаны.
aftaev
Зачётный участник
Зачётный участник
Сообщения: 34042
Зарегистрирован: 04 апр 2010, 19:22
Репутация: 6194
Откуда: Казахстан.
Контактная информация:

Re: Преобразование ШИМ ---> +-10в

Сообщение aftaev »

Impartial писал(а):Диапазона 0-255 для управления мало. Нужно хотя бы 1024, а лучше 4096.
Пару скоростей хватит :) Ехать нужно вниз до срабатывания датчика, потом подыматься плавно по программе до верхнего датчика. Или чуть шустрее если авария.

Все эти танцы были из-за того что платы Япса тормозились, сегодня получил. Буду на Япсе собирать и управлять по степ/диру :)
Дилетанту сложные вещи кажутся очень простыми, и только профессионал понимает насколько сложна самая простая вещь
Кто хочет - ищет возможности, кто не хочет - ищет оправдание.
Найди работу по душе и тебе не придется работать.
Alextven
Новичок
Сообщения: 35
Зарегистрирован: 20 май 2013, 01:15
Репутация: 0
Контактная информация:

Re: Преобразование ШИМ ---> +-10в

Сообщение Alextven »

Вот есть проверенная схемка, и очень простая. Человек использует для управления шпинделя по +- 10и для .
Проверенная мной в папке "Способ1". Там в вордовской папке более обширная инфа по комплекту, присутствуют номиналы, тип корпуса, код интернет магазина "farnel", номер пдф из папки PDF.
Печатка в Sprint Layout, схема в sPlan7.0
Вложения
конвертер шим-аналог.rar
(4.32 МБ) 919 скачиваний
Аватара пользователя
vovafed
Мастер
Сообщения: 1822
Зарегистрирован: 08 фев 2013, 16:19
Репутация: 325
Настоящее имя: Владимир
Откуда: башкортостан
Контактная информация:

Re: Преобразование ШИМ ---> +-10в

Сообщение vovafed »

кто может подсказать можно ли эти схемки использовать для модуляции со2 лазера
завести выход на блок питания там вродибы от 0до5 вольт регулировка идет
Гагарин
Опытный
Сообщения: 142
Зарегистрирован: 18 июн 2015, 17:25
Репутация: 13
Настоящее имя: Юрий
Контактная информация:

Re: Преобразование ШИМ ---> +-10в

Сообщение Гагарин »

UAVpilot писал(а):Вот так например:
PWMto+-10V.png
!!! питание операционников двуполярное !!!
Отличная схема. Двуполярное питание взял от блока питания ПК. Буду управлять БТУ3601. Немного подредактировал под свои условия.
1) добавил последовательно r14 подстроечник на 5кОм, чтоб подстроить коэффициент усиления.
2) увеличил емкость конденсаторов до 1мкФ, чтоб лучше сглаживалось при меньшей частоте ШИМ.
Ответить

Вернуться в «Электроника»