Здравствуйте! Имеем самодельный лазерный гравер на GRBL, по оси Y два ШД, подключены отдельно к своему контроллеру A4988, задействована ось А в cnc shield, установлены перемычки объединения сигналов. В один прекрасный момент ОСЬ А начала очень сильно замедлятся через 2-3 минуты(именно замедление, без пропуска шагов, без остановки двигателя) после запуска задачи, итог: перекос портала, заготовка испорчена. Проблема именно по электрике, т.к. проблема есть и при снятых ремнях. Попробовал менять драйвера местами, заменить проводку, заменить сам двигатель, заменить прошивку, блок питания - все бесполезно. В чем может быть проблема?
И как на время можно запаралелить двигатели, которые имеют разное направление (остальное идентично, кроме длины проводов), желательно схему бы.. Хотя бы текущий заказ закончить..
Глюки GRBL с осью А
- Rom327
- Почётный участник

- Сообщения: 2989
- Зарегистрирован: 03 апр 2015, 13:23
- Репутация: 437
- Настоящее имя: Роман
- Откуда: Подольск
- Контактная информация:
Re: Глюки GRBL с осью А
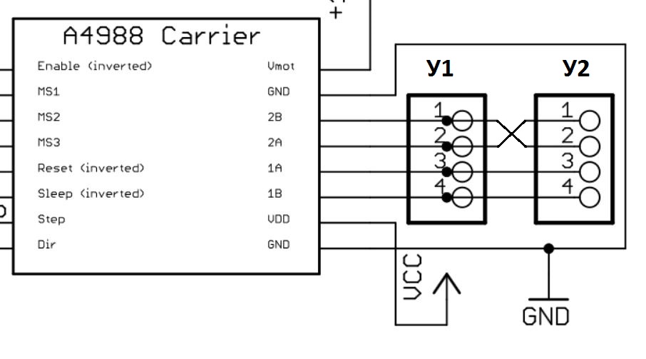
Сажаешь двигатели в параллель, на одном меняешь провода одной обмотки местами... Зачем использовать ось А? Подключи сигналы dir/step оси У к двум драйверам оси У.
Это сугубо мое мнение, могу и ошибаться...
https://vk.com/rom327
GRBL настройки: http://blogandbux.blogspot.com/2018/07/ ... revod.html
G коды: http://3d-stanki.ru/spravochnik/program ... stankov-2/
https://vk.com/rom327
GRBL настройки: http://blogandbux.blogspot.com/2018/07/ ... revod.html
G коды: http://3d-stanki.ru/spravochnik/program ... stankov-2/
-
ainur101
- Новичок
- Сообщения: 4
- Зарегистрирован: 02 фев 2019, 15:19
- Репутация: 2
- Настоящее имя: Айнур
- Контактная информация:
Re: Глюки GRBL с осью А
Спасибо! Дело было на самом деле в микрошаге, оказалось то, что на проблемной стороне двигатель работает как положено, а ускоряется двигатель второй стороны т.к. отваливался контакт и ведущий драйвер переходил в 1/8 шага, а ведомый оставался в режиме 1/16 шага.