Помогите опознать модель станка
-
mike_asu
- Новичок
- Сообщения: 1
- Зарегистрирован: 07 май 2013, 14:02
- Репутация: 0
- Контактная информация:
Помогите опознать модель станка
Уважаемые форумчане! Имел неосторожность приобрести станок, как впоследствии оказалось без пульта, совершенно необходимо узнать какая это модель и производитель, заранее благодарен...
- Nick
- Мастер
- Сообщения: 22776
- Зарегистрирован: 23 ноя 2009, 16:45
- Репутация: 1735
- Заслуга: Developer
- Откуда: Gatchina, Saint-Petersburg distr., Russia
- Контактная информация:
Re: Помогите опознать модель станка
Даже если найдешь название модели - оно тебе скорее всего не поможет.
Сфоткай двигатели, и электрошкаф... Может там все не так уж и сложно.
Сфоткай двигатели, и электрошкаф... Может там все не так уж и сложно.
- michael-yurov
- Почётный участник

- Сообщения: 11730
- Зарегистрирован: 26 июл 2012, 00:10
- Репутация: 4703
- Настоящее имя: Михаил Львович
- Откуда: Новоуральск
- Контактная информация:
Re: Помогите опознать модель станка
Зачем?mike_asu писал(а):совершенно необходимо узнать
-
mike_asu1
- Новичок
- Сообщения: 3
- Зарегистрирован: 09 май 2013, 15:06
- Репутация: 0
- Контактная информация:
Re: Помогите опознать модель станка

Уважаемые! Имеется в наличии компьютер с вышеприложенной карточкой, который ранее работал со станком, но нет соединительного шнура, подскажите пожалуйста распиновку или где такое можно найти, заранее спасибо...
- michael-yurov
- Почётный участник

- Сообщения: 11730
- Зарегистрирован: 26 июл 2012, 00:10
- Репутация: 4703
- Настоящее имя: Михаил Львович
- Откуда: Новоуральск
- Контактная информация:
Re: Помогите опознать модель станка
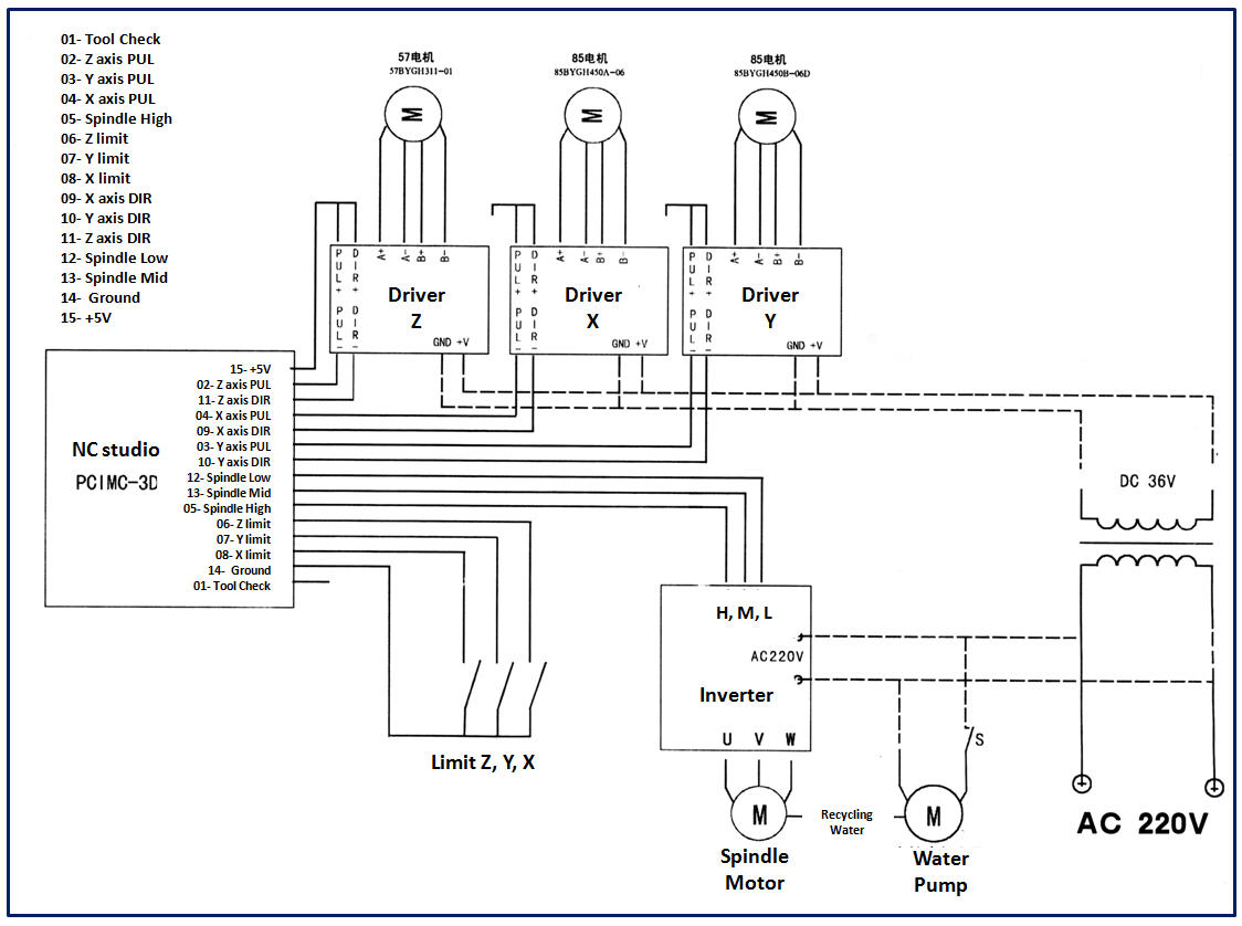
Есть вот такая схемка:
Вполне возможно, что номера пинов совпадут.
В любом случае их там столько же и можно просто подключив по очереди светодиоды посмотреть, где что как будет меняться, и методом исключения составить полную картину.
Хотя, нет! Обманываю!
У меня на работе у станка подключен такой провод с интерфейсной платкой.
В принципе - мог бы прозвонить и переписать номера.
Только на работу ехать не хочется.
В любом случае их там столько же и можно просто подключив по очереди светодиоды посмотреть, где что как будет меняться, и методом исключения составить полную картину.
Хотя, нет! Обманываю!
У меня на работе у станка подключен такой провод с интерфейсной платкой.
В принципе - мог бы прозвонить и переписать номера.
Только на работу ехать не хочется.
-
mike_asu1
- Новичок
- Сообщения: 3
- Зарегистрирован: 09 май 2013, 15:06
- Репутация: 0
- Контактная информация:
Re: Помогите опознать модель станка
Благодарю! То есть это схема распиновки свободного разьема на фотографии ниже?






- michael-yurov
- Почётный участник

- Сообщения: 11730
- Зарегистрирован: 26 июл 2012, 00:10
- Репутация: 4703
- Настоящее имя: Михаил Львович
- Откуда: Новоуральск
- Контактная информация:
Re: Помогите опознать модель станка
Так у вас все есть!mike_asu1 писал(а):Благодарю! То есть это схема распиновки свободного разьема на фотографии ниже?
Это схема подключения к маленькой плаке, которая по другую сторону разъема, что на фотке.
Вам просто кабель нужно сделать 1 к 1
-
mike_asu1
- Новичок
- Сообщения: 3
- Зарегистрирован: 09 май 2013, 15:06
- Репутация: 0
- Контактная информация:
Re: Помогите опознать модель станка
Благодарю за помощь!
