Ищу кто отфрезерует д16т

Запрос и предложение услуг по обработке, проектированию, моделированию и т.д.
Правила форума
Разрешается публиковать предложения по предоставлению услуг как физическим лицам так и коммерческим организациям, при соблюдении следующих условий:
1. должны присутствовать характеристики предлагаемых услуг, возможности оборудования
2. должна присутствовать стоимость услуги
3. должно присутствовать описание способов оплаты, доставки и места расположения (город)
4. один продавец - одна тема

Фотографии товаров приветствуются (фотографии должны быть вложениями к сообщениям).

Возможно размещение ссылки на свой сайт, с описанием товара, при обязательном соблюдении пунктов 1-3.

Администрация форума может удалить тему или сообщения из данного раздела на свое усмотрение, без объяснения причин!
SeReGa Sh
Мастер
Сообщения: 264
Зарегистрирован: 31 янв 2017, 23:17
Репутация: 5
Настоящее имя: Сергей
Откуда: Нижний Новгород
Контактная информация:

Ищу кто отфрезерует д16т

Сообщение SeReGa Sh »

Здравствуйте.
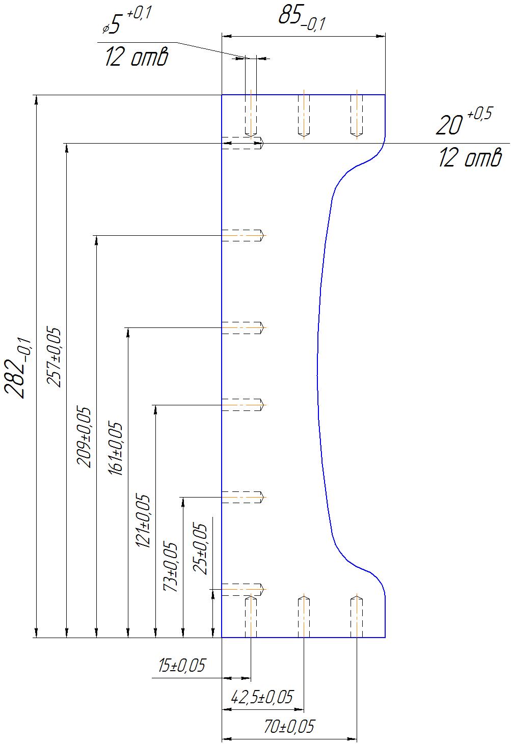
Необходимо отфрезеровать пару деталей из д16т, толщиной 22мм, а так же просверлить в них отверстия.
Изображение для понимания того, что нужно сделать.
Материал мой ( но могу рассмотреть вариант из материала исполнителя).
Территориально нахожусь в Нижегородской обл., но проблем нет с пересылкой.
Несколько требований к точности изготовления:
Верхняя и нижняя грань должны быть перпендикулярны плоскости.
Ну и соответственно угол в 90 градусов между длинной и короткими сторонами должен быть соблюден.

От исполнителя хотелось бы услышать стоимость и сроки изготовления.
Вложения
чертеж ребра.jpg (3021 просмотр) <a class='original' href='./download/file.php?id=183941&mode=view' target=_blank>Загрузить оригинал (89.59 КБ)</a>
Аватара пользователя
azbukived
Опытный
Сообщения: 172
Зарегистрирован: 13 окт 2012, 17:08
Репутация: 5
Контактная информация:

Re: Ищу кто отфрезерует д16т

Сообщение azbukived »

Позвоните:89116771805
SeReGa Sh
Мастер
Сообщения: 264
Зарегистрирован: 31 янв 2017, 23:17
Репутация: 5
Настоящее имя: Сергей
Откуда: Нижний Новгород
Контактная информация:

Re: Ищу кто отфрезерует д16т

Сообщение SeReGa Sh »

Хм...предложений не густо, а те что были, по крайне завышенным ценам. Если есть какие то сложности в изготовлении столь простых деталей, подскажите в чем они заключаются.
Аватара пользователя
Umnik
Мастер
Сообщения: 2563
Зарегистрирован: 20 июл 2014, 19:32
Репутация: 2153
Настоящее имя: Георгий
Откуда: Калуга
Контактная информация:

Re: Ищу кто отфрезерует д16т

Сообщение Umnik »

Вы озвучте свое видение цены
А там может и исполнители подтянутся....
SVP
Мастер
Сообщения: 6140
Зарегистрирован: 19 дек 2012, 15:49
Репутация: 884
Откуда: Москва
Контактная информация:

Re: Ищу кто отфрезерует д16т

Сообщение SVP »

SeReGa Sh писал(а):Хм...предложений не густо, а те что были, по крайне завышенным ценам. Если есть какие то сложности в изготовлении столь простых деталей, подскажите в чем они заключаются.
Сложностей никаких. Берешь и делаешь. Получается бесплатно.
Если исполнитель толпою не бежит, а бежит нетолпою, то цены у него априори заниженные.
Завышенные, это когда и в дверь лезут и в окно с требованием выбрать именно их.

Для изготовления нарисованных торцевых дырок очевидно совсем не каждый станок подойдет...
Аватара пользователя
Gestap
Мастер
Сообщения: 978
Зарегистрирован: 21 май 2017, 21:18
Репутация: 1089
Настоящее имя: Александр
Контактная информация:

Re: Ищу кто отфрезерует д16т

Сообщение Gestap »

Мне кажеться пять соток как-то круто очень для болтовых соединений, поэтому и цены гнут
Пилим, точим, шьем, продаём комплектующие к станкам
https://www.instagram.com/dtw.moscow/
dtw.moscow@gmail.com
Наша группа в телеге https://t.me/asiogroup
SeReGa Sh
Мастер
Сообщения: 264
Зарегистрирован: 31 янв 2017, 23:17
Репутация: 5
Настоящее имя: Сергей
Откуда: Нижний Новгород
Контактная информация:

Re: Ищу кто отфрезерует д16т

Сообщение SeReGa Sh »

SVP писал(а):
SeReGa Sh писал(а):Хм...предложений не густо, а те что были, по крайне завышенным ценам. Если есть какие то сложности в изготовлении столь простых деталей, подскажите в чем они заключаются.
Сложностей никаких. Берешь и делаешь. Получается бесплатно.
Если исполнитель толпою не бежит, а бежит нетолпою, то цены у него априори заниженные.
Завышенные, это когда и в дверь лезут и в окно с требованием выбрать именно их.

Для изготовления нарисованных торцевых дырок очевидно совсем не каждый станок подойдет...
Да сам то сделал бы, только вот времени на это ну совсем никак нет.
Так были б вопросы по отверстиям, обсудил бы, но никто не спрашивает)
Аватара пользователя
Umnik
Мастер
Сообщения: 2563
Зарегистрирован: 20 июл 2014, 19:32
Репутация: 2153
Настоящее имя: Георгий
Откуда: Калуга
Контактная информация:

Re: Ищу кто отфрезерует д16т

Сообщение Umnik »

Моя цена где-то 4 рубля за пару без двусторонней обработки, и 5 соток меняем на десятку...
Если надо с двух сторон плоскости пылить, то 5 рублей.
Материал ваш, у меня Д16Т нет такой толщины.
Могу предложить 1561 или 6061.
SeReGa Sh
Мастер
Сообщения: 264
Зарегистрирован: 31 янв 2017, 23:17
Репутация: 5
Настоящее имя: Сергей
Откуда: Нижний Новгород
Контактная информация:

Re: Ищу кто отфрезерует д16т

Сообщение SeReGa Sh »

Umnik писал(а):Моя цена где-то 4 рубля за пару без двусторонней обработки, и 5 соток меняем на десятку...
Если надо с двух сторон плоскости пылить, то 5 рублей.
Материал ваш, у меня Д16Т нет такой толщины.
Могу предложить 1561 или 6061.

Минимальная цена за пару деталей была 3200 рублей, с отверстиями.
( из моего материала).
Аватара пользователя
Umnik
Мастер
Сообщения: 2563
Зарегистрирован: 20 июл 2014, 19:32
Репутация: 2153
Настоящее имя: Георгий
Откуда: Калуга
Контактная информация:

Re: Ищу кто отфрезерует д16т

Сообщение Umnik »

SeReGa Sh писал(а):Минимальная цена за пару деталей была 3200 рублей, с отверстиями.
( из моего материала).
ну, и?...
Вы сочли, что это дорого?
SeReGa Sh
Мастер
Сообщения: 264
Зарегистрирован: 31 янв 2017, 23:17
Репутация: 5
Настоящее имя: Сергей
Откуда: Нижний Новгород
Контактная информация:

Re: Ищу кто отфрезерует д16т

Сообщение SeReGa Sh »

Umnik писал(а):
SeReGa Sh писал(а):Минимальная цена за пару деталей была 3200 рублей, с отверстиями.
( из моего материала).
ну, и?...
Вы сочли, что это дорого?
Честно говоря, я не знал цены на обработку, по этому показалось дороговато. Сейчас осмыслив все предложения и причины, по которым цены могут предлагать высокие, я пересмотрел свое мнение на ценообразование.
SeReGa Sh
Мастер
Сообщения: 264
Зарегистрирован: 31 янв 2017, 23:17
Репутация: 5
Настоящее имя: Сергей
Откуда: Нижний Новгород
Контактная информация:

Re: Ищу кто отфрезерует д16т

Сообщение SeReGa Sh »

Спасибо всем откликнувшимся, пильнул сам...

Тему можно закрыть.
Вложения
_20200801_175840.JPG (2617 просмотров) <a class='original' href='./download/file.php?id=184538&mode=view' target=_blank>Загрузить оригинал (1.34 МБ)</a>
Аватара пользователя
sima8520
Почётный участник
Почётный участник
Сообщения: 4509
Зарегистрирован: 24 ноя 2016, 23:35
Репутация: 1617
Настоящее имя: Илья
Откуда: Беларусь, Гомель
Контактная информация:

Re: Ищу кто отфрезерует д16т

Сообщение sima8520 »

а фрезу зачем втыркнули в правую деталь....
очень надеюсь что тут хотя бы +-0,2 мм было по точности, глядя на углы деталей
SeReGa Sh
Мастер
Сообщения: 264
Зарегистрирован: 31 янв 2017, 23:17
Репутация: 5
Настоящее имя: Сергей
Откуда: Нижний Новгород
Контактная информация:

Re: Ищу кто отфрезерует д16т

Сообщение SeReGa Sh »

Так получилось) и это было центровочное сверло, а не фреза.

А что не так с углами? По точности где то 0.05 получилось.
nik1
Мастер
Сообщения: 8408
Зарегистрирован: 02 окт 2012, 07:37
Репутация: 3629
Откуда: Красногорск
Контактная информация:

Re: Ищу кто отфрезерует д16т

Сообщение nik1 »

Отверстия в торцах на длинных сторонах тоже попал в плюс минус 5 соток?
Аватара пользователя
sima8520
Почётный участник
Почётный участник
Сообщения: 4509
Зарегистрирован: 24 ноя 2016, 23:35
Репутация: 1617
Настоящее имя: Илья
Откуда: Беларусь, Гомель
Контактная информация:

Re: Ищу кто отфрезерует д16т

Сообщение sima8520 »

SeReGa Sh писал(а):А что не так с углами?
будто напильником их драли
SeReGa Sh
Мастер
Сообщения: 264
Зарегистрирован: 31 янв 2017, 23:17
Репутация: 5
Настоящее имя: Сергей
Откуда: Нижний Новгород
Контактная информация:

Re: Ищу кто отфрезерует д16т

Сообщение SeReGa Sh »

nik1 писал(а):Отверстия в торцах на длинных сторонах тоже попал в плюс минус 5 соток?
Отверстия ещё не делал, только по контуру фрезернул.
Аватара пользователя
sima8520
Почётный участник
Почётный участник
Сообщения: 4509
Зарегистрирован: 24 ноя 2016, 23:35
Репутация: 1617
Настоящее имя: Илья
Откуда: Беларусь, Гомель
Контактная информация:

Re: Ищу кто отфрезерует д16т

Сообщение sima8520 »

nik1 писал(а):Отверстия в торцах на длинных сторонах тоже попал в плюс минус 5 соток?
SeReGa Sh писал(а):По точности где то 0.05 получилось.
а где то нет :hehehe:
SeReGa Sh
Мастер
Сообщения: 264
Зарегистрирован: 31 янв 2017, 23:17
Репутация: 5
Настоящее имя: Сергей
Откуда: Нижний Новгород
Контактная информация:

Re: Ищу кто отфрезерует д16т

Сообщение SeReGa Sh »

sima8520 писал(а):
nik1 писал(а):Отверстия в торцах на длинных сторонах тоже попал в плюс минус 5 соток?
SeReGa Sh писал(а):По точности где то 0.05 получилось.
а где то нет :hehehe:
Инструмента не было подходящего фаски пройти на станке, по этому и проходил напильником.

По отверстиям уже сказал, их ещё не делал.
nik1
Мастер
Сообщения: 8408
Зарегистрирован: 02 окт 2012, 07:37
Репутация: 3629
Откуда: Красногорск
Контактная информация:

Re: Ищу кто отфрезерует д16т

Сообщение nik1 »

Как по мне, на этих деталях торцевые отверстия самый гимор по времени
Если конечно станок с большим ходом по зет или с вырезом в столе под деталь, то тогда не долго
Ответить

Вернуться в «Услуги»