Требуется штамп

Запрос и предложение услуг по обработке, проектированию, моделированию и т.д.
Правила форума
Разрешается публиковать предложения по предоставлению услуг как физическим лицам так и коммерческим организациям, при соблюдении следующих условий:
1. должны присутствовать характеристики предлагаемых услуг, возможности оборудования
2. должна присутствовать стоимость услуги
3. должно присутствовать описание способов оплаты, доставки и места расположения (город)
4. один продавец - одна тема

Фотографии товаров приветствуются (фотографии должны быть вложениями к сообщениям).

Возможно размещение ссылки на свой сайт, с описанием товара, при обязательном соблюдении пунктов 1-3.

Администрация форума может удалить тему или сообщения из данного раздела на свое усмотрение, без объяснения причин!
aztt
Новичок
Сообщения: 10
Зарегистрирован: 18 май 2020, 20:44
Репутация: 0
Настоящее имя: Назиф
Контактная информация:

Требуется штамп

Сообщение aztt »

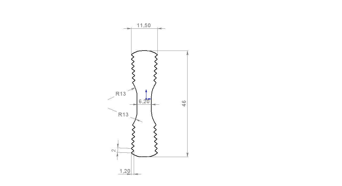
Доброго времени суток! Требуется изготовить гибочный штамп, деталь из 304 нержавейки 0.3 мм. образец детали есть.
Вложения
Нужно из этой детали получить фото ниже (2069 просмотров) <a class='original' href='./download/file.php?id=181711&mode=view' target=_blank>Загрузить оригинал (44.13 КБ)</a>
Нужно из этой детали получить фото ниже
Уголок2.JPG (2069 просмотров) <a class='original' href='./download/file.php?id=181712&mode=view' target=_blank>Загрузить оригинал (1.15 МБ)</a>

Вернуться в «Услуги»