Изготовить пару шестерня-колесо(2 комплекта)

Запрос и предложение услуг по обработке, проектированию, моделированию и т.д.
Правила форума
Разрешается публиковать предложения по предоставлению услуг как физическим лицам так и коммерческим организациям, при соблюдении следующих условий:
1. должны присутствовать характеристики предлагаемых услуг, возможности оборудования
2. должна присутствовать стоимость услуги
3. должно присутствовать описание способов оплаты, доставки и места расположения (город)
4. один продавец - одна тема

Фотографии товаров приветствуются (фотографии должны быть вложениями к сообщениям).

Возможно размещение ссылки на свой сайт, с описанием товара, при обязательном соблюдении пунктов 1-3.

Администрация форума может удалить тему или сообщения из данного раздела на свое усмотрение, без объяснения причин!
Аватара пользователя
andrew75
Опытный
Сообщения: 154
Зарегистрирован: 03 сен 2014, 00:45
Репутация: 107
Откуда: Пенза
Контактная информация:

Изготовить пару шестерня-колесо(2 комплекта)

Сообщение andrew75 »

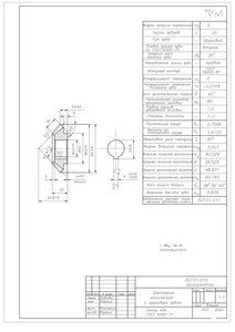
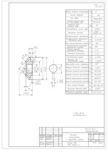
Нужно изготовить пару шестерня-колесо ,всего 2 комплекта.
Ориентировочный бюджет за комплект - 20т.р.
Чертежи прикрепил.
Предложения присылайте в ЛС или же на почту cj.ng@rambler.ru
Вложения
колесо1.jpg (1952 просмотра) <a class='original' href='./download/file.php?id=177436&mode=view' target=_blank>Загрузить оригинал (1.26 МБ)</a>
шестерня.jpg (1952 просмотра) <a class='original' href='./download/file.php?id=177437&mode=view' target=_blank>Загрузить оригинал (1.26 МБ)</a>
Mihaill
Мастер
Сообщения: 238
Зарегистрирован: 02 июн 2014, 12:06
Репутация: 68
Откуда: Ярославль
Контактная информация:

Re: Изготовить пару шестерня-колесо(2 комплекта)

Сообщение Mihaill »

Возьмусь сделать, бюджет устраивает, могу сделать нитроцементацию - поводок меньше будет из ст16хгн2та, но если желаете 40х то пожалуйста.
Ответить

Вернуться в «Услуги»