DietCNC - "диетический" ЧПУ по дереву 600х400
-
bypass
- Новичок
- Сообщения: 17
- Зарегистрирован: 07 июл 2015, 10:53
- Репутация: 1
- Настоящее имя: Алексей
- Контактная информация:
DietCNC - "диетический" ЧПУ по дереву 600х400
Описание станка, основные характеристики: Станок рассчитан на обработку древесины с рабочими скоростями в р-не 1м/мин при размере рабочего поля 600х400. Предполагается использование для изготовления оснастки и деталей оригинальных музыкальных инструментов из массива (елка, клен и др.).
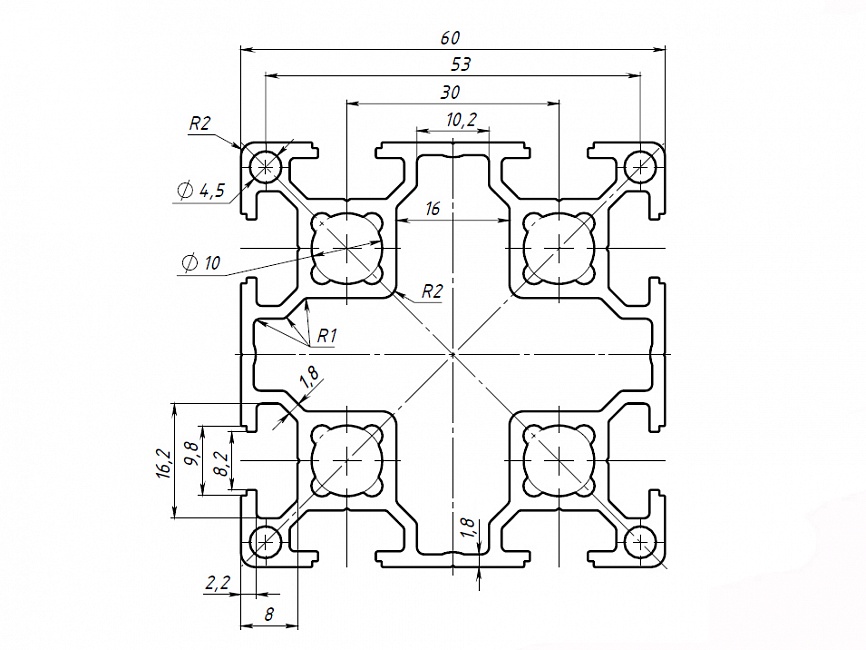
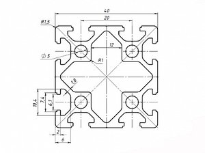
При проектировании смотрел на бомжей и их братьев (авторам спасибо!!!). Конструкция оптимизирована по следующим критериям: минимальный бюджет, минимальные габариты при заданном рабочем поле, ограниченный вес, минимум оригинальных деталей (2D раскрой с одной установки + сверление, все детали из одной пластины Д16Т 16мм), номенклатура покупных компонент сведена к минимуму. Станина и балка портала из конструкционного профиля CЗ 40х40s, сборка на стандартных уголках 2028. Рельсы MGN12, каретки MGN12C, винты трапеция Т8х2, гайки капралон (openbuilds) с компенсацией люфта. Шаговые двигатели 17HS6401 0.7 N/m. Предусмотрена установка разных шпинделей диаметром от 42мм до 65мм. Стол - фанера 16-24 мм, он же жертвенный.
Рабочее поле: 600х400х90мм
Обрабатываемые материалы: массив ёлки, клена, и т.д. 2D, 2.5D фрезами не больше 6мм (обычно 3 и 4мм)
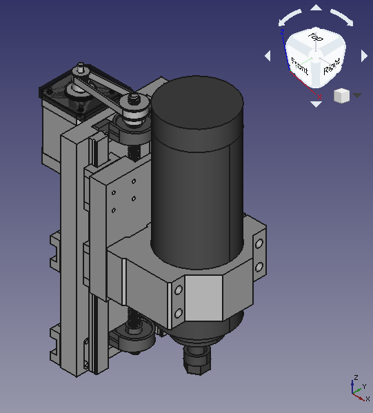
Чертежи, фото, видео станка: На данный момент прикинул компоновку и определился с размерами. Картинки:
Общий вид: Вид сбоку: Вид спереди: Компоновка оси Z (3D): Компоновка оси Z (сбоку): Примеры изделий (фото): пока нет.
Вопросы:
Хорошие рельсы 12го размера стоят дороже 15х. Поэтому рассчитываю на китай. Кто знает каким производителям можно более или менее доверять?
Как поведут себя винты Т8 на длине 700мм при 500-1000 оборотах в мин.?
Не определился со шпинделем. На нынешнем станке использую 12 тыс. оборотов 250W китайский BLDC шпиндель. Фрезой 4мм на скоростях до 500мм/мин по деревяшке хватает, работает очень тихо. У дядюшки Ляо есть аналогичные до 500Вт. Нужны мне 800 Вт и 24 тысячи? Нужно ли заморачиваться с водяным охлаждением (очень не хочется)?
Что пробовал: Пробовал компоновку с использованием 1204 ШВП. Очень сильно раздувает общие габариты, не получается сделать компактной Z. Ну и дорого конечно.
Что получилось: пока ничего
Что не получилось: тоже ничего
Ориентировочный бюджет: планируется < 60000 р. со шпинделем и электрикой по ценам 2020 года.
При проектировании смотрел на бомжей и их братьев (авторам спасибо!!!). Конструкция оптимизирована по следующим критериям: минимальный бюджет, минимальные габариты при заданном рабочем поле, ограниченный вес, минимум оригинальных деталей (2D раскрой с одной установки + сверление, все детали из одной пластины Д16Т 16мм), номенклатура покупных компонент сведена к минимуму. Станина и балка портала из конструкционного профиля CЗ 40х40s, сборка на стандартных уголках 2028. Рельсы MGN12, каретки MGN12C, винты трапеция Т8х2, гайки капралон (openbuilds) с компенсацией люфта. Шаговые двигатели 17HS6401 0.7 N/m. Предусмотрена установка разных шпинделей диаметром от 42мм до 65мм. Стол - фанера 16-24 мм, он же жертвенный.
Рабочее поле: 600х400х90мм
Обрабатываемые материалы: массив ёлки, клена, и т.д. 2D, 2.5D фрезами не больше 6мм (обычно 3 и 4мм)
Чертежи, фото, видео станка: На данный момент прикинул компоновку и определился с размерами. Картинки:
Общий вид: Вид сбоку: Вид спереди: Компоновка оси Z (3D): Компоновка оси Z (сбоку): Примеры изделий (фото): пока нет.
Вопросы:
Хорошие рельсы 12го размера стоят дороже 15х. Поэтому рассчитываю на китай. Кто знает каким производителям можно более или менее доверять?
Как поведут себя винты Т8 на длине 700мм при 500-1000 оборотах в мин.?
Не определился со шпинделем. На нынешнем станке использую 12 тыс. оборотов 250W китайский BLDC шпиндель. Фрезой 4мм на скоростях до 500мм/мин по деревяшке хватает, работает очень тихо. У дядюшки Ляо есть аналогичные до 500Вт. Нужны мне 800 Вт и 24 тысячи? Нужно ли заморачиваться с водяным охлаждением (очень не хочется)?
Что пробовал: Пробовал компоновку с использованием 1204 ШВП. Очень сильно раздувает общие габариты, не получается сделать компактной Z. Ну и дорого конечно.
Что получилось: пока ничего
Что не получилось: тоже ничего
Ориентировочный бюджет: планируется < 60000 р. со шпинделем и электрикой по ценам 2020 года.
- frezeryga
- Почётный участник

- Сообщения: 13713
- Зарегистрирован: 18 авг 2013, 16:08
- Репутация: 5069
- Откуда: Жуковский
- Контактная информация:
Re: DietCNC - "диетический" ЧПУ по дереву 600х400
и много сэкономили? все что сэкономили переплатили на два винта по X
email frezeryga@yandex.ru
instagram https://www.instagram.com/frezeryga
telegram https://t.me/md_cnc_frezeryga https://t.me/frezeryga
instagram https://www.instagram.com/frezeryga
telegram https://t.me/md_cnc_frezeryga https://t.me/frezeryga
- HeavyToshik
- Мастер
- Сообщения: 406
- Зарегистрирован: 04 янв 2020, 11:13
- Репутация: 35
- Настоящее имя: Антон
- Контактная информация:
Re: DietCNC - "диетический" ЧПУ по дереву 600х400
Жидко. На кахон может и распустишь фанеру, но вот гриф с бука будешь долго тереть шкуркой до товарного вида и матмодели. Mgn12 хороши пока неюзаные, дальше хуже, ушатаешь. Тоже хотел на 40х40 собрать от соберизавод самых жирных. В руках покрутил,ногами понаступал, не то. У нас только заборы для роботов с него собирают. Клён не самое мягкое дерево, не говоря о полисандре, дубе. И портал низкий, как дарбуки будешь точить без 4 оси на 200 мм минимум.Дерево тоже жёсткость любит, особенно детали под склейку. Я когда думал о нечто подобном, только на обработку пенопласта расчитывал. Так и назвал проэкт, "пенорезка". Может когда нибудь и реализую, но потом. Шпиндель подбирал 500вт безколлекторный er11, но это уже за 7+ тр выходит. Т8 как расходник будет или гайки к нему. Смотря как часто крутить будешь. В отличии от 3d принтеров, имеем усилие сопротивления движению грызуна( фрезера).
- sima8520
- Почётный участник

- Сообщения: 4510
- Зарегистрирован: 24 ноя 2016, 23:35
- Репутация: 1617
- Настоящее имя: Илья
- Откуда: Беларусь, Гомель
- Контактная информация:
Re: DietCNC - "диетический" ЧПУ по дереву 600х400
Все под замену, иначе деньги на ветер. Рельсы, винты, опоры винтов
- Samodelkin 88
- Мастер
- Сообщения: 1056
- Зарегистрирован: 05 ноя 2017, 22:24
- Репутация: 727
- Настоящее имя: Илья
- Откуда: Курган
- Контактная информация:
Re: DietCNC - "диетический" ЧПУ по дереву 600х400
Для такого поля достаточно одного винта по середине.bypass писал(а):Рабочее поле: 600х400х90мм
- MX_Master
- Мастер
- Сообщения: 7490
- Зарегистрирован: 27 июн 2015, 19:45
- Репутация: 3113
- Настоящее имя: Михаил
- Откуда: Алматы
- Контактная информация:
Re: DietCNC - "диетический" ЧПУ по дереву 600х400
Проект не совсем диетический
жирность порядка 50%
Вот когда там будут SBR12 и стальные профильные трубы, тогда базару нет
Экономить на винтах и их опорах не советую. У таких опор есть очень заметный осевой люфт. В гайке Т8 - тоже.
Вот когда там будут SBR12 и стальные профильные трубы, тогда базару нет
Экономить на винтах и их опорах не советую. У таких опор есть очень заметный осевой люфт. В гайке Т8 - тоже.
-
Питерский
- Мастер
- Сообщения: 703
- Зарегистрирован: 04 апр 2011, 21:02
- Репутация: 131
- Контактная информация:
Re: DietCNC - "диетический" ЧПУ по дереву 600х400
То, что ось Z на ремне - одобряю: компактнее, проще в налаживании и мощный ШД не надо ставить.
Два ходовых винта на оси Х лишнее, поставь один, а направляющие несколько сдвинь к центру, не уменьшая области рабочей зоны. Т.е. "силовые направлющие" пусть будут несколько ближе к ходовому винту, чем места крепления боковых порталов. В итоге динамический контур оси Х (направляющие - ходовой винт) будет более устойчив к возможному его перекашивания при нагрузках.
Лучше конечно ставить ШВП. Из своего опыта скажу - при обычных ШД с моментом 10-14кг на капролоновой гайке тяжело разогнать на скорость 1000мм, обычно надо ставить более мощные ШД. Сейчас у меня стоит ШВП1204, обычные ШД с моментом 10-12кг и скорость получается 1200-1500мм. Он может дать и больше, но я уже сам ограничиваю.
Два ходовых винта на оси Х лишнее, поставь один, а направляющие несколько сдвинь к центру, не уменьшая области рабочей зоны. Т.е. "силовые направлющие" пусть будут несколько ближе к ходовому винту, чем места крепления боковых порталов. В итоге динамический контур оси Х (направляющие - ходовой винт) будет более устойчив к возможному его перекашивания при нагрузках.
Лучше конечно ставить ШВП. Из своего опыта скажу - при обычных ШД с моментом 10-14кг на капролоновой гайке тяжело разогнать на скорость 1000мм, обычно надо ставить более мощные ШД. Сейчас у меня стоит ШВП1204, обычные ШД с моментом 10-12кг и скорость получается 1200-1500мм. Он может дать и больше, но я уже сам ограничиваю.
Последний раз редактировалось Питерский 02 фев 2020, 14:24, всего редактировалось 1 раз.
-
bypass
- Новичок
- Сообщения: 17
- Зарегистрирован: 07 июл 2015, 10:53
- Репутация: 1
- Настоящее имя: Алексей
- Контактная информация:
Re: DietCNC - "диетический" ЧПУ по дереву 600х400
Спасибо всем отвечающим. Попробую изложить свои соображения одним постом.
Первое прозвучавшее замечание - одного винта по Х для такого поля достаточно. С этим даже спорить не буду. Переход на два вызван в первую очередь технологическими ограничениями. Мне негде сделать длинные пластины. В конструкции с двумя винтами стол полностью собран из профиля. Текущее расположение винтов не ограничивает поле обработки (оно ограничено ходом по У) и всего на 30мм уменьшает допустимую ширину заготовки. Сдвинуть боковые пластины портала без уменьшения поля не получится. Следующее соображение в пользу двух винтов - возможность поставить станок на плоскость, что частично нивелирует хлипкость основания из профиля 4040. С одним винтом станина будет висеть в воздухе. Это главное, что меня не устроило в констукции бомжей. И последний аргумент - два винта позволяют немного разгрузить рельсы, что для MGN12 лишним не будет.
Следующее замечание - винты Т8. По осям Z и Y, к сожалению, без вариантов. ШВП не упаковать настолько компактно. Так что тут экономия не по стоимости, а по габаритам. По Х трапеции стоят для универсальности и чтобы не ограничивать сильно ширину заготовки. Очевидно, что и винты и гайки будут расходниками, что при их цене проблемой не является. У меня есть положительный опыт использования Т8 и гайки openbuilds в нагруженной конструкции - такая пара служит как минимум 100+ часов без заметного износа. Сомнение вызывают только длинные винты - никогда не держал в руках больше 400мм. Как их будет колбасить на больших (~1000об/мин) оборотах не ясно.
Выбранный конструктив позволяет сэкономить бюджет в ТРИ раза по сравнению с аналогичным по полю бомжем. По весу получится в ДВА раза меньше. По габаритам выигрыш минимум по 100мм с оси. Можно без проблем поднять, переставить, убрать. Для изготовления достаточно "ножовки и дрели", все покупные компоненты общедоступны. Очевидно, что такая экономия отразиться на характеристиках - жесткость, скорость, надежность в минус. На сколько это вопрос. Если получится обеспечить точность в пару десяток по деревяхе (китайский CNC6040 на ШВП и висячих валах дает хуже), я буду считать что результат положительный.
Первое прозвучавшее замечание - одного винта по Х для такого поля достаточно. С этим даже спорить не буду. Переход на два вызван в первую очередь технологическими ограничениями. Мне негде сделать длинные пластины. В конструкции с двумя винтами стол полностью собран из профиля. Текущее расположение винтов не ограничивает поле обработки (оно ограничено ходом по У) и всего на 30мм уменьшает допустимую ширину заготовки. Сдвинуть боковые пластины портала без уменьшения поля не получится. Следующее соображение в пользу двух винтов - возможность поставить станок на плоскость, что частично нивелирует хлипкость основания из профиля 4040. С одним винтом станина будет висеть в воздухе. Это главное, что меня не устроило в констукции бомжей. И последний аргумент - два винта позволяют немного разгрузить рельсы, что для MGN12 лишним не будет.
Следующее замечание - винты Т8. По осям Z и Y, к сожалению, без вариантов. ШВП не упаковать настолько компактно. Так что тут экономия не по стоимости, а по габаритам. По Х трапеции стоят для универсальности и чтобы не ограничивать сильно ширину заготовки. Очевидно, что и винты и гайки будут расходниками, что при их цене проблемой не является. У меня есть положительный опыт использования Т8 и гайки openbuilds в нагруженной конструкции - такая пара служит как минимум 100+ часов без заметного износа. Сомнение вызывают только длинные винты - никогда не держал в руках больше 400мм. Как их будет колбасить на больших (~1000об/мин) оборотах не ясно.
Выбранный конструктив позволяет сэкономить бюджет в ТРИ раза по сравнению с аналогичным по полю бомжем. По весу получится в ДВА раза меньше. По габаритам выигрыш минимум по 100мм с оси. Можно без проблем поднять, переставить, убрать. Для изготовления достаточно "ножовки и дрели", все покупные компоненты общедоступны. Очевидно, что такая экономия отразиться на характеристиках - жесткость, скорость, надежность в минус. На сколько это вопрос. Если получится обеспечить точность в пару десяток по деревяхе (китайский CNC6040 на ШВП и висячих валах дает хуже), я буду считать что результат положительный.
- HeavyToshik
- Мастер
- Сообщения: 406
- Зарегистрирован: 04 янв 2020, 11:13
- Репутация: 35
- Настоящее имя: Антон
- Контактная информация:
Re: DietCNC - "диетический" ЧПУ по дереву 600х400
Хочешь компактности, рассмотри ременной привод х,у.
-
bypass
- Новичок
- Сообщения: 17
- Зарегистрирован: 07 июл 2015, 10:53
- Репутация: 1
- Настоящее имя: Алексей
- Контактная информация:
Re: DietCNC - "диетический" ЧПУ по дереву 600х400
Тут, пожалуй, не соглашусьMX_Master писал(а):Проект не совсем диетическийжирность порядка 50%
Вот когда там будут SBR12 и стальные профильные трубы, тогда базару нет
Экономить на винтах и их опорах не советую. У таких опор есть очень заметный осевой люфт. В гайке Т8 - тоже.
-
bypass
- Новичок
- Сообщения: 17
- Зарегистрирован: 07 июл 2015, 10:53
- Репутация: 1
- Настоящее имя: Алексей
- Контактная информация:
Re: DietCNC - "диетический" ЧПУ по дереву 600х400
Рассматривал такой вариант. Было бы очень заманчиво убрать моторы Х в станину. Эта сторона основания все равно не рабочая. К сожалению, без существенного усложнения конструкции, я не смог спроектировать ременной привод по Х. По Y сильно не сэкономишь - там все равно кабель канал со стороны мотора. В целом согласен - ременной привод позволит еще больше сократить габариты. Подумаю, может еще удастся скомпоновать без усложнения.HeavyToshik писал(а):Хочешь компактности, рассмотри ременной привод х,у.
- MX_Master
- Мастер
- Сообщения: 7490
- Зарегистрирован: 27 июн 2015, 19:45
- Репутация: 3113
- Настоящее имя: Михаил
- Откуда: Алматы
- Контактная информация:
Re: DietCNC - "диетический" ЧПУ по дереву 600х400
Фрезерованные (из дюрали 16мм) каретки XZ, ноги портала и крепления моторов.. Нет-нет, с калорийностью я не ошибся. Но интересно другое. В качестве основания к этим фрезерованным деталям, идут тонюсенькие профиля 40х40, скрученные между собой за края. Как бы это получше объяснить в контексте темы.. Короче говоря, это всё равно, что на кусок масла толщиной 50мм сверху намазать кусочек хлеба толщиной 10bypass писал(а):Так что жирность на вскидку процентов 10...20, но ни как не 50
А этот опыт, случайно, не из области 3D печати?bypass писал(а):У меня есть положительный опыт использования Т8 и гайки openbuilds в нагруженной конструкции - такая пара служит как минимум 100+ часов без заметного износа. Сомнение вызывают только длинные винты
-
bypass
- Новичок
- Сообщения: 17
- Зарегистрирован: 07 июл 2015, 10:53
- Репутация: 1
- Настоящее имя: Алексей
- Контактная информация:
Re: DietCNC - "диетический" ЧПУ по дереву 600х400
Тут коллега на профиле 6060 собирал станок с полем 1200х800 с аналогично устроенным основанием. Там, конечно, рельсы SBR20 придадут дополнительную жесткость, но и поле в два раза больше. Для сравнения профиль 4040 и 6060:MX_Master писал(а):В качестве основания к этим фрезерованным деталям, идут тонюсенькие профиля 40х40, скрученные между собой за края.
Не думаю что в моей конструкции будет существенная разница от перехода на 6060. Ну а 8080 это уже существенный проигрыш по габаритам.
Трапеция у меня трудится на токарном ЧПУ. Там нагрузки не меньше.
- HeavyToshik
- Мастер
- Сообщения: 406
- Зарегистрирован: 04 янв 2020, 11:13
- Репутация: 35
- Настоящее имя: Антон
- Контактная информация:
Re: DietCNC - "диетический" ЧПУ по дереву 600х400
Вот были мысли. Я их набрасывал. Портал Y mgn12 600mm, X ролики V слот. Привод ремень GT2 10mm полиуретан с металлическим кордом. Ось Z mgn12 300mm, привод Т8 4мм с разрезной гайкой, шпиндель 500вт . Моторы nema23 56mm. Профиль 40х40, 40х80 v слот от соберизавод Стол можно опускать вниз, что бы пенопласт побольше засунуть или 4 ось с большим диаметром пенопластовой детали.
- MX_Master
- Мастер
- Сообщения: 7490
- Зарегистрирован: 27 июн 2015, 19:45
- Репутация: 3113
- Настоящее имя: Михаил
- Откуда: Алматы
- Контактная информация:
Re: DietCNC - "диетический" ЧПУ по дереву 600х400
Трапеция 8мм? Фотки в студиюbypass писал(а):Трапеция у меня трудится на токарном ЧПУ. Там нагрузки не меньше.
-
bypass
- Новичок
- Сообщения: 17
- Зарегистрирован: 07 июл 2015, 10:53
- Репутация: 1
- Настоящее имя: Алексей
- Контактная информация:
Re: DietCNC - "диетический" ЧПУ по дереву 600х400
смотрите: Описание станка есть на этом форуме. Сколько этот винт отработал до меня не знаю (я покупал станок уже сильно бу). Гайку поменял, винт оставил, На моих детальках он потрудился точно больше 100 часов. Автор станка точил на нем большую серию изделий.MX_Master писал(а):Трапеция 8мм? Фотки в студию очень интересно посмотреть
- MX_Master
- Мастер
- Сообщения: 7490
- Зарегистрирован: 27 июн 2015, 19:45
- Репутация: 3113
- Настоящее имя: Михаил
- Откуда: Алматы
- Контактная информация:
Re: DietCNC - "диетический" ЧПУ по дереву 600х400
Отлично. А теперь давайте посмотрим из чего сделана станина токарника. У меня зрение, конечно, не ахти, но сделано явно не из профиля 40х40 
-
bypass
- Новичок
- Сообщения: 17
- Зарегистрирован: 07 июл 2015, 10:53
- Репутация: 1
- Настоящее имя: Алексей
- Контактная информация:
Re: DietCNC - "диетический" ЧПУ по дереву 600х400
Что-то мне это бородатый анекдот напоминает. Учёные наконец-то поняли чего хочет женщина... Но она уже передумалаMX_Master писал(а):Отлично. А теперь давайте посмотрим из чего сделана станина токарника.
- MX_Master
- Мастер
- Сообщения: 7490
- Зарегистрирован: 27 июн 2015, 19:45
- Репутация: 3113
- Настоящее имя: Михаил
- Откуда: Алматы
- Контактная информация:
Re: DietCNC - "диетический" ЧПУ по дереву 600х400
Перефразирую. Если бы станина токарника была из дюрале-профиля 40х40, ты бы такой токарник купил? Скорее всего, нет. А почему нет? Потому что нафиг он такой жидкий нужен. Токарники по дереву видел? Из чего их делают? Из профиля 40х40? Нет. Делают из стали и чугуна. А почему? А по той же причине.
Делай как задумал, когда через годик сам всё опробуешь, поймёшь смысел всех этих советов.
Делай как задумал, когда через годик сам всё опробуешь, поймёшь смысел всех этих советов.
-
nevkon
- Почётный участник

- Сообщения: 2477
- Зарегистрирован: 17 июл 2015, 10:25
- Репутация: 310
- Настоящее имя: Константин
- Откуда: Балаково (Саратовская обл.)
- Контактная информация:
Re: DietCNC - "диетический" ЧПУ по дереву 600х400
Я его не видел, я им владею. Из профиля стального толщиной около 1мм. Можно вместо гири использовать. Уже собираюсь чугунный ему на замену брать. Думаю как бы и тот хлипким не оказался.MX_Master писал(а):Токарники по дереву видел? Из чего их делают? Из профиля 40х40?