Вибропрокладки/виброопоры.

Станки, создание станков, обсуждения, предложения.
Аватара пользователя
putman
Мастер
Сообщения: 938
Зарегистрирован: 21 янв 2013, 09:49
Репутация: 102
Настоящее имя: Алексей
Откуда: г. Долгопрудный
Контактная информация:

Вибропрокладки/виброопоры.

Сообщение putman »

Здравствуйте.
Подскажите каким способом лучше всего бороться с вибрацией от станка в пол ?
Станок фрезер, 250 кг.
Спасибо.
Аватара пользователя
Nick
Мастер
Сообщения: 22776
Зарегистрирован: 23 ноя 2009, 16:45
Репутация: 1735
Заслуга: Developer
Откуда: Gatchina, Saint-Petersburg distr., Russia
Контактная информация:

Re: Вибропрокладки/виброопоры.

Сообщение Nick »

Лучше всего его в бетон залить :).

А из-за чего больше всего вибрирует? Какого характера вибрация?
Аватара пользователя
Сергей Саныч
Мастер
Сообщения: 9116
Зарегистрирован: 30 май 2012, 14:20
Репутация: 2858
Откуда: Тюмень
Контактная информация:

Re: Вибропрокладки/виброопоры.

Сообщение Сергей Саныч »

Nick писал(а):Лучше всего его в бетон залить
так понимаю, станок в городской квартире стоит и виброшумоизоляция нужна, чтобы уберечься от гнева соседей? :)
Чудес не бывает. Бывают фокусы.
Аватара пользователя
putman
Мастер
Сообщения: 938
Зарегистрирован: 21 янв 2013, 09:49
Репутация: 102
Настоящее имя: Алексей
Откуда: г. Долгопрудный
Контактная информация:

Re: Вибропрокладки/виброопоры.

Сообщение putman »

Cтанок в квартире, звукоизоляцию режущей части сделаю из стеклопакетов что устанавливают в окна (на манер будок которые на станках бывают), будет прозрачно и тихо.
А вот в пол идёт вибрация от шаговых двигателей осей, читаю про виброопоры, вот нашел магазин http://www.vibroopora.ru/, как думаете это уменьшит вибрацию в пол ?
Аватара пользователя
Сергей Саныч
Мастер
Сообщения: 9116
Зарегистрирован: 30 май 2012, 14:20
Репутация: 2858
Откуда: Тюмень
Контактная информация:

Re: Вибропрокладки/виброопоры.

Сообщение Сергей Саныч »

putman писал(а):вот в пол идёт вибрация от шаговых двигателей осей
Если ШД работают так, что трясется станок весом 250 кг, то это неправильно. Может помочь перевод двигателей в режим микрошага. Почти все современные драйверы это позволяют.
Чудес не бывает. Бывают фокусы.
Аватара пользователя
putman
Мастер
Сообщения: 938
Зарегистрирован: 21 янв 2013, 09:49
Репутация: 102
Настоящее имя: Алексей
Откуда: г. Долгопрудный
Контактная информация:

Re: Вибропрокладки/виброопоры.

Сообщение putman »

Serg-tmn писал(а):Если ШД работают так, что трясется станок весом 250 кг, то это неправильно. Может помочь перевод двигателей в режим микрошага. Почти все современные драйверы это позволяют.
Дело в том, что я не знаю как это сделать, беглый поиск в гугле ничего не дал.
Документов на станок не дали, по этому ориентируюсь по надписям на деталях.
Моторы вот такие - MODEL 85HS80-5504A-001.
STEP ANGLE 1.8 º / STEP
RATED VOLTAGE 2.2 V
CURRENT 5.5 A / PHASE
RESISTANCE 0.4 Ω / PHASE
INDUCTANCE 3.5 mH / PHASE
HOLDING TORQUE 4.5 N.m
INSULATION CLASS B
el2.jpg (3816 просмотров) <a class='original' href='./download/file.php?id=11851&mode=view' target=_blank>Загрузить оригинал (321.82 КБ)</a>
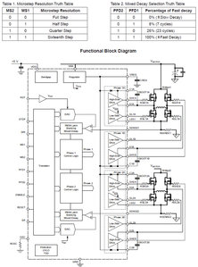
А драйвера осей собраны на A3986SLDT, порыл интернет, такого не нашел, наверное их тысячи разновидностей на этой микросхеме драйвере мосфетов.
Я подозреваю, что красные переключатели как раз для настройки микрошага, но как их изменить не понятно.
Верхний драйвер я снял сфоткать.
el1.jpg (3816 просмотров) <a class='original' href='./download/file.php?id=11852&mode=view' target=_blank>Загрузить оригинал (1.78 МБ)</a>
Вот внутренности станка, 3 драйвера осей (X,Y,A(4-я координата)), и один снизу большой судя по разводке на ось Z, почему он такой большой ? ось Z мощнее чтоли ...
Не вижу драйвера шпинделя, есть неисправность, шпиндель не всегда запускается по команде, если крутануть шпиндель, то раскручивается.
Не знаю, это мотор или драйвер неисправен ?
el3.jpg (3816 просмотров) <a class='original' href='./download/file.php?id=11853&mode=view' target=_blank>Загрузить оригинал (6.69 МБ)</a>
Аватара пользователя
Nick
Мастер
Сообщения: 22776
Зарегистрирован: 23 ноя 2009, 16:45
Репутация: 1735
Заслуга: Developer
Откуда: Gatchina, Saint-Petersburg distr., Russia
Контактная информация:

Re: Вибропрокладки/виброопоры.

Сообщение Nick »

да, красные переключатели - это то, что нужно.
Что на крышках драйверов написано?

Судя пофото на крышке драйвера Z есть таблица задания микрошага, там вроде написано количество шагов наобороти как должныбыть для этоговклюены переключатели.

Сфотай шпиндель поподробнее...
И движок по Z
Аватара пользователя
putman
Мастер
Сообщения: 938
Зарегистрирован: 21 янв 2013, 09:49
Репутация: 102
Настоящее имя: Алексей
Откуда: г. Долгопрудный
Контактная информация:

Re: Вибропрокладки/виброопоры.

Сообщение putman »

Nick писал(а):да, красные переключатели - это то, что нужно.
Что на крышках драйверов написано?

Судя пофото на крышке драйвера Z есть таблица задания микрошага, там вроде написано количество шагов наобороти как должныбыть для этоговклюены переключатели.

Сфотай шпиндель поподробнее...
И движок по Z
На крышках нет никаких надписей.
Да, на драйвере Z есть таблица, но остальные маленькие 3 драйвера ведь другие, не думаю что у них совпадают пины на переключателях.
Шпиндель вечером сниму, сфотографирую, может он помер, а может его драйвер... он то медленно раскручивается, то сразу быстро, работает через раз.
Аватара пользователя
Сергей Саныч
Мастер
Сообщения: 9116
Зарегистрирован: 30 май 2012, 14:20
Репутация: 2858
Откуда: Тюмень
Контактная информация:

Re: Вибропрокладки/виброопоры.

Сообщение Сергей Саныч »

putman писал(а):Я подозреваю, что красные переключатели как раз для настройки микрошага, но как их изменить не понятно.
Верхний драйвер я снял сфоткать.
Судя по разводке платы, микрошагом заведуют переключатели 3 и 4 верхнего (маленького) дип-свича. Как конкретно - можно будет сказать, если сфотаешь плату с обратной стороны, а также с левого торца (не видно, куда идут левые ноги переключателей - на общий провод или питание). Кроме того, неясно, есть ли на входах микросхемы подгрузочные резисторы. Они могут находиться на обратной стороне платы или даже под переключателями (загляни туда сбоку).
Чудес не бывает. Бывают фокусы.
Аватара пользователя
putman
Мастер
Сообщения: 938
Зарегистрирован: 21 янв 2013, 09:49
Репутация: 102
Настоящее имя: Алексей
Откуда: г. Долгопрудный
Контактная информация:

Re: Вибропрокладки/виброопоры.

Сообщение putman »

На обратной стороне платы пусто, подтягивающих резисторов нет.
Судя по даташиту у меня установлены такие режимы:
Microstep resolution - Full Step,
Mixed Decay - 0%.,
если конечно не наоборот все сигналы ON ... вечером посмотрю куда коммутирует переключатель, на минус или +5.

Как посоветуете подключить для уменьшения вибрации ?
a3986.jpg (3799 просмотров) <a class='original' href='./download/file.php?id=11859&mode=view' target=_blank>Загрузить оригинал (295.42 КБ)</a>
Аватара пользователя
Сергей Саныч
Мастер
Сообщения: 9116
Зарегистрирован: 30 май 2012, 14:20
Репутация: 2858
Откуда: Тюмень
Контактная информация:

Re: Вибропрокладки/виброопоры.

Сообщение Сергей Саныч »

putman писал(а):На обратной стороне платы пусто, подтягивающих резисторов нет.
Если их нет и под переключателями, то это совсем неправильно. Судя по даташиту, внутренних подтягивающих резисторов у этой микросхемы нет. Учитывая, что входы у нее КМОП, то в положении OFF на входах может быть все, что угодно.
Чудес не бывает. Бывают фокусы.
Аватара пользователя
putman
Мастер
Сообщения: 938
Зарегистрирован: 21 янв 2013, 09:49
Репутация: 102
Настоящее имя: Алексей
Откуда: г. Долгопрудный
Контактная информация:

Re: Вибропрокладки/виброопоры.

Сообщение putman »

Вечером посмотрю прибором что там за сигнал.
Аватара пользователя
Nick
Мастер
Сообщения: 22776
Зарегистрирован: 23 ноя 2009, 16:45
Репутация: 1735
Заслуга: Developer
Откуда: Gatchina, Saint-Petersburg distr., Russia
Контактная информация:

Re: Вибропрокладки/виброопоры.

Сообщение Nick »

Поставь минимум 1:4 или даже 1:16. Так шум от перемещений должен значительно сократиться.
А если еще поставить хороший генератор шагов Kflop к мачу или какую-нибудь MESA, то двигатели вообще будут приятно петь: Мой китаес Bernardo KF25 Top (клон BF20) #430
Аватара пользователя
putman
Мастер
Сообщения: 938
Зарегистрирован: 21 янв 2013, 09:49
Репутация: 102
Настоящее имя: Алексей
Откуда: г. Долгопрудный
Контактная информация:

Re: Вибропрокладки/виброопоры.

Сообщение putman »

Nick писал(а):Поставь минимум 1:4 или даже 1:16. Так шум от перемещений должен значительно сократиться.
А если еще поставить хороший генератор шагов Kflop к мачу или какую-нибудь MESA, то двигатели вообще будут приятно петь: Мой китаес Bernardo KF25 Top (клон BF20) #430
Получается если у меня off off, то тупо квадратный импульс идёт ?
A что настраивается двумя другими переключателями (Mixed Decay).
Сори, оффтоп. У меня электробайк, был раньше обычный контроллер, мотор-колесо гудело знатно, теперь поставил синусный контроллер, гораздо приятнее стало, надеюсь со станком так же порадует после переключения на 1:16.
Вот видео как работает сейчас.
https://www.youtube.com/watch?v=WCNt7tVKnIc
Аватара пользователя
Nick
Мастер
Сообщения: 22776
Зарегистрирован: 23 ноя 2009, 16:45
Репутация: 1735
Заслуга: Developer
Откуда: Gatchina, Saint-Petersburg distr., Russia
Контактная информация:

Re: Вибропрокладки/виброопоры.

Сообщение Nick »

Станет лучшге, но не сильно. Когда ты фрезеровать начнешь, про шаговики забудешь. Звук фрезеровки все заглушит...

Импульсы и так будут квадратные, про появится несколько промежуточных фаз.
В общем попробуй on off или on on. Только учти, что при увеличении микрошага крутящий момент двигателя падает, ну и скорость уменьшается.
Аватара пользователя
michael-yurov
Почётный участник
Почётный участник
Сообщения: 11731
Зарегистрирован: 26 июл 2012, 00:10
Репутация: 4703
Настоящее имя: Михаил Львович
Откуда: Новоуральск
Контактная информация:

Re: Вибропрокладки/виброопоры.

Сообщение michael-yurov »

Nick писал(а):Только учти, что при увеличении микрошага крутящий момент двигателя падает, ну и скорость уменьшается.
Простите за оффтоп.
Уже не первый раз слышу такую информацию, что при микрошаге момент упадает.
Ни подтверждений этому, ни логического объяснения я не вижу.
Дошло даже до того, что я проверил на своем станке. У меня в режиме микрошага станок горы сворачивает, а в режиме шага из за вибраций очень быстро срывается в пропуск шагов, даже на маленьких скоростях. Более того - в режиме полушага моторы нагреваются значительно сильнее, что, в свою очередь вынуждает снизить рабочий ток, уменьшив тем самым крутящий момент.
Dirk Diggler
Новичок
Сообщения: 20
Зарегистрирован: 08 окт 2012, 11:46
Репутация: 1
Контактная информация:

Re: Вибропрокладки/виброопоры.

Сообщение Dirk Diggler »

michael-yurov писал(а):Ни подтверждений этому, ни логического объяснения я не вижу.
Смущают графики скорость-момент у ШД, где производители откладывают по оси X - pps - импульсы в секунду. И не говорят о том, что масштаб графика меняется вместе с микрошагом.
А еще - разрекламированный в какой-то момент морфинг, где вместе с его описанием указано, что полный шаг на высокой скорости - это +30-40% к моменту против микрошага. Не указывая, опять же, что это только теоретически.
Аватара пользователя
sr480
Мастер
Сообщения: 1295
Зарегистрирован: 08 янв 2012, 20:48
Репутация: 139
Откуда: Ростов-на-Дону
Контактная информация:

Re: Вибропрокладки/виброопоры.

Сообщение sr480 »

Всё просто и поддается разумному объяснению:

1. В режиме полного шага обмотки работают поочередно, следовательно в один момент времени ток течет только через одну из них, а следовательно мощность рассеиваемая в тепло порождается током через одну обмотку. Но при этом расстояние между шагами максимальное, и ротор стремится максимально быстро перейти между ними - отсюда вибрации, которые могут вызывать и пропуски.

2. В режиме половинного шага в отличии от полного шага в некоторые моменты времени подается на обе обмотки, а значит ток через двигатель равен двум токам фазы. (потому и греется сильнее, так как ток течет через обе обмотки максимальный, выходит потребляемая мощность на 50% больше). Чередование направления тока в обмотках позволяет занимать одно промежуточное положение между устойчивыми. При этом расстояние, которое проходит ротор равно половине угла между устойчивыми положениями следовательно и ускорение при таком переходе меньше, и вибрации меньше.

3. В режиме микрошага в отличии от полного и половинного режимов может течь не максимальный, что позволяет занимать несколько промежуточных положений между устойчивыми состояниями, как следствие потребление тока меньше чем в полушаге, расстояние, которое проходит ротор свободно меньше, следовательно вибрация меньше. Получаем возможность более плавного набора скорости.

Момент падает ввиду того, что ротор занимает неустойчивое положение (магнит находится не напротив обмотки), следовательно его меньшим усилием можно провернуть в соседнее положение.

На своем опыте могу сказать, что момент снижается, а вот максимальная скорость наоборот может возрастать.

Пинайте если что не так.
Аватара пользователя
sr480
Мастер
Сообщения: 1295
Зарегистрирован: 08 янв 2012, 20:48
Репутация: 139
Откуда: Ростов-на-Дону
Контактная информация:

Re: Вибропрокладки/виброопоры.

Сообщение sr480 »

Dirk Diggler писал(а):А еще - разрекламированный в какой-то момент морфинг, где вместе с его описанием указано, что полный шаг на высокой скорости - это +30-40% к моменту против микрошага. Не указывая, опять же, что это только теоретически.
С морфингом кстати всё логично, но какой его смысл? На большой скорости момент большой и не нужен, так как вступает в действие сила инерции.

Трудно представить механизм, которому требутеся меньший момент при разгоне, чем при работе на большой скорости... Это какой-то перфоратор право слово...
Dirk Diggler
Новичок
Сообщения: 20
Зарегистрирован: 08 окт 2012, 11:46
Репутация: 1
Контактная информация:

Re: Вибропрокладки/виброопоры.

Сообщение Dirk Diggler »

sr480 писал(а):В режиме полного шага обмотки работают поочередно, следовательно в один момент времени ток течет только через одну из них
это не всегда так. есть 2 варианта исполнения полного шага, в наиболее распространенном - обмотки запитываются одновременно, и вал фиксируется в "промежуточном" положении.
sr480 писал(а):Момент падает ввиду того, что ротор занимает неустойчивое положение (магнит находится не напротив обмотки)
Неустойчивое относительно чего?
, следовательно его меньшим усилием можно провернуть в соседнее положение.
В какое соседнее?
Ответить

Вернуться в «Станки»