Разыскиваются профили
- daemon78
- Мастер
- Сообщения: 1693
- Зарегистрирован: 02 окт 2018, 15:02
- Репутация: 103
- Настоящее имя: Владимир
- Откуда: Москва
- Контактная информация:
Разыскиваются профили
Доброе врем суток, уважаемые форумчане.
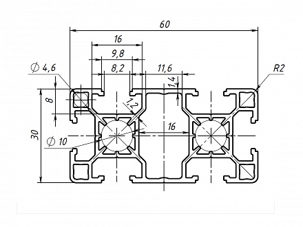
Не подскажите, где можно найти профили под SW как на рисунках?
Я скачивал на сайте соберизавода https://soberizavod.ru/catalog/alyumini ... okrytiya_/ но там какая то мутная тема. Импортированный профиль нельзя редактировать. То есть я не могу задать нужную длину и куча ошибок при импорте.
У меня SW 2017 стоит.
Не подскажите, где можно найти профили под SW как на рисунках?
Я скачивал на сайте соберизавода https://soberizavod.ru/catalog/alyumini ... okrytiya_/ но там какая то мутная тема. Импортированный профиль нельзя редактировать. То есть я не могу задать нужную длину и куча ошибок при импорте.
У меня SW 2017 стоит.
Мой первый станок Первый станок Кусака 1 и куча вопросов #1
Мой второй станок Кусака 2.0 и вопросы к форумчанам #1
Мой второй станок Кусака 2.0 и вопросы к форумчанам #1
- R6MF49T2
- Мастер
- Сообщения: 235
- Зарегистрирован: 14 июл 2016, 17:18
- Репутация: 32
- Откуда: Великий Новгород/Санкт-Петербург
- Контактная информация:
Re: Разыскиваются профили
Проверяешь на ошибки при импортировании, распознаешь и редактируй как тебе захочется.daemon78 писал(а):Доброе врем суток, уважаемые форумчане.
Не подскажите, где можно найти профили под SW как на рисунках?
Я скачивал на сайте соберизавода https://soberizavod.ru/catalog/alyumini ... okrytiya_/ но там какая то мутная тема. Импортированный профиль нельзя редактировать. То есть я не могу задать нужную длину и куча ошибок при импорте.
У меня SW 2017 стоит.
- daemon78
- Мастер
- Сообщения: 1693
- Зарегистрирован: 02 окт 2018, 15:02
- Репутация: 103
- Настоящее имя: Владимир
- Откуда: Москва
- Контактная информация:
Re: Разыскиваются профили
Проверил, тыкал раз 5 на Исправить.
В итоге все исправилось, а размер так и не не возможно изменить
Забыл картинки приложить
В итоге все исправилось, а размер так и не не возможно изменить
Забыл картинки приложить
Мой первый станок Первый станок Кусака 1 и куча вопросов #1
Мой второй станок Кусака 2.0 и вопросы к форумчанам #1
Мой второй станок Кусака 2.0 и вопросы к форумчанам #1
- niksooon
- Мастер
- Сообщения: 2144
- Зарегистрирован: 23 июн 2014, 23:18
- Репутация: 1207
- Откуда: Кашира
- Контактная информация:
Re: Разыскиваются профили
нифига не понятно что там у тебя не получается,потому вариант за нумером 2-
на импортированном профиле вернее его торце строишь новый эскиз сечения профиля (кнопка преобразование объектов сильно облегчает жизнь)
Далее эскиз копировать , потом открываешь (создаешь)новую деталь- выбрать плоскость -вставить(ранее скопированный эскиз)...........
и вытягивай профиль хоть километрами..................
на импортированном профиле вернее его торце строишь новый эскиз сечения профиля (кнопка преобразование объектов сильно облегчает жизнь)
Далее эскиз копировать , потом открываешь (создаешь)новую деталь- выбрать плоскость -вставить(ранее скопированный эскиз)...........
и вытягивай профиль хоть километрами..................
Последний раз редактировалось niksooon 22 мар 2019, 11:38, всего редактировалось 1 раз.
Сделанное правильно — красиво. Если сделанное тебе не нравится — то и работать оно будет хреново. Перевари, пересверли, выпили заново — ну, или хотя бы покрась.
- daemon78
- Мастер
- Сообщения: 1693
- Зарегистрирован: 02 окт 2018, 15:02
- Репутация: 103
- Настоящее имя: Владимир
- Откуда: Москва
- Контактная информация:
Re: Разыскиваются профили
Огромное спасибо, даже не подумал в эту сторону!!!niksooon писал(а):нифига не понятно что там у тебя не получается,потому вариант за нумером 2-
на импортированном профиле вернее его торце строишь новый эскиз сечения профиля (кнопка преобразование объектов сильно облегчает жизнь)
Далее эскиз копировать , потом открываешь (создаешь)новую деталь- выбрать плоскость -вставить...........
и вытягивай профиль хоть километрами..................
Мой первый станок Первый станок Кусака 1 и куча вопросов #1
Мой второй станок Кусака 2.0 и вопросы к форумчанам #1
Мой второй станок Кусака 2.0 и вопросы к форумчанам #1
- R6MF49T2
- Мастер
- Сообщения: 235
- Зарегистрирован: 14 июл 2016, 17:18
- Репутация: 32
- Откуда: Великий Новгород/Санкт-Петербург
- Контактная информация:
Re: Разыскиваются профили
Распознование детали то делали?daemon78 писал(а):Проверил, тыкал раз 5 на Исправить.
В итоге все исправилось, а размер так и не не возможно изменить
- daemon78
- Мастер
- Сообщения: 1693
- Зарегистрирован: 02 окт 2018, 15:02
- Репутация: 103
- Настоящее имя: Владимир
- Откуда: Москва
- Контактная информация:
Re: Разыскиваются профили
Прошу прощения, это что за операция?R6MF49T2 писал(а):Распознование детали то делали?
Я открываю профиль скачанный с сайта.
Мне пишется что при импорте куча ошибок. Я четыре раза тыкаю на исправить что то там (после каждого исправления остается все меньше неисправленного), пока он не покажет что все ок. Пересохраняю файл в формате SW2017 (там видимо более ранняя версия). Затем пытаюсь изменить длину под свои нужды, но у меня не получается, он не дает этого сделать
Мой первый станок Первый станок Кусака 1 и куча вопросов #1
Мой второй станок Кусака 2.0 и вопросы к форумчанам #1
Мой второй станок Кусака 2.0 и вопросы к форумчанам #1
- Кварк
- Мастер
- Сообщения: 381
- Зарегистрирован: 11 мар 2019, 04:46
- Репутация: 15
- Настоящее имя: Андрей
- Откуда: Томск
- Контактная информация:
Re: Разыскиваются профили
Я в компасе не парился: обрезал сколько надо и все. Кусок был 1 метровый в файле, а мне нужен был 900.
- daemon78
- Мастер
- Сообщения: 1693
- Зарегистрирован: 02 окт 2018, 15:02
- Репутация: 103
- Настоящее имя: Владимир
- Откуда: Москва
- Контактная информация:
Re: Разыскиваются профили
К сожалению, не знаком с Компасом от слова совсемКварк писал(а): Я в компасе не парился: обрезал сколько надо и все. Кусок был 1 метровый в файле, а мне нужен был 900.
Мой первый станок Первый станок Кусака 1 и куча вопросов #1
Мой второй станок Кусака 2.0 и вопросы к форумчанам #1
Мой второй станок Кусака 2.0 и вопросы к форумчанам #1
- Кварк
- Мастер
- Сообщения: 381
- Зарегистрирован: 11 мар 2019, 04:46
- Репутация: 15
- Настоящее имя: Андрей
- Откуда: Томск
- Контактная информация:
Re: Разыскиваются профили
Да и с SW такжеdaemon78 писал(а):К сожалению, не знаком с Компасом от слова совсем
- daemon78
- Мастер
- Сообщения: 1693
- Зарегистрирован: 02 окт 2018, 15:02
- Репутация: 103
- Настоящее имя: Владимир
- Откуда: Москва
- Контактная информация:
Re: Разыскиваются профили
Нееее, с SW не знаком от слова почти. По крайней мере предыдущий станок отрисовал в нем как мог, просто вместо профилей использовал отрезки с квадратным и прямоугольным сечениемКварк писал(а):Да и с SW также
А сейчас озадачился именно профили использовать, чтобы видеть пазы для сухарей и прикинуть размещение рельс и опор ШВП с расстояниями, диктуемыми креплением в эти пазы.
Мой первый станок Первый станок Кусака 1 и куча вопросов #1
Мой второй станок Кусака 2.0 и вопросы к форумчанам #1
Мой второй станок Кусака 2.0 и вопросы к форумчанам #1
- R6MF49T2
- Мастер
- Сообщения: 235
- Зарегистрирован: 14 июл 2016, 17:18
- Репутация: 32
- Откуда: Великий Новгород/Санкт-Петербург
- Контактная информация:
Re: Разыскиваются профили
А загуглить? http://help.solidworks.com/2013/RUSSIAN ... ically.htmdaemon78 писал(а):Прошу прощения, это что за операция?
- daemon78
- Мастер
- Сообщения: 1693
- Зарегистрирован: 02 окт 2018, 15:02
- Репутация: 103
- Настоящее имя: Владимир
- Откуда: Москва
- Контактная информация:
Re: Разыскиваются профили
Даже не догадывался о такой возможности.R6MF49T2 писал(а):А загуглить? http://help.solidworks.com/2013/RUSSIAN ... ically.htm
Спасибо, обязательно попробую вечерком.
Мой первый станок Первый станок Кусака 1 и куча вопросов #1
Мой второй станок Кусака 2.0 и вопросы к форумчанам #1
Мой второй станок Кусака 2.0 и вопросы к форумчанам #1
- daemon78
- Мастер
- Сообщения: 1693
- Зарегистрирован: 02 окт 2018, 15:02
- Репутация: 103
- Настоящее имя: Владимир
- Откуда: Москва
- Контактная информация:
Re: Разыскиваются профили
К сожалению команда недоступнаR6MF49T2 писал(а):Распознование детали то делали?
Не получается копироватьniksooon писал(а):на импортированном профиле вернее его торце строишь новый эскиз сечения профиля (кнопка преобразование объектов сильно облегчает жизнь)
Мой первый станок Первый станок Кусака 1 и куча вопросов #1
Мой второй станок Кусака 2.0 и вопросы к форумчанам #1
Мой второй станок Кусака 2.0 и вопросы к форумчанам #1
- Samodelkin 88
- Мастер
- Сообщения: 1056
- Зарегистрирован: 05 ноя 2017, 22:24
- Репутация: 727
- Настоящее имя: Илья
- Откуда: Курган
- Контактная информация:
Re: Разыскиваются профили
Попробуйте открыть.
- Вложения
-
- Соберизавод 30х60.zip
- (888.89 КБ) 324 скачивания
- Gestap
- Мастер
- Сообщения: 978
- Зарегистрирован: 21 май 2017, 21:18
- Репутация: 1089
- Настоящее имя: Александр
- Контактная информация:
Re: Разыскиваются профили
если не сделал вот 60х120.
- Вложения
-
- профиль 60х120.rar
- (541.24 КБ) 322 скачивания
Пилим, точим, шьем, продаём комплектующие к станкам
https://www.instagram.com/dtw.moscow/
dtw.moscow@gmail.com
Наша группа в телеге https://t.me/asiogroup
https://www.instagram.com/dtw.moscow/
dtw.moscow@gmail.com
Наша группа в телеге https://t.me/asiogroup
- daemon78
- Мастер
- Сообщения: 1693
- Зарегистрирован: 02 окт 2018, 15:02
- Репутация: 103
- Настоящее имя: Владимир
- Откуда: Москва
- Контактная информация:
Re: Разыскиваются профили
Samodelkin 88 писал(а):Попробуйте открыть.
Огромное вам спасибо!!!Gestap писал(а):если не сделал вот 60х120.
Мой первый станок Первый станок Кусака 1 и куча вопросов #1
Мой второй станок Кусака 2.0 и вопросы к форумчанам #1
Мой второй станок Кусака 2.0 и вопросы к форумчанам #1