Помогите пожалуйста скрестить Веспер и DSP A11

Тяжелые фрезерные станки по металлу.
Error
Кандидат
Сообщения: 45
Зарегистрирован: 28 сен 2018, 09:24
Репутация: 0
Настоящее имя: Александр
Откуда: Москва
Контактная информация:

Помогите пожалуйста скрестить Веспер и DSP A11

Сообщение Error »

Прошу сильно не ругаться, в этом полный ноль. В школе сказано чтоб было, а разбираться информатикам ;-(
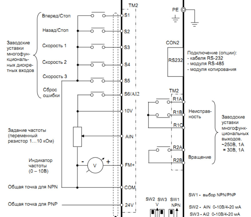
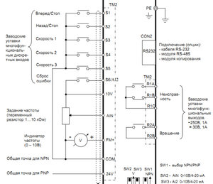
Есть станок Вектроник А3РП. Все двигается и работает за исключение работы шпинделя с пульта. Веспер е2-8300 S2L
Пульт соединил S1 S2 S3 и S4 с частотником S1 и COM S2 S3 S4 . В настройках частотника задал управление по каналам S1,S2,S3,S4 присвоил им значение S1 300 S2 280 S3 260
Ввел значения шпинделя и минимальную частоту поставил 100. При нажатии на частотнике пуск, шпиндель запускается на минималке. На пуль ноль реакции. В пульте нашел только стрелочки. Как мим задать значения? Еще фото https://yadi.sk/d/fcvhaiWNXNn26w
Вложения
Что на пульте (2674 просмотра) <a class='original' href='./download/file.php?id=150845&mode=view' target=_blank>Загрузить оригинал (68.61 КБ)</a>
Что на пульте
Что на пульте (2674 просмотра) <a class='original' href='./download/file.php?id=150846&mode=view' target=_blank>Загрузить оригинал (58.55 КБ)</a>
Что на пульте
Что на пульте (2674 просмотра) <a class='original' href='./download/file.php?id=150847&mode=view' target=_blank>Загрузить оригинал (47.41 КБ)</a>
Что на пульте
Что на пульте (2674 просмотра) <a class='original' href='./download/file.php?id=150848&mode=view' target=_blank>Загрузить оригинал (58 КБ)</a>
Что на пульте
Аватара пользователя
Лодочник
Мастер
Сообщения: 2178
Зарегистрирован: 10 авг 2012, 05:24
Репутация: 1835
Настоящее имя: Олег
Откуда: г.Королев
Контактная информация:

Re: Помогите пожалуйста скрестить Веспер и DSP A11

Сообщение Лодочник »

Сначала включи в пульте чтение S - меню/автопросетап/Гкод сетап - рид S -рид.
Потом после стрелочек появится таблица скоростей для каждой ступени. А что, частотник только 4 скорости в мульти-режиме поддерживает, должен 8, как и пульт.
Error
Кандидат
Сообщения: 45
Зарегистрирован: 28 сен 2018, 09:24
Репутация: 0
Настоящее имя: Александр
Откуда: Москва
Контактная информация:

Re: Помогите пожалуйста скрестить Веспер и DSP A11

Сообщение Error »

Как я понял, только три
Вложения
7.jpg (2651 просмотр) <a class='original' href='./download/file.php?id=150849&mode=view' target=_blank>Загрузить оригинал (141.57 КБ)</a>
Аватара пользователя
Лодочник
Мастер
Сообщения: 2178
Зарегистрирован: 10 авг 2012, 05:24
Репутация: 1835
Настоящее имя: Олег
Откуда: г.Королев
Контактная информация:

Re: Помогите пожалуйста скрестить Веспер и DSP A11

Сообщение Лодочник »

Вероятно это три линии управления. Комбинация даст 8 скоростей.
Евжений
Мастер
Сообщения: 1168
Зарегистрирован: 05 апр 2016, 20:18
Репутация: 136
Настоящее имя: Жэзэрэл
Откуда: Там, сям.
Контактная информация:

Re: Помогите пожалуйста скрестить Веспер и DSP A11

Сообщение Евжений »

А если так?
2018-11-20_192843.jpg (2631 просмотр) <a class='original' href='./download/file.php?id=150850&mode=view' target=_blank>Загрузить оригинал (127.88 КБ)</a>
2018-11-20_193022.jpg (2631 просмотр) <a class='original' href='./download/file.php?id=150851&mode=view' target=_blank>Загрузить оригинал (62.24 КБ)</a>
ВК https://vk.com/id353124059
О Боже, дай мне .... пендель!
Error
Кандидат
Сообщения: 45
Зарегистрирован: 28 сен 2018, 09:24
Репутация: 0
Настоящее имя: Александр
Откуда: Москва
Контактная информация:

Re: Помогите пожалуйста скрестить Веспер и DSP A11

Сообщение Error »

ПО первому, я соединил com + s1, s2, s3, s4 А что за вторая картинка? Это к пульту?
Последний раз редактировалось Error 20 ноя 2018, 19:50, всего редактировалось 1 раз.
Евжений
Мастер
Сообщения: 1168
Зарегистрирован: 05 апр 2016, 20:18
Репутация: 136
Настоящее имя: Жэзэрэл
Откуда: Там, сям.
Контактная информация:

Re: Помогите пожалуйста скрестить Веспер и DSP A11

Сообщение Евжений »

Error писал(а):В настройках частотника задал управление по каналам S1,S2,S3,S4 присвоил им значение S1 300 S2 280 S3 260
Нет, надо по этой таблице.
2018-11-20_193927.jpg (2624 просмотра) <a class='original' href='./download/file.php?id=150852&mode=view' target=_blank>Загрузить оригинал (117.65 КБ)</a>
ВК https://vk.com/id353124059
О Боже, дай мне .... пендель!
Error
Кандидат
Сообщения: 45
Зарегистрирован: 28 сен 2018, 09:24
Репутация: 0
Настоящее имя: Александр
Откуда: Москва
Контактная информация:

Re: Помогите пожалуйста скрестить Веспер и DSP A11

Сообщение Error »

То есть? S1 это Вперед \ Стоп S2 S3 S4 скорости?
Аватара пользователя
Лодочник
Мастер
Сообщения: 2178
Зарегистрирован: 10 авг 2012, 05:24
Репутация: 1835
Настоящее имя: Олег
Откуда: г.Королев
Контактная информация:

Re: Помогите пожалуйста скрестить Веспер и DSP A11

Сообщение Лодочник »

Error писал(а):То есть? S1 это Вперед \ Стоп S2 S3 S4 скорости?
Именно так!
Error
Кандидат
Сообщения: 45
Зарегистрирован: 28 сен 2018, 09:24
Репутация: 0
Настоящее имя: Александр
Откуда: Москва
Контактная информация:

Re: Помогите пожалуйста скрестить Веспер и DSP A11

Сообщение Error »

А еще подскажите пожалуйста, скорости ставить, как я написал или те что к пульту в инструкции?
Аватара пользователя
Лодочник
Мастер
Сообщения: 2178
Зарегистрирован: 10 авг 2012, 05:24
Репутация: 1835
Настоящее имя: Олег
Откуда: г.Королев
Контактная информация:

Re: Помогите пожалуйста скрестить Веспер и DSP A11

Сообщение Лодочник »

Какие нравятся, такие и ставь. Главное в пульте и в частотнике одинаковые для каждой ступени. Причем в пульте в об/мин, а в частотнике соответствующую частоту в герцах (об/сек).
Евжений
Мастер
Сообщения: 1168
Зарегистрирован: 05 апр 2016, 20:18
Репутация: 136
Настоящее имя: Жэзэрэл
Откуда: Там, сям.
Контактная информация:

Re: Помогите пожалуйста скрестить Веспер и DSP A11

Сообщение Евжений »

Из мануала к пульту:
2018-11-20_200358.jpg (2593 просмотра) <a class='original' href='./download/file.php?id=150855&mode=view' target=_blank>Загрузить оригинал (99.37 КБ)</a>
Y1 (пульт) к S1 (частотник)
Y2 к S3
Y3 к S4
Y4 к S5
Gnd к Com
ВК https://vk.com/id353124059
О Боже, дай мне .... пендель!
Евжений
Мастер
Сообщения: 1168
Зарегистрирован: 05 апр 2016, 20:18
Репутация: 136
Настоящее имя: Жэзэрэл
Откуда: Там, сям.
Контактная информация:

Re: Помогите пожалуйста скрестить Веспер и DSP A11

Сообщение Евжений »

Лодочник писал(а):Причем в пульте в об/мин
Где они там ставятся? Весь пульт облазил, не нашёл. Это моя не первая попытка найти где в этом пульте можно конкретной передаче присвоить обороты, но лыжи по прежнему не едут.
ВК https://vk.com/id353124059
О Боже, дай мне .... пендель!
Аватара пользователя
Лодочник
Мастер
Сообщения: 2178
Зарегистрирован: 10 авг 2012, 05:24
Репутация: 1835
Настоящее имя: Олег
Откуда: г.Королев
Контактная информация:

Re: Помогите пожалуйста скрестить Веспер и DSP A11

Сообщение Лодочник »

Евжений писал(а): Где они там ставятся? Весь пульт облазил, не нашёл. Это моя не первая попытка найти где в этом пульте можно конкретной передаче присвоить обороты, но лыжи по прежнему не едут.
Лодочник писал(а):Сначала включи в пульте чтение S - меню/автопросетап/Гкод сетап - рид S -рид.
Потом в шпиндельсетап после стрелочек появится таблица скоростей для каждой ступени.
После этих стрелок - Изображение
Error
Кандидат
Сообщения: 45
Зарегистрирован: 28 сен 2018, 09:24
Репутация: 0
Настоящее имя: Александр
Откуда: Москва
Контактная информация:

Re: Помогите пожалуйста скрестить Веспер и DSP A11

Сообщение Error »

Спасибо, завтра попробую. А Есть калькулятор или что то на подобии где частоту в обороты перевести?
Аватара пользователя
tooshka
Почётный участник
Почётный участник
Сообщения: 1803
Зарегистрирован: 24 окт 2012, 14:26
Репутация: 209
Настоящее имя: Андрей
Откуда: Нижний Новгород
Контактная информация:

Re: Помогите пожалуйста скрестить Веспер и DSP A11

Сообщение tooshka »

400-24000/ 300-18000/ 200-12000/ 100-6000
Милая, ты услышь меня
под окном стою со своим я ЧПУ! (Протяжно; с надрывом; форте)
Внимание!!! Чрезмерное увлечение ЧПУ приводит к проблемам в семейных отношениях!
Аватара пользователя
Лодочник
Мастер
Сообщения: 2178
Зарегистрирован: 10 авг 2012, 05:24
Репутация: 1835
Настоящее имя: Олег
Откуда: г.Королев
Контактная информация:

Re: Помогите пожалуйста скрестить Веспер и DSP A11

Сообщение Лодочник »

Error писал(а):Спасибо, завтра попробую. А Есть калькулятор или что то на подобии где частоту в обороты перевести?
Попробуй подумать сам. В школу же ходил? Об/мин и об/сек чем отличаются?
Error
Кандидат
Сообщения: 45
Зарегистрирован: 28 сен 2018, 09:24
Репутация: 0
Настоящее имя: Александр
Откуда: Москва
Контактная информация:

Re: Помогите пожалуйста скрестить Веспер и DSP A11

Сообщение Error »

Доброе утро! Получилось найти меню и выставить все значения. Работает и переключает скорости но только после того как я включу частотник. Частотник крутит на выставленной минималки и с пульта я задаю скорости. Но выключить или включить с пульта не могу. Хотя в настройках стоит что S1 Это вкл выкл. В чем может быть загвоздка?
Евжений
Мастер
Сообщения: 1168
Зарегистрирован: 05 апр 2016, 20:18
Репутация: 136
Настоящее имя: Жэзэрэл
Откуда: Там, сям.
Контактная информация:

Re: Помогите пожалуйста скрестить Веспер и DSP A11

Сообщение Евжений »

Параметр 1-00, какое значение? Должен 0001 быть.
ВК https://vk.com/id353124059
О Боже, дай мне .... пендель!
Error
Кандидат
Сообщения: 45
Зарегистрирован: 28 сен 2018, 09:24
Репутация: 0
Настоящее имя: Александр
Откуда: Москва
Контактная информация:

Re: Помогите пожалуйста скрестить Веспер и DSP A11

Сообщение Error »

Всем спасибо! ОНО РАБОТАЕТ ;-)))
Ответить

Вернуться в «Фрезерные станки по металлам»