Энкодер ВЕ178
-
nkp
- Мастер
- Сообщения: 8340
- Зарегистрирован: 28 ноя 2011, 00:25
- Репутация: 1589
- Контактная информация:
Энкодер ВЕ178
Вот решил практически поучаствовать в теме создания пульта оператора .
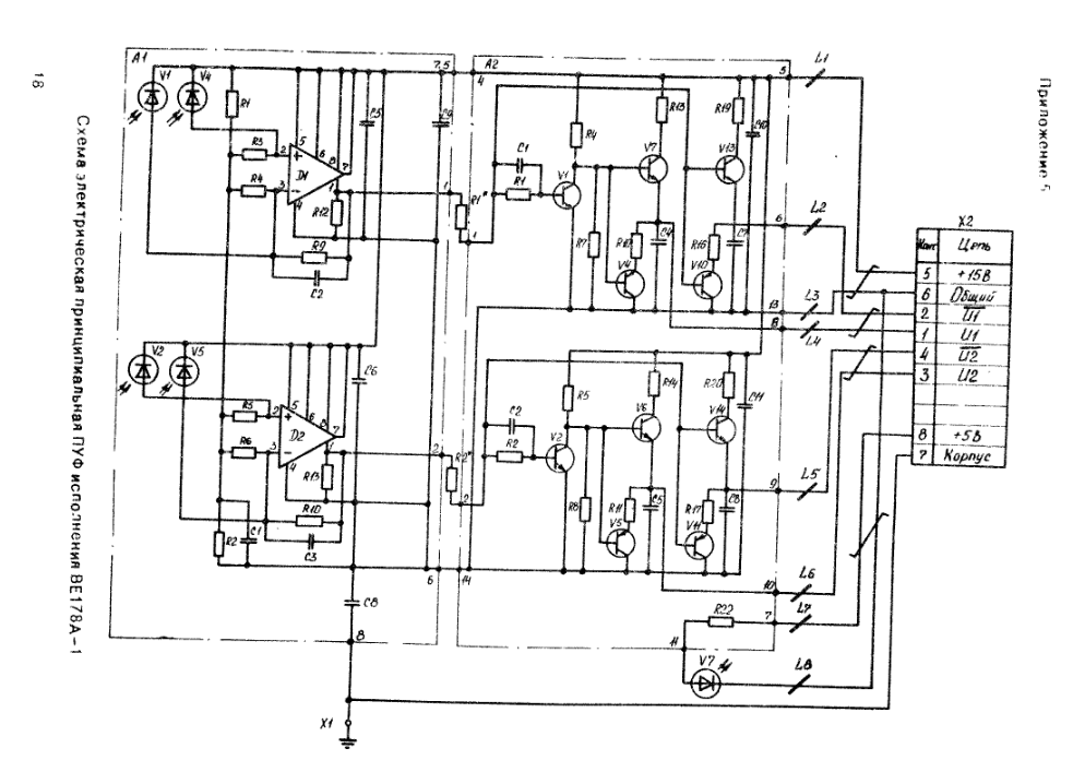
Нашелся такой раритет ВЕ178-А-1 с маховичком , Z=100. папорт: я так понял есть исполнения с питанием +15V , -15V , 5V
а с маховичком- 15V 5V
для начала подключу к парпорту
вопрос в выходных уровнях- там вроде 10V
как вот эта схема: кто подключал подобные -поделитесь опытом
Нашелся такой раритет ВЕ178-А-1 с маховичком , Z=100. папорт: я так понял есть исполнения с питанием +15V , -15V , 5V
а с маховичком- 15V 5V
для начала подключу к парпорту
вопрос в выходных уровнях- там вроде 10V
как вот эта схема: кто подключал подобные -поделитесь опытом
Последний раз редактировалось nkp 06 авг 2012, 17:02, всего редактировалось 1 раз.
-
nkp
- Мастер
- Сообщения: 8340
- Зарегистрирован: 28 ноя 2011, 00:25
- Репутация: 1589
- Контактная информация:
Re: Энкодер ВЕ178
спасибо,хорошая статья для общего развития
но все же хотелось услышать о практике применения схем именно с данным девайсом
но все же хотелось услышать о практике применения схем именно с данным девайсом
- Lexxa
- Мастер
- Сообщения: 2703
- Зарегистрирован: 16 дек 2011, 16:48
- Репутация: 319
- Настоящее имя: Алексей
- Откуда: ryazan
- Контактная информация:
Re: Энкодер ВЕ178
девайс прстой как 2х2
Внутри у него несколько фотоприемников и 1 светодиод, работают в ИК диапазоне.
между ними диск с насечками.
БЕ-178 А это 15-тивольтовый девайс, БЕ-178 А5 - пятивольтовый.
Внутри у БЕ-178 А три ОУ и куча КТ315/361.
Разьирается оч просто -
Разъемом к себе, шкив сверху. Откручиваются 2 болта крепления разъема, далее через эти 2 отвертстия приоткрцчиваются 2 болтика внутренних, удерживающих корпус. Потом просто снимается корпус и всё.
T00T мучался с согласованием его с месой, в итоге сделал через 315 транзисторы, резисторы там чет косячили (по ссылке от zewan "интерфейс на транзисторах" работает четко.)
Выходные уровни там - "1" около 12В, "0" - около 2В , поэтому делать надо либо с оптопарой, но быстрой, либо с транзистором.
Внутри у него несколько фотоприемников и 1 светодиод, работают в ИК диапазоне.
между ними диск с насечками.
БЕ-178 А это 15-тивольтовый девайс, БЕ-178 А5 - пятивольтовый.
Внутри у БЕ-178 А три ОУ и куча КТ315/361.
Разьирается оч просто -
Разъемом к себе, шкив сверху. Откручиваются 2 болта крепления разъема, далее через эти 2 отвертстия приоткрцчиваются 2 болтика внутренних, удерживающих корпус. Потом просто снимается корпус и всё.
T00T мучался с согласованием его с месой, в итоге сделал через 315 транзисторы, резисторы там чет косячили (по ссылке от zewan "интерфейс на транзисторах" работает четко.)
Выходные уровни там - "1" около 12В, "0" - около 2В , поэтому делать надо либо с оптопарой, но быстрой, либо с транзистором.
-
nkp
- Мастер
- Сообщения: 8340
- Зарегистрирован: 28 ноя 2011, 00:25
- Репутация: 1589
- Контактная информация:
Re: Энкодер ВЕ178
Спасибо за развернутый ответ(я внутренности успел посмотреть-благо сгоревших лежало штук пять)
тут вопрос по приведенной схеме подключения - хотел послушать мнение
тут вопрос по приведенной схеме подключения - хотел послушать мнение
- Lexxa
- Мастер
- Сообщения: 2703
- Зарегистрирован: 16 дек 2011, 16:48
- Репутация: 319
- Настоящее имя: Алексей
- Откуда: ryazan
- Контактная информация:
Re: Энкодер ВЕ178
nkp, кстати их чиниить легко))
и их легко переделать в БЕ-178А5 - там верхняя плата просто другая чуток, делаешь плату, меняешь и всех дел) а можт просто 10 резисторов поменять, но они там не подписаны к сожалению
и их легко переделать в БЕ-178А5 - там верхняя плата просто другая чуток, делаешь плату, меняешь и всех дел) а можт просто 10 резисторов поменять, но они там не подписаны к сожалению
-
nkp
- Мастер
- Сообщения: 8340
- Зарегистрирован: 28 ноя 2011, 00:25
- Репутация: 1589
- Контактная информация:
Re: Энкодер ВЕ178
А что за светодиод стоит в ВЕ178 ?
Первая попытка оживления была неудачной.
Цепь есть,токоограничение- 54Ω
Осцилом на выходах жизни нет
Первая попытка оживления была неудачной.
Цепь есть,токоограничение- 54Ω
Осцилом на выходах жизни нет
- Lexxa
- Мастер
- Сообщения: 2703
- Зарегистрирован: 16 дек 2011, 16:48
- Репутация: 319
- Настоящее имя: Алексей
- Откуда: ryazan
- Контактная информация:
Re: Энкодер ВЕ178
ИК светодиод АЛ107Б. там +15В, вход для питания светодиода (тот что на разъеме 90мА) и земля, проверь
а, да, еще вот что. у светодиода на некоторых моделях почему-то питание на отдельный провод заведено.
54Ома это чёт ни туда ни сюда.
http://www.chipdip.ru/product/al107b.aspx
допустим ток 100 мА
Падение наряжения - 1,8В
R = (5 - 1.8) / 0.1 = 32 Ома.
У тебя получилось, что ток, который течет через светодиод
а) 60 мА если от 5 вольт и это может быть мало
б) 240 мА, если ты его включаешь от 15 вольт, а это могло оказаться много.
Возьми любую цифровую фотокамеру (хоть на телефоне) и проверь, что светодиод горит. Что камера показывает ИК можешь проверить взяв пуль от телека)
Лучше б конечно ты поставил 150 Ом резистор и запитал от 15 В, хотя скорее всего ты так и сделал уже.
Когда будешь разбирать датчик, постарайся чтоб пыль туда особо не летела.
Еще раз по пинам разъема, нумерация там есть
1 - A
2 - /A
3 - B
4 - /B
5 - +15В
6 - земля
7
8 - + аннод светодиода (+90мА)
9 - /Z
10 - Z
а, да, еще вот что. у светодиода на некоторых моделях почему-то питание на отдельный провод заведено.
54Ома это чёт ни туда ни сюда.
http://www.chipdip.ru/product/al107b.aspx
допустим ток 100 мА
Падение наряжения - 1,8В
R = (5 - 1.8) / 0.1 = 32 Ома.
У тебя получилось, что ток, который течет через светодиод
а) 60 мА если от 5 вольт и это может быть мало
б) 240 мА, если ты его включаешь от 15 вольт, а это могло оказаться много.
Возьми любую цифровую фотокамеру (хоть на телефоне) и проверь, что светодиод горит. Что камера показывает ИК можешь проверить взяв пуль от телека)
Лучше б конечно ты поставил 150 Ом резистор и запитал от 15 В, хотя скорее всего ты так и сделал уже.
Когда будешь разбирать датчик, постарайся чтоб пыль туда особо не летела.
Еще раз по пинам разъема, нумерация там есть
1 - A
2 - /A
3 - B
4 - /B
5 - +15В
6 - земля
7
8 - + аннод светодиода (+90мА)
9 - /Z
10 - Z
Последний раз редактировалось Lexxa 06 авг 2012, 17:46, всего редактировалось 2 раза.
-
nkp
- Мастер
- Сообщения: 8340
- Зарегистрирован: 28 ноя 2011, 00:25
- Репутация: 1589
- Контактная информация:
Re: Энкодер ВЕ178
у меня только 15V и 5V :Lexxa писал(а):там +15В, -15В и земля
- Lexxa
- Мастер
- Сообщения: 2703
- Зарегистрирован: 16 дек 2011, 16:48
- Репутация: 319
- Настоящее имя: Алексей
- Откуда: ryazan
- Контактная информация:
Re: Энкодер ВЕ178
поправилсяnkp писал(а):только 15V и 5V
на всех?
ток через светодиод течет? тестером померь
-
nkp
- Мастер
- Сообщения: 8340
- Зарегистрирован: 28 ноя 2011, 00:25
- Репутация: 1589
- Контактная информация:
Re: Энкодер ВЕ178
спасибо за исчерпывающий ответLexxa писал(а):поправился
нет-только на штурвале-на остальных двухполярное,z=2500Lexxa писал(а):на всех?
(но те на оси и на шпиндель пойдут)
уже завтра проверюLexxa писал(а):ток через светодиод течет
-
nkp
- Мастер
- Сообщения: 8340
- Зарегистрирован: 28 ноя 2011, 00:25
- Репутация: 1589
- Контактная информация:
Re: Энкодер ВЕ178
Вчера заменил светодиод АЛ107Б
Сигнал пошел.
- Lexxa
- Мастер
- Сообщения: 2703
- Зарегистрирован: 16 дек 2011, 16:48
- Репутация: 319
- Настоящее имя: Алексей
- Откуда: ryazan
- Контактная информация:
Re: Энкодер ВЕ178
кстати, подумал, что для того чтобы его от 5 вольт заставить работать достаточно поставить резистор в цепь светодиода соответствующий и всего делов.
резисторы Rн менять-то не надо, вечером у себя проверю.
резисторы Rн менять-то не надо, вечером у себя проверю.
-
nkp
- Мастер
- Сообщения: 8340
- Зарегистрирован: 28 ноя 2011, 00:25
- Репутация: 1589
- Контактная информация:
Re: Энкодер ВЕ178
в смысле от 5V без 12V ?Lexxa писал(а):кстати, подумал, что для того чтобы его от 5 вольт заставить работать достаточно поставить резистор в цепь светодиода соответствующий и всего делов.резисторы Rн менять-то не надо, вечером у себя проверю
вопрос по опторазвязке- будет работать на диодной оптопаре? почему там на транзисторах ваяли?
- Lexxa
- Мастер
- Сообщения: 2703
- Зарегистрирован: 16 дек 2011, 16:48
- Репутация: 319
- Настоящее имя: Алексей
- Откуда: ryazan
- Контактная информация:
Re: Энкодер ВЕ178
от 5 без 12 - да, должен
в mesa, что очень хреново, никакой опторазвязки нет ни на enable приводов, ни на Uзадания, ни на входы с датчиков.
во ВСЕХ советских станках эти выходы развязаны оптопарами, ну может за исклучением Uзадания
в советских станках дели опторазвязку в чпу и это праильноnkp писал(а):почему там на транзисторах ваяли?
в mesa, что очень хреново, никакой опторазвязки нет ни на enable приводов, ни на Uзадания, ни на входы с датчиков.
во ВСЕХ советских станках эти выходы развязаны оптопарами, ну может за исклучением Uзадания
- Сергей Саныч
- Мастер
- Сообщения: 9116
- Зарегистрирован: 30 май 2012, 14:20
- Репутация: 2858
- Откуда: Тюмень
- Контактная информация:
Re: Энкодер ВЕ178
Надо смотреть параметры конкретной оптопары. У тебя какая?nkp писал(а):в смысле от 5V без 12V ?Lexxa писал(а):кстати, подумал, что для того чтобы его от 5 вольт заставить работать достаточно поставить резистор в цепь светодиода соответствующий и всего делов.резисторы Rн менять-то не надо, вечером у себя проверю
вопрос по опторазвязке- будет работать на диодной оптопаре? почему там на транзисторах ваяли?
Чудес не бывает. Бывают фокусы.
-
nkp
- Мастер
- Сообщения: 8340
- Зарегистрирован: 28 ноя 2011, 00:25
- Репутация: 1589
- Контактная информация:
Re: Энкодер ВЕ178
АОД107БSerg-tmn писал(а):Надо смотреть параметры конкретной оптопары. У тебя какая?
- Сергей Саныч
- Мастер
- Сообщения: 9116
- Зарегистрирован: 30 май 2012, 14:20
- Репутация: 2858
- Откуда: Тюмень
- Контактная информация:
Re: Энкодер ВЕ178
Не потянет, скорее всего. У нее коэффициент передачи тока 3 процента. Надо транзисторные оптопары искать. Ну, или задрать входной ток до максимально возможного - 20 мА по паспорту. Тогда, может быть, с некоторыми портами (вытекающий ток меньше 1 мА) и заработает. Но на пределе.nkp писал(а):АОД107Б
Да, кстати, анод фотодиода надо подключать на землю, а катод на вход порта!
Чудес не бывает. Бывают фокусы.
-
nkp
- Мастер
- Сообщения: 8340
- Зарегистрирован: 28 ноя 2011, 00:25
- Репутация: 1589
- Контактная информация:
Re: Энкодер ВЕ178
сделал было развязку на оптронах - работало...
но все же поставил 5-вольтовые датчики (не ВЕ)...
но все же поставил 5-вольтовые датчики (не ВЕ)...