Схема питания шкафа управления

Контроллеры, драйверы, датчики, управляющие устройства.
Аватара пользователя
AymoZotto
Новичок
Сообщения: 35
Зарегистрирован: 29 мар 2018, 12:53
Репутация: 3
Настоящее имя: Алексей
Контактная информация:

Схема питания шкафа управления

Сообщение AymoZotto »

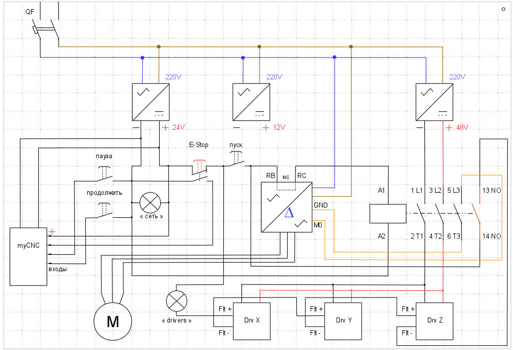
Сделал схему питания шкафа управления 3-х осным фрезерным/граверным станком. Станок заказан у Максима (frezeryga). Шкаф готовлюсь собирать сам. Прошу посмотреть и дать свои комментарии.

Кнопка пуск замыкает цепь катушки контактора и активирует "автоподхват". После срабатываиния котактора на драйверы EM705 подается питание. Затем на драайверах внутри замыкается зепь Flt- - Flt+ и загорается лампочка - контрольная цепь активна. После этого кнопку пуск можно отпустить.
Контрольная цепь размыкается по E-Stop, при ошибке ПЧ (Delta VFD) - НЗ контакты реле RB-RC, при ошибке любого драйвера.
При нажатии E-stop рвется цепь. Отключается контактор, отключаются питание драйверов, подается сигнал на ПЧ размыканием M0-Gnd, подается сигнал на контроллер замыканием второй пары контактов на E-Stop.

Кнопки пауза и продолжить подают соответствующие сигнал на входы контроллера.
Вложения
shema01.png (1701 просмотр) <a class='original' href='./download/file.php?id=137905&mode=view' target=_blank>Загрузить оригинал (61.13 КБ)</a>
Аватара пользователя
Serg
Мастер
Сообщения: 21923
Зарегистрирован: 17 апр 2012, 14:58
Репутация: 5183
Заслуга: c781c134843e0c1a3de9
Настоящее имя: Сергей
Откуда: Москва
Контактная информация:

Re: Схема питания шкафа управления

Сообщение Serg »

Если хотите рассказывать про свой станок, то назовите тему соответственно. Нынешнее название ни о чём.

P.S. Лампочка "drivers" никогда не загорится. :)
Я не Христос, рыбу не раздаю, но могу научить, как сделать удочку...
Аватара пользователя
xvovanx
Мастер
Сообщения: 3772
Зарегистрирован: 25 фев 2016, 12:27
Репутация: 920
Настоящее имя: Владимир
Откуда: Latvia
Контактная информация:

Re: Схема питания шкафа управления

Сообщение xvovanx »

UAVpilot писал(а): P.S. Лампочка "drivers" никогда не загорится. :)
Да ;) +1, минусы блоков питания не объединены. И питание на все три драйвера подавайте сразу от контактора, а не по цепочке первый-второй-третий, чтоб падения одного не влияло на питание других.
Последний раз редактировалось xvovanx 25 апр 2018, 15:32, всего редактировалось 1 раз.
Аватара пользователя
frezeryga
Почётный участник
Почётный участник
Сообщения: 13712
Зарегистрирован: 18 авг 2013, 16:08
Репутация: 5069
Откуда: Жуковский
Контактная информация:

Re: Схема питания шкафа управления

Сообщение frezeryga »

Если принцип как у меня то нужно промежуточное реле ставить которое будет врубать контактор поскольку потребляемая мощность катушки контактора выше допустимой нагрузки на транзисторы выходов в драйверах.
Аватара пользователя
AymoZotto
Новичок
Сообщения: 35
Зарегистрирован: 29 мар 2018, 12:53
Репутация: 3
Настоящее имя: Алексей
Контактная информация:

Re: Схема питания шкафа управления

Сообщение AymoZotto »

xvovanx писал(а):И питание на все три драйвера подавайте сразу от контактора, а не по цепочке первый-второй-третий, чтоб падения одного не влияло на питание других.
ОК. Неудачно нарисовал.
frezeryga писал(а):Если принцип как у меня то нужно промежуточное реле ставить которое будет врубать контактор поскольку потребляемая мощность катушки контактора выше допустимой нагрузки на транзисторы выходов в драйверах.
Спасибо. Не учел токи потребления... :( Резделю цепь управления и питания контактора.
Ответить

Вернуться в «Электроника»