Сломался привод FANUC A06B-6047-H002

Контроллеры, драйверы, датчики, управляющие устройства.
Аватара пользователя
Urec
Мастер
Сообщения: 403
Зарегистрирован: 23 окт 2012, 11:32
Репутация: 92
Настоящее имя: Георгий
Откуда: г.Москва
Контактная информация:

Сломался привод FANUC A06B-6047-H002

Сообщение Urec »

Здравствуйте! Подсобите разобраться, сломался привод фанук.
Индикация на плате показала что пробит транзистор. Короткое замыкание между выводами.
Мотор постоянник, силовая часть- Н-мост
Я нашел пробитый транзистор, точне плечо транзисторов.
Вот маркировка MG50G2CL1, ссылки на алиэкспрессе говорят что на 600вольт и 50А тока.
Вот даташит
http://www.datasheetlib.com/datasheet/9 ... uctor.html
Ввиду срочности ремонта, хочу заменить плечо на пару транзисторов из чип и дипа.
Помогите подобрать замену.
Вижу обозначение NPN в даташите. и явно транзисторы не мосфеты
На этой ссылке характеристики( прям нужного не нашел, подобрал по буковкам)
https://pastenow.ru/2IF96
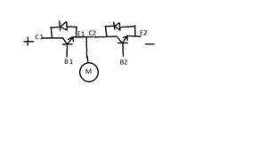
А вот схемка
https://pastenow.ru/2IF9N

Хочу купить пару npn транзисторов
вот таких
https://www.chipdip.ru/product/ikw30n60h3-k30h603
и может диоды защитные поставить.
Подскажитие, подойдет такая замена?
И какие защитные диоды подобрать?
plecho.jpg (1797 просмотров) <a class='original' href='./download/file.php?id=129750&mode=view' target=_blank>Загрузить оригинал (34.18 КБ)</a>
:mrgreen:
Duhas
Мастер
Сообщения: 1961
Зарегистрирован: 10 окт 2015, 23:25
Репутация: 285
Настоящее имя: Андрей
Откуда: Красноярск
Контактная информация:

Re: Сломался привод FANUC A06B-6047-H002

Сообщение Duhas »

а купить такой же? первая страница гугла предложила http://igbts.ru/catalog/transistors/MG50G2CL1/
Ответить

Вернуться в «Электроника»