Лазерный гравер по дереву 60*40 см. Замена мозга...

Лазерные, плазменные станки, газо- и водорезки, плоттеры.
alexchel
Новичок
Сообщения: 21
Зарегистрирован: 17 сен 2017, 16:20
Репутация: 0
Контактная информация:

Лазерный гравер по дереву 60*40 см. Замена мозга...

Сообщение alexchel »

Переходим с Yueming на Ruida. Не могу нигде найти распиновку управления блока розжига лазера DB9 разъем (как COM порт)
Хелп....
Вложения
IMG-890a14e1306bd1ad5249e6f1c52a9ed8-V.jpg (2858 просмотров) <a class='original' href='./download/file.php?id=129735&mode=view' target=_blank>Загрузить оригинал (4.66 МБ)</a>
все что нашел (2858 просмотров) <a class='original' href='./download/file.php?id=129736&mode=view' target=_blank>Загрузить оригинал (5.66 МБ)</a>
все что нашел
примерно вот такой бп (2858 просмотров) <a class='original' href='./download/file.php?id=129738&mode=view' target=_blank>Загрузить оригинал (55.84 КБ)</a>
примерно вот такой бп
arkhnchul
Мастер
Сообщения: 1773
Зарегистрирован: 01 фев 2016, 13:56
Репутация: 339
Откуда: москва
Контактная информация:

Re: Лазерный гравер по дереву 60*40 см. Замена мозга...

Сообщение arkhnchul »

на "примерно вот такой" гуглится сходу. На имеющемся модель не написана?
Вложения
HTB1.b45JXXXXXbKapXXq6xXFXXXS.jpg (2846 просмотров) <a class='original' href='./download/file.php?id=129749&mode=view' target=_blank>Загрузить оригинал (180.25 КБ)</a>
alexchel
Новичок
Сообщения: 21
Зарегистрирован: 17 сен 2017, 16:20
Репутация: 0
Контактная информация:

Re: Лазерный гравер по дереву 60*40 см. Замена мозга...

Сообщение alexchel »

а разница в описании 2 и 6 контактов?
Реально не мог найти...
arkhnchul
Мастер
Сообщения: 1773
Зарегистрирован: 01 фев 2016, 13:56
Репутация: 339
Откуда: москва
Контактная информация:

Re: Лазерный гравер по дереву 60*40 см. Замена мозга...

Сообщение arkhnchul »

второй - WP, сигнал с датчика потока; шестой - TL, управление лазером активным низким уровнем.
alexchel
Новичок
Сообщения: 21
Зарегистрирован: 17 сен 2017, 16:20
Репутация: 0
Контактная информация:

Re: Лазерный гравер по дереву 60*40 см. Замена мозга...

Сообщение alexchel »

а у меня и в руиду с датчика потока есть клемма. его и туда и туда цеплять или на блоке перемычку?
motor
Кандидат
Сообщения: 42
Зарегистрирован: 02 июн 2016, 13:44
Репутация: 10
Настоящее имя: Константин
Контактная информация:

Re: Лазерный гравер по дереву 60*40 см. Замена мозга...

Сообщение motor »

Датчик подключить к Руиде, на БП - перемычка.
В настройках Руиды поставить галочку наличия датчика потока
alexchel
Новичок
Сообщения: 21
Зарегистрирован: 17 сен 2017, 16:20
Репутация: 0
Контактная информация:

Re: Лазерный гравер по дереву 60*40 см. Замена мозга...

Сообщение alexchel »

На этом бп перемычку на землю сделать?
motor
Кандидат
Сообщения: 42
Зарегистрирован: 02 июн 2016, 13:44
Репутация: 10
Настоящее имя: Константин
Контактная информация:

Re: Лазерный гравер по дереву 60*40 см. Замена мозга...

Сообщение motor »

Да, перемычку на землю (G).
Еще... судя по описанию сигналов, сигнал PWM (4-й пин) идет с уровнем 3,3В, а Руида его выдает с уровнем 5 В.
Тут надо либо внутреннюю схему БП посмотреть, чтобы ничего не сгорело, либо ставить ограничитель - согласователь уровней.
alexchel
Новичок
Сообщения: 21
Зарегистрирован: 17 сен 2017, 16:20
Репутация: 0
Контактная информация:

Re: Лазерный гравер по дереву 60*40 см. Замена мозга...

Сообщение alexchel »

а если 4 пин вообще не цеплять? аналоговый резюк
alexchel
Новичок
Сообщения: 21
Зарегистрирован: 17 сен 2017, 16:20
Репутация: 0
Контактная информация:

Re: Лазерный гравер по дереву 60*40 см. Замена мозга...

Сообщение alexchel »

Вот нашел схему которая была... объясните что куда теперь на руиду цеплять
Вложения
1.jpg (2745 просмотров) <a class='original' href='./download/file.php?id=129862&mode=view' target=_blank>Загрузить оригинал (58.6 КБ)</a>
Аватара пользователя
niksooon
Мастер
Сообщения: 2144
Зарегистрирован: 23 июн 2014, 23:18
Репутация: 1207
Откуда: Кашира
Контактная информация:

Re: Лазерный гравер по дереву 60*40 см. Замена мозга...

Сообщение niksooon »

alexchel писал(а):объясните что куда теперь на руиду цеплять
А что мешает дядюшку Гугла озадачить и вот такой вопрос задать - ruida wiring diagram .............
Сделанное правильно — красиво. Если сделанное тебе не нравится — то и работать оно будет хреново. Перевари, пересверли, выпили заново — ну, или хотя бы покрась.
alexchel
Новичок
Сообщения: 21
Зарегистрирован: 17 сен 2017, 16:20
Репутация: 0
Контактная информация:

Re: Лазерный гравер по дереву 60*40 см. Замена мозга...

Сообщение alexchel »

да как руиду цеплять есть мануал, а вот провода юминговского блока розжига как подключить к руидовскому мозгу-вот это вопрос
Аватара пользователя
niksooon
Мастер
Сообщения: 2144
Зарегистрирован: 23 июн 2014, 23:18
Репутация: 1207
Откуда: Кашира
Контактная информация:

Re: Лазерный гравер по дереву 60*40 см. Замена мозга...

Сообщение niksooon »

А на этом блоке хоть какая-то маркировка есть входов-выходов ? или только невнятная схема что на скрине выше.......
Или затык только в непонимании назначения клемм 2 и 6 из второго поста темы?
Сделанное правильно — красиво. Если сделанное тебе не нравится — то и работать оно будет хреново. Перевари, пересверли, выпили заново — ну, или хотя бы покрась.
alexchel
Новичок
Сообщения: 21
Зарегистрирован: 17 сен 2017, 16:20
Репутация: 0
Контактная информация:

Re: Лазерный гравер по дереву 60*40 см. Замена мозга...

Сообщение alexchel »

нет маркировки вообще. но по цыетам звонится от разъема прям в цвет и подключены они были как на схеме юминга
Аватара пользователя
niksooon
Мастер
Сообщения: 2144
Зарегистрирован: 23 июн 2014, 23:18
Репутация: 1207
Откуда: Кашира
Контактная информация:

Re: Лазерный гравер по дереву 60*40 см. Замена мозга...

Сообщение niksooon »

с руиды на блок питания надоть всего 3 провода кинуть .
gnd блока питания и gnd руиды объединить -это первый
с руиды подать сигнал на вход TL блока питания ( он должОн включаться когда на входе логический 0 буит присутствовать) это второй
ну и третий провод- сигнал PWM на вход IN блока питания .......
еще перемычка нужна на блоке питания между gnd и WP.... т е вход WP сажаем на ноль ,тем самым снимаем блокировку от датчика протока
как их вычислить это уже твоя забота -дистанционно однозначно определить не получиться -вероятность ошибки большая...........
Сделанное правильно — красиво. Если сделанное тебе не нравится — то и работать оно будет хреново. Перевари, пересверли, выпили заново — ну, или хотя бы покрась.
alexchel
Новичок
Сообщения: 21
Зарегистрирован: 17 сен 2017, 16:20
Репутация: 0
Контактная информация:

Re: Лазерный гравер по дереву 60*40 см. Замена мозга...

Сообщение alexchel »

а с потенциометра еще есть провод. Так в этом и вопрос. что никто никогда юминг не цеплял? схема то его родная
Вложения
1.jpg (2659 просмотров) <a class='original' href='./download/file.php?id=129937&mode=view' target=_blank>Загрузить оригинал (58.6 КБ)</a>
Аватара пользователя
niksooon
Мастер
Сообщения: 2144
Зарегистрирован: 23 июн 2014, 23:18
Репутация: 1207
Откуда: Кашира
Контактная информация:

Re: Лазерный гравер по дереву 60*40 см. Замена мозга...

Сообщение niksooon »

нафиг тебе потенциометр если руида сама может мощностью лазера рулить (PWM сигналом)
Сделанное правильно — красиво. Если сделанное тебе не нравится — то и работать оно будет хреново. Перевари, пересверли, выпили заново — ну, или хотя бы покрась.
alexchel
Новичок
Сообщения: 21
Зарегистрирован: 17 сен 2017, 16:20
Репутация: 0
Контактная информация:

Re: Лазерный гравер по дереву 60*40 см. Замена мозга...

Сообщение alexchel »

я понял. вот теперь осталось найти эти три провода. что нет распина юминговской платы? Сервисники ....
alexchel
Новичок
Сообщения: 21
Зарегистрирован: 17 сен 2017, 16:20
Репутация: 0
Контактная информация:

Re: Лазерный гравер по дереву 60*40 см. Замена мозга...

Сообщение alexchel »

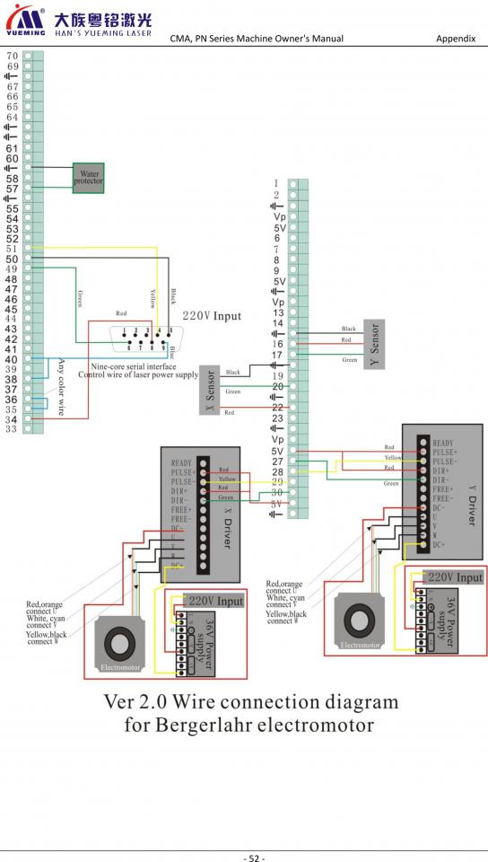
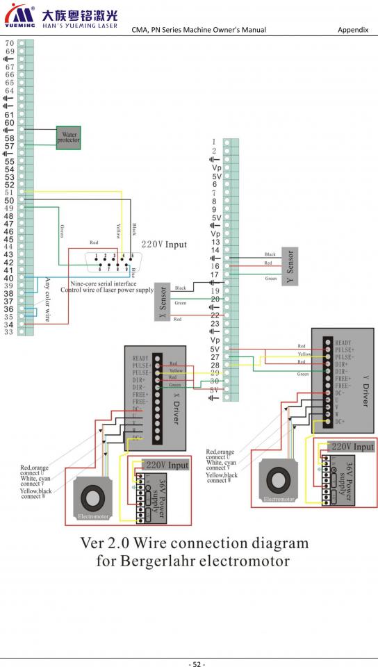
Китайцы прислали вот что... Все равно не пойму ничего
Вложения
Безымянный.jpg (2611 просмотров) <a class='original' href='./download/file.php?id=130115&mode=view' target=_blank>Загрузить оригинал (191.89 КБ)</a>
Ответить

Вернуться в «Лазерные, плазменные и другие раскроечные станки»