Шаговик 86 и планетарный редуктор

Шаговые и серво двигатели, шпиндели, инверторы.
alexandr1988
Кандидат
Сообщения: 77
Зарегистрирован: 07 окт 2014, 11:54
Репутация: 5
Контактная информация:

Шаговик 86 и планетарный редуктор

Сообщение alexandr1988 »

Здравствуйте!
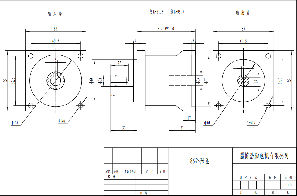
Имеется обычный шаговый двигатель 86 типоразмера, с выходным валом 14 мм и двумя лысками (думаю, так у всех).
Нужен к нему планетарный редуктор, так вот, у редукторов (смотрел и в России и на али) входной вал 14 мм полый со шпонкой (китайский чертеж прилагаю). Вот 19 видел разрезной полый вал со стяжным винтом, а вот 14 -нет.
Я конечно могу шпоночный паз профрезеровать на валу двигателя, но может есть какие то готовые решения?
Заранее спасибо за ответы.
Вложения
HTB1MPdVSFXXXXagXFXX760XFXXX0.png (3947 просмотров) <a class='original' href='./download/file.php?id=121868&mode=view' target=_blank>Загрузить оригинал (81.8 КБ)</a>
Аватара пользователя
MX_Master
Мастер
Сообщения: 7490
Зарегистрирован: 27 июн 2015, 19:45
Репутация: 3113
Настоящее имя: Михаил
Откуда: Алматы
Контактная информация:

Re: Шаговик 86 и планетарный редуктор

Сообщение MX_Master »

Это ещё чё, у меня 86-ой с двумя лысками и валом 12.7 мм :hehehe:
А в планетарнике PX4 входное 14 мм со шпонкой.
Всё прекрасно стыкуется с самодельной шпонкой ;)
В моём случае - ещё и с самодельной доп. муфтой.
Lunatic
Мастер
Сообщения: 460
Зарегистрирован: 09 мар 2015, 20:25
Репутация: 75
Настоящее имя: Дмитрий
Контактная информация:

Re: Шаговик 86 и планетарный редуктор

Сообщение Lunatic »

Я 86-й мотор подружил с редуктором (не китайским) для 90 мм сервомотора. Пришлось на шаговом немного рассверлить крепежные отверстия, чуть не попадали в размер. Вот у такого редуктора как раз вал со стяжным винтом и втулка переходная с 19 мм на нужный диаметр. Может посмотрите такие редуктора?
alexandr1988
Кандидат
Сообщения: 77
Зарегистрирован: 07 окт 2014, 11:54
Репутация: 5
Контактная информация:

Re: Шаговик 86 и планетарный редуктор

Сообщение alexandr1988 »

Спасибо за ответ! Я рассматривал такой вариант, как крайний. У пурелоджика есть 86 редуктор с 19 отверстием со стяжкой, втулку с 14 на 19 сделать вообще не проблема.
Одно но - у них этот редуктор (тоже китайский конечно же) стоит как 2 шт с 14 мм и шпонкой в другом месте :) .
Vasiliy Kuchurin
Кандидат
Сообщения: 52
Зарегистрирован: 09 сен 2017, 22:16
Репутация: 0
Настоящее имя: Василий
Контактная информация:

Re: Шаговик 86 и планетарный редуктор

Сообщение Vasiliy Kuchurin »

alexandr1988 писал(а):Здравствуйте!
Имеется обычный шаговый двигатель 86 типоразмера, с выходным валом 14 мм и двумя лысками (думаю, так у всех).
Нужен к нему планетарный редуктор, так вот, у редукторов (смотрел и в России и на али) входной вал 14 мм полый со шпонкой (китайский чертеж прилагаю). Вот 19 видел разрезной полый вал со стяжным винтом, а вот 14 -нет.
Я конечно могу шпоночный паз профрезеровать на валу двигателя, но может есть какие то готовые решения?
Заранее спасибо за ответы.
у меня валяется без дела 3 новых редуктора от 86 движков,движки тоже есть,если нужно пишите
Dmitry07
Новичок
Сообщения: 6
Зарегистрирован: 11 авг 2017, 05:24
Репутация: 1
Откуда: Нальчк
Контактная информация:

Re: Шаговик 86 и планетарный редуктор

Сообщение Dmitry07 »

Vasiliy Kuchurin, Vasiliy Kuchurin, Vasiliy Kuchurin,
Vasiliy Kuchurin писал(а):у меня валяется без дела 3 новых редуктора от 86 движков,движки тоже есть,если нужно пишите
здравствуйте. в какую цену ваши редуктора и каково передаточное число?
Ответить

Вернуться в «Двигатели и шпиндели»