Подключение концевых емкостных датчиков к Контроллер USB.
-
arshin
- Новичок
- Сообщения: 3
- Зарегистрирован: 09 авг 2017, 21:07
- Репутация: 0
- Настоящее имя: Алексей
- Контактная информация:
Подключение концевых емкостных датчиков к Контроллер USB.
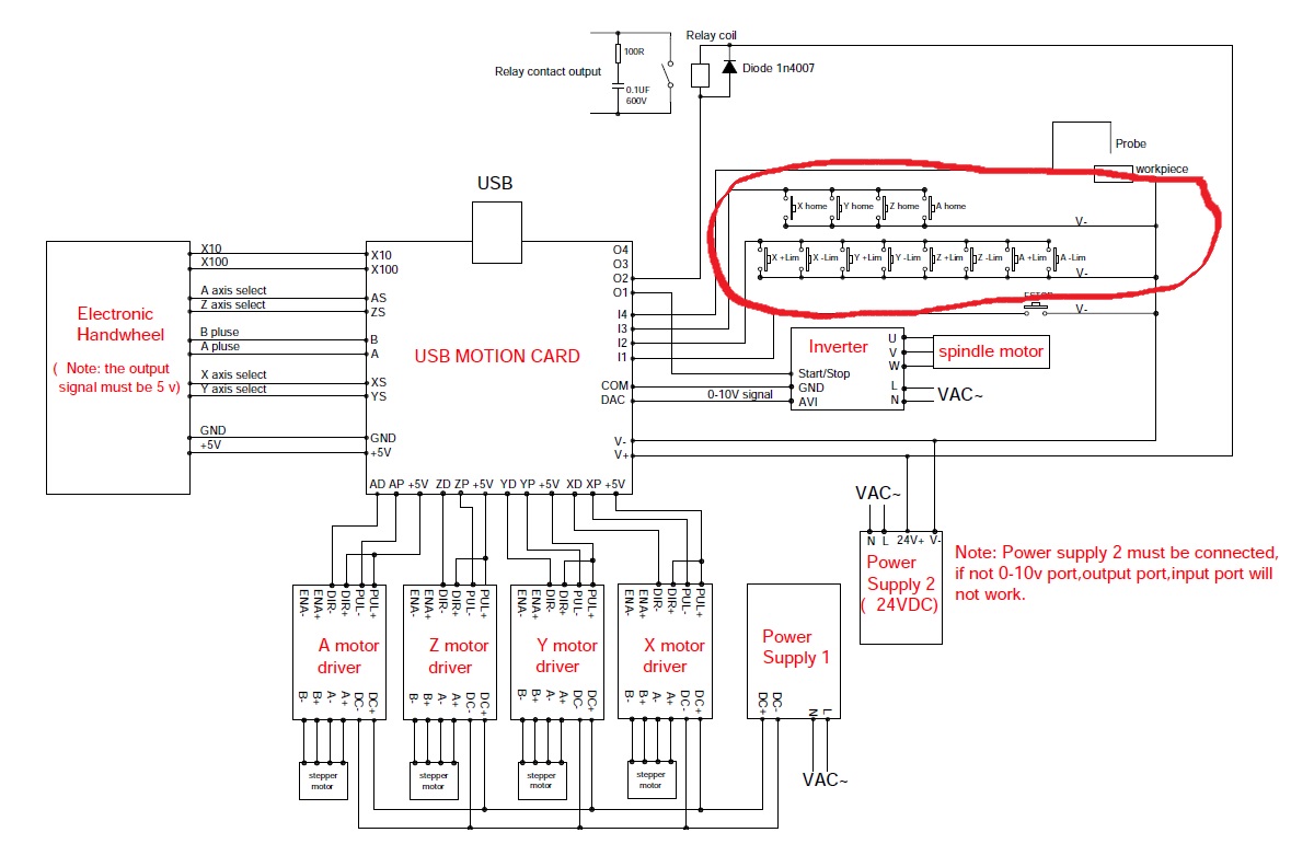
Здравствуйте! Проблема не могу подключить емкостный концевик, любое подключение проводов вызывает срабатывание. Замерил сопротивление между контактами Коричневый - черный 10ком, Коричневый - синий 40 ком. , черный- синий 48ком, вот концевик https://ru.aliexpress.com/item/LJ8A3-2- ... 45807.html. схема подключения к контролеру я прикрепил. Может мне другой купить надо или платку допаять. Помогите пожалуйста. картинка контроллера https://yandex.ru/images/search?text=us ... rpt=simage
- Rom327
- Почётный участник

- Сообщения: 2989
- Зарегистрирован: 03 апр 2015, 13:23
- Репутация: 437
- Настоящее имя: Роман
- Откуда: Подольск
- Контактная информация:
Re: Подключение концевых емкостных датчиков к Контроллер USB
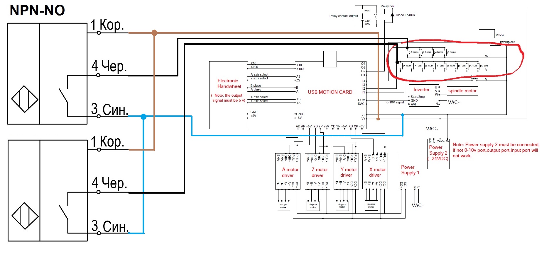
Вот так надо:
Это сугубо мое мнение, могу и ошибаться...
https://vk.com/rom327
GRBL настройки: http://blogandbux.blogspot.com/2018/07/ ... revod.html
G коды: http://3d-stanki.ru/spravochnik/program ... stankov-2/
https://vk.com/rom327
GRBL настройки: http://blogandbux.blogspot.com/2018/07/ ... revod.html
G коды: http://3d-stanki.ru/spravochnik/program ... stankov-2/
-
arshin
- Новичок
- Сообщения: 3
- Зарегистрирован: 09 авг 2017, 21:07
- Репутация: 0
- Настоящее имя: Алексей
- Контактная информация:
Re: Подключение концевых емкостных датчиков к Контроллер USB
С подключением я все понял. Я на включенном станке подключаю синий и черный и Mach3 пишет, датчик сработал, Вот что смутило.
- Rom327
- Почётный участник

- Сообщения: 2989
- Зарегистрирован: 03 апр 2015, 13:23
- Репутация: 437
- Настоящее имя: Роман
- Откуда: Подольск
- Контактная информация:
Re: Подключение концевых емкостных датчиков к Контроллер USB
А вот на включенном станке вообще не стоит ничего подключать!arshin писал(а):С подключением я все понял. Я на включенном станке подключаю синий и черный и Mach3 пишет, датчик сработал, Вот что смутило.
Это сугубо мое мнение, могу и ошибаться...
https://vk.com/rom327
GRBL настройки: http://blogandbux.blogspot.com/2018/07/ ... revod.html
G коды: http://3d-stanki.ru/spravochnik/program ... stankov-2/
https://vk.com/rom327
GRBL настройки: http://blogandbux.blogspot.com/2018/07/ ... revod.html
G коды: http://3d-stanki.ru/spravochnik/program ... stankov-2/