Связка 4х сервоприводов в одно целое
-
Nikomas
- Мастер
- Сообщения: 721
- Зарегистрирован: 07 янв 2012, 14:31
- Репутация: 64
- Откуда: Беларусь
- Контактная информация:
Связка 4х сервоприводов в одно целое
Друзья, будет ли работать 3яя схема, или здесь без диодов не обойтись? Планирую все 4 сигнала EMG усилков рвать одной релюшкой.
- michael-yurov
- Почётный участник

- Сообщения: 11731
- Зарегистрирован: 26 июл 2012, 00:10
- Репутация: 4703
- Настоящее имя: Михаил Львович
- Откуда: Новоуральск
- Контактная информация:
Re: Связка 4х сервоприводов в одно целое
А чем третья схема отличается от первой?
-
Nikomas
- Мастер
- Сообщения: 721
- Зарегистрирован: 07 янв 2012, 14:31
- Репутация: 64
- Откуда: Беларусь
- Контактная информация:
Re: Связка 4х сервоприводов в одно целое
Мне так нагляднее)) Уж простите нуба. Если ничем, то тогда 3яя имеет право на жизнь?michael-yurov писал(а):А чем третья схема отличается от первой?
- michael-yurov
- Почётный участник

- Сообщения: 11731
- Зарегистрирован: 26 июл 2012, 00:10
- Репутация: 4703
- Настоящее имя: Михаил Львович
- Откуда: Новоуральск
- Контактная информация:
Re: Связка 4х сервоприводов в одно целое
Да я без подколок. Вроде бы не отличается.
А ответа на ваш вопрос не знаю. Я не знаю, что за сервоприводы и что за сигнал EMG.
Если это вход сигнала, то, полагаю, можно обойтись одной контактной парой и все входы запараллельить. Но это лишь предположение. Что там на самом деле - не известно.
А ответа на ваш вопрос не знаю. Я не знаю, что за сервоприводы и что за сигнал EMG.
Если это вход сигнала, то, полагаю, можно обойтись одной контактной парой и все входы запараллельить. Но это лишь предположение. Что там на самом деле - не известно.
-
Nikomas
- Мастер
- Сообщения: 721
- Зарегистрирован: 07 янв 2012, 14:31
- Репутация: 64
- Откуда: Беларусь
- Контактная информация:
Re: Связка 4х сервоприводов в одно целое
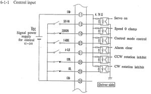
Вот что внутрях. Сигналы Servo-ON с 4х усилков хочу завести в одну группу контактов реле. И уже из LinuxCNC управлять включением приводов.michael-yurov писал(а):Что там на самом деле - не известно.
-
MGG
- Мастер
- Сообщения: 3673
- Зарегистрирован: 08 фев 2016, 16:33
- Репутация: 1010
- Настоящее имя: Манн Геннадий Геннадьевич
- Откуда: Москва
- Контактная информация:
Re: Связка 4х сервоприводов в одно целое
Будет работать. У меня вообще без реле напрямую в контроллер заведено.Nikomas писал(а):Сигналы Servo-ON с 4х усилков хочу завести в одну группу контактов реле. И уже из LinuxCNC управлять включением приводов.
http://www.cnc-club.ru/forum/viewtopic. ... 76#p304076 Поставки оборудования для ваших станков
https://www.instagram.com/dtw.moscow/
dtw.moscow@gmail.com
https://www.instagram.com/dtw.moscow/
dtw.moscow@gmail.com
-
Nikomas
- Мастер
- Сообщения: 721
- Зарегистрирован: 07 янв 2012, 14:31
- Репутация: 64
- Откуда: Беларусь
- Контактная информация:
Re: Связка 4х сервоприводов в одно целое
Диоды лишние?MGG писал(а):Будет работать.
- michael-yurov
- Почётный участник

- Сообщения: 11731
- Зарегистрирован: 26 июл 2012, 00:10
- Репутация: 4703
- Настоящее имя: Михаил Львович
- Откуда: Новоуральск
- Контактная информация:
Re: Связка 4х сервоприводов в одно целое
Если там как на схеме резисторы на 4,7 кОм и питание до 24 В, то можно все входы повесить на одну оптопару pc817 и контактных групп реле не нужно.Nikomas писал(а):Сигналы Servo-ON с 4х усилков хочу завести в одну группу контактов реле. И уже из LinuxCNC управлять включением приводов.
-
MGG
- Мастер
- Сообщения: 3673
- Зарегистрирован: 08 фев 2016, 16:33
- Репутация: 1010
- Настоящее имя: Манн Геннадий Геннадьевич
- Откуда: Москва
- Контактная информация:
Re: Связка 4х сервоприводов в одно целое
В электроинке не силен, у меня работает без них, контроллер разрывает землю, в данном случае SRV-ON. Все подключено напрямую, без диодов и релеNikomas писал(а):Диоды лишние?
http://www.cnc-club.ru/forum/viewtopic. ... 76#p304076 Поставки оборудования для ваших станков
https://www.instagram.com/dtw.moscow/
dtw.moscow@gmail.com
https://www.instagram.com/dtw.moscow/
dtw.moscow@gmail.com
-
aftaev
- Зачётный участник

- Сообщения: 34042
- Зарегистрирован: 04 апр 2010, 19:22
- Репутация: 6194
- Откуда: Казахстан.
- Контактная информация:
Re: Связка 4х сервоприводов в одно целое
Платы MESA умеют включать сигнал S-On без всяких релеNikomas писал(а):Сигналы Servo-ON с 4х усилков хочу завести в одну группу контактов реле. И уже из LinuxCNC управлять включением приводов.
Дилетанту сложные вещи кажутся очень простыми, и только профессионал понимает насколько сложна самая простая вещь
Кто хочет - ищет возможности, кто не хочет - ищет оправдание.
Найди работу по душе и тебе не придется работать.
Кто хочет - ищет возможности, кто не хочет - ищет оправдание.
Найди работу по душе и тебе не придется работать.
-
Nikomas
- Мастер
- Сообщения: 721
- Зарегистрирован: 07 янв 2012, 14:31
- Репутация: 64
- Откуда: Беларусь
- Контактная информация:
Re: Связка 4х сервоприводов в одно целое
Ради включения SON покупать Меса - расточительство)))aftaev писал(а):Платы MESA умеют включать сигнал S-On без всяких реле
-
vektor_z
- Мастер
- Сообщения: 405
- Зарегистрирован: 30 ноя 2014, 16:45
- Репутация: 387
- Настоящее имя: Василий
- Откуда: Украина. Закарпатская обл.
- Контактная информация:
Re: Связка 4х сервоприводов в одно целое
В принципе любые контроллеры которые разрывают землю можно подключать на S-ON напрямую. У меня на контроллере myCNC тоже S-ON заведен в контроллер напрямую, и работает.Nikomas писал(а):Ради включения SON покупать Меса - расточительство)))
-
Nikomas
- Мастер
- Сообщения: 721
- Зарегистрирован: 07 янв 2012, 14:31
- Репутация: 64
- Откуда: Беларусь
- Контактная информация:
Re: Связка 4х сервоприводов в одно целое
Речь идет о 4 SON от усилков в одном жгуте.vektor_z писал(а):У меня на контроллере myCNC тоже S-ON заведен в контроллер напрямую, и работает.
-
vektor_z
- Мастер
- Сообщения: 405
- Зарегистрирован: 30 ноя 2014, 16:45
- Репутация: 387
- Настоящее имя: Василий
- Откуда: Украина. Закарпатская обл.
- Контактная информация:
Re: Связка 4х сервоприводов в одно целое
Насчет 4 S-ON не знаю, но 3 S-ON в одной связке, то есть все 3 S-ON подключены паралельно к одному выходному порту работают)
-
Nikomas
- Мастер
- Сообщения: 721
- Зарегистрирован: 07 янв 2012, 14:31
- Репутация: 64
- Откуда: Беларусь
- Контактная информация:
Re: Связка 4х сервоприводов в одно целое
Вот и отлично. Думаю, вопрос решен.vektor_z писал(а):то есть все 3 S-ON подключены паралельно к одному выходному порту работают
- michael-yurov
- Почётный участник

- Сообщения: 11731
- Зарегистрирован: 26 июл 2012, 00:10
- Репутация: 4703
- Настоящее имя: Михаил Львович
- Откуда: Новоуральск
- Контактная информация:
Re: Связка 4х сервоприводов в одно целое
(24 - 1,2) В / 4700 Ом * 4 шт. = 19 мАNikomas писал(а):Речь идет о 4 SON от усилков в одном жгуте.
С таким справится оптопара за 3 руб. + резистор за 20 коп.
- Сергей Саныч
- Мастер
- Сообщения: 9116
- Зарегистрирован: 30 май 2012, 14:20
- Репутация: 2858
- Откуда: Тюмень
- Контактная информация:
Re: Связка 4х сервоприводов в одно целое
Если подключать к обычной китайской плате ввода-вывода, где на выходах 74HC244 или подобные микросхемы, то прямое подключение не подойдет. Нельзя на ее выходы подавать больше 5 вольт.
Цена решения вопроса - один транзистор и один резистор. Ну или
Цена решения вопроса - один транзистор и один резистор. Ну или
michael-yurov писал(а):С таким справится оптопара за 3 руб. + резистор за 20 коп.
Чудес не бывает. Бывают фокусы.
-
Nikomas
- Мастер
- Сообщения: 721
- Зарегистрирован: 07 янв 2012, 14:31
- Репутация: 64
- Откуда: Беларусь
- Контактная информация:
Re: Связка 4х сервоприводов в одно целое
У китайской платы есть 3 реле (14, 16, 17 выходы LPT). На NO группу контактов одной из реле и будут заведены все SON.Сергей Саныч писал(а):Если подключать к обычной китайской плате ввода-вывода
- Сергей Саныч
- Мастер
- Сообщения: 9116
- Зарегистрирован: 30 май 2012, 14:20
- Репутация: 2858
- Откуда: Тюмень
- Контактная информация:
Re: Связка 4х сервоприводов в одно целое
Можно и так.Nikomas писал(а):На NO группу контактов одной из реле и будут заведены все SON.
Чудес не бывает. Бывают фокусы.
- Serg
- Мастер
- Сообщения: 21923
- Зарегистрирован: 17 апр 2012, 14:58
- Репутация: 5183
- Заслуга: c781c134843e0c1a3de9
- Настоящее имя: Сергей
- Откуда: Москва
- Контактная информация:
Re: Связка 4х сервоприводов в одно целое
Помнится у MGG уже есть 7i77...Nikomas писал(а):Ради включения SON покупать Меса - расточительство)))
Я не Христос, рыбу не раздаю, но могу научить, как сделать удочку...