Здравствуйте!
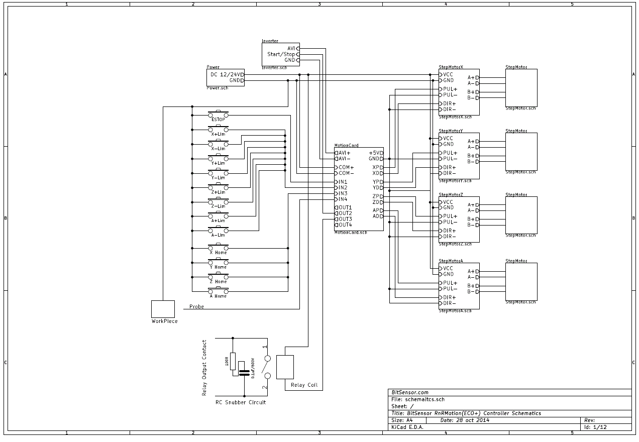
Помогите пожалуйста, опознать контроллер для дальнейшего поиска мануала и тех. характеристик
Хочу подключить серводвигатели с драйверами на 200кГц, надо понять подойдёт ли эта плата. Владелец отдаёт чуть ли не за пиво, но ничего про неё рассказать не может.
контроллер от неизвестного производителя
- riorao
- Новичок
- Сообщения: 6
- Зарегистрирован: 29 май 2016, 13:12
- Репутация: 0
- Настоящее имя: Виктор
- Откуда: Череповец
- Контактная информация:
Re: контроллер от неизвестного производителя
Большое спасибою Пожалуй не стану брать эту плату. Возьму у китайцев взломанную USBCNC MK2\4, она внешне выглядит куда более убедительно
https://world.taobao.com/item/52161889 ... ttachment]
https://world.taobao.com/item/52161889 ... ttachment]
