Крепление линейного направляющего к алюминиевому профилю

Общие вопросы станкостроения и организиции труда.
Эльдар Ф.
Новичок
Сообщения: 1
Зарегистрирован: 12 апр 2017, 14:47
Репутация: 0
Настоящее имя: Эльдар
Контактная информация:

Крепление линейного направляющего к алюминиевому профилю

Сообщение Эльдар Ф. »

Добрый день уважаемые форумчане,

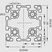
Подскажите, как лучше прикрепить линейные направляющие HIWIN HGH 20CA к конструкционному профилю 90*90. Размеры профиля приложил. Думаю скорее всего нужно делать из стальной полосы основу для линейных направляющих, шириной примерно 80 мм и высотой 20 мм, но может есть готовые решения.
Вложения
90x90_dims.gif
90x90_dims.gif (8.7 КБ) 2330 просмотров

Вернуться в «Общие вопросы»