Страница 1 из 1
Подделка DRV8825
Добавлено: 20 мар 2017, 21:13
ScrewDriver
Добрый день, уважаемые.
Натолкнулся в своих опытах на подделку драйвера DRV8825, купленную на AliExpress
В чем кривость:
Согласно документации производителя после включения драйвера DRV8825 обмотки ШД запитываются таким образом, что электрический угол должен составить 45 градусов
Страница 14, строка выделена серым:
http://www.ti.com/lit/ds/symlink/drv8825.pdf
Поддельный драйвер при выставлении тока большем, чем 0.7-1А после включения не держит ток в обмотках одинаковым.
В моем случае было 1.8А и 0.4А. Какие еще в нем глюки - одному богу известно, но максимальные скорости перемещения у меня были примерно в 2 раза ниже, чем с оригинальным драйвером.
Отличил случайно - были куплены 2 комплекта драйверов у разных продавцов.
На фото поддельный драйвер справа, у подделки из ярко выраженных отличий:
1) черный двусторонний скотч на радиаторе (в оригинале у меня белый)
2) на верхней стороне платы промаркированы резисторы и конденсаторы (На оригинале маркировки нет)
3) на тыльной стороне платы термопад белый (в оригинале желтый)
4) на тыльной стороне платы нет точки у надписи stp, в целом маркировка более размазанная(у оригинала есть точка у stp)
6) на тыльной стороне платы переходные отверстия не соединены общим полигоном (у оригинала они на общем полигоне)
Re: Подделка DRV8825
Добавлено: 25 мар 2017, 23:22
xenon-alien
Ты меня прости, но наверное ты имел ввиду боле качественный драйвер.
А то
оригинала цена думаю выше, чем покупал на али. (хотя могу ошибаться)
Re: Подделка DRV8825
Добавлено: 26 мар 2017, 07:28
Сергей Саныч
Прикидка по фото показывает, что китайцы особо не напрягались в плане правильности разводки обеих ПП. Так, у "фейковой" ширина дорожек к токоизмерительным резисторам где-то около 0,1мм. Это при толщине фольги 18мкм и длине дорожки около 7мм дает сопротивление примерно 0,06-0,07 Ом, что соизмеримо с значением резистора (0,1 Ом). Дефекты на такой тонкой дорожке дадут еще большее сопротивление, соответственно изменится выдаваемый ток. У другой платы эти дорожки раза в два шире. Кроме того, у "подделки" одна из токоизмерительных цепей находится в непосредственной близости от дорожки питания, по которой текут нехилые импульсы тока.
Re: Подделка DRV8825
Добавлено: 26 мар 2017, 11:46
ScrewDriver
xenon-alien писал(а):
Ты меня прости, но наверное ты имел ввиду боле качественный драйвер.
А то оригинала цена думаю выше, чем покупал на али. (хотя могу ошибаться)
Само собой и тот и другой брался в китае.
Оба кстати в у проверенных больших продавцов - и на фото у обоих не фейковые, а нормальные =)
Ну и я бы не заметил разницы, если бы мне два комплекта не пришли.
Сергей Саныч писал(а):У другой платы эти дорожки раза в два шире
А вот это интересно - будет время - перекину чип с фейковой на нормальную плату и посмотрю - может сам чип-то и нормальный, дело в разводке.
Re: Подделка DRV8825
Добавлено: 26 мар 2017, 14:53
Сергей Саныч
ScrewDriver писал(а):может сам чип-то и нормальный
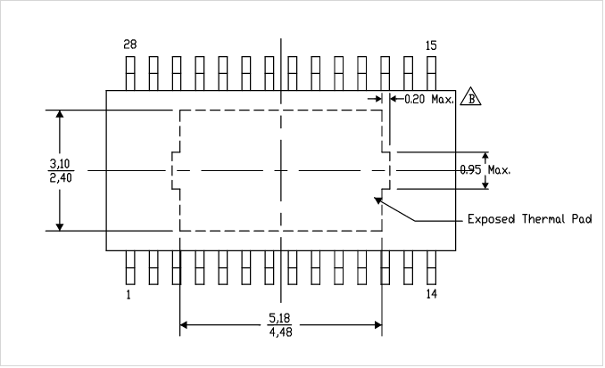
Может. Хотя от китайцев всего можно ожидать. Скажем, перемаркировки DRV8824 в 8825. Разводка у них одинаковая, а вот максимальный ток - разный. Отличить, отпаяв, можно по размеру термопада - у 8825 он больше.

- DRV8824

- DRV8825
На такую версию, кстати, намекает вид и размер сетки переходов под микросхемой.
Re: Подделка DRV8825
Добавлено: 26 мар 2017, 20:03
ScrewDriver
Сергей Саныч писал(а):
На такую версию, кстати, намекает вид и размер сетки переходов под микросхемой.
Термопады одинаковые - слева плохой драйвер.
Щас пересажу и посмотрю, как он себя поведет.
UPD: не-а, микросхемы тоже видимо какие-то левые - при токе 1.8А все так же отрубается. Да и греется заметно сильнее.
В мусор в общем...
Re: Подделка DRV8825
Добавлено: 26 мар 2017, 21:39
Сергей Саныч
Собственно, у настоящей 8825 термопад должен быть таким:

- 296;-4073225-6;-PWP;-28_sml.jpg (6.52 КБ) 7414 просмотров
И стОят эти микросхемы (голые) больше 2 долларов в партиях по 2000 шт. Это у оф. дилеров TI (не у нас).
А нам китайцы продают
готовые драйверы примерно за $1.3 (74-85 руб).
Причем поштучно и с доставкой

Re: Подделка DRV8825
Добавлено: 26 мар 2017, 23:38
ScrewDriver
Сергей Саныч писал(а):
И стОят эти микросхемы (голые) больше 2 долларов в партиях по 2000 шт. Это у оф. дилеров TI (не у нас).
А нам китайцы продают готовые драйверы примерно за $1.3 (74-85 руб).
Причем поштучно и с доставкой
Если честно у них были какие-то крылья, не обратил внимания - опять выпаивать уже лень.
я все думаю попробовать на mouser`е заказать, но отпугивает доставка.... где-то читал, что очень долго.
Re: Подделка DRV8825
Добавлено: 27 мар 2017, 00:17
michael-yurov
У нас в Екатеринбурге в Промэлектронике продают сами микросхемы по 276 руб.
http://www.promelec.ru/product/192909/
Производитель Texas Instruments.
Написано, что в розничном магазине нет в наличии, но склад в двух шагах от него - там есть немного.
Re: Подделка DRV8825
Добавлено: 27 мар 2017, 05:10
Сергей Саныч
Кстати, забыл спросить - много драйверов проверили?
Или только по штуке от каждого продавца?
Re: Подделка DRV8825
Добавлено: 27 мар 2017, 06:06
AndyBig
michael-yurov писал(а):У нас в Екатеринбурге в Промэлектронике продают сами микросхемы по 276 руб.
В Компэле пололушные драйвера на этих микросхемах продают по 447 рублей

Re: Подделка DRV8825
Добавлено: 27 мар 2017, 10:32
ScrewDriver
Сергей Саныч писал(а):Кстати, забыл спросить - много драйверов проверили?
Или только по штуке от каждого продавца?
Все. У всех одни и те же симптомы.
AndyBig писал(а):
В Компэле пололушные драйвера на этих микросхемах продают по 447 рублей
Тут уже возникает вопрос доверия... я мало общался с отечественными поставщиками, но мне кажется - купят на том же али, продадут как оригинал - не дорого возьмут.

Re: Подделка DRV8825
Добавлено: 02 ноя 2018, 12:09
SergeyСергей
Коллеги,
Прошу Вашего совета где купить "оригинальный" (= нормальный) драйвер DRV8825 в Москве в розницу.
Извините за такой вопрос не в личку, но я зарегистрировался недавно и мне пока не дают в личку писать.
Делаем с ребёнком робота.
Нету времени тратиться на оборудование плохого качества.
С уважением,
Сергей.
Re: Подделка DRV8825
Добавлено: 02 ноя 2018, 14:11
R6MF49T2
SergeyСергей писал(а):Коллеги,
Прошу Вашего совета где купить "оригинальный" (= нормальный) драйвер DRV8825 в Москве в розницу.
Извините за такой вопрос не в личку, но я зарегистрировался недавно и мне пока не дают в личку писать.
Делаем с ребёнком робота.
Нету времени тратиться на оборудование плохого качества.
С уважением,
Сергей.
100% оригинальный тут -
https://store.ti.com/Search.aspx?k=DRV8825&pt=-1
Если нужно прям сейчас и здесь - Компэл, Терраэлектроника и прочие оф. дистрибьюторы
Re: Подделка DRV8825
Добавлено: 02 ноя 2018, 17:17
SergeyСергей
Спасибо большое.
Нужно действительно тут и сейчас.
Заказал в компэле, там написано что плата от pololu. На следующей неделе получу попробую.
Спасибо!
С уважением,
Сергей
Re: Подделка DRV8825
Добавлено: 17 дек 2020, 03:31
xenon-alien
Мне "повезло" и попался двойной фейк в одной партии...
А я то думаю, чего они так фигово работают и так сильно греются при 1А...