Блоки питания. Правильно ли выбран источник питания?

Контроллеры, драйверы, датчики, управляющие устройства.
Аватара пользователя
Cross
Опытный
Сообщения: 166
Зарегистрирован: 21 июл 2015, 18:29
Репутация: 4
Настоящее имя: Артем
Контактная информация:

Блоки питания. Правильно ли выбран источник питания?

Сообщение Cross »

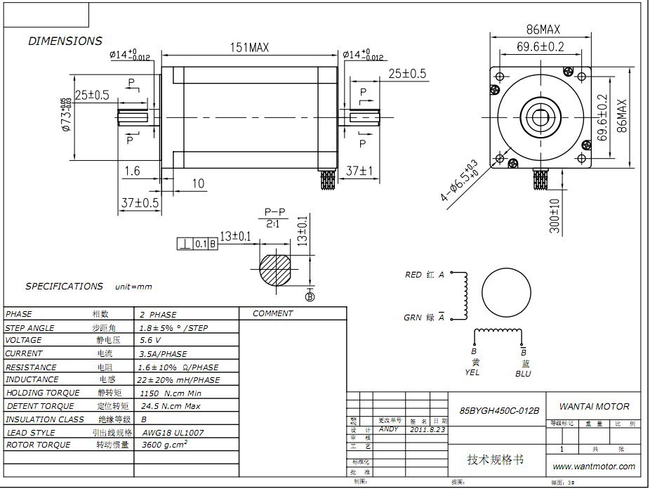
Приветствую! Терзают смутные сомнения насчет выбора блоков питания. Покупал не я и теперь приходится работать с тем что есть. На каждый ШД планируется по своему блоку питания, но у ШД большая индуктивность и драйвер еще запитать надо, и теперь я прибываю в сомнениях насчет правильности выбора источников питания. Помогите советом. Характеристики даю ниже:

Драйвер
DQ860MA
Входное напряжение 24-80В постоянного напряжения
Входной ток < 6A
Выходной ток 2.8A~7.8A

Характеристики Б/П и ШД на фото ниже.
Вложения
829412542_662.jpg (1563 просмотра) <a class='original' href='./download/file.php?id=82074&mode=view' target=_blank>Загрузить оригинал (127.82 КБ)</a>
IMG_0515.JPG (1563 просмотра) <a class='original' href='./download/file.php?id=82075&mode=view' target=_blank>Загрузить оригинал (1.06 МБ)</a>
Аватара пользователя
michael-yurov
Почётный участник
Почётный участник
Сообщения: 11730
Зарегистрирован: 26 июл 2012, 00:10
Репутация: 4703
Настоящее имя: Михаил Львович
Откуда: Новоуральск
Контактная информация:

Re: Блоки питания. Правильно ли выбран источник питания?

Сообщение michael-yurov »

http://cnc-club.ru/forum/viewtopic.php? ... 39#p228839

В плане мощности - достаточно.
Емкости на выходе может оказаться недостаточно.

На счет напряжения - считай сам, сколько нужно. Это зависит от требуемой скорости. Но если драйверы уже куплены - вариантов то нет
Аватара пользователя
Cross
Опытный
Сообщения: 166
Зарегистрирован: 21 июл 2015, 18:29
Репутация: 4
Настоящее имя: Артем
Контактная информация:

Re: Блоки питания. Правильно ли выбран источник питания?

Сообщение Cross »

michael-yurov писал(а):В плане мощности - достаточно.
Емкости на выходе может оказаться недостаточно.

На счет напряжения - считай сам, сколько нужно. Это зависит от требуемой скорости. Но если драйверы уже куплены - вариантов то нет
А что значит "емкости на выходе"? Спасибо за ссылку на калькулятор. Но по нему возникло пару вопросов:
1)Я правильно понял: "Индуктивность обмотки (половины обмотки)", значит если у меня индуктивность обмотки 22 мГн, то в калькуляторе в поле необходимо писать половину от этого числа, тобеж 11, и во все остальные поля, где написано "половина" вписывать число деленное на два ?
2)Помимо всего там есть поле "напряжение питания драйвера" у меня от 24 до 80V, а блок питания выдает 60V, так какое значение мне в таком случае вписывать?

P.S. Возможно вопросы покажутся глупыми, но я в электрических делай пока не очень хорошо разбираюсь, поэтому без них не могу...
Аватара пользователя
michael-yurov
Почётный участник
Почётный участник
Сообщения: 11730
Зарегистрирован: 26 июл 2012, 00:10
Репутация: 4703
Настоящее имя: Михаил Львович
Откуда: Новоуральск
Контактная информация:

Re: Блоки питания. Правильно ли выбран источник питания?

Сообщение michael-yurov »

Cross писал(а):1)Я правильно понял: "Индуктивность обмотки (половины обмотки)", значит если у меня индуктивность обмотки 22 мГн, то в калькуляторе в поле необходимо писать половину от этого числа, тобеж 11, и во все остальные поля, где написано "половина" вписывать число деленное на два ?
Это уже вопрос к MX_Master. Онлайн версию он сделал.
Половина обмотки - это если подключена только половина обмотки у 6-и или 8-ми выводного мотора.
Делить на два, конечно, нельзя.
Cross писал(а):2)Помимо всего там есть поле "напряжение питания драйвера" у меня от 24 до 80V, а блок питания выдает 60V, так какое значение мне в таком случае вписывать?
Нужно вписать реальное напряжение питания. В данном случае 60 В.
Аватара пользователя
Cross
Опытный
Сообщения: 166
Зарегистрирован: 21 июл 2015, 18:29
Репутация: 4
Настоящее имя: Артем
Контактная информация:

Re: Блоки питания. Правильно ли выбран источник питания?

Сообщение Cross »

Воспользовался Вашим калькулятором, получилось, что максимально возможная скорость 744 мм/мин. Медленно, но ничего не поделать. Скажите, а что значит "недостаточно емкости на выходе"? И какие бы вы под мои моторы посоветовали драйвера, по каким критериям мне их подбирать? Может куплю новые, а эти еще кому сгодятся...
Аватара пользователя
MX_Master
Мастер
Сообщения: 7489
Зарегистрирован: 27 июн 2015, 19:45
Репутация: 3113
Настоящее имя: Михаил
Откуда: Алматы
Контактная информация:

Re: Блоки питания. Правильно ли выбран источник питания?

Сообщение MX_Master »

22 мГн - это довольно большая индуктивность для такого мотора. Скорости с него никакой. Такие моторы разве что без редуктора на реечную передачу вставить, на вал накинуть соответственно шестерню. Если ШВП, то будет ползать ОЧЕНЬ медленно.
michael-yurov писал(а):Это уже вопрос к MX_Master. Онлайн версию он сделал.
В обновленной версии калькулятора убрал я эти слова в скобках, чтобы не смущать. Но у вас на сайте остался первый вариант.
Аватара пользователя
michael-yurov
Почётный участник
Почётный участник
Сообщения: 11730
Зарегистрирован: 26 июл 2012, 00:10
Репутация: 4703
Настоящее имя: Михаил Львович
Откуда: Новоуральск
Контактная информация:

Re: Блоки питания. Правильно ли выбран источник питания?

Сообщение michael-yurov »

Cross писал(а):Воспользовался Вашим калькулятором, получилось, что максимально возможная скорость 744 мм/мин.
Этими моторами предполагается вращать ШВП?
Cross писал(а):Медленно, но ничего не поделать.
Чем больше моторы - тем сложнее их "раскрутить".
Cross писал(а):Скажите, а что значит "недостаточно емкости на выходе"?
Ну, блоки питания импульсные. Емкость (конденсаторы) на выходе очень маленькая. Когда станок замедляется - кинетическая энергия движения преобразуется в электрическую (мотор работает, как генератор), и эту энергию нужно куда-то девать. Единственное место, куда ее можно "запихнуть" - это конденсаторы в блоке питания. Если бы от одного блока питалось бы несколько драйверов - энергия частично была бы ими потрачена (если только не все оси станка будут замедляться одновременно), а, поскольку на каждый драйвер отдельный блок питания - деваться энергии некуда. Вот я и сказал, что хорошо бы конденсаторов добавить. Или дампер.
Cross писал(а):И какие бы вы под мои моторы посоветовали драйвера
Зависит от того, что требуется от моторов. Вроде бы нормальные драйверы.
Если ставить задачу раскрутить моторы до больших скоростей - придется пропорционально поднимать напряжение. Т.е. чтобы скорость была раз в пять выше - придется поднять напряжение до 300 В.
В принципе, такие драйверы бывают. Но оно вам (тебе) точно нужно?
Аватара пользователя
Cross
Опытный
Сообщения: 166
Зарегистрирован: 21 июл 2015, 18:29
Репутация: 4
Настоящее имя: Артем
Контактная информация:

Re: Блоки питания. Правильно ли выбран источник питания?

Сообщение Cross »

michael-yurov писал(а):Этими моторами предполагается вращать ШВП?
Да этими, без редуктора напрямую. Я модернизирую 675 фрезер. Так получилось, что мне приходится работать "с тем что есть". Вот в твоем распоряжении такие детали, делай из них станок грубо говоря. Достались мне эти детали... Моя задача для начала собрать станок на том что есть. Родная самая быстрая подача на станке (ускоренная) была 935 мм/мин. Больше и не нужно. Судя по калькулятору мой максимум это 744 мм/мин. Ну и ладно. Ведь единственный выход ускорится это купить другие моторы, драйвера и блоки питания так? :-) Но такой возможности (финансовой) у меня сейчас нет. Так бы не парился и сервы ставил.

У меня проблема пропуска шагов двигателем, причем не зависимо от того, лежат двигатели на ковре в квартире или двигают 63-х килограммовую шпиндельную бабку (даже если на нее навалиться всем телом и делают они это играючи). Но я ставил высокие скорости и у меня кодла из проводов, ничего не экранировано, блоки питания, драйвера и моторы, контролер в одной куче лежат рядом, так что еще и помех куча небось. Это я исправлю на недельке, все разведу, подключу и выставлю предельную скорость в 744, посмотрим что будет...
Ответить

Вернуться в «Электроника»