здравствуйте.
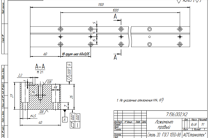
помогите изготовить ложементы под рельсы
материал -сталь
требуется фрезеровка+шлифовка
материал ваш
спасибо!
требуется изготовление ложемента
Правила форума
Разрешается публиковать предложения по покупке/продаже как физическим лицам так и коммерческим организациям, при соблюдении следующих условий:
1. должны присутствовать характеристики товаров
2. должна присутствовать стоимость товара или услуги
3. должно присутствовать описание способов оплаты и доставки
4. один продавец - одна тема
Фотографии товаров приветствуются (фотографии должны быть вложениями к сообщениям).
Возможно размещение ссылки на свой сайт, с описанием товара, при обязательном соблюдении пунктов 1-3.
Администрация форума может удалить тему или сообщения из данного раздела, без объяснения причин!
Внимание, общий раздел закрыт для создания новых тем! Создавайте темы в профильных разделах (Куплю, Продам, Услуги)!
Разрешается публиковать предложения по покупке/продаже как физическим лицам так и коммерческим организациям, при соблюдении следующих условий:
1. должны присутствовать характеристики товаров
2. должна присутствовать стоимость товара или услуги
3. должно присутствовать описание способов оплаты и доставки
4. один продавец - одна тема
Фотографии товаров приветствуются (фотографии должны быть вложениями к сообщениям).
Возможно размещение ссылки на свой сайт, с описанием товара, при обязательном соблюдении пунктов 1-3.
Администрация форума может удалить тему или сообщения из данного раздела, без объяснения причин!
Внимание, общий раздел закрыт для создания новых тем! Создавайте темы в профильных разделах (Куплю, Продам, Услуги)!
- AGP
- Мастер
- Сообщения: 422
- Зарегистрирован: 03 дек 2014, 23:31
- Репутация: 187
- Настоящее имя: Артем
- Откуда: Колома,московская область
- Контактная информация:
требуется изготовление ложемента
- Вложения
-
- ложементы.zip
- (144.86 КБ) 249 скачиваний
