настройка датчиков Холла

Контроллеры, драйверы, датчики, управляющие устройства.
nkp
Мастер
Сообщения: 8340
Зарегистрирован: 28 ноя 2011, 00:25
Репутация: 1589
Контактная информация:

настройка датчиков Холла

Сообщение nkp »

такая инструкция подвернулась(может кому будет полезной)
"датчик" здесь - энкодер Tamagawa с датчиками Холла(HALL)
описание действий - к конкретному двигателю и конкретному приводу...
но ,думаю, аглгоритм можно применить в аналогичных системах:
отследить порядок чередования фаз самого двигателя ,и чередование импульсов датчика при вращении на "общем валу"
==============
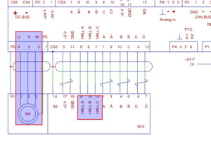
1. Установить датчик на вал двигателя.
2. Подать питание на датчик согласно схеме включения.
3. Привести во вращение вал двигателя(можно посредством асинхронного
эл.двигателя "вал-в-вал"),причем если смотреть
на серводвигатель со стороны вала,то он должен вращаться по часовой стрелке.
4. Подключить к датчику один вход двухлучевого осцилографа(сигнал
HALL A),
к двигателю через делитель1:10 второй вход осцилографа:
щуп на клему "U" ,а корпус на клему "W".
При этом должна наблюдаться развертка ,показанная на рис.1 Подстройка сводится к повороту датчика относительно вала серводвигателя до момента,когда развертка будет соответствовать рис.1
5. Для второй фазы:
один вход двухлучевого осцилографа(сигнал
HALL C),
к двигателю через делитель1:10 второй вход осцилографа:
щуп на клему "V" ,а корпус на клему "U".
При этом должна наблюдаться развертка ,показанная на рис.1
6. Для третьей фазы:
один вход двухлучевого осцилографа(сигнал
HALL B),
к двигателю через делитель1:10 второй вход осцилографа:
щуп на клему "W" ,а корпус на клему "V".
При этом должна наблюдаться развертка ,показанная на рис.1
Выделение_070.png (1784 просмотра) <a class='original' href='./download/file.php?id=72924&mode=view' target=_blank>Загрузить оригинал (134.63 КБ)</a>
Выделение_071.png (1784 просмотра) <a class='original' href='./download/file.php?id=72925&mode=view' target=_blank>Загрузить оригинал (54.25 КБ)</a>

Вернуться в «Электроника»