Подьемник сбрасывает груз под нагрузкой
-
Павел82
- Новичок
- Сообщения: 5
- Зарегистрирован: 08 фев 2016, 09:55
- Репутация: 0
- Настоящее имя: Павел
- Контактная информация:
Подьемник сбрасывает груз под нагрузкой
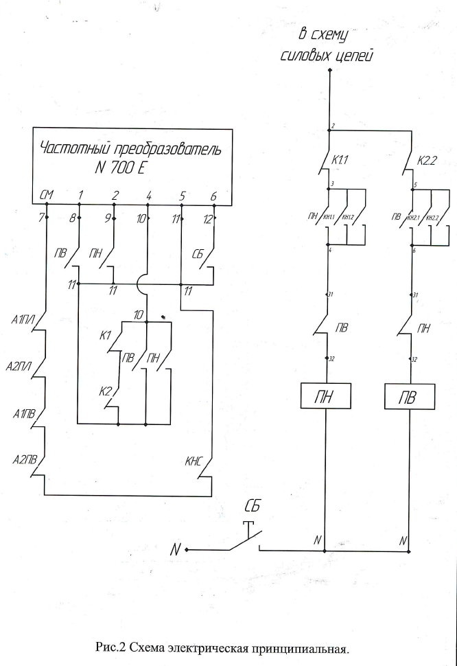
На подъемнике установлен мотор-редуктор NMRV 130-60 с двигателем 4ВР 100 L6 У2(2.2kw 9.8/5.7A)(взрывозащищенный), в щитовой установлен частотный преобразователь HYUNDAI n700e-055hf/075hfp к нему подключен тормозной резистор RB-01P8-HD-70 1,8 кВт, 70 Ом
Также установлены концевики верхнего и нижнего положение а также концевики первой ступени замедления(происходит замедление движения платформы).
Проблема возникает при нагруженной платформе после прохождения второго концевика (точной остановки) происходит сброс платформы вниз. При этом кнопки вниз и в верх работают, с помощью нескольких проходов вверх-(падение) происходит остановка. Пустой очень редко сбрасывает.
Подключение вроде все проверил не могу понять что происходит. Помогите или намекните в чем причина.
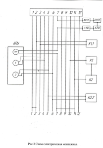
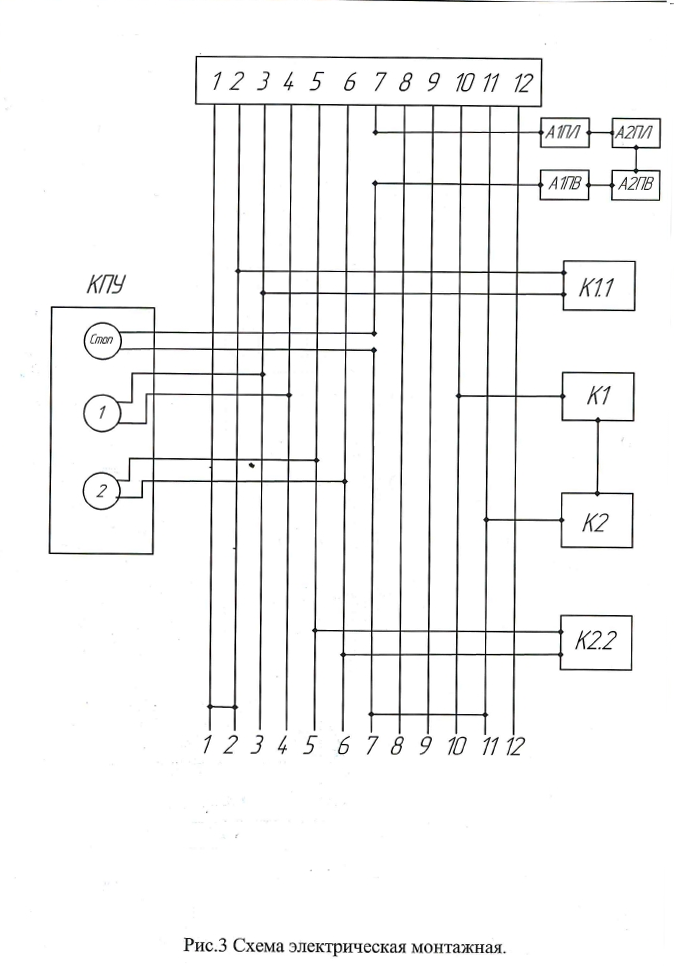
Схемы во вложении.
Также установлены концевики верхнего и нижнего положение а также концевики первой ступени замедления(происходит замедление движения платформы).
Проблема возникает при нагруженной платформе после прохождения второго концевика (точной остановки) происходит сброс платформы вниз. При этом кнопки вниз и в верх работают, с помощью нескольких проходов вверх-(падение) происходит остановка. Пустой очень редко сбрасывает.
Подключение вроде все проверил не могу понять что происходит. Помогите или намекните в чем причина.
Схемы во вложении.
- Сергей Саныч
- Мастер
- Сообщения: 9116
- Зарегистрирован: 30 май 2012, 14:20
- Репутация: 2858
- Откуда: Тюмень
- Контактная информация:
Re: Подьемник сбрасывает груз под нагрузкой
За счет чего должно происходить удержание платформы?
Асинхронные двигатели на такой режим вообще-то не рассчитаны.
Должен присутствовать либо механический тормоз, либо передача с самоторможением (червячный редуктор, к примеру).
Асинхронные двигатели на такой режим вообще-то не рассчитаны.
Должен присутствовать либо механический тормоз, либо передача с самоторможением (червячный редуктор, к примеру).
Чудес не бывает. Бывают фокусы.
- Hanter
- Мастер
- Сообщения: 5414
- Зарегистрирован: 27 янв 2012, 14:52
- Репутация: 4338
- Настоящее имя: Алексей
- Откуда: Питер
- Контактная информация:
Re: Подьемник сбрасывает груз под нагрузкой
Сергей Саныч писал(а):Должен присутствовать либо механический тормоз, либо передача с самоторможением (червячный редуктор, к примеру).
Павел82 писал(а):На подъемнике установлен мотор-редуктор NMRV 130-60 с двигателем 4ВР 100 L6 У2(2.2kw 9.8/5.7A)(взрывозащищенный)
Павел, схемы ничего не дают, потому как что у вас и как запрограмировано на частотнике - одному богу известно. у него входы програмируемые. скажите лучше - проводка как выполнена ? на колонне все ? или часть идет на подвижную каретку ? я бы проверил для начала подключение концевика и пробежался по параметрам частотника.Павел82 писал(а):Подключение вроде все проверил не могу понять что происходит. Помогите или намекните в чем причина.
Схемы во вложении.
Опыт - это когда на смену вопросам: "Что? Где? Когда? Как? Почему?" Приходит единственный вопрос: "Нахрена?"
==========================================
фрезерная и токарная обработка на станках с чпу.
Резка, гибка, сварка и порошковая окраса.
==========================================
фрезерная и токарная обработка на станках с чпу.
Резка, гибка, сварка и порошковая окраса.
-
Павел82
- Новичок
- Сообщения: 5
- Зарегистрирован: 08 фев 2016, 09:55
- Репутация: 0
- Настоящее имя: Павел
- Контактная информация:
Re: Подьемник сбрасывает груз под нагрузкой
Вся проводка идет по колонне и уходит в соседнее помещение(движущихся частей проводки нет), концевики все проверил работают отлично(к ним у меня вопросов нет). Без нагрузки (пустая платформа) работает все отлично на 30 раз может быть не схватит, но только стоит положить груз 100кг происходит беда. Максимальная нагрузка 500кг.
Параметры смотрел кроме как с шильника (стандартныеH01-05) и вкл. ускарение и замедления A52-55 я и не трогал.
Параметры смотрел кроме как с шильника (стандартныеH01-05) и вкл. ускарение и замедления A52-55 я и не трогал.
- Сергей Саныч
- Мастер
- Сообщения: 9116
- Зарегистрирован: 30 май 2012, 14:20
- Репутация: 2858
- Откуда: Тюмень
- Контактная информация:
Re: Подьемник сбрасывает груз под нагрузкой
Опять же, что значит "сбрасывает"? Двигатель внезапно начинает крутиться в обратную сторону?
Чудес не бывает. Бывают фокусы.
- Hanter
- Мастер
- Сообщения: 5414
- Зарегистрирован: 27 янв 2012, 14:52
- Репутация: 4338
- Настоящее имя: Алексей
- Откуда: Питер
- Контактная информация:
Re: Подьемник сбрасывает груз под нагрузкой
кстати да.. может с "опрокидыванием" помудрить ?
Опыт - это когда на смену вопросам: "Что? Где? Когда? Как? Почему?" Приходит единственный вопрос: "Нахрена?"
==========================================
фрезерная и токарная обработка на станках с чпу.
Резка, гибка, сварка и порошковая окраса.
==========================================
фрезерная и токарная обработка на станках с чпу.
Резка, гибка, сварка и порошковая окраса.
-
Павел82
- Новичок
- Сообщения: 5
- Зарегистрирован: 08 фев 2016, 09:55
- Репутация: 0
- Настоящее имя: Павел
- Контактная информация:
Re: Подьемник сбрасывает груз под нагрузкой
Платформа просто летит в низ.(под тяжестью своего веса)У меня складывается такое ощущение что двигатель просто отключается, а редуктор испаряется)Сергей Саныч писал(а):Опять же, что значит "сбрасывает"? Двигатель внезапно начинает крутиться в обратную сторону?
-
Павел82
- Новичок
- Сообщения: 5
- Зарегистрирован: 08 фев 2016, 09:55
- Репутация: 0
- Настоящее имя: Павел
- Контактная информация:
Re: Подьемник сбрасывает груз под нагрузкой
Опрокидыванием? Уточни пожалуйстаHanter писал(а):кстати да.. может с "опрокидыванием" помудрить ?
- Сергей Саныч
- Мастер
- Сообщения: 9116
- Зарегистрирован: 30 май 2012, 14:20
- Репутация: 2858
- Откуда: Тюмень
- Контактная информация:
Re: Подьемник сбрасывает груз под нагрузкой
Так может, и проблема чисто механическая (ну там шпонку срезало, или редуктор бракованный и червяк выходит из зацепления).Павел82 писал(а):Платформа просто летит в низ.(под тяжестью своего веса)У меня складывается такое ощущение что двигатель просто отключается, а редуктор испаряется)
Чудес не бывает. Бывают фокусы.
-
Павел82
- Новичок
- Сообщения: 5
- Зарегистрирован: 08 фев 2016, 09:55
- Репутация: 0
- Настоящее имя: Павел
- Контактная информация:
Re: Подьемник сбрасывает груз под нагрузкой
Придется снять и посмотреть(стоит проверить), о результатах отпишусь. Спасибо.