GGEasy (фрезеровка печатных плат на ЧПУ)

Обсуждение аспектов работы с CAМ программами, подготовка моделей, настройка постпроцессоров, настройка параметров инструментов, обсуждение стратегий обработки, симуляция обработки. Вопросы по G-коду.
Аватара пользователя
mantra
Кандидат
Сообщения: 71
Зарегистрирован: 07 апр 2018, 15:11
Репутация: 4
Настоящее имя: Дмитрий
Контактная информация:

Re: Grber2GCode (фрезеровка печатных плат на ЧПУ)

Сообщение mantra »

[quote="Курдль"][/quote]
Я понимаю, что зря открываю рот, потому что не готов подробно описывать процесс, но он ничем не отличается от вашего кроме софта и станка.
Скорее всего это у вас локальная проблема, 95% плат получаются без сучка и задоринки. За редким исключением бывает один косяк, в одной или нескольких довольно маленьких точках фреза не снимает медь. Причины обычно: Плохо закрепленный текстолит, очень мятый текстолит и слишком большая сетка карты высот.
Аватара пользователя
Курдль
Мастер
Сообщения: 2174
Зарегистрирован: 20 мар 2018, 16:55
Репутация: 282
Настоящее имя: Курдль Энтеропийский
Откуда: Msk
Контактная информация:

Re: Grber2GCode (фрезеровка печатных плат на ЧПУ)

Сообщение Курдль »

mantra писал(а):Я понимаю, что зря открываю рот, потому что не готов подробно описывать процесс, но он ничем не отличается от вашего кроме софта и станка.
Пожалуйста, расскажите про Ваш процесс. Какой софт используете?
Какие граверы? Какие параметры?
Я специально прикупил детский пластмассовый микроскоп для контроля наконечников граверов.
Хотя бы для приблизительной оценки пригодности (ширина наконечника, не обломан ли и т.п.).
Я большие надежды возлагал на 10-градусные граверы 0,1мм https://aliexpress.ru/item/32693286322.html
Но они рвут медь хуже, чем самые дешевые китайско-подавльные.
Мой сайт: https://cnc-hobby.ru
Vlad1953
Мастер
Сообщения: 234
Зарегистрирован: 25 ноя 2019, 19:23
Репутация: 29
Настоящее имя: Владимир Бурыгин
Откуда: Каменногорск
Контактная информация:

Re: Grber2GCode (фрезеровка печатных плат на ЧПУ)

Сообщение Vlad1953 »

Курдль писал(а): А Вы каким ПО пользуетесь? Candle? Многие пользователи говорили, что карта высот должна сниматься определенным образом.
Пользуюсь тем же Candle версии 1.7. Просто жертвенный стол после фрезеровок и сверловок напоминает панцирь старой черепахи. :hehehe: Поэтому сейчас будущую печатку стараюсь крепить на саморезы. Раньше на двухсторонний скотч клеил. Не держит. Станок 2020B. Сначала контроллер стоял TB6560, но его выкинул из за самопроизвольного опускания шпинделя по оси Z во время работы. Поставил Arduino cnc-shield-v3. Теперь проблем нет. А гравер опускаю на 0.1, лучше пускай грызет текстолит, чем не догрызет. :hehehe: Граверми на 10 градусов 0,1 сам пользуюсь, но на больших платах ближе к середине фрезеровки тупятся и до конца начинают рвать плату. На каждую новую плату ставлю новый гравер. Одни растраты, блин. А качественные покупать, ни одной пенсии не хватит.
Vlad1953
Мастер
Сообщения: 234
Зарегистрирован: 25 ноя 2019, 19:23
Репутация: 29
Настоящее имя: Владимир Бурыгин
Откуда: Каменногорск
Контактная информация:

Re: Grber2GCode (фрезеровка печатных плат на ЧПУ)

Сообщение Vlad1953 »

mantra писал(а):
Курдль писал(а):
Причины обычно: Плохо закрепленный текстолит, очень мятый текстолит и слишком большая сетка карты высот.
Да, причины такие есть, к сожалению. Из за неровного текстолита подготовка к фрезеровке больше 30 минут проходит. А текстолит покупаю у черта на куличках, в Питере, когда попадаю на толкучку "Юнона". Ближе негде. А ехать мне почти 200 км. Вот и покупаю пачками. Хорошо, что уже заранее обрезаны. Как раз под мой станок.
Аватара пользователя
Курдль
Мастер
Сообщения: 2174
Зарегистрирован: 20 мар 2018, 16:55
Репутация: 282
Настоящее имя: Курдль Энтеропийский
Откуда: Msk
Контактная информация:

Re: Grber2GCode (фрезеровка печатных плат на ЧПУ)

Сообщение Курдль »

Vlad1953 писал(а):Поставил Arduino cnc-shield-v3.
Если меняли шилд, что пос=чему сразу не на Mach3?
Vlad1953 писал(а):А гравер опускаю на 0.1, лучше пускай грызет текстолит, чем не догрызет.
Т.е. если ширина дорожки 0.2мм, то на плате торчат такие рельсы выпуклые? :)
Мой сайт: https://cnc-hobby.ru
Vlad1953
Мастер
Сообщения: 234
Зарегистрирован: 25 ноя 2019, 19:23
Репутация: 29
Настоящее имя: Владимир Бурыгин
Откуда: Каменногорск
Контактная информация:

Re: Grber2GCode (фрезеровка печатных плат на ЧПУ)

Сообщение Vlad1953 »

Курдль писал(а):
Vlad1953 писал(а):Поставил Arduino cnc-shield-v3.
Если меняли шилд, что пос=чему сразу не на Mach3?
Vlad1953 писал(а):А гравер опускаю на 0.1, лучше пускай грызет текстолит, чем не догрызет.
Т.е. если ширина дорожки 0.2мм, то на плате торчат такие рельсы выпуклые? :)
А на Mach3 как то даже и не пробовал, надо будет замутить.
Дык после мелкой шкуркой перед облуживанием все равно шлифую. Ну да, получается 3D печатная плата. :lol: А что, довольно красиво, если под микроскопом смотреть.
Аватара пользователя
mantra
Кандидат
Сообщения: 71
Зарегистрирован: 07 апр 2018, 15:11
Репутация: 4
Настоящее имя: Дмитрий
Контактная информация:

Re: Grber2GCode (фрезеровка печатных плат на ЧПУ)

Сообщение mantra »

Курдль писал(а):
mantra писал(а):Я понимаю, что зря открываю рот, потому что не готов подробно описывать процесс, но он ничем не отличается от вашего кроме софта и станка.
Пожалуйста, расскажите про Ваш процесс. Какой софт используете?
Какие граверы? Какие параметры?
Я специально прикупил детский пластмассовый микроскоп для контроля наконечников граверов.
Хотя бы для приблизительной оценки пригодности (ширина наконечника, не обломан ли и т.п.).
Я большие надежды возлагал на 10-градусные граверы 0,1мм https://aliexpress.ru/item/32693286322.html
Но они рвут медь хуже, чем самые дешевые китайско-подавльные.
Я хз, что рассказывать о процессе. Креплю плату, снимаю карту высот, фрезерую. Иногда еще наношу маску и сфрезеровываю ее на местах пайки.
Для карты высот использую g-code ripper, станком управляет linuxcnc.
Фрезы беру самые дешёвые на али, однозаходные граверы. На угол вообще никогда не обращал внимания. Кончик 0,5, редко 0,3, 0,1 почти никогда. Режут чисто, достаточно долго ходят, постобработка абразивом не требуется. Обороты 16500, скорость 1000мм/м.
Аватара пользователя
Курдль
Мастер
Сообщения: 2174
Зарегистрирован: 20 мар 2018, 16:55
Репутация: 282
Настоящее имя: Курдль Энтеропийский
Откуда: Msk
Контактная информация:

Re: Grber2GCode (фрезеровка печатных плат на ЧПУ)

Сообщение Курдль »

mantra писал(а):Иногда еще наношу маску и сфрезеровываю ее на местах пайки.
Ничего себе, как интересно!
И как удается не срезать медь вместе с маской?
mantra писал(а):Для карты высот использую g-code ripper, станком управляет linuxcnc.
У меня есть мысли перейти на LinuxCNC. Но разве у него нет плагина или макроса для карты высот?
mantra писал(а):Кончик 0,5, редко 0,3, 0,1 почти никогда.
Если кончик гравера 0,5 мм, то не сделаешь дорожку даже между стандартных ножек DIP. А если 0.3 - то с трудом.
mantra писал(а):Обороты 16500, скорость 1000мм/м.
Скорость на мой взгляд невероятная. Я с 250 фрезерую. Надо не побояться попробовать...
Спасибо за информайию!
Мой сайт: https://cnc-hobby.ru
Аватара пользователя
mantra
Кандидат
Сообщения: 71
Зарегистрирован: 07 апр 2018, 15:11
Репутация: 4
Настоящее имя: Дмитрий
Контактная информация:

Re: Grber2GCode (фрезеровка печатных плат на ЧПУ)

Сообщение mantra »

Курдль писал(а):Ничего себе, как интересно!
И как удается не срезать медь вместе с маской?
Для этого использую специальный подпружиненный держатель фрезы. Самодельный, на ютубе когда-то увидал.
В первый раз опытным путем подбирается заглубление в зависимости от силы пружины.
Курдль писал(а):У меня есть мысли перейти на LinuxCNC. Но разве у него нет плагина или макроса для карты высот?
Не задавался этим вопросом. Вроде даже что-то подобное мелькало на этом форуме, но это не точно.
Курдль писал(а):Если кончик гравера 0,5 мм, то не сделаешь дорожку даже между стандартных ножек DIP. А если 0.3 - то с трудом.
Вы не правы. С 0,5мм, под корпусом обычного 0,25W резистора спокойно умещаются две дорожки по 1,2мм.
Также использую 0,5 для плат с корпусами 1206, дорожку, конечно, уже не проложить между, но для корпусов подходит.



! Вопрос к автору программы !
Я уже давненько просил реализовать две возможности. Подскажите, есть ли надежд ан ашанс?)))
01 Возможность в настройках указывать свое расширения файла УП.
02 Возможность удалять элементы гербера. (Дорожки, пэды)
Vlad1953
Мастер
Сообщения: 234
Зарегистрирован: 25 ноя 2019, 19:23
Репутация: 29
Настоящее имя: Владимир Бурыгин
Откуда: Каменногорск
Контактная информация:

Re: Grber2GCode (фрезеровка печатных плат на ЧПУ)

Сообщение Vlad1953 »

Курдль писал(а):
Vlad1953 писал(а):Поставил Arduino cnc-shield-v3.
Если меняли шилд, что пос=чему сразу не на Mach3?
А Mach3 гад, работает только с параллельным портом. USB порт не поддерживается. Есть еще Mach4, вроде как поддержка USB есть. Но не нашел на просторах инета.
Аватара пользователя
Курдль
Мастер
Сообщения: 2174
Зарегистрирован: 20 мар 2018, 16:55
Репутация: 282
Настоящее имя: Курдль Энтеропийский
Откуда: Msk
Контактная информация:

Re: Grber2GCode (фрезеровка печатных плат на ЧПУ)

Сообщение Курдль »

Vlad1953 писал(а):А Mach3 гад, работает только с параллельным портом. USB порт не поддерживается. Есть еще Mach4, вроде как поддержка USB есть. Но не нашел на просторах инета.
Ага! :)
Только уже много лет существуют USB Mach3 контроллеры, которые эмулируют LPT порт на входе и отлично работают как с Mach3, LinuxCNC и другими подобными программами. Самый простейший: https://aliexpress.ru/item/32890282454.html
Разница в том, что USB порт буферизуемый, а LPT - реального времени. И контроллерам приходится получать команды порциями через USB, а потом отдавать их станку в реальном вреиени. Для этого они поддерживают установленную тактовую частоту. У самых простых - 100КГц, у навороченных - мегагерцы.
Мой сайт: https://cnc-hobby.ru
Vlad1953
Мастер
Сообщения: 234
Зарегистрирован: 25 ноя 2019, 19:23
Репутация: 29
Настоящее имя: Владимир Бурыгин
Откуда: Каменногорск
Контактная информация:

Re: Grber2GCode (фрезеровка печатных плат на ЧПУ)

Сообщение Vlad1953 »

Курдль писал(а):
Vlad1953 писал(а):А Mach3 гад, работает только с параллельным портом. USB порт не поддерживается. Есть еще Mach4, вроде как поддержка USB есть. Но не нашел на просторах инета.
Ага! :)
Только уже много лет существуют USB Mach3 контроллеры, которые эмулируют LPT порт на входе и отлично работают как с Mach3, LinuxCNC и другими подобными программами. Самый простейший: https://aliexpress.ru/item/32890282454.html
Разница в том, что USB порт буферизуемый, а LPT - реального времени. И контроллерам приходится получать команды порциями через USB, а потом отдавать их станку в реальном вреиени. Для этого они поддерживают установленную тактовую частоту. У самых простых - 100КГц, у навороченных - мегагерцы.
Что то наподобие стояло, только я выкинул из проблемы, описанной выше. Arduino настроена и работает, претензий нет. Если только к механике. Маловат столик стал 200х195, понимаш!
X-Ray
Мастер
Сообщения: 600
Зарегистрирован: 04 фев 2016, 23:06
Репутация: 275
Настоящее имя: Дамир
Контактная информация:

Re: Grber2GCode (фрезеровка печатных плат на ЧПУ)

Сообщение X-Ray »

IMG_20200405_150715.jpg (3789 просмотров) <a class='original' href='./download/file.php?id=179620&mode=view' target=_blank>Загрузить оригинал (2.67 МБ)</a>
IMG_20200405_150841.jpg (3789 просмотров) <a class='original' href='./download/file.php?id=179621&mode=view' target=_blank>Загрузить оригинал (2.06 МБ)</a>
Безымянный.png (3789 просмотров) <a class='original' href='./download/file.php?id=179619&mode=view' target=_blank>Загрузить оригинал (15.44 КБ)</a>
Работает нормально, уже пару лет так точно. ШВП и направляющие промыты, смазаны перед сборкой у меня.
Пы.Сы.
От БП 5В до ардуины стрелка лишняя.
Программа GGEasy (фрезеровка из гербера, производство ПП на ЧПУ) GERBER_X3/releases
Прежде чем писать о багах проверьте, является ли ваша версия последней!
Баги - глюки и ПРЕДЛОЖЕНИЯ(Хотелки) писать СЮДА!!!
Багтрекер
Тестовая версия
Vlad1953
Мастер
Сообщения: 234
Зарегистрирован: 25 ноя 2019, 19:23
Репутация: 29
Настоящее имя: Владимир Бурыгин
Откуда: Каменногорск
Контактная информация:

Re: Grber2GCode (фрезеровка печатных плат на ЧПУ)

Сообщение Vlad1953 »

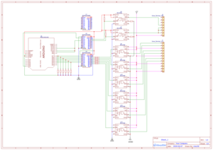
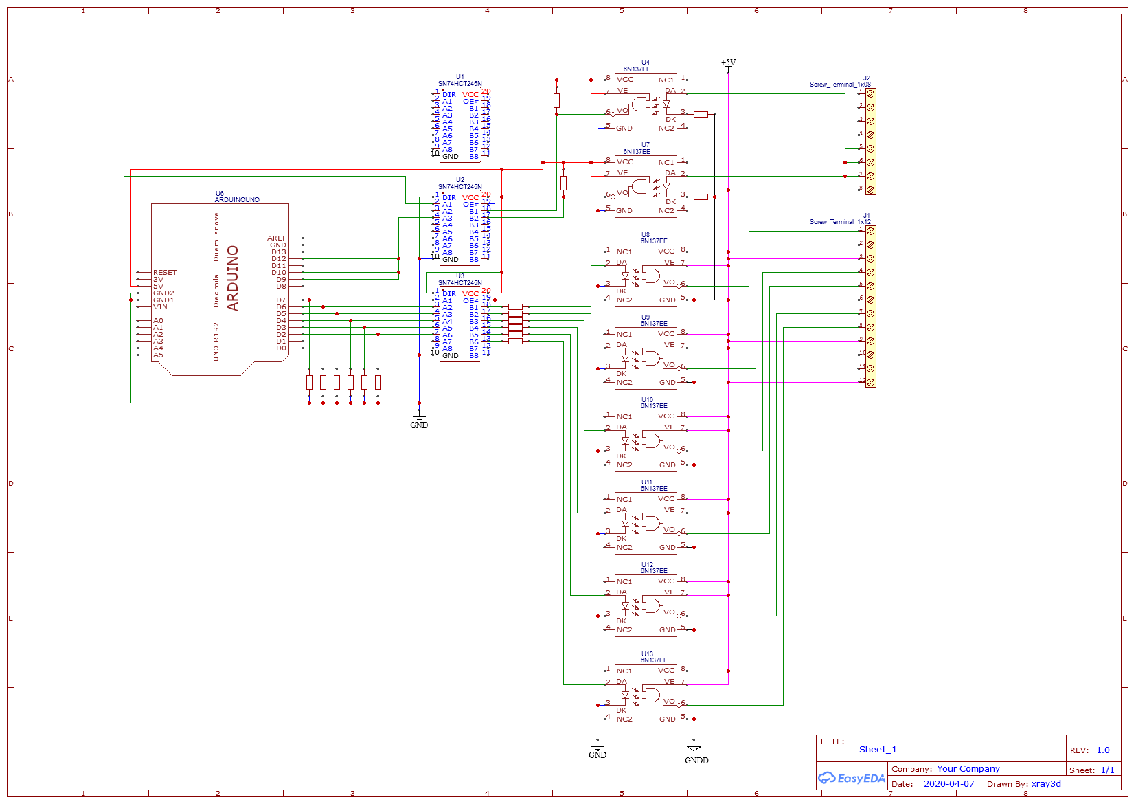
А поподробнее можно? Плиз! Схему, какие блоки, развязка.
X-Ray
Мастер
Сообщения: 600
Зарегистрирован: 04 фев 2016, 23:06
Репутация: 275
Настоящее имя: Дамир
Контактная информация:

Re: Grber2GCode (фрезеровка печатных плат на ЧПУ)

Сообщение X-Ray »

Vlad1953 писал(а):Схему
Нарисую выложу, на макетке по месту паял.
А вообще на STM32 версию переходить буду.
Vlad1953 писал(а):блоки
Mean Well оба, 36Вх8,8А и 5В.
Программа GGEasy (фрезеровка из гербера, производство ПП на ЧПУ) GERBER_X3/releases
Прежде чем писать о багах проверьте, является ли ваша версия последней!
Баги - глюки и ПРЕДЛОЖЕНИЯ(Хотелки) писать СЮДА!!!
Багтрекер
Тестовая версия
Vlad1953
Мастер
Сообщения: 234
Зарегистрирован: 25 ноя 2019, 19:23
Репутация: 29
Настоящее имя: Владимир Бурыгин
Откуда: Каменногорск
Контактная информация:

Re: Grber2GCode (фрезеровка печатных плат на ЧПУ)

Сообщение Vlad1953 »

X-Ray писал(а):
Vlad1953 писал(а):Схему
Нарисую выложу, на макетке по месту паял.
А вообще на STM32 версию переходить буду.
Vlad1953 писал(а):блоки
Mean Well оба, 36Вх8,8А и 5В.
Заранее большое спасибо!

С STM32 наверно будет лучше!
Аватара пользователя
Курдль
Мастер
Сообщения: 2174
Зарегистрирован: 20 мар 2018, 16:55
Репутация: 282
Настоящее имя: Курдль Энтеропийский
Откуда: Msk
Контактная информация:

Re: Grber2GCode (фрезеровка печатных плат на ЧПУ)

Сообщение Курдль »

Иногда меня посещают мысли, что я занимаюсь какой-то фигнёй. Лазеры-шмазеры... :D
https://www.youtube.com/watch?v=VY-7hQ6ocx8
Мой сайт: https://cnc-hobby.ru
sas_75
Мастер
Сообщения: 463
Зарегистрирован: 10 мар 2015, 11:03
Репутация: 115
Настоящее имя: Сергей
Откуда: Владивосток
Контактная информация:

Re: Grber2GCode (фрезеровка печатных плат на ЧПУ)

Сообщение sas_75 »

Как-то нерационально используется стеклотекстолит
X-Ray
Мастер
Сообщения: 600
Зарегистрирован: 04 фев 2016, 23:06
Репутация: 275
Настоящее имя: Дамир
Контактная информация:

Re: Grber2GCode (фрезеровка печатных плат на ЧПУ)

Сообщение X-Ray »

X-Ray писал(а):Нарисую выложу, на макетке по месту паял.
Примерно такое.
Schematic_CNC Opto_Sheet_1_20200407120900.png (3638 просмотров) <a class='original' href='./download/file.php?id=179691&mode=view' target=_blank>Загрузить оригинал (74.42 КБ)</a>
Программа GGEasy (фрезеровка из гербера, производство ПП на ЧПУ) GERBER_X3/releases
Прежде чем писать о багах проверьте, является ли ваша версия последней!
Баги - глюки и ПРЕДЛОЖЕНИЯ(Хотелки) писать СЮДА!!!
Багтрекер
Тестовая версия
Аватара пользователя
iMaks-RS
Мастер
Сообщения: 1807
Зарегистрирован: 10 июл 2017, 09:25
Репутация: 205
Настоящее имя: Maks
Откуда: От туда.
Контактная информация:

Re: Grber2GCode (фрезеровка печатных плат на ЧПУ)

Сообщение iMaks-RS »

off
Лень - двигатель прогресса.. Может проще взять готовую плату опторазвязки для ltp-интерфейса, и к ней сделать шильд для ардуины/stm32?
Сразу всё есть.. и развязка для датчиков, и преобразователь в 0+10В и т.д.

В диптрейсе по быстрому накидал - для "синей таблетки" - stm32+grbl, за что спасибо автору сего поста USBCNC GRBL 4 оси (6 осей!) #1. Но до физической раализации дело так и не дошло.. встал вопрос - что делать с китайской платой grbl.. и что-бы не тратить ресурсы и время, оставил как есть (((
Ответить

Вернуться в «CAM пакеты»