Обратная связь есть, в виде нормально замкнутых контактов.trikot писал(а):У проводного датчика нет обратной связи. И никто не боится кто сплющит.
Самодельный центроискатель
- Serg
- Мастер
- Сообщения: 21923
- Зарегистрирован: 17 апр 2012, 14:58
- Репутация: 5183
- Заслуга: c781c134843e0c1a3de9
- Настоящее имя: Сергей
- Откуда: Москва
- Контактная информация:
Re: Самодельный центроискатель
Я не Христос, рыбу не раздаю, но могу научить, как сделать удочку...
-
trikot
- Опытный
- Сообщения: 165
- Зарегистрирован: 08 апр 2017, 22:27
- Репутация: 25
- Настоящее имя: Ян
- Откуда: Москва
- Контактная информация:
Re: Самодельный центроискатель
Ну это слабая обратная связь:)) Если перетрется сигнальный провод, кирдык датчику!
А я тем временем привёл в порядок свой проводной датчик. Теперь с ним можно работать.
Новая платка датчика.
Собранный датчик.
Видео работы. Сканирование поверхности.
https://www.youtube.com/watch?v=Q03NdOF6oMA
А я тем временем привёл в порядок свой проводной датчик. Теперь с ним можно работать.
Новая платка датчика.
Собранный датчик.
Видео работы. Сканирование поверхности.
https://www.youtube.com/watch?v=Q03NdOF6oMA
- Serg
- Мастер
- Сообщения: 21923
- Зарегистрирован: 17 апр 2012, 14:58
- Репутация: 5183
- Заслуга: c781c134843e0c1a3de9
- Настоящее имя: Сергей
- Откуда: Москва
- Контактная информация:
Re: Самодельный центроискатель
Если перетрется сигнальный провод, то станок остановится.trikot писал(а):Ну это слабая обратная связь:)) Если перетрется сигнальный провод, кирдык датчику!
Я не Христос, рыбу не раздаю, но могу научить, как сделать удочку...
-
trikot
- Опытный
- Сообщения: 165
- Зарегистрирован: 08 апр 2017, 22:27
- Репутация: 25
- Настоящее имя: Ян
- Откуда: Москва
- Контактная информация:
Re: Самодельный центроискатель
Это с чего бы вдруг? Если провод питания, то это видно по негорящему светодиоду. Если сигнальный, то просто сломается датчик, так как это равносильно его отсутствию. Сколько фрез и граверов сломал, забывая подключить контактный датчик к блоку управления.
- Serg
- Мастер
- Сообщения: 21923
- Зарегистрирован: 17 апр 2012, 14:58
- Репутация: 5183
- Заслуга: c781c134843e0c1a3de9
- Настоящее имя: Сергей
- Откуда: Москва
- Контактная информация:
Re: Самодельный центроискатель
Каждый сам кузнец своих косяков. 
У датчика должен быть нормально замкнутый выход. Тогда отсутствие датчика будет равносильно сработавшему датчику.
У датчика должен быть нормально замкнутый выход. Тогда отсутствие датчика будет равносильно сработавшему датчику.
Я не Христос, рыбу не раздаю, но могу научить, как сделать удочку...
-
trikot
- Опытный
- Сообщения: 165
- Зарегистрирован: 08 апр 2017, 22:27
- Репутация: 25
- Настоящее имя: Ян
- Откуда: Москва
- Контактная информация:
Re: Самодельный центроискатель
У меня у датчика нормально разомкнутый контакт. А если вы будете сканировать гравером поверхность платы перед фрезеровкой, как обеспечите нормально замкнутый контакт? Я использую один вход для простого контактного сканирования и для датчика. Зачем усложнять?
- Serg
- Мастер
- Сообщения: 21923
- Зарегистрирован: 17 апр 2012, 14:58
- Репутация: 5183
- Заслуга: c781c134843e0c1a3de9
- Настоящее имя: Сергей
- Откуда: Москва
- Контактная информация:
Re: Самодельный центроискатель
Могу только повторить:trikot писал(а):У меня у датчика нормально разомкнутый контакт.
Я, например, гравёром никогда не сканирую - гравёр и время жалко.UAVpilot писал(а):Каждый сам кузнец своих косяков.
Я не Христос, рыбу не раздаю, но могу научить, как сделать удочку...
-
trikot
- Опытный
- Сообщения: 165
- Зарегистрирован: 08 апр 2017, 22:27
- Репутация: 25
- Настоящее имя: Ян
- Откуда: Москва
- Контактная информация:
Re: Самодельный центроискатель
А что граверу будет от сканирования? Если я фрезерую плату, то им и сканирую. Если разъем не воткнул, то да, хрумкнет. Просто надо быть внимательнее. Про время не понял... Что, гравером дольше сканировать?
А этот датчик сделал для сканирования деревяшек и металла, закрепленного непосредственно на столе. Перед работой проверяю его на срабатывание.
А этот датчик сделал для сканирования деревяшек и металла, закрепленного непосредственно на столе. Перед работой проверяю его на срабатывание.
- Serg
- Мастер
- Сообщения: 21923
- Зарегистрирован: 17 апр 2012, 14:58
- Репутация: 5183
- Заслуга: c781c134843e0c1a3de9
- Настоящее имя: Сергей
- Откуда: Москва
- Контактная информация:
Re: Самодельный центроискатель
Гравёром с тонким кончиком приходится сканировать на медленной скорости, чтобы не сломать этот кончик или не наделать вмятин пока ось будет останавливаться. Центроискателем, за счёт "свободного хода" в несколько милиметров после касания, можно безопасно сканировать на скорости в несколько раз большей.
Да и вообще сия тема про центроискатель, а не про сканирование гравёром. Хочешь обсудить - создавай соотв. тему.
Да и вообще сия тема про центроискатель, а не про сканирование гравёром. Хочешь обсудить - создавай соотв. тему.
Я не Христос, рыбу не раздаю, но могу научить, как сделать удочку...
-
trikot
- Опытный
- Сообщения: 165
- Зарегистрирован: 08 апр 2017, 22:27
- Репутация: 25
- Настоящее имя: Ян
- Откуда: Москва
- Контактная информация:
Re: Самодельный центроискатель
Я выкладываю сюда результаты своего труда, делюсь. А вы, заглядая во все темы, занимаетесь демагогией(судя по количеству сообщений). Если у вас есть чего показать по теме центроискателя, поделитесь, а нечего, тогда проходите мимо. Я может что-то и не так делаю, но делаю, по ходу учась чему-то новому.
И еще, на брудершафт я с вами не пил.
И еще, на брудершафт я с вами не пил.
-
nkp
- Мастер
- Сообщения: 8340
- Зарегистрирован: 28 ноя 2011, 00:25
- Репутация: 1589
- Контактная информация:
Re: Самодельный центроискатель
ты не серчай - тут принято общение на "ты"trikot писал(а):И еще, на брудершафт я с вами не пил.
-
trikot
- Опытный
- Сообщения: 165
- Зарегистрирован: 08 апр 2017, 22:27
- Репутация: 25
- Настоящее имя: Ян
- Откуда: Москва
- Контактная информация:
Re: Самодельный центроискатель
Я не люблю панибратство. Так воспитан.
- xvovanx
- Мастер
- Сообщения: 3772
- Зарегистрирован: 25 фев 2016, 12:27
- Репутация: 920
- Настоящее имя: Владимир
- Откуда: Latvia
- Контактная информация:
Re: Самодельный центроискатель
Вопросы по платке: диодный мостик для защиты полярности подключения?trikot писал(а):А я тем временем привёл в порядок свой проводной датчик
Зачем 4 транзистора (две сборки)? ведь для инверсии и одного достаточно... или диоды для ограничения 12В по входу на 5/3.3В контроллер?
Регулировка- за счет поднятия платы через отверстия снизу?
- MX_Master
- Мастер
- Сообщения: 7490
- Зарегистрирован: 27 июн 2015, 19:45
- Репутация: 3113
- Настоящее имя: Михаил
- Откуда: Алматы
- Контактная информация:
Re: Самодельный центроискатель
За какие такие заслуги и достижения к тебе должны обращаться на "Вы"?trikot писал(а):Я не люблю панибратство. Так воспитан.
За красивые фотки? - Нет.
За ощутимый вклад в общее дело? - Нет.
За наличие открытых ЧПУ проектов? - Нет.
За не аргументированное отрицание советов от более опытных людей? - Нет.
...
Так что, на данном этапе, ты - это ТЫ. И уважения, Ян, следует добиваться делами, а не словами.
-
trikot
- Опытный
- Сообщения: 165
- Зарегистрирован: 08 апр 2017, 22:27
- Репутация: 25
- Настоящее имя: Ян
- Откуда: Москва
- Контактная информация:
Re: Самодельный центроискатель
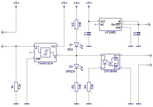
Думаю схемка снимет все вопросы:))xvovanx писал(а):Вопросы по платке: диодный мостик для защиты полярности подключения?
Зачем 4 транзистора (две сборки)? ведь для инверсии и одного достаточно... или диоды для ограничения 12В по входу на 5/3.3В контроллер?
Регулировка- за счет поднятия платы через отверстия снизу?
Регулировка да, за счет поднятия платки. Резьбу под регулировочные винты резал только 1-м метчиком, за счет этого винты сидят плотно и не выкручиваются.
Кстати, москвичам, если нужно, платки подарю, мне больше одного датчика не надо.
Зашли в эту тему выдать тираду и поминусить? Друга вашего обидел? Ну это как вам угодно.MX_Master писал(а):За какие такие заслуги и достижения к тебе должны обращаться на "Вы"?
За красивые фотки? - Нет.
За ощутимый вклад в общее дело? - Нет.
За наличие открытых ЧПУ проектов? - Нет.
За не аргументированное отрицание советов от более опытных людей? - Нет.
...
Так что, на данном этапе, ты - это ТЫ. И уважения, Ян, следует добиваться делами, а не словами.
Насчет обращения на "вы", вообще то это нормально, к незнакомому человеку обратиться на "вы". По вашей логике вы всем окружающим тыкаете. Но это ваше личное дело. Я даже к тому, кого не уважаю, обращусь на "вы", повторюсь, так воспитан. Можете продолжать минусить, если есть полномочия, банить, но это не изменит моего мнения о вас. Можете не отвечать, тем более это не по теме.
- Сергей Саныч
- Мастер
- Сообщения: 9116
- Зарегистрирован: 30 май 2012, 14:20
- Репутация: 2858
- Откуда: Тюмень
- Контактная информация:
Re: Самодельный центроискатель
Маленько непонятно, почему почти все проводные центроискатели, представленные на этом форуме (и не только), имеют электронику согласования, встроенную в сам ЦИ? Не проще ли не пытаться "впихнуть невпихуемое" в ограниченный объем и формат, а сделать ее отдельной платкой?
Чудес не бывает. Бывают фокусы.
-
trikot
- Опытный
- Сообщения: 165
- Зарегистрирован: 08 апр 2017, 22:27
- Репутация: 25
- Настоящее имя: Ян
- Откуда: Москва
- Контактная информация:
Re: Самодельный центроискатель
Наверно это стереотип. На самом деле никто не мешает встроить и в корпус с платой управления. Но если влезает в датчик, почему бы не попытаться в него впихнуть. Получается законченное универсальное изделие.
-
sas_75
- Мастер
- Сообщения: 463
- Зарегистрирован: 10 мар 2015, 11:03
- Репутация: 115
- Настоящее имя: Сергей
- Откуда: Владивосток
- Контактная информация:
Re: Самодельный центроискатель
На плате вывод 2 логического элемента не подключен к разрывному контакту, подключен вывод 1, который не задействован в микросхеме, соединение этих выводов между собой так же не просматривается. Ошибка или защита от повторения? 
-
trikot
- Опытный
- Сообщения: 165
- Зарегистрирован: 08 апр 2017, 22:27
- Репутация: 25
- Настоящее имя: Ян
- Откуда: Москва
- Контактная информация:
Re: Самодельный центроискатель
Конечно ошибка, пришлось маленький проводок кинуть, не заказывать же новые платы. Если нужно, могу выложить плату, естественно исправленную. Она у меня в Диптрейсе.
-
sas_75
- Мастер
- Сообщения: 463
- Зарегистрирован: 10 мар 2015, 11:03
- Репутация: 115
- Настоящее имя: Сергей
- Откуда: Владивосток
- Контактная информация:
Re: Самодельный центроискатель
Да там можно и каплей припоя ноги связать.