Спасибо всем добрым людям за помощь, проблема, как часто бывает, оказалась в кривых руках.
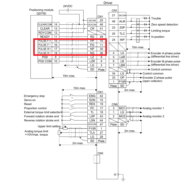
Частотник Kinda KD-200, у меня работает в режиме напряжения, джампера там нет для переключения режимов, в настройках выставил от куда сигнал брать, на нем разные входы для работы по току и напряжениюА инвертор работает в режиме измерения напряжения или тока? не может он "просаживать" операционник на плате? В инверторах бывает джампер для выбора режима. (допустимый ток выхода до 70 мА, что довольно много)
Как и ожидалось, проблема оказалась в настройках EMC2.
Я, начитавших мануалов, понял видимо неправильно(думал что раз управление частотника по 0-10v, значит так и надо выставить в линуксе...) и выставил режим ЧИМ(PDM) в linuxcnc, выставив в настройках частоту 0 Гц, что линукс выдавал при этом в LPT порт - одному богу известно)))
В итоге выставил режим ШИМ (PWM), частоту взял 10Гц и все заработало как и должно.
Правда сохранилась проблема с плаваньем оборотов на некоторых скоростях, плавают +-20 оборотов, на некоторых - все ок, но по звуку, шпиндель нормально работает, а показания оборотов скачут на табло частотника, в нем же в свою очередь, нет энкодера и обороты он похоже высчитывает исходя из частоты, посему думаю это магия частотника, пробую победить его настройками, но пока он выигрывает.
Определив для себя рабочий диапазон от 8000 до 22000 оборотов скорректировал параметры scale и offset. В начале и в конце диапазона, при подаче команды s8000 или s22000, показания частотника близки к идеалу +-50 оборотов. В середине же диапазона фактические обороты от команды могу отличаться до+-500, видимо не линейно как то идет нарастание напряжения. Кстати, по этому поводу вопрос:
Продолжить копаться в настройках частотника, либо же в настройках linuxcnc, либо это нормально и так все и должно быть?)))
