StepMaster ver.1 - Отзывы, Вопросы, Советы.
- Serg
- Мастер
- Сообщения: 21923
- Зарегистрирован: 17 апр 2012, 14:58
- Репутация: 5183
- Заслуга: c781c134843e0c1a3de9
- Настоящее имя: Сергей
- Откуда: Москва
- Контактная информация:
Re: StepMaster - Отзывы, Вопросы, Советы.
цены на честные online как правило начинаются от $600-700 и их не выпускают меньше чем на 2kVA.
Я не Христос, рыбу не раздаю, но могу научить, как сделать удочку...
- elephant007
- Мастер
- Сообщения: 857
- Зарегистрирован: 18 ноя 2012, 13:12
- Репутация: 332
- Откуда: Сибирь, Томск
- Контактная информация:
Re: StepMaster - Отзывы, Вопросы, Советы.
есть повод проэкспериментировать. у меня скопилась куча упсов, доедет плата, подключу и можно будет снять осциллограмму.
Только нужно меня определить - где мерить помеху? чем и где шуметь? (для чистоты опыта нужно условия как-то поставить)
- shalek
- Почётный участник

- Сообщения: 3023
- Зарегистрирован: 25 авг 2014, 10:40
- Репутация: 2583
- Настоящее имя: Александр
- Откуда: РБ Бобруйск
- Контактная информация:
Re: StepMaster - Отзывы, Вопросы, Советы.
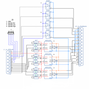
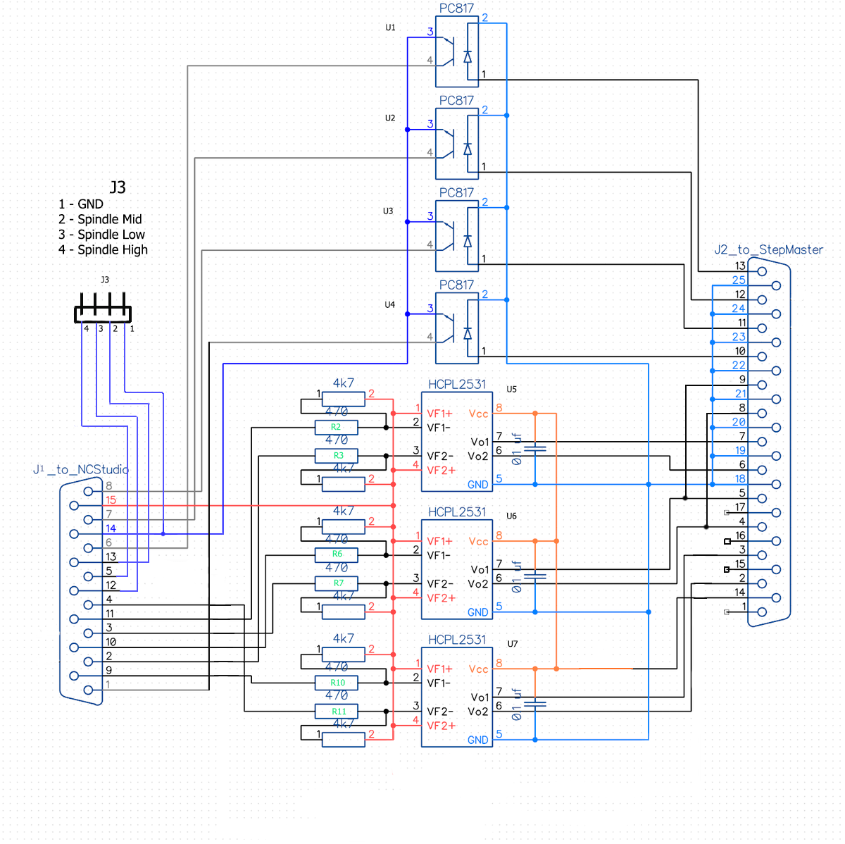
Сегодня неожиданно без предупреждения пришли заказанные платы опторазвязки для Stepmaster+Ncstudio.
Заказывал чисто для интереса. Ради процесса. Развел в DipTrace и там же нажал заказать. И вот результат. По заказу должны были изготовить 2 шт. (минимальное количество), а выслали почему-то аж четыре.
Заказывал чисто для интереса. Ради процесса. Развел в DipTrace и там же нажал заказать. И вот результат. По заказу должны были изготовить 2 шт. (минимальное количество), а выслали почему-то аж четыре.
Если ты не можешь решить проблему, значит это не твоя проблема!
Мой канал на YouTube: YouTube
ЧПУ "Бобр" 600x500 мм
shalek64@gmail.com
Мой канал на YouTube: YouTube
ЧПУ "Бобр" 600x500 мм
shalek64@gmail.com
Re: StepMaster - Отзывы, Вопросы, Советы.
Если есть возможность, готов одну приобрести.
- shalek
- Почётный участник

- Сообщения: 3023
- Зарегистрирован: 25 авг 2014, 10:40
- Репутация: 2583
- Настоящее имя: Александр
- Откуда: РБ Бобруйск
- Контактная информация:
Re: StepMaster - Отзывы, Вопросы, Советы.
Пересылка куда-либо из Беларуси получится намного дороже платы.keyy писал(а):Если есть возможность, готов одну приобрести.
Если ты не можешь решить проблему, значит это не твоя проблема!
Мой канал на YouTube: YouTube
ЧПУ "Бобр" 600x500 мм
shalek64@gmail.com
Мой канал на YouTube: YouTube
ЧПУ "Бобр" 600x500 мм
shalek64@gmail.com
- verser
- Мастер
- Сообщения: 1905
- Зарегистрирован: 21 июл 2013, 22:28
- Репутация: 1282
- Настоящее имя: Сергей
- Откуда: Тбилиси
- Контактная информация:
Re: StepMaster - Отзывы, Вопросы, Советы.
Недавно узнавал про пересылку в Россию - ориентировочно 160 р. (40 тыр наших), так что соглашайтесьshalek писал(а):Пересылка куда-либо из Беларуси получится намного дороже платы.keyy писал(а):Если есть возможность, готов одну приобрести.
Re: StepMaster - Отзывы, Вопросы, Советы.
Время тоже деньги.
Мне дешевле купить чем самому сделать.
Нужно срочно станок запустить. Покупаю плату Михаила, NCstudio и только задумался где брать переходную платку и тут такая информация!
Можно отправить ЕМС чтобы быстрее было. Если согласны напишите keyy@mail.ru
Мне дешевле купить чем самому сделать.
Нужно срочно станок запустить. Покупаю плату Михаила, NCstudio и только задумался где брать переходную платку и тут такая информация!
Можно отправить ЕМС чтобы быстрее было. Если согласны напишите keyy@mail.ru
- shalek
- Почётный участник

- Сообщения: 3023
- Зарегистрирован: 25 авг 2014, 10:40
- Репутация: 2583
- Настоящее имя: Александр
- Откуда: РБ Бобруйск
- Контактная информация:
Re: StepMaster - Отзывы, Вопросы, Советы.
Если Ncstudio красная, то эта плата не для нее. Распиновка разная
Если ты не можешь решить проблему, значит это не твоя проблема!
Мой канал на YouTube: YouTube
ЧПУ "Бобр" 600x500 мм
shalek64@gmail.com
Мой канал на YouTube: YouTube
ЧПУ "Бобр" 600x500 мм
shalek64@gmail.com
Re: StepMaster - Отзывы, Вопросы, Советы.
Пока нет не какой.
Если синяя не хуже красной - будет синяя.
Если синяя не хуже красной - будет синяя.
-
ССтасс
- Опытный
- Сообщения: 130
- Зарегистрирован: 23 май 2014, 14:42
- Репутация: -2
- Контактная информация:
Re: StepMaster - Отзывы, Вопросы, Советы.
Я бы тоже приобрел такую , свяжитесь пожалуйста со мной
- shalek
- Почётный участник

- Сообщения: 3023
- Зарегистрирован: 25 авг 2014, 10:40
- Репутация: 2583
- Настоящее имя: Александр
- Откуда: РБ Бобруйск
- Контактная информация:
Re: StepMaster - Отзывы, Вопросы, Советы.
Сегодня распаял и проверил плату опторазвязки. Все работает. Пришлось, правда, инвертировать все хоумы и переподключить их на Stepmaster. Не совпало со старым подключением. Но все успешно. Осталось прогнать пару тестов на длительный забег по поводу прихода в ноль и отсутствие влияния помех разных. И не распаял фишку на частотник. Завтра займусь. Хреновый с меня пайщик SMD компонентов. Жена еще долго выметать из разных углов их будет. Паял в свои 50 без лупы и очков. И в самый первый раз. Ну да не на продажу. Себе любимому!
Последний раз редактировалось shalek 30 мар 2015, 20:55, всего редактировалось 2 раза.
Если ты не можешь решить проблему, значит это не твоя проблема!
Мой канал на YouTube: YouTube
ЧПУ "Бобр" 600x500 мм
shalek64@gmail.com
Мой канал на YouTube: YouTube
ЧПУ "Бобр" 600x500 мм
shalek64@gmail.com
- michael-yurov
- Почётный участник

- Сообщения: 11731
- Зарегистрирован: 26 июл 2012, 00:10
- Репутация: 4703
- Настоящее имя: Михаил Львович
- Откуда: Новоуральск
- Контактная информация:
Re: StepMaster - Отзывы, Вопросы, Советы.
Так у тебя оптопары HCPL2630, а не 2530!
Тогда нужны подтягивающие резисторы на выходе по идее.
Тех, что на плате в 3,9 кОм может быть недостаточно.
Нужно документацию смотреть...
Тогда нужны подтягивающие резисторы на выходе по идее.
Тех, что на плате в 3,9 кОм может быть недостаточно.
Нужно документацию смотреть...
- shalek
- Почётный участник

- Сообщения: 3023
- Зарегистрирован: 25 авг 2014, 10:40
- Репутация: 2583
- Настоящее имя: Александр
- Откуда: РБ Бобруйск
- Контактная информация:
Re: StepMaster - Отзывы, Вопросы, Советы.
На плате и у меня 4,7к стоят. Погоняю - посмотрим. Пока все крутится.michael-yurov писал(а):Так у тебя оптопары HCPL2630, а не 2530!
Тогда нужны подтягивающие резисторы на выходе по идее.
Тех, что на плате в 3,9 кОм может быть недостаточно.
Нужно документацию смотреть...
Если ты не можешь решить проблему, значит это не твоя проблема!
Мой канал на YouTube: YouTube
ЧПУ "Бобр" 600x500 мм
shalek64@gmail.com
Мой канал на YouTube: YouTube
ЧПУ "Бобр" 600x500 мм
shalek64@gmail.com
- michael-yurov
- Почётный участник

- Сообщения: 11731
- Зарегистрирован: 26 июл 2012, 00:10
- Репутация: 4703
- Настоящее имя: Михаил Львович
- Откуда: Новоуральск
- Контактная информация:
Re: StepMaster - Отзывы, Вопросы, Советы.
Не, это на входе - они для разрядки емкости между проводами (на всякий случай, чтобы светодиод оптопары быстрее выключался).shalek писал(а):На плате и у меня 4,7к стоят. Погоняю - посмотрим. Пока все крутится.
А я говорю про подтягивающие резисторы на выходе (сейчас стоят только на плате СтепМастера 3,9 кОм).
Ну и перемычка питания на 14 пин нужна для этих оптопар - они больше потребляют (если не ошибаюсь).
- shalek
- Почётный участник

- Сообщения: 3023
- Зарегистрирован: 25 авг 2014, 10:40
- Репутация: 2583
- Настоящее имя: Александр
- Откуда: РБ Бобруйск
- Контактная информация:
Re: StepMaster - Отзывы, Вопросы, Советы.
Перемычку сразу поставил. Без нее не работало. А с подтягивающими резисторами, но без оптопар я уже пробовал. Тоже нормально работало. Даже рельефы резал.michael-yurov писал(а):Ну и перемычка питания на 14 пин нужна для этих оптопар - они больше потребляют (если не ошибаюсь).
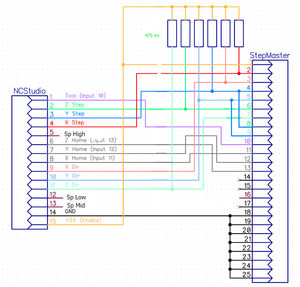
Это по этой схеме P.S. Жалко что для красной платы Ncstudio опторазвязка не подходит (нужно пины в печатке переназначать).
Хотя нужно было сразу разводить на два 15 пиновых разъема. Один для красной, второй для синей.
Последний раз редактировалось shalek 30 мар 2015, 21:11, всего редактировалось 1 раз.
Если ты не можешь решить проблему, значит это не твоя проблема!
Мой канал на YouTube: YouTube
ЧПУ "Бобр" 600x500 мм
shalek64@gmail.com
Мой канал на YouTube: YouTube
ЧПУ "Бобр" 600x500 мм
shalek64@gmail.com
- michael-yurov
- Почётный участник

- Сообщения: 11731
- Зарегистрирован: 26 июл 2012, 00:10
- Репутация: 4703
- Настоящее имя: Михаил Львович
- Откуда: Новоуральск
- Контактная информация:
Re: StepMaster - Отзывы, Вопросы, Советы.
Я про оптопары говорю.shalek писал(а):А с подтягивающими резисторами, но без оптопар я уже пробовал.
Если HCPL2630 - нужны резисторы подтягивающие: http://www.cnc-club.ru/forum/viewtopic. ... 00#p172328
Если HCPL2530 - не нужны, достаточно тех, что на плате контроллера. http://www.cnc-club.ru/forum/viewtopic. ... 80#p176154
- shalek
- Почётный участник

- Сообщения: 3023
- Зарегистрирован: 25 авг 2014, 10:40
- Репутация: 2583
- Настоящее имя: Александр
- Откуда: РБ Бобруйск
- Контактная информация:
Re: StepMaster - Отзывы, Вопросы, Советы.
Будут проблемы - поставлю подтяжку. А может оптроны заменю. Там где я радиокомпоненты заказывал не было HCPL2530michael-yurov писал(а):Если HCPL2630 - нужны резисторы подтягивающие: http://www.cnc-club.ru/forum/viewtopic. ... 00#p172328
Если ты не можешь решить проблему, значит это не твоя проблема!
Мой канал на YouTube: YouTube
ЧПУ "Бобр" 600x500 мм
shalek64@gmail.com
Мой канал на YouTube: YouTube
ЧПУ "Бобр" 600x500 мм
shalek64@gmail.com
- michael-yurov
- Почётный участник

- Сообщения: 11731
- Зарегистрирован: 26 июл 2012, 00:10
- Репутация: 4703
- Настоящее имя: Михаил Львович
- Откуда: Новоуральск
- Контактная информация:
Re: StepMaster - Отзывы, Вопросы, Советы.
2630 лучше, быстрее, но нужны немного другие номиналы.
Будет время - посмотрю. Может быть и так допустимо.
Будет время - посмотрю. Может быть и так допустимо.
Re: StepMaster - Отзывы, Вопросы, Советы.
Заказал в Китае "синюю" http://tw.taobao.com/item/12404618539.h ... sgp0e280a6 и "красную" http://tw.taobao.com/item/37643208320.h ... sgp0e200fa платы до кучи. Не могу толком понять какая лучше. Про "красную" с кривым переводом не совсем понял про умножение частоты х2, х3. Михаил раньше писал что она просто умножает исходную на эти коэффициенты. Но если про "синюю" написано что она до 47кГц, то про "красную" конкретной цифры не вижу. Кто знает "красные" платы идут уже с зашитым коэффициентом умножения или его как-то можно менять? Какая-то бумажка на фото с цифрой множителя. Я так понимаю, что для Степмастера это умножение не к чему. Из корявого перевода понял что у "красной какой то лучший алгоритм разгона и торможения, сравнивают с разгоном автомобиля. Пишут, что работает в 10 раз дольше и 2 года гарантия. Вроде тестируют 4 и 6 осей и пульт. Просят набраться терпения.
- shalek
- Почётный участник

- Сообщения: 3023
- Зарегистрирован: 25 авг 2014, 10:40
- Репутация: 2583
- Настоящее имя: Александр
- Откуда: РБ Бобруйск
- Контактная информация:
Re: StepMaster - Отзывы, Вопросы, Советы.
Есть и синяя и красная. По красной http://www.cnc-club.ru/forum/viewtopic. ... 00#p150539keyy писал(а):Заказал в Китае "синюю" http://tw.taobao.com/item/12404618539.h ... sgp0e280a6 и "красную" http://tw.taobao.com/item/37643208320.h ... sgp0e200fa платы до кучи. Не могу толком понять какая лучше. Про "красную" с кривым переводом не совсем понял про умножение частоты х2, х3. Михаил раньше писал что она просто умножает исходную на эти коэффициенты. Но если про "синюю" написано что она до 47кГц, то про "красную" конкретной цифры не вижу. Кто знает "красные" платы идут уже с зашитым коэффициентом умножения или его как-то можно менять? Какая-то бумажка на фото с цифрой множителя. Я так понимаю, что для Степмастера это умножение не к чему. Из корявого перевода понял что у "красной какой то лучший алгоритм разгона и торможения, сравнивают с разгоном автомобиля. Пишут, что работает в 10 раз дольше и 2 года гарантия. Вроде тестируют 4 и 6 осей и пульт. Просят набраться терпения.
Если ты не можешь решить проблему, значит это не твоя проблема!
Мой канал на YouTube: YouTube
ЧПУ "Бобр" 600x500 мм
shalek64@gmail.com
Мой канал на YouTube: YouTube
ЧПУ "Бобр" 600x500 мм
shalek64@gmail.com