Подскажите, можно ли покупать этот станок
- CNC-Logic
- Мастер
- Сообщения: 1560
- Зарегистрирован: 14 мар 2012, 03:40
- Репутация: 815
- Настоящее имя: Евгений
- Откуда: г.Новосибирск
- Контактная информация:
Re: Подскажите, можно ли покупать этот станок
dmytro69
Если на станке, который вы показали фрезеровать только дерево - то сам станок подойдёт. Но я ещё раз подчёркиваю - только дерево! На металле будут вибрации и из-за этого поломанные фрезы и отвратительное качество поверхности.
Если нужно в будущем фрезеровать металл - то у станка должны быть либо очень толстые цилиндрические валы от 25мм - при очень малом рабочем поле (А4-А5) - чтоб прогиб был как можно меньше. Либо рельсы, причём желательно чтоб рельсы находящиеся под рабочим столом работали с ним в связке.
Решать вам.
Если на станке, который вы показали фрезеровать только дерево - то сам станок подойдёт. Но я ещё раз подчёркиваю - только дерево! На металле будут вибрации и из-за этого поломанные фрезы и отвратительное качество поверхности.
Если нужно в будущем фрезеровать металл - то у станка должны быть либо очень толстые цилиндрические валы от 25мм - при очень малом рабочем поле (А4-А5) - чтоб прогиб был как можно меньше. Либо рельсы, причём желательно чтоб рельсы находящиеся под рабочим столом работали с ним в связке.
Решать вам.
- GhOsTPTZ
- Почётный участник

- Сообщения: 206
- Зарегистрирован: 09 фев 2015, 02:11
- Репутация: 9
- Настоящее имя: Евгений
- Контактная информация:
Re: Подскажите, можно ли покупать этот станок
Пластик ещё можно грызть. На металле можно выгравировать попробовать и должно получится.
Рад находиться здесь)
-
FantasyDD
- Новичок
- Сообщения: 22
- Зарегистрирован: 03 июл 2016, 23:08
- Репутация: 3
- Настоящее имя: Dima
- Откуда: СССР
- Контактная информация:
Re: Подскажите, можно ли покупать этот станок
Прошу прощения в моей деревне интернет не стабильный, не сразу ответил.
фрезеровщики - народ суровый! Или вы серьезно предлагаете 20 сантиметровым микрометром и прецизионным угольником все это мерить.
Вы же профессионал, вы же понимаете, что это вопрос на засыпку.
Для справки скажу, что точность cnc по умолчанию подразумевается длина шага, далее от этого все и зависит, начиная от разработки: конструкция, материалы... кончая: выбором фрез и цанг, даже при оцифровке трехмерной модели в точности триангуляции тоже этот параметр желательно учесть. Это, если можно сказать, основной параметр станка.
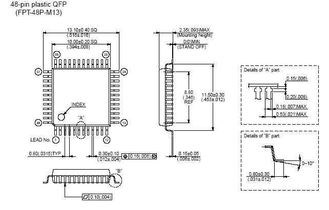
Так, теперь почему я так сказал. Время от времени мне приходится царапать печатные платы, есть такая посадка для микросхемы LQFP-48 чтобы не мучатся, фотошаблоном на опытные образцы я платы царапаю (так быстрее), прикупил цангу 0.008 класс AA и конус 0.1 мм. Станок справился. Видоса нет, но я покажу чужой, чтобы понятно было, о чем я. Там, кстати, конус 0.2, если я не ошибаюсь, может больше, чип LQFP.
https://www.youtube.com/watch?v=nAbJh2mEFDM
Жестко вы со мнойAlexNikov писал(а):Но по точности в 3 сотки, не несите чушь!Проделайте следующие мероприятия:
Вы же профессионал, вы же понимаете, что это вопрос на засыпку.
Для справки скажу, что точность cnc по умолчанию подразумевается длина шага, далее от этого все и зависит, начиная от разработки: конструкция, материалы... кончая: выбором фрез и цанг, даже при оцифровке трехмерной модели в точности триангуляции тоже этот параметр желательно учесть. Это, если можно сказать, основной параметр станка.
Так, теперь почему я так сказал. Время от времени мне приходится царапать печатные платы, есть такая посадка для микросхемы LQFP-48 чтобы не мучатся, фотошаблоном на опытные образцы я платы царапаю (так быстрее), прикупил цангу 0.008 класс AA и конус 0.1 мм. Станок справился. Видоса нет, но я покажу чужой, чтобы понятно было, о чем я. Там, кстати, конус 0.2, если я не ошибаюсь, может больше, чип LQFP.
https://www.youtube.com/watch?v=nAbJh2mEFDM
- NKS
- Мастер
- Сообщения: 2516
- Зарегистрирован: 30 окт 2014, 21:36
- Репутация: 1233
- Настоящее имя: Сергей
- Откуда: Волгоград
- Контактная информация:
Re: Подскажите, можно ли покупать этот станок
Так это не чужой, а свойFantasyDD писал(а): Видоса нет, но я покажу чужой
-
FantasyDD
- Новичок
- Сообщения: 22
- Зарегистрирован: 03 июл 2016, 23:08
- Репутация: 3
- Настоящее имя: Dima
- Откуда: СССР
- Контактная информация:
Re: Подскажите, можно ли покупать этот станок
А смысл снимать и публиковать? Есть запись где я в алюминиевых корпусах толщина 2,5мм диаметр 3 см дырки вырезал, и то только что бы по почте переслать заказчику , сказать что и где вырезал. Могу вам на почту прислать.NKS писал(а):Так это не чужой, а свой
Меня Ни на фейсбуке Ни Вконтакте Ни в Однокласниках Ни на Ютюбе тем более НЕТ Досье добровольно на себя не веду, не интересно.
В вашем форуме зарегистрировался только за то что бы сказать СПАСИБО за совет от EXE по выбору фрез.
Последний раз редактировалось FantasyDD 06 июл 2016, 01:00, всего редактировалось 1 раз.
- NKS
- Мастер
- Сообщения: 2516
- Зарегистрирован: 30 окт 2014, 21:36
- Репутация: 1233
- Настоящее имя: Сергей
- Откуда: Волгоград
- Контактная информация:
Re: Подскажите, можно ли покупать этот станок
Я имел в виду, что это видео снято участником форума, michael-yurov :
http://www.cnc-club.ru/forum/memberlist ... ile&u=4052
http://www.cnc-club.ru/forum/memberlist ... ile&u=4052
-
FantasyDD
- Новичок
- Сообщения: 22
- Зарегистрирован: 03 июл 2016, 23:08
- Репутация: 3
- Настоящее имя: Dima
- Откуда: СССР
- Контактная информация:
Re: Подскажите, можно ли покупать этот станок
Очень приятно. Интересно я угадал с фрезой или нет.NKS писал(а):Я имел в виду, что это видео снято участником форума, michael-yurov :
http://www.cnc-club.ru/forum/memberlist ... ile&u=4052
Нет там только фрезеровка, это кажется фотошаблон. Все равно понятно о чем я.
-
arkhnchul
- Мастер
- Сообщения: 1773
- Зарегистрирован: 01 фев 2016, 13:56
- Репутация: 339
- Откуда: москва
- Контактная информация:
Re: Подскажите, можно ли покупать этот станок
это что я сейчас прочитал?)FantasyDD писал(а):...что точность cnc по умолчанию подразумевается длина шага ... Это, если можно сказать, основной параметр станка ...
-
AVK74
- Почётный участник

- Сообщения: 1854
- Зарегистрирован: 02 июл 2013, 09:03
- Репутация: 335
- Откуда: Уфа
- Контактная информация:
Re: Подскажите, можно ли покупать этот станок
Ну человек слабо разбирается в теме и путает точность с дискретностью перемещений.
- AlexNikov
- Мастер
- Сообщения: 1212
- Зарегистрирован: 05 янв 2014, 20:09
- Репутация: 721
- Настоящее имя: Алексей
- Откуда: Томск
- Контактная информация:
Re: Подскажите, можно ли покупать этот станок
Сугубо лишь для целей нужных - дабы не вводили людей в заблуждение. Не серчайте если что... Но вот подтянуть мат часть что как дак в станках является его "точночтью" и точностью чего именно (геометрии, перемещения, повторяемости, отклонений при нагрузках и т.д.) - вот это бы очень бы даже было нужно.FantasyDD писал(а):Жестко вы со мной
И Сравнивать Мишен станок и китайца...кххх, если уж с соблюдением правил приличия, то сравнивать их ну очень не корректноFantasyDD писал(а):Видоса нет, но я покажу чужой, чтобы понятно было, о чем я.
-
SVP
- Мастер
- Сообщения: 6140
- Зарегистрирован: 19 дек 2012, 15:49
- Репутация: 884
- Откуда: Москва
- Контактная информация:
Re: Подскажите, можно ли покупать этот станок
Точность никогда, даже теоретически не может приблизится к величине шага.FantasyDD писал(а):Для справки скажу, что точность cnc по умолчанию подразумевается длина шага,
И определяется она как максимальная из очень многих величин.
В вашем случае степень кривизны станины будет скорее всего максимальной величиной.
Было-бы все-таки интересным увидеть обмеры реальной детали немалого размера изготовленной вами.
Чтобы вопросы про 0.03 закрыть.
Хотя, признаюсь, не очень интересно видеть. Я-то знаю что вы там намеряете.
Кучу четырехугольников с не 90градусными углами вместо квадратов, и со сторонами зачастую
отличающимися не несколько десяток.
Но вера человека неискоренима.
Кто-то верит в бога. Кто-то в соточную точность обработки.
Очень четко замечено (не мною), что по фотографии имеющегося у респондента поверочного инструмента
можно четко определить точность имеющейся у него железки
Даже набор КМД и микрометр уже способствуют просветлению...
- michael-yurov
- Почётный участник

- Сообщения: 11731
- Зарегистрирован: 26 июл 2012, 00:10
- Репутация: 4703
- Настоящее имя: Михаил Львович
- Откуда: Новоуральск
- Контактная информация:
Re: Подскажите, можно ли покупать этот станок
Теперь совсем не понятно.FantasyDD писал(а): Видоса нет, но я покажу чужой, чтобы понятно было, о чем я.
В видео шаг ног 0,5 мм, а на чертеже 0,8 мм.
-
FantasyDD
- Новичок
- Сообщения: 22
- Зарегистрирован: 03 июл 2016, 23:08
- Репутация: 3
- Настоящее имя: Dima
- Откуда: СССР
- Контактная информация:
Re: Подскажите, можно ли покупать этот станок
AlexNikov, SVP Не буду я с вами спорить, вы правы. Просто мне странно вместо того что бы помочь человеку выбрать станок один из вас просто так зашел что бы обосрать (извиняюсь за вырождение ) и сказать что у него лучше, другой пытается мне объяснить что уже мой станок дерьмо
Вашу бы энергию да в мирное русло!
Времена СССР прошли и вы наверно понимаете что собранный в ручную станок будет стоить дороже и в денежном и в рабочем времени чем купленный станок с конвейера. Хотя есть такое слово хобби, нечего против не имею. Сам этим занимаюсь для души.
Обещаю как будет время обязательно выложу видос про точность в этой ветке, очень суетно это мне но если вам интересно я постараюсь. Не для холивара, только если вам это будет полезно.
очень редко кто это делает. Вам скажу что царапаю платы под STM32 конусом 0,1 и доволен как слон
до покупки станка я спорил что это не возможно, только фотошаблон! Конус 0.1 на стандартной цанге бил как не зажимай ну 0.05 минимум где-то и то так зажать невозможно было почти, прикупил цангу класса AA о все пошло как по маслу.
Весь наш ХОЛИВАР НЕ В ТЕМУ, посоветуйте человеку станок в бюджет 700 евро (с доставкой) лучше того что посоветовал я.
Времена СССР прошли и вы наверно понимаете что собранный в ручную станок будет стоить дороже и в денежном и в рабочем времени чем купленный станок с конвейера. Хотя есть такое слово хобби, нечего против не имею. Сам этим занимаюсь для души.
Обещаю как будет время обязательно выложу видос про точность в этой ветке, очень суетно это мне но если вам интересно я постараюсь. Не для холивара, только если вам это будет полезно.
Видос и чертеж показал что бы понятно было вообще о чем я, не то холивар бы продолжится уже в эту темуmichael-yurov писал(а):Теперь совсем не понятно.
В видео шаг ног 0,5 мм, а на чертеже 0,8 мм.
Весь наш ХОЛИВАР НЕ В ТЕМУ, посоветуйте человеку станок в бюджет 700 евро (с доставкой) лучше того что посоветовал я.
-
AVK74
- Почётный участник

- Сообщения: 1854
- Зарегистрирован: 02 июл 2013, 09:03
- Репутация: 335
- Откуда: Уфа
- Контактная информация:
Re: Подскажите, можно ли покупать этот станок
Вот это просто феерично неверно. Вы бы хоть один станок сами сделали, а потом подобные телеги толкали. Обоснованно с цифрами и тезисами.FantasyDD писал(а):Времена СССР прошли и вы наверно понимаете что собранный в ручную станок будет стоить дороже и в денежном и в рабочем времени чем купленный станок с конвейера. Хотя есть такое слово хобби, нечего против не имею. Сам этим занимаюсь для души.
-
FantasyDD
- Новичок
- Сообщения: 22
- Зарегистрирован: 03 июл 2016, 23:08
- Репутация: 3
- Настоящее имя: Dima
- Откуда: СССР
- Контактная информация:
Re: Подскажите, можно ли покупать этот станок
Я начал изучать эту тему, были мысли или купить или собрать самому. Мне для моего хобби нужно то что он делает, само конструирование меня не затянуло я не механик. Выбирал долго, мой выбор пал на указанный выше станок. После покупки честно превзошел мои ожидания.AVK74 писал(а):Вот это просто феерично неверно. Вы бы хоть один станок сами сделали, а потом подобные телеги толкали. Обоснованно с цифрами и тезисами.
Я несколько раз говорил и сейчас говорю я не механик, фрезеровка для меня нужна только как помощник к моему хобби. С моими задачами станок справляется на 5+ .(какие задачи и скакой точностью я это делаю я описал выше) покупать дороже нет смысла для меня.
Совет дал автору темы от души, и мне не приятно когда кидают камни в человека у которого нет неограниченного бюджета на приобретение станка , не красиво это, да и смысл покупать реактивный двигатель если тебе это не надо. Помогли бы с выбором, возможно он потом левшой станет! А обламывать и говорить что то что ты покупаешь дерьмо а у меня за пол миллиона супер. Не купит, плюнет на это дело, и что, вам легче?
-
AVK74
- Почётный участник

- Сообщения: 1854
- Зарегистрирован: 02 июл 2013, 09:03
- Репутация: 335
- Откуда: Уфа
- Контактная информация:
Re: Подскажите, можно ли покупать этот станок
Что-то вы достопочтимый дон, заговариваться начали. Про пол миллиона вообще от души.FantasyDD писал(а):Помогли бы с выбором, возможно он потом левшой станет! А обламывать и говорить что то что ты покупаешь дерьмо а у меня за пол миллиона супер. Не купит, плюнет на это дело, и что, вам легче?
Здесь народ в основном станки делает сам. И странно ожидать, что посоветуют что-то купить.
А то что за 700 евро ничего хорошего не купить - святая правда.
И вам ваш станок нравится по одной простой причине, вы никогда ничего другого не видели. И ничего по настоящему серьезного не делали. Есть такой "синдром утенка"
Либо просто толкаете рекламу, что вполне возможно судя по дате вашей регистрации.
-
FantasyDD
- Новичок
- Сообщения: 22
- Зарегистрирован: 03 июл 2016, 23:08
- Репутация: 3
- Настоящее имя: Dima
- Откуда: СССР
- Контактная информация:
Re: Подскажите, можно ли покупать этот станок
Ладно забыли. Сколько людей столько мнений, я тут гость. Если сочтете что реклама удалите пост я не против. Вообще то не плохо всю ветку прочистить.AVK74 писал(а):Либо просто толкаете рекламу, что вполне возможно судя по дате вашей регистрации.
За кого меня только не принимали но за китайца
Автор прислушайся
дельный совет.AVK74 писал(а):Здесь народ в основном станки делает сам. И странно ожидать, что посоветуют что-то купить.
-
SVP
- Мастер
- Сообщения: 6140
- Зарегистрирован: 19 дек 2012, 15:49
- Репутация: 884
- Откуда: Москва
- Контактная информация:
Re: Подскажите, можно ли покупать этот станок
О сколько вам открытий чудных готовит просвещенья дух.FantasyDD писал(а):Времена СССР прошли и вы наверно понимаете что собранный в ручную станок будет стоить дороже и в денежном и в рабочем времени чем купленный станок с конвейера. Хотя есть такое слово хобби, нечего против не имею. Сам этим занимаюсь для души.
Станки этой ценовой категории (до нескольких миллионов рублей, за полмиллиона ничего не купить уже давно),
как правило, собираются в гаражах с помощью строителей из средней азии, зачастую из списанных или контрафактных комплектующих.
Ни о каких конвеерах и речи нету. Это всё штучные изделия, на одном одни гайки, на другом другие.
Послезавтра "запил петрович" и гаек вовсе забыли привинтить... или смазать... или проверить параллельность направляющих.
- Карабас
- Мастер
- Сообщения: 1862
- Зарегистрирован: 02 мар 2016, 06:53
- Репутация: 690
- Контактная информация:
Re: Подскажите, можно ли покупать этот станок
Дмитрий, тут на всех( почти на всех) новичков нападают. Выдержал натиск старожил - молодец. Я за свой первый пост, сразу получил в репу - .
Если на минусы жизни смотреть сквозь поднятый средний палец, то они становятся плюсами.
- ultrus
- Мастер
- Сообщения: 2039
- Зарегистрирован: 09 апр 2013, 05:42
- Репутация: 1329
- Настоящее имя: Юрий
- Откуда: Воронеж
- Контактная информация:
Re: Подскажите, можно ли покупать этот станок
Да ну на!FantasyDD писал(а):вы наверно понимаете что собранный в ручную станок будет стоить дороже и в денежном и в рабочем времени чем купленный станок с конвейера
Вот выдернул из учётной базы 5-летней давности небольшой пример собственного производства:
202 Белая - Автоэмаль-аэрозоль "Автон" - цена продажи 60,41 руб
Накладные расходы:
Автозапчасти 0,01
Амортизация оборудования и помещений 2,82
Банковские услуги 0,13
Вода питьевая 0,02
Дизтопливо 0,22
Запчасти и принадлежности для обслуживания оборудования 0,61
ЗП Администрация 2,87
ЗП Участок Аэрозолей 2,09
ЗП Технологов и лаборатории 0,82
ЗП Участок Механиков 0,38
ЗП Участок Погрузки 0,37
ЗП Участок Транспорта 0,40
Канцтовары 0,02
Компьютерные технологии 0,05
Молоко 0,03
Налоги 3,71
Обслуживание оборудования 0,08
Отопление 0,12
Охрана 0,20
Почта 0,01
Прочие платежи 0,24
Расчётная прибыль 13,95
Расходные материалы 0,14
Строительно-ремонтные работы 0,02
Телефон и интернет 0,05
Транспортные расходы 0,12
Хозрасходы 0,08
Электроэнергия 0,62
Итого: 30,21
Материальные расходы:
Эмаль 202 Белая 10,24
Пропеллент DME 2,86
Активатор "Koh-in-nor" - Поворотный 1,12
Баллон 520 ml литографированный "Автон" - алкид 10,00
Клапан "Koh-in-nor" 2,58
Крышка - Белая 1,00
Наклейка "38 х 23,5" 0.01
Наклейка "48,5 х 25,4" 0,02
Пленка стрейч 0,06
Растворитель для баллонов 1,60
Скотч 0,03
Шарик металл 0,15
Шарик стекло 0,12
Ящик "Автон" - 520 ml 0,42
Итого: 30,20 руб
Как видим, затраты на производство составляют почти 100% от материальной себестоимости.
А на машиностроительных заводах эта цифра может доходить и до 500%.
В Китае эти цифры могут быть меньше, но тогда станок собран не на конвейере, а в каком-нибудь сарае.
Вот и прикиньте, из какого г... и на каком оборудовании сделан станок за 700$.
"Если хочешь сделать что-то хорошо, сделай это сам."
Фердинанд Порше
Фердинанд Порше